PCCar.ru - Ваш автомобильный компьютер

Вернуться   PCCar.ru - Ваш автомобильный компьютер > MP3Car ТехИнфа > Разработка устройств

Ответ
 
Опции темы Поиск в этой теме
Старый 08.11.2007, 23:10   #1
outruller
Пользователь
 
Регистрация: 01.07.2007
Возраст: 44
Город: СПб
Регион: 77, 97, 99, 177
Машина: 05\VW\pointer
Сообщений: 35
outruller is on a distinguished road
Question Вывести 5в с ноутбука?

Для подключения к контроллеру небходимо вывести с ноута 5В, которые пропадут при переходе в ждущий режим (Standby, Sleep Mode. НЕ Hibernate!). 5В на USB не пропадают в ждущем, но я вывел 2В со светодиода кнопки вкл/выкл. Эти 2В успешно пропадают когда надо.

Имеем на входе 2 провода, на одном 5В, на другом 2В. как заставить на выходе 5В пропадать и появляться синхронно с 2В?

--- 5В --->|--|
...............| ? |-- 5В, когда 2В есть, 0В, когда 2В нет -->
----2В --> |__|


1.Наверное, можно повесить реле, но не знаю, есть ли реле с коммутацией на 2В...
2.или оптопара. tlp721 подойдет?

Последний раз редактировалось outruller; 10.11.2007 в 13:33.
outruller вне форума   Ответить с цитированием
Старый 09.11.2007, 11:08   #2
mcf1
Guest
 
Сообщений: n/a
По умолчанию

что к этому всему ты хочешь подключить? распиши подробнее для чего нужно пять вольт, тогда и ответы появятся на твой вопрос
  Ответить с цитированием
Старый 09.11.2007, 18:33   #3
den_sad
Старший Пользователь
 
Регистрация: 04.05.2007
Город: Москва
Регион: 77, 97, 99, 177
Машина: 2000\Форд\Пума
Сообщений: 278
den_sad is on a distinguished road
По умолчанию

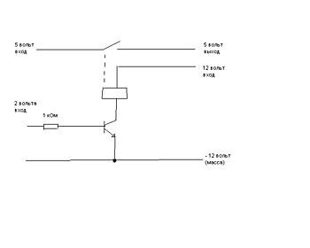
Вот так например
Миниатюры
Нажмите на изображение для увеличения
Название: Схема.jpg
Просмотров: 970
Размер:	3.7 Кб
ID:	4307  
den_sad вне форума   Ответить с цитированием
Старый 10.11.2007, 13:31   #4
outruller
Пользователь
 
Регистрация: 01.07.2007
Возраст: 44
Город: СПб
Регион: 77, 97, 99, 177
Машина: 05\VW\pointer
Сообщений: 35
outruller is on a distinguished road
Smile

Спасибо, den_sad. На первый взгляд то, что нужно. Какой ранзистор нужно взять? КТ819Г http://www.5v.ru/ds/trnz/kt819.htm подойдет?

mcf1, у меня контроллер Самоделкина, http://pccar.ru/showpost.php?p=31817&postcount=166
Для корректной работы со ждущим режимом (это который S3 Suspend-To-RAM) в контроллер с ноута должно идти 5В, когда ноут работает, и пропадать 5В, когда он "заснул". Об этих 5В и речь. Не знаю я где их безопасно взять в ноутбуке, кроме USB. 2В нашел на светодиоде кнопки вкл-выкл. Но так как 2В контроллер не воспринимает правильно, нужно коммутировать 5В с юсб этими 2В. Т.е. типа реле. Требуемая логика такая:
Есть 2В на светодиоде?
1.Если есть, подаем в котроллер 5В с юсб.
2.Если нет, то ничего в контроллер не подаем.
outruller вне форума   Ответить с цитированием
Старый 10.11.2007, 14:15   #5
den_sad
Старший Пользователь
 
Регистрация: 04.05.2007
Город: Москва
Регион: 77, 97, 99, 177
Машина: 2000\Форд\Пума
Сообщений: 278
den_sad is on a distinguished road
Exclamation

Цитата:
Сообщение от outruller Посмотреть сообщение
Спасибо, den_sad. На первый взгляд то, что нужно. Какой ранзистор нужно взять? КТ819Г http://www.5v.ru/ds/trnz/kt819.htm подойдет?

mcf1, у меня контроллер Самоделкина, http://pccar.ru/showpost.php?p=31817&postcount=166
Для корректной работы со ждущим режимом (это который S3 Suspend-To-RAM) в контроллер с ноута должно идти 5В, когда ноут работает, и пропадать 5В, когда он "заснул". Об этих 5В и речь. Не знаю я где их безопасно взять в ноутбуке, кроме USB. 2В нашел на светодиоде кнопки вкл-выкл. Но так как 2В контроллер не воспринимает правильно, нужно коммутировать 5В с юсб этими 2В. Т.е. типа реле. Требуемая логика такая:
Есть 2В на светодиоде?
1.Если есть, подаем в котроллер 5В с юсб.
2.Если нет, то ничего в контроллер не подаем.
какой транзюк брать зависит от мошьности реле (какой ток пойдет на обмотку) кт819 - слишком мощный практически при любом раскладе - возьми что то из серии кт815, кт817 - у них ток около 1,5-2А этого хватит так же практически для любого реле. Кроме того, на схеме не показано, но ОБЯЗАТЕЛЬНО параллельно реле подцепи какой нибудь германиевый диод в обратном включении (минус диода на +12 вольт) - это для того чтобы при переключении ток с реле не пробил транзистор. И разберись с общим проводом на 2 и на 5 вольт - лучше всего 5 вольт Если у этих напряжений минус общий - то все в оряде, а если вдруг нет то 5 вольт коммутируй 2-мя контактными группами реле
den_sad вне форума   Ответить с цитированием
Старый 10.11.2007, 15:02   #6
Hamster
Больной. Диагноз "Car PC"
 
Аватар для Hamster
 
Регистрация: 01.09.2005
Возраст: 52
Город: Москва
Регион: 77, 97, 99, 177
Машина: 08\Acura\MDX •••• 07\Honda\Civic 4D
Сообщений: 4,379
Hamster is a splendid one to beholdHamster is a splendid one to beholdHamster is a splendid one to beholdHamster is a splendid one to beholdHamster is a splendid one to beholdHamster is a splendid one to beholdHamster is a splendid one to behold
По умолчанию

Mcf1 прав, для начала надо было написать зачем. Тогда советы будут точнее
Стоп, ребяты... Какая нафиг коммутация? Зачем городить огород вокруг светодиода? Все проще - надо настроить в винде отключение USB опосля перехода в ждущий режим. Все.

З.Ы. Для того, чтобы это сделать нужно запретить всем USB устройствам (мышь, тач, и т.п.) выводить комп из ждущего режима - короче, на закладке "Управление лектропитанием" в свойствах устройства в диспечере устройств увидишь.
__________________
Старый проект Honda Accord RHD
Теперь будет Acura MDX 2008 и Honda Civic 4D 2007 и Mitsubishi Outlander XL 2011
Hamster вне форума   Ответить с цитированием
Старый 10.11.2007, 19:49   #7
AlexxxV
Старший Пользователь
 
Регистрация: 02.01.2007
Возраст: 62
Город: Ростов-на-Дону
Регион: 61
Машина: Renault Scenic F3R
Сообщений: 254
AlexxxV is on a distinguished road
По умолчанию

Цитата:
Сообщение от Hamster Посмотреть сообщение
Для того, чтобы это сделать нужно запретить всем USB устройствам (мышь, тач, и т.п.) выводить комп из ждущего режима - короче, на закладке "Управление лектропитанием" в свойствах устройства в диспечере устройств увидишь.
Облазил усе свои USB девайсы .....
таких закладок не нашел((((
плиз скриншот, чтоб в след раз не мучится)))))
__________________
Машинка почти такая же как у MediaCar
--------------------------------------------------
Case Z39 "ПилимСами"+моник уперли+БП SL( )+Advantech PCM-9580+Celeron 2,2 спалил +SAMSUNG DDR (512Mb+256Mb)+120 Gb 3.5"+NEC сдох+Terratec Aureon 5.1 USB MKII+BU-353+AverTV Hybrid FM Volar+CardReader 3,5"+DUB-H4+DBT-122+DWL-AG132+DDT2000, Digitronik LPG...LeoCar( )
AlexxxV вне форума   Ответить с цитированием
Старый 10.11.2007, 19:54   #8
den_sad
Старший Пользователь
 
Регистрация: 04.05.2007
Город: Москва
Регион: 77, 97, 99, 177
Машина: 2000\Форд\Пума
Сообщений: 278
den_sad is on a distinguished road
По умолчанию

Пожалуйста...
Миниатюры
Нажмите на изображение для увеличения
Название: 1.JPG
Просмотров: 866
Размер:	77.9 Кб
ID:	4323  
den_sad вне форума   Ответить с цитированием
Старый 10.11.2007, 21:33   #9
outruller
Пользователь
 
Регистрация: 01.07.2007
Возраст: 44
Город: СПб
Регион: 77, 97, 99, 177
Машина: 05\VW\pointer
Сообщений: 35
outruller is on a distinguished road
Talking Все ок!

den_sad, у меня то же самое. Пункт "разрешить выводить..." неактивен и галка снята. Вобщем, это не влият на наличие в ждущем режиме 5В на USB.

2ALL проблема решена покупкой оптопары 4N25. http://www.chipdip.ru/product0/885636407.aspx К фотодиоду подключаю выводы от светодиода кнопки вкл-выкл ноута, через ноги эмиттер-коллектор вывожу 5В с USB и все работает. Как реле, тока не щелкает.

Но есть один нюанс. Напруга от светодиода всего 2В. До кучи "на всякий случай" я купил еще и оптопару TLP521-1 http://www.chipdip.ru/product0/26829.aspx. А вот эта оптопара отказалась работать на 2В, видимо маловато 2В для нее. Всем ответившим спасибо!
outruller вне форума   Ответить с цитированием
Старый 10.11.2007, 22:58   #10
den_sad
Старший Пользователь
 
Регистрация: 04.05.2007
Город: Москва
Регион: 77, 97, 99, 177
Машина: 2000\Форд\Пума
Сообщений: 278
den_sad is on a distinguished road
По умолчанию

Интересно ... тока щас обратил внимание - когда я например бук перевожу в ждущий режим (не хибернейт) у меня светодиод питания мигает, на стационаре тоже самое...
К стати в биос есть опция для юсб - разрешить выводить из ждущего режима - может эта опция влияет на галочки и на наличие напруги на юсб?
den_sad вне форума   Ответить с цитированием
Ответ


Здесь присутствуют: 1 (пользователей: 0 , гостей: 1)
 
Опции темы Поиск в этой теме
Поиск в этой теме:

Расширенный поиск

Ваши права в разделе
Вы не можете создавать новые темы
Вы не можете отвечать в темах
Вы не можете прикреплять вложения
Вы не можете редактировать свои сообщения

BB коды Вкл.
Смайлы Вкл.
[IMG] код Вкл.
HTML код Выкл.



Часовой пояс GMT +4, время: 20:06.


Работает на vBulletin® версия 3.8.4.
Copyright ©2000 - 2026, Jelsoft Enterprises Ltd.
Перевод: zCarot