PCCar.ru - Ваш автомобильный компьютер

Вернуться   PCCar.ru - Ваш автомобильный компьютер > MP3Car ТехИнфа > AndroidCar > Питание

Результаты опроса: Писать ли про развитие проекта, или пофиг, есть свой и работает.
Пиши дальше 210 96.33%
Не пиши, лучше займись чем нибудь (другим) полезным. 8 3.67%
Голосовавшие: 218. Вы ещё не голосовали в этом опросе

Ответ
 
Опции темы Поиск в этой теме
Старый 29.08.2017, 23:40   #1181
oleg707
Гуру
 
Аватар для oleg707
 
Регистрация: 16.04.2014
Возраст: 41
Город: Gdynia
Регион: другой - для добавления сообщить ab
Сообщений: 2,548
oleg707 has a reputation beyond reputeoleg707 has a reputation beyond reputeoleg707 has a reputation beyond reputeoleg707 has a reputation beyond reputeoleg707 has a reputation beyond reputeoleg707 has a reputation beyond reputeoleg707 has a reputation beyond reputeoleg707 has a reputation beyond reputeoleg707 has a reputation beyond reputeoleg707 has a reputation beyond repute
Wink

Цитата:
Сообщение от Alekssandr Посмотреть сообщение
oleg707

Я повторюсь. Вы повторяете мой опыт, используя аналоговый аудиопроцессор. От белого шума избавиться не сможете, в итоге плата и потраченное время пойдут в помойку.
Спасибо, Саша, я видел и помню.

Эти процессора ставились в музыкальные центры (например) и магнитолы.
Белый шум будет в любом устройстве, вопрос тут в соотношении сигнал\шум.
В любом случае прототип я собирал, по параметрам сравнивал с ресивером, который я покупал за 1100$ (1300 со скидкой). Неделю слушал дома на колонках за 1000$. Ну НОРМАЛЬНО он играет!

Если звук не устроит, то будет оптический выход и ПЦМ выход. Который можно будет заводить на внешний звуковой аудиопроц (которые стоят от 500$-меня жаба душит) но это ИМХО лишнее для машины 2000 зелени в акустику в авто зарывать. Для дома - другое дело.

Сейчас у меня 2704, аудиовыход которой напрямую! выведен на усилок звука. Белый шум очень тихий, а когда в дороге вообще не слышно. Громкость хорошая, слышно снаружи закрытой машины у соседей дома
oleg707 вне форума   Ответить с цитированием
Старый 30.08.2017, 23:26   #1182
Ksanf
Пользователь
 
Регистрация: 03.07.2017
Возраст: 59
Город: санкт-петербург
Регион: 78, 98
Машина: Honda cr-v 2 RD8 (2004)
Сообщений: 67
Ksanf is on a distinguished road
По умолчанию

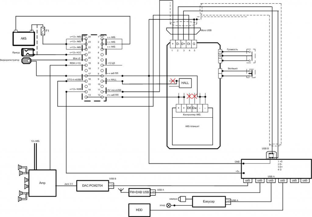
Я так понимаю организацию подключения Вашего блока по схеме как на рисунке (для удобства разъем пронумеровал).
Возникает ряд вопросов:
1. При установке питающего провода желательно у аккумулятора поставить предохранитель F1 - какой номинал по максимуму потребления?
2. Для регистратора "+" от 20 ноги разъема, а "-" от чего 17?
3. При формировании OTG (как в посте http://www.pccar.ru/showpost.php?p=3...postcount=2722) все экранирующие оплетки (общий и данных) соединены с корпусами разъемов micro USB на планшете и USB В на HUB, а дальше на "-" 17 разъема (- планшета) и минус питания HUB или просто "-" АКБ?
4. Где то видел фото как подключиться к Холлу на 7/2013, если не трудно ссылочку плиз, и надо ли экранировать провод к Холлу (вроде читал про наводки)?
5. АКБ и контроллер оставляем в планшете (подключаемся напрямую на провода "+" и "-" после контроллера ) - провода данных (D+ и D-) разрезаем? Если да, то что теряем. И если АКБ оставляем, то насколько он может быть убитым?
6. Где и как лучше подпаяться к клеммам громкости и вкл/выкл.
7. Есть ли смысл использовать внешний GPS приемник?
8. Насколько сильно греется БП? Желателен ли доп вентилятор? (планирую БП, хаб, фм, изикап разместить в корпусе от БП компа, а там можно штатно вентилятор установить)
Миниатюры
Нажмите на изображение для увеличения
Название: общая.jpg
Просмотров: 1106
Размер:	72.1 Кб
ID:	48042  
Ksanf вне форума   Ответить с цитированием
Старый 31.08.2017, 02:00   #1183
oleg707
Гуру
 
Аватар для oleg707
 
Регистрация: 16.04.2014
Возраст: 41
Город: Gdynia
Регион: другой - для добавления сообщить ab
Сообщений: 2,548
oleg707 has a reputation beyond reputeoleg707 has a reputation beyond reputeoleg707 has a reputation beyond reputeoleg707 has a reputation beyond reputeoleg707 has a reputation beyond reputeoleg707 has a reputation beyond reputeoleg707 has a reputation beyond reputeoleg707 has a reputation beyond reputeoleg707 has a reputation beyond reputeoleg707 has a reputation beyond repute
По умолчанию

Цитата:
Сообщение от Ksanf Посмотреть сообщение
Я так понимаю организацию подключения Вашего блока по схеме как на рисунке (для удобства разъем пронумеровал).
Возникает ряд вопросов:
1. При установке питающего провода желательно у аккумулятора поставить предохранитель F1 - какой номинал по максимуму потребления?
2. Для регистратора "+" от 20 ноги разъема, а "-" от чего 17?
3. При формировании OTG (как в посте http://www.pccar.ru/showpost.php?p=3...postcount=2722) все экранирующие оплетки (общий и данных) соединены с корпусами разъемов micro USB на планшете и USB В на HUB, а дальше на "-" 17 разъема (- планшета) и минус питания HUB или просто "-" АКБ?
4. Где то видел фото как подключиться к Холлу на 7/2013, если не трудно ссылочку плиз, и надо ли экранировать провод к Холлу (вроде читал про наводки)?
5. АКБ и контроллер оставляем в планшете (подключаемся напрямую на провода "+" и "-" после контроллера ) - провода данных (D+ и D-) разрезаем? Если да, то что теряем. И если АКБ оставляем, то насколько он может быть убитым?
6. Где и как лучше подпаяться к клеммам громкости и вкл/выкл.
7. Есть ли смысл использовать внешний GPS приемник?
8. Насколько сильно греется БП? Желателен ли доп вентилятор? (планирую БП, хаб, фм, изикап разместить в корпусе от БП компа, а там можно штатно вентилятор установить)


отвечу на часть вопросов.
1 - F1 есть в самом БП5, 5А. (можно 3А)
2 - масса любая с кузова авто или 1,2,3.
3 - я взял обычный micro-USB 2.0. тип В кабель, отрезал микро разъём и припаял точно такой же, купленный. Только на 4 пин этого микро юсб дал провод с блока питания (OTG). Экран для этого провода не делал. Длинна около метра.
Землю на ЮСБ надо брать с ЮСБ!
4 - Провод к холлу не экранирован, наводок нет ( и в теории быть не может). фото нет.
5 - теряем обмен информацией между контроллером батареи и материнской платой ( то есть по сути ничего). В 7-2012 нексусе просто показывает 0%. С ядром Даниэля 100%. В 7-2013 возможен отказ загружаться ( вроде бы), зависит от ядра. У меня 2012, поэтому подробнее не скажу.
6 - ТОЛЬКО шлейф кнопок. В остальных случаях почти всегда повреждение материнской платы ( меня это тоже не обошло)
7 - мне хватает внутреннего.
8 - не сильно, я без радиатора ставлю, проверку жарой на прямом солнце отлично отработал. Планшет вот кипяток - до тача горячо дотрагиваться было.


Изикап у вас подключен неправильно. Лучше резать +5В на питании изикапа при появлении задней передачи.
oleg707 вне форума   Ответить с цитированием
Старый 31.08.2017, 08:39   #1184
Az0m@
Старший Пользователь
 
Регистрация: 07.01.2016
Регион: 02
Сообщений: 152
Az0m@ is on a distinguished road
По умолчанию

ИМХО. у меня без всякого экранирования все работает. правда кабель от усб до планшета у меня получился короткий - около 15-20см.
Az0m@ вне форума   Ответить с цитированием
Старый 31.08.2017, 11:54   #1185
Ksanf
Пользователь
 
Регистрация: 03.07.2017
Возраст: 59
Город: санкт-петербург
Регион: 78, 98
Машина: Honda cr-v 2 RD8 (2004)
Сообщений: 67
Ksanf is on a distinguished road
По умолчанию

Цитата:
Сообщение от oleg707 Посмотреть сообщение
отвечу на часть вопросов.
1 - F1 есть в самом БП5, 5А. (можно 3А)
2 - масса любая с кузова авто или 1,2,3.
3 - я взял обычный micro-USB 2.0. тип В кабель, отрезал микро разъём и припаял точно такой же, купленный. Только на 4 пин этого микро юсб дал провод с блока питания (OTG). Экран для этого провода не делал. Длинна около метра.
Землю на ЮСБ надо брать с ЮСБ!
4 - Провод к холлу не экранирован, наводок нет ( и в теории быть не может). фото нет.
5 - теряем обмен информацией между контроллером батареи и материнской платой ( то есть по сути ничего). В 7-2012 нексусе просто показывает 0%. С ядром Даниэля 100%. В 7-2013 возможен отказ загружаться ( вроде бы), зависит от ядра. У меня 2012, поэтому подробнее не скажу.
6 - ТОЛЬКО шлейф кнопок. В остальных случаях почти всегда повреждение материнской платы ( меня это тоже не обошло)
7 - мне хватает внутреннего.
8 - не сильно, я без радиатора ставлю, проверку жарой на прямом солнце отлично отработал. Планшет вот кипяток - до тача горячо дотрагиваться было.


Изикап у вас подключен неправильно. Лучше резать +5В на питании изикапа при появлении задней передачи.
1. Питание для планшета и всей остальной лабуды тянуть буду свое (провода уже купил) поэтому что бы где-то что-то не коротнуло на корпус буду ставить пред. Вот и пытаюсь рассчитать общий ток на шине. Я так понял 5А на БП достаточно.
3. "+5в" в usb разрываем? Экран по дате и наружный соединяем и на корпуса micro usb и usb b (хаба) и все? Или же еще и GND PLANS туда же?
5. Рвем дату только при работе на даниэле? Я не хочу на 4 перехдить. Для 6 тоже рвем? Или я что то не понимаю? При разрезе даты он вроде уйдет в постоянную перезагрузку или вообще отключиться уже писали об этом.
6. Куда на шлейф? (С 2012 все просто)
7. Я сзади к планшету планирую корпус от БП персоналки прикрутить и туда все калабашки уже монтировать. Боюсь он антеннки прикроет.
8. Да уже мне кто то писал сто очень сильно греется и что нет решения? Ну там дыочек в корпусе насверлить хоть какой то ток воздуха или вентиялтор сзади прикрутить?

Изикап еще гчень далеко... посто в плане. Дже тему еще не читал....
Ksanf вне форума   Ответить с цитированием
Старый 31.08.2017, 13:50   #1186
jonikus81
Старший Пользователь
 
Аватар для jonikus81
 
Регистрация: 07.09.2015
Возраст: 44
Город: Алматы
Регион: Казахстан
Машина: MMC DELICA 94 (булка)
Сообщений: 209
jonikus81 is a jewel in the roughjonikus81 is a jewel in the roughjonikus81 is a jewel in the roughjonikus81 is a jewel in the rough
По умолчанию

Цитата:
Сообщение от Ksanf Посмотреть сообщение
1. Питание для планшета и всей остальной лабуды тянуть буду свое (провода уже купил) поэтому что бы где-то что-то не коротнуло на корпус буду ставить пред. Вот и пытаюсь рассчитать общий ток на шине. Я так понял 5А на БП достаточно.
3. "+5в" в usb разрываем? Экран по дате и наружный соединяем и на корпуса micro usb и usb b (хаба) и все? Или же еще и GND PLANS туда же?
5. Рвем дату только при работе на даниэле? Я не хочу на 4 перехдить. Для 6 тоже рвем? Или я что то не понимаю? При разрезе даты он вроде уйдет в постоянную перезагрузку или вообще отключиться уже писали об этом.
6. Куда на шлейф? (С 2012 все просто)
7. Я сзади к планшету планирую корпус от БП персоналки прикрутить и туда все калабашки уже монтировать. Боюсь он антеннки прикроет.
8. Да уже мне кто то писал сто очень сильно греется и что нет решения? Ну там дыочек в корпусе насверлить хоть какой то ток воздуха или вентиялтор сзади прикрутить?

Изикап еще гчень далеко... посто в плане. Дже тему еще не читал....
1. 5А за глаза.
3. в шапке темы 2013го нексуса есть подробнейшая и правильная схема провода юсб.
6.если нет трех пятачков меди сразу за шлейфом, то они скорее всего с другой стороны платы (обычно у wifi версии так).
7. Сплошной металл за крышкой планшета перекроет все антены. Сигнал ослабнет сильно. Как вариант пластиковый корпус и с зазором между планшетом. Ну или костыли с выносной антеной.
8.Сам планшет не боится температур, а вот датчик на контроллере батареи при нагреве будет отключать планшет, лечится выпаиванием датчика и заменой его сопротивлением на 10к (подробнее в шапке темы 2013го нексуса ).
jonikus81 вне форума   Ответить с цитированием
Старый 31.08.2017, 15:16   #1187
oleg707
Гуру
 
Аватар для oleg707
 
Регистрация: 16.04.2014
Возраст: 41
Город: Gdynia
Регион: другой - для добавления сообщить ab
Сообщений: 2,548
oleg707 has a reputation beyond reputeoleg707 has a reputation beyond reputeoleg707 has a reputation beyond reputeoleg707 has a reputation beyond reputeoleg707 has a reputation beyond reputeoleg707 has a reputation beyond reputeoleg707 has a reputation beyond reputeoleg707 has a reputation beyond reputeoleg707 has a reputation beyond reputeoleg707 has a reputation beyond repute
По умолчанию

Цитата:
Сообщение от jonikus81 Посмотреть сообщение
1. 5А за глаза.
3. в шапке темы 2013го нексуса есть подробнейшая и правильная схема провода юсб.
6.если нет трех пятачков меди сразу за шлейфом, то они скорее всего с другой стороны платы (обычно у wifi версии так).
7. Сплошной металл за крышкой планшета перекроет все антены. Сигнал ослабнет сильно. Как вариант пластиковый корпус и с зазором между планшетом. Ну или костыли с выносной антеной.
8.Сам планшет не боится температур, а вот датчик на контроллере батареи при нагреве будет отключать планшет, лечится выпаиванием датчика и заменой его сопротивлением на 10к (подробнее в шапке темы 2013го нексуса ).
с выпаиванием датчика не согласен. Батарея этим защищена от перегрева и критической перегрузки.
oleg707 вне форума   Ответить с цитированием
Старый 31.08.2017, 15:28   #1188
jonikus81
Старший Пользователь
 
Аватар для jonikus81
 
Регистрация: 07.09.2015
Возраст: 44
Город: Алматы
Регион: Казахстан
Машина: MMC DELICA 94 (булка)
Сообщений: 209
jonikus81 is a jewel in the roughjonikus81 is a jewel in the roughjonikus81 is a jewel in the roughjonikus81 is a jewel in the rough
По умолчанию

Цитата:
Сообщение от oleg707 Посмотреть сообщение
с выпаиванием датчика не согласен. Батарея этим защищена от перегрева и критической перегрузки.
Да точно, я и забыл, что батарея оставлена. Тут и карлсоны не помогут в жару на солнце.
jonikus81 вне форума   Ответить с цитированием
Старый 31.08.2017, 18:02   #1189
Ksanf
Пользователь
 
Регистрация: 03.07.2017
Возраст: 59
Город: санкт-петербург
Регион: 78, 98
Машина: Honda cr-v 2 RD8 (2004)
Сообщений: 67
Ksanf is on a distinguished road
По умолчанию

Цитата:
Сообщение от jonikus81 Посмотреть сообщение
1. 5А за глаза.
3. в шапке темы 2013го нексуса есть подробнейшая и правильная схема провода юсб.
6.если нет трех пятачков меди сразу за шлейфом, то они скорее всего с другой стороны платы (обычно у wifi версии так).
7. Сплошной металл за крышкой планшета перекроет все антены. Сигнал ослабнет сильно. Как вариант пластиковый корпус и с зазором между планшетом. Ну или костыли с выносной антеной.
8.Сам планшет не боится температур, а вот датчик на контроллере батареи при нагреве будет отключать планшет, лечится выпаиванием датчика и заменой его сопротивлением на 10к (подробнее в шапке темы 2013го нексуса ).
1.5А а усилитель? Я же говорю что собираюсб новые шины тянуть по 3.5 квадрата через предохранитель. Т.е для бп с хабом 5а достаточно+ усилитель (хочется класса D установить)
2. Оттуда и взят и hdmi провод уже есть.
3. У меня 2013 lte flo а на шлейф сложно? Олег говорит на шлейф надо, планшет будет стоять стационарно.
4,7. У меня за планшетом места навалом там четыре таких блока запихнуть можно. Железную каробку можно и отодвинуть вглубь. Сколько между ней и корпусом планшета надо оставить см 5-10? Просто хочется единую кострукцию вставлять.
А нельзя к контактам которые идут на крышку подпаять провода и вообще крышку в другое место установить? Заодно и вентиляция улучшется? А может проще внешнюю GPS установить?
8. Т.е. летом это чудо будет периодически отключаться? И это исправить никак нельзя? Даже если с воздуховодов подать принудительный обдув?
Миниатюры
Нажмите на изображение для увеличения
Название: IMG-20170831-WA0008.jpg
Просмотров: 1036
Размер:	53.8 Кб
ID:	48048   Нажмите на изображение для увеличения
Название: IMG-20170831-WA0005.jpg
Просмотров: 742
Размер:	55.8 Кб
ID:	48049  
Ksanf вне форума   Ответить с цитированием
Старый 31.08.2017, 18:22   #1190
oleg707
Гуру
 
Аватар для oleg707
 
Регистрация: 16.04.2014
Возраст: 41
Город: Gdynia
Регион: другой - для добавления сообщить ab
Сообщений: 2,548
oleg707 has a reputation beyond reputeoleg707 has a reputation beyond reputeoleg707 has a reputation beyond reputeoleg707 has a reputation beyond reputeoleg707 has a reputation beyond reputeoleg707 has a reputation beyond reputeoleg707 has a reputation beyond reputeoleg707 has a reputation beyond reputeoleg707 has a reputation beyond reputeoleg707 has a reputation beyond repute
По умолчанию

Цитата:
Сообщение от Ksanf Посмотреть сообщение
1.5А а усилитель? Я же говорю что собираюсб новые шины тянуть по 3.5 квадрата через предохранитель. Т.е для бп с хабом 5а достаточно+ усилитель (хочется класса D установить)
2. Оттуда и взят и hdmi провод уже есть.
3. У меня 2013 lte flo а на шлейф сложно? Олег говорит на шлейф надо, планшет будет стоять стационарно.
4,7. У меня за планшетом места навалом там четыре таких блока запихнуть можно. Железную каробку можно и отодвинуть вглубь. Сколько между ней и корпусом планшета надо оставить см 5-10? Просто хочется единую кострукцию вставлять.
А нельзя к контактам которые идут на крышку подпаять провода и вообще крышку в другое место установить? Заодно и вентиляция улучшется? А может проще внешнюю GPS установить?
8. Т.е. летом это чудо будет периодически отключаться? И это исправить никак нельзя? Даже если с воздуховодов подать принудительный обдув?
1 - а усилитель отдельным предом. Никто ж не знает, что там у тебя. У меня 10мм диаметр меди на УЗЧ, два преда по 20А(или больше?) на самом УЗЧ
3 - ТОЛЬКО на шлейф. Иначе повреждают плату. Но можно рискнуть
4,7 - не усложняйте. Запустите сначала, потом допилите по ходу.
8 - смотрите мой проект. Летом отлично. Зимой тоже. Просто работает. Иногда глючит, когдя я новые прошивки или блоки питания обкатываю ( всё реже).
oleg707 вне форума   Ответить с цитированием
Ответ

Метки
arduino, nexus7, блок питания, блок питания планшета


Здесь присутствуют: 1 (пользователей: 0 , гостей: 1)
 
Опции темы Поиск в этой теме
Поиск в этой теме:

Расширенный поиск

Ваши права в разделе
Вы не можете создавать новые темы
Вы не можете отвечать в темах
Вы не можете прикреплять вложения
Вы не можете редактировать свои сообщения

BB коды Вкл.
Смайлы Вкл.
[IMG] код Вкл.
HTML код Выкл.



Часовой пояс GMT +4, время: 03:42.


Работает на vBulletin® версия 3.8.4.
Copyright ©2000 - 2026, Jelsoft Enterprises Ltd.
Перевод: zCarot