PCCar.ru - Ваш автомобильный компьютер

Вернуться   PCCar.ru - Ваш автомобильный компьютер > MP3Car ТехИнфа > AndroidCar > Звук > Звуковые процессоры

Ответ
 
Опции темы Поиск в этой теме
Старый 21.04.2017, 07:48   #481
Alekssandr
Старший Пользователь
 
Регистрация: 11.08.2013
Возраст: 36
Регион: 86
Сообщений: 445
Alekssandr is a jewel in the roughAlekssandr is a jewel in the roughAlekssandr is a jewel in the rough
По умолчанию

Как питаешь операционные усилители?

Я тоже сначала хотел поставить CSR8645, купил потыкался но так и не поняк как им упровлять по uart.

Последний раз редактировалось Alekssandr; 21.04.2017 в 11:16.
Alekssandr вне форума   Ответить с цитированием
Старый 21.04.2017, 08:55   #482
Senia
Пользователь
 
Регистрация: 04.09.2010
Возраст: 42
Регион: Украина
Сообщений: 47
Senia is on a distinguished road
По умолчанию

Саша, планирую на TDA3681 запитать все устройство
http://www.nxp.com/documents/data_sheet/TDA3681.pdf
Senia вне форума   Ответить с цитированием
Старый 21.04.2017, 10:49   #483
Senia
Пользователь
 
Регистрация: 04.09.2010
Возраст: 42
Регион: Украина
Сообщений: 47
Senia is on a distinguished road
По умолчанию

Я тоже сначала хотел поставить CSR8645, купил потыкался но так и тока не как им упровлять по uart
Саша, этой инфы не достаточно?
http://g01.s.alicdn.com/kf/HTB11F5VF...Xq6xXFXXXj.jpg
http://blogthumb2.naver.net/20160729...45.PNG?type=w2
Senia вне форума   Ответить с цитированием
Старый 21.04.2017, 11:31   #484
awtoap
Гуру
 
Аватар для awtoap
 
Регистрация: 19.09.2009
Возраст: 48
Город: Мелитополь
Регион: Украина
Сообщений: 2,022
awtoap is a splendid one to beholdawtoap is a splendid one to beholdawtoap is a splendid one to beholdawtoap is a splendid one to beholdawtoap is a splendid one to beholdawtoap is a splendid one to beholdawtoap is a splendid one to behold
По умолчанию

Эти блютузы не управляються по уарт...можете поставить дешовый блюпуп BK8000L. Он управляется по уарт...в принципе полноценный хендсфри, одно но...вырезана команда набора номера...почему так киты сделали мне не понятно. Есть чуток поинтересней блюпуп BK3254...для переносных шарманок в одном флаконе...там и радио, и аух вход, MP3, WAV c USB и SD карт и все управляется по уарт.
awtoap вне форума   Ответить с цитированием
Старый 21.04.2017, 12:10   #485
Alekssandr
Старший Пользователь
 
Регистрация: 11.08.2013
Возраст: 36
Регион: 86
Сообщений: 445
Alekssandr is a jewel in the roughAlekssandr is a jewel in the roughAlekssandr is a jewel in the rough
По умолчанию

С блютусом я уже определился, это BC127, дорого но там есть абсолютно все что нужно)

Лучше давайте найдем FM радио модуль с выводом звука в I2S и хорошей документацией.
Alekssandr вне форума   Ответить с цитированием
Старый 21.04.2017, 12:33   #486
awtoap
Гуру
 
Аватар для awtoap
 
Регистрация: 19.09.2009
Возраст: 48
Город: Мелитополь
Регион: Украина
Сообщений: 2,022
awtoap is a splendid one to beholdawtoap is a splendid one to beholdawtoap is a splendid one to beholdawtoap is a splendid one to beholdawtoap is a splendid one to beholdawtoap is a splendid one to beholdawtoap is a splendid one to behold
По умолчанию

Я тебе уже давал...ширпотреб правда, но все есть RDA5807 и SI4731 (да и куча других SI47xx) доки все есть
awtoap вне форума   Ответить с цитированием
Старый 21.04.2017, 15:11   #487
dr3dd
Новый Пользователь
 
Регистрация: 28.03.2017
Город: Винница
Регион: Украина
Машина: W210 E430
Сообщений: 2
dr3dd is on a distinguished road
По умолчанию

Нашел в нете один топовый чип TEF668X, вроде бы как его даже ставят в немецкие премиальные машины
dr3dd вне форума   Ответить с цитированием
Старый 21.04.2017, 17:21   #488
Alekssandr
Старший Пользователь
 
Регистрация: 11.08.2013
Возраст: 36
Регион: 86
Сообщений: 445
Alekssandr is a jewel in the roughAlekssandr is a jewel in the roughAlekssandr is a jewel in the rough
По умолчанию

Ок посмотрю с сторону SI

Серию TEF668x с удовольствием бы установил, на них опять же нет нормальной документации.
Alekssandr вне форума   Ответить с цитированием
Старый 21.04.2017, 22:06   #489
Senia
Пользователь
 
Регистрация: 04.09.2010
Возраст: 42
Регион: Украина
Сообщений: 47
Senia is on a distinguished road
По умолчанию

awtoap, а что скажете о Bluetooth аудио модуле XS-3868 на чипе OVC3860?
На данный момент вот что у меня получилось
Миниатюры
Нажмите на изображение для увеличения
Название: 1.jpg
Просмотров: 987
Размер:	53.2 Кб
ID:	47280   Нажмите на изображение для увеличения
Название: ADAU1701.jpg
Просмотров: 812
Размер:	91.4 Кб
ID:	47281   Нажмите на изображение для увеличения
Название: AK4430.jpg
Просмотров: 639
Размер:	65.2 Кб
ID:	47282  

Последний раз редактировалось Senia; 21.04.2017 в 22:50.
Senia вне форума   Ответить с цитированием
Старый 21.04.2017, 22:53   #490
Senia
Пользователь
 
Регистрация: 04.09.2010
Возраст: 42
Регион: Украина
Сообщений: 47
Senia is on a distinguished road
По умолчанию

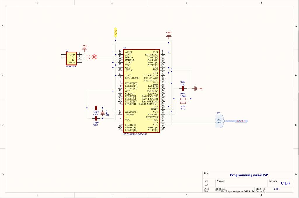
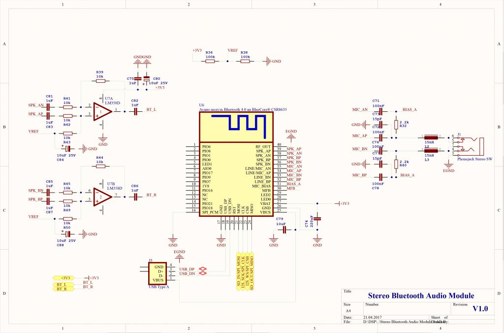
Продолжение...
Миниатюры
Нажмите на изображение для увеличения
Название: CY7C68013A.jpg
Просмотров: 657
Размер:	46.3 Кб
ID:	47283   Нажмите на изображение для увеличения
Название: Bluetooth.jpg
Просмотров: 1068
Размер:	66.8 Кб
ID:	47284   Нажмите на изображение для увеличения
Название: amplifier.jpg
Просмотров: 614
Размер:	44.9 Кб
ID:	47285  
Senia вне форума   Ответить с цитированием
Ответ


Здесь присутствуют: 1 (пользователей: 0 , гостей: 1)
 
Опции темы Поиск в этой теме
Поиск в этой теме:

Расширенный поиск

Ваши права в разделе
Вы не можете создавать новые темы
Вы не можете отвечать в темах
Вы не можете прикреплять вложения
Вы не можете редактировать свои сообщения

BB коды Вкл.
Смайлы Вкл.
[IMG] код Вкл.
HTML код Выкл.



Часовой пояс GMT +4, время: 10:55.


Работает на vBulletin® версия 3.8.4.
Copyright ©2000 - 2026, Jelsoft Enterprises Ltd.
Перевод: zCarot