PCCar.ru - Ваш автомобильный компьютер

Вернуться   PCCar.ru - Ваш автомобильный компьютер > MP3Car ТехИнфа > Навигация

Ответ
 
Опции темы Поиск в этой теме
Старый 10.12.2015, 14:48   #91
Lexx09
Старший Пользователь
 
Регистрация: 18.04.2009
Город: Краснодар
Регион: 23, 93
Машина: Приора хэтчбек
Сообщений: 982
Lexx09 has much to be proud ofLexx09 has much to be proud ofLexx09 has much to be proud ofLexx09 has much to be proud ofLexx09 has much to be proud ofLexx09 has much to be proud ofLexx09 has much to be proud ofLexx09 has much to be proud ofLexx09 has much to be proud ofLexx09 has much to be proud ofLexx09 has much to be proud of
По умолчанию

120705, спасибо, учту.
__________________
Приора хэтчбек
Win7 x64 Pro, Intel Core i3-3240 Ivy Bridge 2x3.4GHz HT, DDR3 2x4Gb, SSD SiliconPower Ace A55 128GB SATAIII, ASRock B75M-ITX, M2-ITX rev.2F, GPS Beitian BN-808, Logitech Wireless Touch Keyboard K400r, ИК-пульт Prology RCD-350, круиз-контроль...
Lexx09 вне форума   Ответить с цитированием
Старый 16.12.2015, 16:16   #92
Lexx09
Старший Пользователь
 
Регистрация: 18.04.2009
Город: Краснодар
Регион: 23, 93
Машина: Приора хэтчбек
Сообщений: 982
Lexx09 has much to be proud ofLexx09 has much to be proud ofLexx09 has much to be proud ofLexx09 has much to be proud ofLexx09 has much to be proud ofLexx09 has much to be proud ofLexx09 has much to be proud ofLexx09 has much to be proud ofLexx09 has much to be proud ofLexx09 has much to be proud ofLexx09 has much to be proud of
По умолчанию

У всех нормально работает POI в iCarDS с этим приемником на частоте 10Гц?

У меня какие-то непонятки... Еду за городом по объездной - то ограничение 40 показывает, то пешеходный переход. И это в чистом поле... Еще заметил, что, даже стоя на месте, уменьшается расстояние до объекта POI во всплывающем окне, и значительно меняются координаты в окне "Приборы". Иногда POI не всегда срабатывает там, где уж точно должна.

Еще как-то было, что остановился, а дельтаплан в Яндекс.Навигаторе продолжает лететь некоторое время. Но не помню, с каким приемником это было и на какой частоте.

В общем, почти написал трекер, который будет выдирать координаты из iCarDS и сохранять их в GPX-файл. Параллельно еще включу в GpsGate логгирование в файл. Потом сравню трек и лог. Хочу понять, что из этого глючит:
  • VK-172
  • GpsGate
  • iCarDS
  • плагин RRPoi
  • что-то еще
Еще в трекере реализую возможность отправки координат по TCP-протоколу, чтобы в Яндекс.Навигаторе видеть, какие координаты обрабатываются самой iCarDS.
__________________
Приора хэтчбек
Win7 x64 Pro, Intel Core i3-3240 Ivy Bridge 2x3.4GHz HT, DDR3 2x4Gb, SSD SiliconPower Ace A55 128GB SATAIII, ASRock B75M-ITX, M2-ITX rev.2F, GPS Beitian BN-808, Logitech Wireless Touch Keyboard K400r, ИК-пульт Prology RCD-350, круиз-контроль...
Lexx09 вне форума   Ответить с цитированием
Старый 16.12.2015, 22:53   #93
Glouck
Старший Пользователь
 
Регистрация: 03.10.2006
Возраст: 53
Город: Moscow
Регион: 77, 97, 99, 177
Машина: Nissan Elgrand
Сообщений: 246
Glouck will become famous soon enough
По умолчанию

Цитата:
Сообщение от Lexx09 Посмотреть сообщение
У всех нормально работает POI в iCarDS с этим приемником на частоте 10Гц?
Насколько я помню, iCarDS вообще не переваривает приемники с частотой больше 1Гц (4800 baud).
Glouck вне форума   Ответить с цитированием
Старый 17.12.2015, 00:00   #94
sirota
Бывалый писикарщик
 
Аватар для sirota
 
Регистрация: 27.09.2008
Город: Собянинск
Регион: 77, 97, 99, 177
Машина: шкода а5
Сообщений: 5,447
sirota has a brilliant futuresirota has a brilliant futuresirota has a brilliant futuresirota has a brilliant futuresirota has a brilliant futuresirota has a brilliant futuresirota has a brilliant futuresirota has a brilliant futuresirota has a brilliant futuresirota has a brilliant futuresirota has a brilliant future
По умолчанию

Цитата:


У всех нормально работает POI в iCarDS с этим приемником на частоте 10Гц?
С LS23030 на 10Гц также не работает.
__________________
То win 10х64, то win 8.1x64

Видео регистрация на web. камеру:http://www.youtube.com/watch?v=1hPPLRBBIqc
sirota вне форума   Ответить с цитированием
Старый 04.01.2016, 15:56   #95
mendisabal
Гуру
 
Аватар для mendisabal
 
Регистрация: 05.10.2012
Возраст: 45
Город: Краснодар
Регион: 23, 93
Машина: Subaru impreza 08
Сообщений: 1,786
mendisabal is a name known to allmendisabal is a name known to allmendisabal is a name known to allmendisabal is a name known to allmendisabal is a name known to allmendisabal is a name known to all
По умолчанию

блин заказал 2015-11-16 , а воз по ныне там , трек бъется как отправленный с китая в россиию ,без получателя ,уже месяц ,вот блин , столько планов на него было (
__________________
Win 10 , ZOTAC Z68-ITX WiFi Supreme + i7 3770S + crucial M4 256 , gt430 + VS-TY2662-V1 + n101bcg-l21 , Xonar DX + ВА 3121 + BM2032 + Pioneer TS-F650C .
избыток свободного времени + острое желание быть не таким как все открывают бесконечные горизонты творчества в скудном пространстве возможностей
mendisabal вне форума   Ответить с цитированием
Старый 17.01.2016, 21:10   #96
a_vtom
Пользователь
 
Регистрация: 01.05.2011
Регион: Беларусь
Сообщений: 43
a_vtom is on a distinguished road
По умолчанию

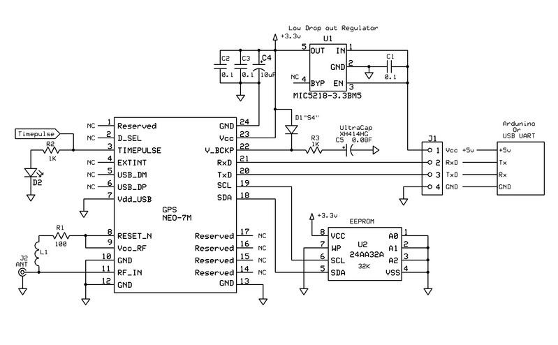
Так же заказал такую gps ку,а пока думаю чем заменить ионистр и как запитать.Оказывается практически одинаковые размеры у акумулятора ms621f который так же используется в аналогичных модулях других производителей.Прикладываю примерную схему нашего модуля и схемку питания на аккумуляторе от другого модуля.Разница только в сопротивлении,которое придется изменить с 1 ком на 560 ом
Миниатюры
Нажмите на изображение для увеличения
Название: GPS+NEO-7M-c.jpg
Просмотров: 901
Размер:	53.3 Кб
ID:	42265   Нажмите на изображение для увеличения
Название: питание приемника.jpg
Просмотров: 1172
Размер:	14.9 Кб
ID:	42267  
a_vtom вне форума   Ответить с цитированием
Старый 17.01.2016, 22:05   #97
120705
Старший Пользователь
 
Аватар для 120705
 
Регистрация: 09.07.2011
Город: Ростов на Дону
Регион: 61
Машина: KIA Sorento XM
Сообщений: 746
120705 is a splendid one to behold120705 is a splendid one to behold120705 is a splendid one to behold120705 is a splendid one to behold120705 is a splendid one to behold120705 is a splendid one to behold
По умолчанию

Цитата:
Сообщение от a_vtom Посмотреть сообщение
Так же заказал такую gps ку,а пока думаю чем заменить ионистр и как запитать.Оказывается практически одинаковые размеры у акумулятора ms621f который так же используется в аналогичных модулях других производителей.Прикладываю примерную схему нашего модуля и схемку питания на аккумуляторе от другого модуля.Разница только в сопротивлении,которое придется изменить с 1 ком на 560 ом
Ёмкость аккум.ms621f ---5,5 мАч
Батарея CR2032---240 мАч
Разница видна в ёмкости и в цене
120705 вне форума   Ответить с цитированием
Старый 17.01.2016, 23:33   #98
a_vtom
Пользователь
 
Регистрация: 01.05.2011
Регион: Беларусь
Сообщений: 43
a_vtom is on a distinguished road
По умолчанию

емкости ms621f вполне хватитит,зато не будет никаких выносных элементов из корпуса ,да и цена элемента 0,6$ соизмерима со стоимостью элемента cr2032
a_vtom вне форума   Ответить с цитированием
Старый 17.01.2016, 23:42   #99
a_vtom
Пользователь
 
Регистрация: 01.05.2011
Регион: Беларусь
Сообщений: 43
a_vtom is on a distinguished road
По умолчанию

удалил
a_vtom вне форума   Ответить с цитированием
Старый 17.01.2016, 23:45   #100
a_vtom
Пользователь
 
Регистрация: 01.05.2011
Регион: Беларусь
Сообщений: 43
a_vtom is on a distinguished road
По умолчанию

емкости ms621f вполне хватитит( 5мАч у аккумулятора против 0,015 у ионистора),зато не будет никаких выносных элементов из корпуса ,да и цена элемента http://ru.aliexpress.com/item/MS621-...451318400_6151 0,6$ соизмерима со стоимостью элемента cr2032
a_vtom вне форума   Ответить с цитированием
Ответ


Здесь присутствуют: 1 (пользователей: 0 , гостей: 1)
 
Опции темы Поиск в этой теме
Поиск в этой теме:

Расширенный поиск

Ваши права в разделе
Вы не можете создавать новые темы
Вы не можете отвечать в темах
Вы не можете прикреплять вложения
Вы не можете редактировать свои сообщения

BB коды Вкл.
Смайлы Вкл.
[IMG] код Вкл.
HTML код Выкл.



Часовой пояс GMT +4, время: 13:02.


Работает на vBulletin® версия 3.8.4.
Copyright ©2000 - 2026, Jelsoft Enterprises Ltd.
Перевод: zCarot