PCCar.ru - Ваш автомобильный компьютер

Вернуться   PCCar.ru - Ваш автомобильный компьютер > Всё Остальное > Проекты > Рабочий журнал

Ответ
 
Опции темы Поиск в этой теме
Старый 24.05.2015, 14:12   #71
omidnami
Новый Пользователь
 
Регистрация: 20.05.2015
Возраст: 42
Город: TEH
Регион: другой - для добавления сообщить ab
Машина: Chery Tiggo
Сообщений: 7
omidnami is on a distinguished road
По умолчанию

i Find them ;but dont know use which input pins of tda for Tablets sound output(3.5mm jack)
Миниатюры
Нажмите на изображение для увеличения
Название: 20150524_142108.jpg
Просмотров: 940
Размер:	347.6 Кб
ID:	40057   Нажмите на изображение для увеличения
Название: 20150524_142041.jpg
Просмотров: 882
Размер:	144.9 Кб
ID:	40058   Нажмите на изображение для увеличения
Название: 20150524_142017.jpg
Просмотров: 920
Размер:	144.8 Кб
ID:	40059   Нажмите на изображение для увеличения
Название: 20150524_142000.jpg
Просмотров: 976
Размер:	360.0 Кб
ID:	40060   Нажмите на изображение для увеличения
Название: TDA7342.jpg
Просмотров: 905
Размер:	27.2 Кб
ID:	40061  

omidnami вне форума   Ответить с цитированием
Старый 24.05.2015, 16:06   #72
macau
Старший Пользователь
 
Регистрация: 22.10.2012
Регион: 78, 98
Сообщений: 758
macau is just really nicemacau is just really nicemacau is just really nicemacau is just really nice
По умолчанию

Ohh, it is very different then myne. But anyway, u must use digital multimeter with ring function to find which pin and wire route via pcb. TDA7342 have 4 analog inputs, one for radio, one for cd\usb and one for cd changer. I used cd input for my project. Dont know which in your pcb. Just use multimeter to route pins (IN{L,R}{1,2,3}) on your 7342 datasheet to cd connector.
Also, good idea to create your own topic and make all discussion there. May be someone else want to hel u
macau вне форума   Ответить с цитированием
Старый 24.05.2015, 23:30   #73
omidnami
Новый Пользователь
 
Регистрация: 20.05.2015
Возраст: 42
Город: TEH
Регион: другой - для добавления сообщить ab
Машина: Chery Tiggo
Сообщений: 7
omidnami is on a distinguished road
По умолчанию

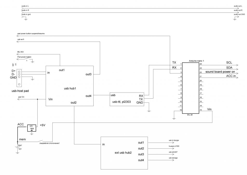
Finished Programming nano, start soldering circuit,but problem with diagram DIL24 pin arduino my nano has 30 pin ,i found sda scl tx rx pins but acc, sound power on ,pad power button, and 5v relay missing on nano !!! please help me on diagram
omidnami вне форума   Ответить с цитированием
Старый 24.05.2015, 23:41   #74
macau
Старший Пользователь
 
Регистрация: 22.10.2012
Регион: 78, 98
Сообщений: 758
macau is just really nicemacau is just really nicemacau is just really nicemacau is just really nice
По умолчанию

What do u mean on "diagram"? For acc, sound and power u should also use multimeter or logick analyzer to find which curcuit (for me it is a transistor) your mcu activate. Its really annoing thing. 5V u can grab anywhere from pcb or via external dc-dc.
macau вне форума   Ответить с цитированием
Старый 25.05.2015, 06:58   #75
omidnami
Новый Пользователь
 
Регистрация: 20.05.2015
Возраст: 42
Город: TEH
Регион: другой - для добавления сообщить ab
Машина: Chery Tiggo
Сообщений: 7
omidnami is on a distinguished road
По умолчанию

i Cant Match My Arduino pin numbers with your schematic Diagram for example i need to know in schematic Diagram Nano's pin 12,13 is going to GND,V5 On but on my Nano Board Pin12 is D9 and 13 is D10

Миниатюры
Нажмите на изображение для увеличения
Название: 8zUeXu8.jpg
Просмотров: 911
Размер:	43.5 Кб
ID:	40069   Нажмите на изображение для увеличения
Название: nano.jpg
Просмотров: 1344
Размер:	23.9 Кб
ID:	40070  
omidnami вне форума   Ответить с цитированием
Старый 25.05.2015, 08:49   #76
macau
Старший Пользователь
 
Регистрация: 22.10.2012
Регион: 78, 98
Сообщений: 758
macau is just really nicemacau is just really nicemacau is just really nicemacau is just really nice
По умолчанию

Цитата:
Сообщение от omidnami Посмотреть сообщение
i Cant Match My Arduino pin numbers with your schematic Diagram for example i need to know in schematic Diagram Nano's pin 12,13 is going to GND,V5 On but on my Nano Board Pin12 is D9 and 13 is D10

Well, diagram is diagram, not schematic or datasheet, so it is like block diagram. If u look in sketch, u will see right pins, there are some commetns for it
also, which cketch u use? mine last is https://github.com/tmpdo/tiggo_mmcu/...u/nano_mcu.ino
macau вне форума   Ответить с цитированием
Старый 25.05.2015, 09:07   #77
omidnami
Новый Пользователь
 
Регистрация: 20.05.2015
Возраст: 42
Город: TEH
Регион: другой - для добавления сообщить ab
Машина: Chery Tiggo
Сообщений: 7
omidnami is on a distinguished road
По умолчанию

Цитата:
Сообщение от macau Посмотреть сообщение
Well, diagram is diagram, not schematic or datasheet, so it is like block diagram. If u look in sketch, u will see right pins, there are some commetns for it
also, which cketch u use? mine last is https://github.com/tmpdo/tiggo_mmcu/...u/nano_mcu.ino
i use same but remove all temp sensor and onewire fields ; i also search in sketch and found some of pins but not all of them last night;

are you removed tablet's battery??
omidnami вне форума   Ответить с цитированием
Старый 25.05.2015, 09:21   #78
macau
Старший Пользователь
 
Регистрация: 22.10.2012
Регион: 78, 98
Сообщений: 758
macau is just really nicemacau is just really nicemacau is just really nicemacau is just really nice
По умолчанию

Yes, it use own dc-dc 4.4v
macau вне форума   Ответить с цитированием
Старый 27.05.2015, 07:46   #79
omidnami
Новый Пользователь
 
Регистрация: 20.05.2015
Возраст: 42
Город: TEH
Регион: другой - для добавления сообщить ab
Машина: Chery Tiggo
Сообщений: 7
omidnami is on a distinguished road
По умолчанию

autolauncher 1024*760 cannot communicate with pl2303
My pl2303 in rooted android 4.4.2 recognized (terminal >>lsusb command) /dev/bus/usb/001/001

autolauncher setting changed to /dev/bus/usb/001/001
baudrate :9600 (also tried 38400)

tested pl2303 with another android app (serial terminal) and it's ok;

is that capacitor need to add to pl2303???
Изображения
 
omidnami вне форума   Ответить с цитированием
Старый 27.05.2015, 10:34   #80
macau
Старший Пользователь
 
Регистрация: 22.10.2012
Регион: 78, 98
Сообщений: 758
macau is just really nicemacau is just really nicemacau is just really nicemacau is just really nice
По умолчанию

Цитата:
Сообщение от omidnami Посмотреть сообщение
autolauncher 1024*760 cannot communicate with pl2303
My pl2303 in rooted android 4.4.2 recognized (terminal >>lsusb command) /dev/bus/usb/001/001

autolauncher setting changed to /dev/bus/usb/001/001
baudrate :9600 (also tried 38400)

tested pl2303 with another android app (serial terminal) and it's ok;

is that capacitor need to add to pl2303???
Seems u dooing some wrong
In autolauncher u should set device node? something like /dev/ttyUSB0
Also u can check all without autolauncher, with terminal emulator. just send there symbols, that defined in sketch and u should have ack from arduino (if u dont removed debug)
macau вне форума   Ответить с цитированием
Ответ


Здесь присутствуют: 1 (пользователей: 0 , гостей: 1)
 
Опции темы Поиск в этой теме
Поиск в этой теме:

Расширенный поиск

Ваши права в разделе
Вы не можете создавать новые темы
Вы не можете отвечать в темах
Вы не можете прикреплять вложения
Вы не можете редактировать свои сообщения

BB коды Вкл.
Смайлы Вкл.
[IMG] код Вкл.
HTML код Выкл.



Часовой пояс GMT +4, время: 16:19.


Работает на vBulletin® версия 3.8.4.
Copyright ©2000 - 2025, Jelsoft Enterprises Ltd.
Перевод: zCarot