PCCar.ru - Ваш автомобильный компьютер

Вернуться   PCCar.ru - Ваш автомобильный компьютер > MP3Car ТехИнфа > Блоки питания > Контроллеры управления питанием

Ответ
 
Опции темы Поиск в этой теме
Старый 14.07.2014, 22:41   #201
Alex-L
Moderator
 
Аватар для Alex-L
 
Регистрация: 23.03.2008
Возраст: 54
Город: Москва, Нагорная
Регион: 77, 97, 99, 177
Машина: Mitsubishi Lancer-X
Сообщений: 2,096
Alex-L is a splendid one to beholdAlex-L is a splendid one to beholdAlex-L is a splendid one to beholdAlex-L is a splendid one to beholdAlex-L is a splendid one to beholdAlex-L is a splendid one to beholdAlex-L is a splendid one to behold
По умолчанию

Господа! Там все просто как апельсин, если сильно не мудрить!
Обратитесь к нормальным электрикам/установщикам/радиолюбителям! В любом случае читать внимательно мануал и описание алгоритма работы!
MIBsky После приведения твоей платы в человеческий вид и подключения согласно мануалу - все работает как часы! Больше ничего не делал!
Из сотни с лишним проданных девайсов, всего пять возвратов, а из этих пяти действительно бракованных (не работают/работают не так как нужно) всего 3!
Без комментариев!
Простите - не сдержался!
p.s. у меня в машине эта железка уже третий год ездит - все ок. Специально не подбтрал - взял первую же из кучи...
Alex-L вне форума   Ответить с цитированием
Старый 24.07.2014, 17:24   #202
MIBsky
Пользователь
 
Регистрация: 05.05.2014
Возраст: 50
Город: Ангарск
Регион: 38
Сообщений: 69
MIBsky is on a distinguished road
По умолчанию

Все таки грешу на высокую чувствительность к дребезгу. После проработки коммутации глюки чудесным образом исчезли.
И рубится комп при прокрутке стартера не смотря на повышающий стаб. Похоже надо ставить второй аккум с развязкой

И часть непоняток можно было бы снять более подробным описанием работы девайса в плане питания.
Устройстово питается через делитель и стаб от АСС, а при отключении АСС с компа от +12 АТХ. Поэтому ничего не выходит у меня, т.к. нет +12 АТХ, а есть только +5 с вентилятора. И отсюда же глюки при просадках АСС+АКБ (т.к. +12 АТХ получил из +5 через реле и нет стабильного питания от БП компа).

Последний раз редактировалось MIBsky; 27.07.2014 в 15:26.
MIBsky вне форума   Ответить с цитированием
Старый 10.03.2015, 02:56   #203
Akost
Пользователь
 
Аватар для Akost
 
Регистрация: 13.08.2011
Город: Пенза
Регион: 58
Машина: Honda Accord CL9
Сообщений: 51
Akost is on a distinguished road
По умолчанию

При первом включении сгорел вот этот элемент (на сколько понимаю конденсатор)

несколько раз проверил схему подключения, ошибок не нашёл, полярность соблюдена КЗ тоже не нашёл, прозванивал всё тестером.
Сгорел при подаче ACC, при подключении +12 и GND ничего не предвещало беды.

также из выявленных проблем - пробитый стабилитрон (звониться в обе стороны) но не знаю после краха платы он пробился или он и был причиной проблемы

Последний раз редактировалось Akost; 10.03.2015 в 03:32.
Akost вне форума   Ответить с цитированием
Старый 10.03.2015, 04:25   #204
Alex-L
Moderator
 
Аватар для Alex-L
 
Регистрация: 23.03.2008
Возраст: 54
Город: Москва, Нагорная
Регион: 77, 97, 99, 177
Машина: Mitsubishi Lancer-X
Сообщений: 2,096
Alex-L is a splendid one to beholdAlex-L is a splendid one to beholdAlex-L is a splendid one to beholdAlex-L is a splendid one to beholdAlex-L is a splendid one to beholdAlex-L is a splendid one to beholdAlex-L is a splendid one to behold
По умолчанию

Напишите в личку адрес - вышлю замену.
Alex-L вне форума   Ответить с цитированием
Старый 10.03.2015, 04:36   #205
Alex-L
Moderator
 
Аватар для Alex-L
 
Регистрация: 23.03.2008
Возраст: 54
Город: Москва, Нагорная
Регион: 77, 97, 99, 177
Машина: Mitsubishi Lancer-X
Сообщений: 2,096
Alex-L is a splendid one to beholdAlex-L is a splendid one to beholdAlex-L is a splendid one to beholdAlex-L is a splendid one to beholdAlex-L is a splendid one to beholdAlex-L is a splendid one to beholdAlex-L is a splendid one to behold
По умолчанию

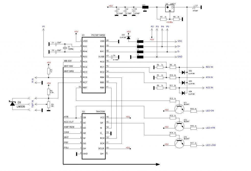
Проект объявляется открытым
Исходников нет и не будет – программировал другой человек, исходники я не выкупал.
Миниатюры
Нажмите на изображение для увеличения
Название: 1.jpg
Просмотров: 1968
Размер:	59.3 Кб
ID:	39109   Нажмите на изображение для увеличения
Название: 2.jpg
Просмотров: 1489
Размер:	51.1 Кб
ID:	39110  
Вложения
Тип файла: zip PC20 Hex.zip (30.2 Кб, 844 просмотров)
Тип файла: zip Плата.zip (95.1 Кб, 877 просмотров)

Последний раз редактировалось Alex-L; 21.04.2016 в 08:14.
Alex-L вне форума   Ответить с цитированием
Старый 27.04.2015, 20:45   #206
cururu
Новый Пользователь
 
Регистрация: 09.11.2012
Регион: 78, 98
Сообщений: 1
cururu is on a distinguished road
По умолчанию

Аппарат неделю отработал, потом пару дней неустойчиво включался, сейчас совсем не включается. On не горит, при любом напряжении на входе - горит Low. При входном 12В на ноге пика 4,31В, при 15В- 4,97. Питание на мс 5,15В. Прошивке каюк?
cururu вне форума   Ответить с цитированием
Старый 28.04.2015, 07:27   #207
Alex-L
Moderator
 
Аватар для Alex-L
 
Регистрация: 23.03.2008
Возраст: 54
Город: Москва, Нагорная
Регион: 77, 97, 99, 177
Машина: Mitsubishi Lancer-X
Сообщений: 2,096
Alex-L is a splendid one to beholdAlex-L is a splendid one to beholdAlex-L is a splendid one to beholdAlex-L is a splendid one to beholdAlex-L is a splendid one to beholdAlex-L is a splendid one to beholdAlex-L is a splendid one to behold
По умолчанию

Ответил в личку.
Alex-L вне форума   Ответить с цитированием
Старый 18.05.2015, 18:00   #208
g_keeper
Новый Пользователь
 
Регистрация: 18.05.2015
Регион: 75
Сообщений: 1
g_keeper is on a distinguished road
По умолчанию

Хочу попросить автора о дополнительном функционале. А именно: при пропадании ACC, немедленно отключать AMP REM,если он включен. При возвращении ACC - восстанавливать AMP REM. В идеале - вкл/выкл данной функции через программу конфигурации. Это нужно для отключения внешних усилителей при запуске двигателя авто (все современные автомобили отключают ACC при повороте ключа в положение "Start"). Данная функция, неактуальная для усилителя 4х40Вт, очень важна когда CarPC является источником для аудиосистемы скажем под киловатт. Практически все "музыкальные" головные устройства данным функционалом располагают.


P.S. Увидел пост №162. Жаль...

Последний раз редактировалось g_keeper; 18.05.2015 в 18:32.
g_keeper вне форума   Ответить с цитированием
Старый 12.08.2015, 00:12   #209
Wolfik_s_b
Старший Пользователь
 
Регистрация: 06.03.2014
Возраст: 37
Город: Москва, Подольск, Коломна, Рязань
Регион: 50, 90, 150
Машина: Mitsubishi Grandis
Сообщений: 199
Wolfik_s_b is on a distinguished road
По умолчанию

Цитата:
Сообщение от Alex-L Посмотреть сообщение
В последнее время появилсь материнские платы с "прямым" питанием: 8...19в, например Intel DN2800MT - очень удобно для PcCar
Очень удобно использовать PowerControl v.2.0 для управления питанием системников на базе подобных плат!
- с выхода "PSU" снимаем питание для материнки.
- выходом "MB SW" нажимаем кнопку запуска материнки.
- на вход "ATX IN" подаем напряжение +12в с SATA или с SystemFan
Для питания SATA устройств на материнке есть свой разъем.
Приобрел ПС2.0 довольно давненько, но в силу определенных причин не было возможности его подключить и потестить. Проект на столе. Материнка с монопитанием 12 В. В даташите на материнку про питание сказано: "Single input DC power,DC12V(+/-2%).(If don’t use 12V for the HDD,+/-10%)". Т.е. питание должно быть в диапазоне 11,76В...12,24В. На выходе PSU поверконтроля стабилизированные 12 В или то напряжение, которое пришло с аккума? Дело в том, что материнку запитывал от интеллектуального БП DC/DC USB. Сейчас собираю все это дело в корпус и есть необходимость избавиться от этого БП по причине нехватки места. Если на выходе PSU стабильные 12 В, то можно запитаться, как описано в цитате. Если там напряжение с бортовой сети (что может быть порядка 14 В), то от БП не уйти...
__________________
Мой проект
Wolfik_s_b вне форума   Ответить с цитированием
Старый 12.08.2015, 07:08   #210
Alex-L
Moderator
 
Аватар для Alex-L
 
Регистрация: 23.03.2008
Возраст: 54
Город: Москва, Нагорная
Регион: 77, 97, 99, 177
Машина: Mitsubishi Lancer-X
Сообщений: 2,096
Alex-L is a splendid one to beholdAlex-L is a splendid one to beholdAlex-L is a splendid one to beholdAlex-L is a splendid one to beholdAlex-L is a splendid one to beholdAlex-L is a splendid one to beholdAlex-L is a splendid one to behold
По умолчанию

Цитата:
...На выходе PSU поверконтроля стабилизированные 12 В или то напряжение, которое пришло с аккума?...
То, которое пришло с аккума.
Alex-L вне форума   Ответить с цитированием
Ответ


Здесь присутствуют: 1 (пользователей: 0 , гостей: 1)
 
Опции темы Поиск в этой теме
Поиск в этой теме:

Расширенный поиск

Ваши права в разделе
Вы не можете создавать новые темы
Вы не можете отвечать в темах
Вы не можете прикреплять вложения
Вы не можете редактировать свои сообщения

BB коды Вкл.
Смайлы Вкл.
[IMG] код Вкл.
HTML код Выкл.



Часовой пояс GMT +4, время: 16:38.


Работает на vBulletin® версия 3.8.4.
Copyright ©2000 - 2026, Jelsoft Enterprises Ltd.
Перевод: zCarot