PCCar.ru - Ваш автомобильный компьютер

Вернуться   PCCar.ru - Ваш автомобильный компьютер > MP3Car ТехИнфа > Общение с машиной

Результаты опроса: Интерфейс программы TECU-III ...
меня устраивает 142 41.04%
требуется потратить время на переделку - пользоваться очень неудобно 15 4.34%
устраивает, но хорошо бы внести несерьезные измененния 34 9.83%
сойдет, лучше тратить время на добавление в программу поддержку новых модулей 146 42.20%
другой вариант 9 2.60%
Голосовавшие: 346. Вы ещё не голосовали в этом опросе

Закрытая тема
 
Опции темы Поиск в этой теме
Старый 18.06.2014, 13:25   #2341
msergey
Новый Пользователь
 
Регистрация: 20.02.2014
Возраст: 57
Город: Томск
Регион: 70
Машина: Toyota Estima Hybrid
Сообщений: 4
msergey is on a distinguished road
По умолчанию

Добрый день.

Машина toyota estima hybrid ahr10 (рестайлинг) версия TECU 3.6.0.5. При поиске ECU процесс сканирования доходит до отметки 91%, после этого у машины "отваливается" диагностический разъем. Помогает восстановить работоспособность только одновременное отключение 12вольтового и силового аккумулятора. Если процесс прервать раньше, с найденными ECU программа работает. Происходит это при работе с самодельным к-адаптером и при работе с китайским VAG K+CAN Commander 1.4 адаптером.
Есть ли возможность исправить глюк?
msergey вне форума  
Старый 19.06.2014, 01:32   #2342
mac_2b
Banned
 
Регистрация: 23.01.2014
Возраст: 48
Город: Хабаровск
Регион: 27
Сообщений: 552
mac_2b is a jewel in the roughmac_2b is a jewel in the roughmac_2b is a jewel in the rough
По умолчанию

Цитата:
Сообщение от msergey Посмотреть сообщение
Добрый день.

Машина toyota estima hybrid ahr10 (рестайлинг) версия TECU 3.6.0.5. При поиске ECU процесс сканирования доходит до отметки 91%, после этого у машины "отваливается" диагностический разъем. Помогает восстановить работоспособность только одновременное отключение 12вольтового и силового аккумулятора. Если процесс прервать раньше, с найденными ECU программа работает. Происходит это при работе с самодельным к-адаптером и при работе с китайским VAG K+CAN Commander 1.4 адаптером.
Есть ли возможность исправить глюк?
Логи выложите .
mac_2b вне форума  
Старый 19.06.2014, 08:22   #2343
msergey
Новый Пользователь
 
Регистрация: 20.02.2014
Возраст: 57
Город: Томск
Регион: 70
Машина: Toyota Estima Hybrid
Сообщений: 4
msergey is on a distinguished road
По умолчанию

Цитата:
Сообщение от mac_2b Посмотреть сообщение
Логи выложите .
Прошу прощения, забыл о том, что написано на первой странице форума.
Вложения
Тип файла: zip logs.zip (8.9 Кб, 529 просмотров)
msergey вне форума  
Старый 19.06.2014, 21:45   #2344
kim095
Новый Пользователь
 
Регистрация: 08.07.2012
Возраст: 38
Город: Москва
Регион: 77, 97, 99, 177
Машина: Infiniti G20 2000 г.
Сообщений: 16
kim095 is on a distinguished road
По умолчанию

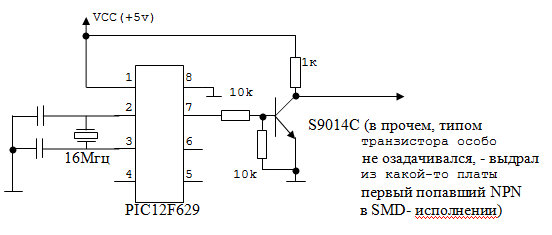
У кого-нибудь есть прошивка для PIC12F629 для генерации CLK 153.6 кГц?

Извиняюсь за оффтоп.
kim095 вне форума  
Старый 20.06.2014, 02:40   #2345
pol063
Новый Пользователь
 
Регистрация: 01.02.2013
Возраст: 48
Город: Самара, Самарская обл
Регион: 63, 163
Машина: ниссан stagea wgnc34 2.5xfour; подключаемый привод attesa e-ts;двигатель рб25 де нео(рядная 6)
Сообщений: 16
pol063 is on a distinguished road
По умолчанию

Valentin8080
вопрос - а есть ли в фирменных программах параметры с датчиков детонации
интересует ниссан консалт
как можно определять детонации и запас по угу до детона
комп эбу ведь это видит и вычисляет,но в диагностических сканерах я этого не видел,
а есть ли такие?
pol063 вне форума  
Старый 20.06.2014, 03:22   #2346
kim095
Новый Пользователь
 
Регистрация: 08.07.2012
Возраст: 38
Город: Москва
Регион: 77, 97, 99, 177
Машина: Infiniti G20 2000 г.
Сообщений: 16
kim095 is on a distinguished road
По умолчанию

Цитата:
Сообщение от kim095 Посмотреть сообщение
У кого-нибудь есть прошивка для PIC12F629 для генерации CLK 153.6 кГц?

Извиняюсь за оффтоп.
Нашлась
Миниатюры
Нажмите на изображение для увеличения
Название: Generator CLK.png
Просмотров: 735
Размер:	10.6 Кб
ID:	36376  
Вложения
Тип файла: zip Generator 153,6_PIC12F629_16Mgz.zip (285 байт, 563 просмотров)
kim095 вне форума  
Старый 20.06.2014, 10:42   #2347
msergey
Новый Пользователь
 
Регистрация: 20.02.2014
Возраст: 57
Город: Томск
Регион: 70
Машина: Toyota Estima Hybrid
Сообщений: 4
msergey is on a distinguished road
По умолчанию

Цитата:
Сообщение от msergey Посмотреть сообщение
Добрый день.

Машина toyota estima hybrid ahr10 (рестайлинг) версия TECU 3.6.0.5. При поиске ECU процесс сканирования доходит до отметки 91%, после этого у машины "отваливается" диагностический разъем. Помогает восстановить работоспособность только одновременное отключение 12вольтового и силового аккумулятора. Если процесс прервать раньше, с найденными ECU программа работает. Происходит это при работе с самодельным к-адаптером и при работе с китайским VAG K+CAN Commander 1.4 адаптером.
Есть ли возможность исправить глюк?
К вышесказанному могу добавить, что на К-линии диагностического разъема вместо 12 В становится 0,6 В. И "убивают" его гибридные мозги.
msergey вне форума  
Старый 20.06.2014, 11:41   #2348
vladj
Гуру
 
Аватар для vladj
 
Регистрация: 03.05.2011
Возраст: 74
Город: Верещагино
Регион: 59
Машина: Toyota-Echo
Сообщений: 2,046
vladj has a reputation beyond reputevladj has a reputation beyond reputevladj has a reputation beyond reputevladj has a reputation beyond reputevladj has a reputation beyond reputevladj has a reputation beyond reputevladj has a reputation beyond reputevladj has a reputation beyond reputevladj has a reputation beyond reputevladj has a reputation beyond repute
По умолчанию

Цитата:
Сообщение от pol063 Посмотреть сообщение
Valentin8080 есть ли в фирменных программах параметры с датчиков детонации
как можно определять детонации и запас по угу до детона комп эбу ведь это видит и вычисляет
Как комп может предвидеть, что начнётся детонация. Датчик простой пьезо приёмник звука с фильтром,
а вот когда комп "услышит детонацию", тогда и внесёт поправку в угол. Датчик детонации вторичен и работает
только при неисправном двигателе (изменение объёма при большом нагаре, калильное зажигание) или при
неподходящем по октану топливе. В норме датчик не при делах, расчёт угла идёт по нагрузке, оборотам и т.д.ИМХО.
__________________
DN2800MT, DDR3-4Gb, SSD -30 Gb, Lilliput FA1000 - по HDMI, Win-8 .
vladj вне форума  
Старый 20.06.2014, 12:06   #2349
Valentin8080
Старший Пользователь
 
Регистрация: 17.02.2010
Возраст: 46
Регион: 03
Машина: Toyota Corolla
Сообщений: 980
Valentin8080 is a jewel in the roughValentin8080 is a jewel in the roughValentin8080 is a jewel in the rough
По умолчанию

Цитата:
Сообщение от msergey Посмотреть сообщение
К вышесказанному могу добавить, что на К-линии диагностического разъема вместо 12 В становится 0,6 В. И "убивают" его гибридные мозги.
Посмотрел твой лог. 0,6В (то есть замыкание на массу) идет не от адаптера, а от машины. Затыкается обмен после того, как несколько раз пройдет инициализация ECU батареи с последующим завершением сеанса. Конкретно по твоему логу, когда завершался сеанс связи в 6-й раз уже пошел затык.
Для статистики во-первых нужно эксперимент повторить несколько раз. Может раз от раза что-то меняется. Во-вторых - посмотреть как это дело будет идти на другой аналогичной машине.
__________________
Мой отчет TOYOTA COROLLA 2004
Valentin8080 вне форума  
Старый 20.06.2014, 12:13   #2350
Valentin8080
Старший Пользователь
 
Регистрация: 17.02.2010
Возраст: 46
Регион: 03
Машина: Toyota Corolla
Сообщений: 980
Valentin8080 is a jewel in the roughValentin8080 is a jewel in the roughValentin8080 is a jewel in the rough
По умолчанию

Цитата:
Сообщение от pol063 Посмотреть сообщение
Valentin8080
вопрос - а есть ли в фирменных программах параметры с датчиков детонации
интересует ниссан консалт
как можно определять детонации и запас по угу до детона
комп эбу ведь это видит и вычисляет,но в диагностических сканерах я этого не видел,
а есть ли такие?
Вопрос неправильно задан. Сканер или программа (любой хоть фирменный, хоть нет) может отобразить не более того, что выдает конкретный ECU. Поэтому правильней было бы задать вопрос "Может ли мой ECU №.....марка..." выдать параметр по детонации".
Ну а конкретно по Nissan как и по Toyota я не видел, чтобы какой то блок выдавал информацию по детонации.
__________________
Мой отчет TOYOTA COROLLA 2004
Valentin8080 вне форума  
Закрытая тема

Метки
nissan, toyota, диагностика


Здесь присутствуют: 2 (пользователей: 0 , гостей: 2)
 
Опции темы Поиск в этой теме
Поиск в этой теме:

Расширенный поиск

Ваши права в разделе
Вы не можете создавать новые темы
Вы не можете отвечать в темах
Вы не можете прикреплять вложения
Вы не можете редактировать свои сообщения

BB коды Вкл.
Смайлы Вкл.
[IMG] код Вкл.
HTML код Выкл.



Часовой пояс GMT +4, время: 06:40.


Работает на vBulletin® версия 3.8.4.
Copyright ©2000 - 2026, Jelsoft Enterprises Ltd.
Перевод: zCarot