PCCar.ru - Ваш автомобильный компьютер

Вернуться   PCCar.ru - Ваш автомобильный компьютер > MP3Car ТехИнфа > Блоки питания > Разное

Ответ
 
Опции темы Поиск в этой теме
Старый 31.01.2014, 14:41   #1651
Vladget
Moderator
 
Регистрация: 04.04.2009
Возраст: 69
Город: Краснодар
Регион: 23, 93
Машина: HONDA CR-V-08
Сообщений: 3,129
Vladget is a splendid one to beholdVladget is a splendid one to beholdVladget is a splendid one to beholdVladget is a splendid one to beholdVladget is a splendid one to beholdVladget is a splendid one to beholdVladget is a splendid one to behold
По умолчанию

Цитата:
Сообщение от Gilberg.vrn Посмотреть сообщение
...Я говорю именно про момент открытия, когда ток начинает идти(_условно_) от "+" через половину обмотки первички, потом на сток-исток полевика...
С какой частотой это происходит? Если из этого опять непонятно тогда наверно книжки читать о работе импульсника я объяснять не очень умею я практик и знаний по этому вопросу мне не хватает.

Цитата:
Сообщение от Gilberg.vrn Посмотреть сообщение
...
Заметил небольшое отклонение от схемы.. Подал +12 входного на "12" ногу ТЛки минуя диод, но судя по всему, это не играет роли, верно?
Тоже честно не знаю, что будет если без него, но наверно ничего хорошего так как наверно переменка (или мусор какой то) тогда полезет на ТЛку с первички

Цитата:
Сообщение от Gilberg.vrn Посмотреть сообщение
UPD +5 на 13-14 ноге, должны браться откуда? Я правильно понял DS, что при подаче +12 на "12" ногу на "14" появляется опорная напруга(+5)?
здесь что бы ответить надо видеть твою схему изначальную вот здесь они с дежурки идут http://www.pccar.ru/showthread.php?p=86678#post86678 да и в сетевом вроде как так.

Да а свечи что на морозе не сохнут ?
__________________


Vladget вне форума   Ответить с цитированием
Старый 31.01.2014, 16:08   #1652
Gilberg.vrn
Новый Пользователь
 
Регистрация: 31.01.2014
Регион: 36
Сообщений: 25
Gilberg.vrn is on a distinguished road
По умолчанию

Цитата:
Сообщение от Vladget Посмотреть сообщение
С какой частотой это происходит?
Как писал, на "живой" ноге ТЛки 30 кГц


Цитата:
Сообщение от Vladget Посмотреть сообщение
Тоже честно не знаю, что будет если без него, но наверно ничего хорошего так как наверно переменка (или мусор какой то) тогда полезет на ТЛку с первички
Хорошо, переделаемс.. но от стабильных 12В, думаю, не должно было повлиять.

Цитата:
Сообщение от Vladget Посмотреть сообщение
здесь что бы ответить надо видеть твою схему изначальную вот здесь они с дежурки идут
А вот по этой схеме как раз и не идут...

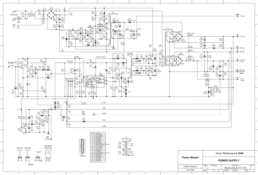
Вот моя
http://pccar.ru/attachment.php?attac...1&d=1391165949
Здесь тоже не наблюдаю. По даташиту смотрю 14 - Output voltage (REF), т.е, все-таки выход...

Цитата:
Сообщение от Vladget Посмотреть сообщение
Да а свечи что на морозе не сохнут ?
Пока заводил, слегка залил... Аккум на зарядке, поэтому решил посушить и пускать с горячими свечами, глядишь по проще будет)
Миниатюры
Нажмите на изображение для увеличения
Название: Power Master FA_5_2 v3-2.jpg
Просмотров: 3150
Размер:	98.2 Кб
ID:	34547  
Gilberg.vrn вне форума   Ответить с цитированием
Старый 31.01.2014, 16:50   #1653
Vladget
Moderator
 
Регистрация: 04.04.2009
Возраст: 69
Город: Краснодар
Регион: 23, 93
Машина: HONDA CR-V-08
Сообщений: 3,129
Vladget is a splendid one to beholdVladget is a splendid one to beholdVladget is a splendid one to beholdVladget is a splendid one to beholdVladget is a splendid one to beholdVladget is a splendid one to beholdVladget is a splendid one to behold
По умолчанию

ну да точно не идут (уже прошло полгода как никто сюда не заходил, уже практически забыл), по той схеме это система запуска. А 14 выход соединен с входами ошибок, да и схема мелковата при увеличении не читается но не суть
__________________


Vladget вне форума   Ответить с цитированием
Старый 31.01.2014, 19:48   #1654
Gilberg.vrn
Новый Пользователь
 
Регистрация: 31.01.2014
Регион: 36
Сообщений: 25
Gilberg.vrn is on a distinguished road
По умолчанию

Да, согласен... Не заметил, что ее поджало..

По клику - полная версия
Gilberg.vrn вне форума   Ответить с цитированием
Старый 31.01.2014, 20:02   #1655
Vladget
Moderator
 
Регистрация: 04.04.2009
Возраст: 69
Город: Краснодар
Регион: 23, 93
Машина: HONDA CR-V-08
Сообщений: 3,129
Vladget is a splendid one to beholdVladget is a splendid one to beholdVladget is a splendid one to beholdVladget is a splendid one to beholdVladget is a splendid one to beholdVladget is a splendid one to beholdVladget is a splendid one to behold
По умолчанию

Да все нормально, я так думаю меняй все аккуратно, и все будет работать тут их столько переделали в работающие,причем так наверно не ошибусь 1/3 переделывающих слабо разбирались в том что делали и все Ок.
А че не хочешь заново собрать у вас вроде с деталями должно быть нормально.
__________________


Vladget вне форума   Ответить с цитированием
Старый 31.01.2014, 22:02   #1656
Gilberg.vrn
Новый Пользователь
 
Регистрация: 31.01.2014
Регион: 36
Сообщений: 25
Gilberg.vrn is on a distinguished road
По умолчанию

С удовольствием соберу, как будет рабочий прототип)) Я уже собирался этим заняться, посмотрел на тот же SL, прикинул, что это тот же ATX, и делать плату когда она уже "готовая", да с деталюхами =)

Пока писал, клацнул феррит... Клееный для тестов пойдет?
Решился на перемотку транса - я так понял, лучше - больше, т.е 6+6;8+6+6+8, правильно? Есть какие-нить данные по индуктивности обмоток?

Последний раз редактировалось Gilberg.vrn; 31.01.2014 в 22:40.
Gilberg.vrn вне форума   Ответить с цитированием
Старый 31.01.2014, 23:49   #1657
Vladget
Moderator
 
Регистрация: 04.04.2009
Возраст: 69
Город: Краснодар
Регион: 23, 93
Машина: HONDA CR-V-08
Сообщений: 3,129
Vladget is a splendid one to beholdVladget is a splendid one to beholdVladget is a splendid one to beholdVladget is a splendid one to beholdVladget is a splendid one to beholdVladget is a splendid one to beholdVladget is a splendid one to behold
По умолчанию

Клееный плохо (для нагрузки) но для теста пойдет, по намотке я уже писал все варианты работают, что заново мотать, что только первичку 3+3, (4+4) , вместо смотанной части первички той что сверху (19витков) которую проще срезать чтобы не разматывать и не разбирать транс. Собирать надумаешь печатка с первого поста с каменного века, их других уже много то ли 3 то ли 5 вплоть до смд с контроллером или без.
Если мотать на Ш то то там все просто сначала первичку , потом сверху вторичку подряд изоляция не нужна главное условие что бы все обмотки в одну сторону, а вот на кольце там сложнее
__________________


Vladget вне форума   Ответить с цитированием
Старый 01.02.2014, 00:05   #1658
Gilberg.vrn
Новый Пользователь
 
Регистрация: 31.01.2014
Регион: 36
Сообщений: 25
Gilberg.vrn is on a distinguished road
По умолчанию

Цитата:
Сообщение от Vladget Посмотреть сообщение
Если мотать на Ш то то там все просто сначала первичку , потом сверху вторичку подряд изоляция не нужна главное условие что бы все обмотки в одну сторону, а вот на кольце там сложнее
И тут я впал в ступор)) Это на тот случай, если я новый транс мотать буду?)

Намотка "4+4" в какой ситуации нужна?

UPD. В какой ситуации может свистеть транс? Начинаю подозревать, что появилось КЗ в слаботочке блока...

UPD2. Так, решил прибегнуть к чистой практике, без теории... Решил сделать проверку и добить полуТЛку xD
Перемотал транс, у меня он был сделан чуть по другому, в теории, не должно конечно влиять, но все же... Первичка была намотана одним проводом Ф1.0, 3+3. Т.е, я взял провод, накрутил три витка, сделал петлю, и намотал еще три витка.
Теперь первичка 4+4 =)

И так, если все вернуть на место, и замкнуть PS ON на землю, слышится свист транса, в этот раз уже лучше, свист не меняется, напруга +12 около 2,3В (работает одно плечо)... Начинают греться диоды в мосту +12:-12 (греется диодная сборка). Исходя из этого, решил что КоЗа прячется здесь... Были применены варварские методы по поводу проверки xD

Транс выпаян, и припаян первичкой с обратной стороны платы (ноги вторичек висят в воздухе)... Даем питание, не свистит)) Зато греется единственный транзистор) Сильно греется) Десяток секунд и уже 100+ градусов... IRF мертв, у ТЛки один биполярник все еще жив...
PS. мои записи можно обзывать записками извращенца)

Из этого, возникает вопрос, если не нагрузить трансформатор, нагрев irf'a это нормально?

Если да, то у меня будет смысл восстанавливать БП, если нет - то проще брать другого донора, или собирать SL, но не хотелось бы, пока что...
На эту ночь я заканчиваю этот изврат...

Последний раз редактировалось Gilberg.vrn; 01.02.2014 в 04:54.
Gilberg.vrn вне форума   Ответить с цитированием
Старый 01.02.2014, 11:05   #1659
Vladget
Moderator
 
Регистрация: 04.04.2009
Возраст: 69
Город: Краснодар
Регион: 23, 93
Машина: HONDA CR-V-08
Сообщений: 3,129
Vladget is a splendid one to beholdVladget is a splendid one to beholdVladget is a splendid one to beholdVladget is a splendid one to beholdVladget is a splendid one to beholdVladget is a splendid one to beholdVladget is a splendid one to behold
По умолчанию

Как то это все сложно для объяснения теории этого процесса, но по моему ТЛка не будет работать без обратной связи кажется 1 нога там по идее должен быть "0".
Свистеть .. ну например из за неплотной намотки с частотой вот той которую ты и писал. Мотать то проволокой 1,0 не айс подумай может скрутить несколько проводков потоньше, что бы общее их сечение было не меньше чем сечение (не диаметр) у 1,0 мотать будет значительно легче.
Намотка транса есть 2 варианта :
1. Срезают (сматывают) верхнюю полуобмотку первички 19 витков и вместо нее наматывают 3+3 витка - ВСЕ. Но здесь есть вариант кто то мотает 4+4 и там и там все работает.
2. Транс разбирают кто кипятит его но проще на мощном паяльнике (80-100вт) периодически переворачивая его что бы он весь прогрелся пока не размягчится клей которым он склеен и сдвигают одну часть относительно другой (мясо перед этой процедурой дня два не надо есть - чтоб силы меньше было - бо в раз ломается - силу не прикладывать - так с легонца) затем когда разобрал все удаляется и мотается все заново 6+6 8+6+6+8 все.
Посмотри то что касается намотки транса http://www.pccar.ru/showpost.php?p=118562&postcount=797
__________________



Последний раз редактировалось Vladget; 01.02.2014 в 12:06.
Vladget вне форума   Ответить с цитированием
Старый 01.02.2014, 17:51   #1660
Gilberg.vrn
Новый Пользователь
 
Регистрация: 31.01.2014
Регион: 36
Сообщений: 25
Gilberg.vrn is on a distinguished road
По умолчанию

Так-с, купил колечко, решил не мучать китайский транс... Купил ТЛки, irfz44, кольца бумагой уже обмотал, сейчас обмотки делать буду... А потом, если не попрет с этим блоком, есть один донор, вернее полностью живой БП, на 235W (Intelorg ATX-235UT), вот его и буду крутить...
Правда схему с первого налёта найти не могу, но чую, что где-то на форуме видел.
Gilberg.vrn вне форума   Ответить с цитированием
Ответ


Здесь присутствуют: 1 (пользователей: 0 , гостей: 1)
 
Опции темы Поиск в этой теме
Поиск в этой теме:

Расширенный поиск

Ваши права в разделе
Вы не можете создавать новые темы
Вы не можете отвечать в темах
Вы не можете прикреплять вложения
Вы не можете редактировать свои сообщения

BB коды Вкл.
Смайлы Вкл.
[IMG] код Вкл.
HTML код Выкл.



Часовой пояс GMT +4, время: 18:04.


Работает на vBulletin® версия 3.8.4.
Copyright ©2000 - 2026, Jelsoft Enterprises Ltd.
Перевод: zCarot