PCCar.ru - Ваш автомобильный компьютер

Вернуться   PCCar.ru - Ваш автомобильный компьютер > Всё Остальное > Проекты > Рабочий журнал

Ответ
 
Опции темы Поиск в этой теме
Старый 27.12.2013, 01:28   #31
s.m.
Гуру
 
Регистрация: 20.07.2009
Город: Минск
Регион: Беларусь
Сообщений: 1,543
s.m. is a splendid one to beholds.m. is a splendid one to beholds.m. is a splendid one to beholds.m. is a splendid one to beholds.m. is a splendid one to beholds.m. is a splendid one to beholds.m. is a splendid one to behold
По умолчанию

Цитата:
Сообщение от ifynk Посмотреть сообщение
Мне вот второй способ больше понравился. Как я понял, то мне нужно взять любую ногу с PWM. Пустить ее через RC цепочку и на выходе получу напряжение от 0 до 3,3в (teensy3), в зависимости от того, какое значение я пошлю через writeAnalog. Или я не правильно разобрался? Если правильно, то что мне делать теперь с этим напряжением ? Как сделать нужное сопротивление?

ЗЫ: сильно не пинайте, я не электрик )
arduino.cc/en/Tutorial/PWM


У вас в магнитоле вход под кнопки - это как переменный резистор. Его верхний вывод подключен где-то к питанию магнитолы. Движок -это ваш вход, нижний вывод подключен к земле.
Когда нажимаете резистивные кнопки то как бы дергаете этот резистор туда-сюда
. поэтому перед тем как подключать туда выход ардуины неплохо поменять напряжение на этом входе, когда туда ничего не подключено, чтобы ненароком не сжечь ардуину обратным током. Если там не более напряжения питания ардуины, то можно безопасно подключить выход pwm через резистор и конденсатор между входом кнопок и землёй. Если там больше, чем питание, нужно городить дополнительный транзистор аналогично схеме радио или любой из схем по управлению оборотами комповых кулеров от микропроцессора.
Потом, подавая на pwm выход с помощью analogwrite от 0 до 255 можно найти цифру соответствующую нужной кнопке.
__________________
Мой проект: Citroen Xsara Android CarPC
s.m. вне форума   Ответить с цитированием
Старый 27.12.2013, 12:42   #32
ifynk
Старший Пользователь
 
Аватар для ifynk
 
Регистрация: 06.05.2009
Возраст: 41
Город: Херсон
Регион: Украина
Машина: Honda Accord 7
Сообщений: 370
ifynk has a spectacular aura aboutifynk has a spectacular aura aboutifynk has a spectacular aura about
По умолчанию

Цитата:
Сообщение от s.m. Посмотреть сообщение
Если там не более напряжения питания ардуины, то можно безопасно подключить выход pwm через резистор и конденсатор между входом кнопок и землёй. Если там больше, чем питание, нужно городить дополнительный транзистор аналогично схеме радио или любой из схем по управлению оборотами комповых кулеров от микропроцессора.
Вот в том и прикол, что по схеме, приведенной выше, написано +5в, а у меня teensy3 (3.3в). Но я на выходных еще померяю точно напряжение. Спасибо за подсказки.
ifynk вне форума   Ответить с цитированием
Старый 27.12.2013, 23:34   #33
lti1
Старший Пользователь
 
Аватар для lti1
 
Регистрация: 17.01.2010
Возраст: 50
Город: Самара
Регион: 63, 163
Машина: Skoda Octavia A5 FL && Skoda Octavia Tour && ̶F̶F̶3̶
Сообщений: 457
lti1 has a reputation beyond reputelti1 has a reputation beyond reputelti1 has a reputation beyond reputelti1 has a reputation beyond reputelti1 has a reputation beyond reputelti1 has a reputation beyond reputelti1 has a reputation beyond reputelti1 has a reputation beyond reputelti1 has a reputation beyond repute
По умолчанию

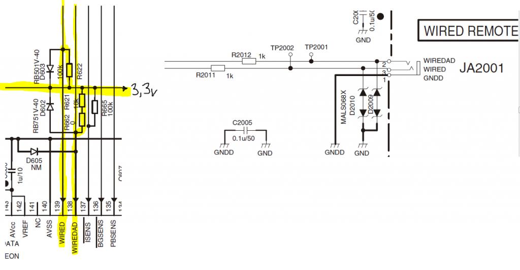
Вроде как по схеме Pioneer на входе Wired remote не больше 3.3 вольта.
Схема 128 страница.
Можно попробовать по калькулятору делителя напряжения посчитать напряжение
15 кОм volume up +

20 кОм volume down +
Миниатюры
Нажмите на изображение для увеличения
Название: Снимок2.jpg
Просмотров: 1685
Размер:	49.0 Кб
ID:	34152  
lti1 вне форума   Ответить с цитированием
Старый 28.12.2013, 20:55   #34
ifynk
Старший Пользователь
 
Аватар для ifynk
 
Регистрация: 06.05.2009
Возраст: 41
Город: Херсон
Регион: Украина
Машина: Honda Accord 7
Сообщений: 370
ifynk has a spectacular aura aboutifynk has a spectacular aura aboutifynk has a spectacular aura about
По умолчанию

Замерял напряжение на свободных концах входа для подключения проводного пульта - показало 5.20V. При подключении резистора на 1кОм, падало до 5.10V. Я так понял, что 3.3V от моей teensy будет недостаточно для имитации некоторых кнопок. Или нет? Никак не могу сложить всю схему.
ifynk вне форума   Ответить с цитированием
Старый 03.01.2014, 21:06   #35
ifynk
Старший Пользователь
 
Аватар для ifynk
 
Регистрация: 06.05.2009
Возраст: 41
Город: Херсон
Регион: Украина
Машина: Honda Accord 7
Сообщений: 370
ifynk has a spectacular aura aboutifynk has a spectacular aura aboutifynk has a spectacular aura about
По умолчанию

Всех с прошедшим НГ. В общем решил использовать цифровой потенциометр для имитации пульта. Теперь еще есть вопросы. У меня есть 3G-WiFi модем MiFi 2200. Он питается от батареи 3.7V. Так как у меня питание зависит от магнитолы (при включении магнитолы влючается NSD и включается teensy и планшет), то я хочу, чтоб еще и модем включался/выключался при включении/выключении магнитолы. Подскажите как это сделать? На батарее 4 контакта. Достаточно ли будет просто подать ~4.0V на контакты? Плюс нужно как-то заставить его автоматически включатся. Где можно почитать? Спасибо.
ifynk вне форума   Ответить с цитированием
Старый 04.01.2014, 00:47   #36
lti1
Старший Пользователь
 
Аватар для lti1
 
Регистрация: 17.01.2010
Возраст: 50
Город: Самара
Регион: 63, 163
Машина: Skoda Octavia A5 FL && Skoda Octavia Tour && ̶F̶F̶3̶
Сообщений: 457
lti1 has a reputation beyond reputelti1 has a reputation beyond reputelti1 has a reputation beyond reputelti1 has a reputation beyond reputelti1 has a reputation beyond reputelti1 has a reputation beyond reputelti1 has a reputation beyond reputelti1 has a reputation beyond reputelti1 has a reputation beyond repute
По умолчанию

Цитата:
Сообщение от ifynk Посмотреть сообщение
В общем решил использовать цифровой потенциометр для имитации пульта.
А можно поподробнее?
Может вместо цифрового потенциометра использовать mosfet и ШИМ.
lti1 вне форума   Ответить с цитированием
Старый 05.01.2014, 00:04   #37
ifynk
Старший Пользователь
 
Аватар для ifynk
 
Регистрация: 06.05.2009
Возраст: 41
Город: Херсон
Регион: Украина
Машина: Honda Accord 7
Сообщений: 370
ifynk has a spectacular aura aboutifynk has a spectacular aura aboutifynk has a spectacular aura about
По умолчанию

Цитата:
Сообщение от lti1 Посмотреть сообщение
А можно поподробнее?
Может вместо цифрового потенциометра использовать mosfet и ШИМ.
Да я и сам пока толком не знаю. Страницей выше предлагали использовать его как вариант (http://pccar.ru/showpost.php?p=281673&postcount=21). Я хотел сначала использовать ШИМ, но моих познаний маловато, чтобы самому реализвать. За информацию по mosfet спасибо, буду разбираться дальше.
ifynk вне форума   Ответить с цитированием
Старый 05.01.2014, 05:02   #38
opium5
Новый Пользователь
 
Регистрация: 27.01.2010
Регион: 77, 97, 99, 177
Сообщений: 5
opium5 is on a distinguished road
По умолчанию

Интересно все получается.
opium5 вне форума   Ответить с цитированием
Старый 08.01.2014, 13:50   #39
ifynk
Старший Пользователь
 
Аватар для ifynk
 
Регистрация: 06.05.2009
Возраст: 41
Город: Херсон
Регион: Украина
Машина: Honda Accord 7
Сообщений: 370
ifynk has a spectacular aura aboutifynk has a spectacular aura aboutifynk has a spectacular aura about
По умолчанию

Все-таки сделаю на оптронах, как посоветовал lti1. Выбор поменялся из-за того, что у меня в городе не нашлось цифрового потенциометра, а так как мне нужно только громкость регулировать, то два пина занять не накладно.

На данный момент тестирую свой софт в рабочем режиме. Софт представляет собой приложение с 4 вкладками:
1 - Основное (здесь пока ничего нет)
2 - Audio Player. Здесь просто отображается название текущего трека. Немного позже добавлю кнопки play/pause и prev/next.
3 - Stream Radio. Здесь выводится список выбранных радиостанций из di.fm (можно добавлять любые ссылки в принципе). Также есть кнопка play/stop
4 - OBD. Пока пусто.

Сам интерфейс особо не важен, так как все работает в фоне через сервис. Сервис отвечает за принятие команд с teensy (пока-что это в основном команды с IR пульта) по BT и в зависимости от выбранного источника (Audio Player/Stream Radio), выполняет нужное действие. По умолчанию активирован источник AP и при нажатии кнопок на пульте, я могу управлять воспроизведением музыки из PowerAmp через его api. При нажатии на пульте кнопки Source, источник меняется на SR и включается воспроизведение либо первой станции по списку, либо последней выбранной. При принятии команд с пульта уже идет управление станциями. Если снова нажать Source, то активируется AP и запустится музыка. При смене источника, если приложение открыто, активируется соответсвующая вкладка.

Дальше хочу избавиться от tasker, и задачи, которые он сейчас выполняет, перенести в свой сервис.
ifynk вне форума   Ответить с цитированием
Старый 08.01.2014, 17:16   #40
s.m.
Гуру
 
Регистрация: 20.07.2009
Город: Минск
Регион: Беларусь
Сообщений: 1,543
s.m. is a splendid one to beholds.m. is a splendid one to beholds.m. is a splendid one to beholds.m. is a splendid one to beholds.m. is a splendid one to beholds.m. is a splendid one to beholds.m. is a splendid one to behold
По умолчанию

Цитата:
Сообщение от ifynk Посмотреть сообщение
Все-таки сделаю на оптронах, как посоветовал lti1. Выбор поменялся из-за того, что у меня в городе не нашлось цифрового потенциометра, а так как мне нужно только громкость регулировать, то два пина занять не накладно.

На данный момент тестирую свой софт в рабочем режиме. Софт представляет собой приложение с 4 вкладками:
1 - Основное (здесь пока ничего нет)
2 - Audio Player. Здесь просто отображается название текущего трека. Немного позже добавлю кнопки play/pause и prev/next.
3 - Stream Radio. Здесь выводится список выбранных радиостанций из di.fm (можно добавлять любые ссылки в принципе). Также есть кнопка play/stop
4 - OBD. Пока пусто.

Сам интерфейс особо не важен, так как все работает в фоне через сервис. Сервис отвечает за принятие команд с teensy (пока-что это в основном команды с IR пульта) по BT и в зависимости от выбранного источника (Audio Player/Stream Radio), выполняет нужное действие. По умолчанию активирован источник AP и при нажатии кнопок на пульте, я могу управлять воспроизведением музыки из PowerAmp через его api. При нажатии на пульте кнопки Source, источник меняется на SR и включается воспроизведение либо первой станции по списку, либо последней выбранной. При принятии команд с пульта уже идет управление станциями. Если снова нажать Source, то активируется AP и запустится музыка. При смене источника, если приложение открыто, активируется соответсвующая вкладка.

Дальше хочу избавиться от tasker, и задачи, которые он сейчас выполняет, перенести в свой сервис.
интересно, сам думал добавить интернет-радио себе в оболочку, руки не дошли пока...
В основном душит жаба платить за интернет, а также сомнения, как добавить нужный поток в удобном виде (и где взять его так, чтобы не спалили через ределю), фиксированную привязку к чужому сервису не хочу (у них семь пятниц на неделе). Много гемора в итоге... С обычным радио намного проще - включил и работает.

А что делает такого таскер?
Если будет постоянно висящий сервис (а с оболочкой именно так и есть), то нафиг таскер не нужен, все можно замутить в самом сервисе.
А чем не нравится висящая панелька, как у меня? Много места не занимает, висит себе поверх любой проги, выводить туда можно что угодно.
__________________
Мой проект: Citroen Xsara Android CarPC
s.m. вне форума   Ответить с цитированием
Ответ

Метки
android, smartq k7, ваз 21093


Здесь присутствуют: 1 (пользователей: 0 , гостей: 1)
 
Опции темы Поиск в этой теме
Поиск в этой теме:

Расширенный поиск

Ваши права в разделе
Вы не можете создавать новые темы
Вы не можете отвечать в темах
Вы не можете прикреплять вложения
Вы не можете редактировать свои сообщения

BB коды Вкл.
Смайлы Вкл.
[IMG] код Вкл.
HTML код Выкл.



Часовой пояс GMT +4, время: 01:56.


Работает на vBulletin® версия 3.8.4.
Copyright ©2000 - 2026, Jelsoft Enterprises Ltd.
Перевод: zCarot