PCCar.ru - Ваш автомобильный компьютер

Вернуться   PCCar.ru - Ваш автомобильный компьютер > MP3Car ТехИнфа > Мониторы > Матрицы для CarPC > Матрицы 8 дюймов

Ответ
 
Опции темы Поиск в этой теме
Старый 28.07.2013, 21:31   #31
tto4ka
Пользователь
 
Регистрация: 29.11.2011
Возраст: 45
Город: Москва
Регион: 77, 97, 99, 177
Машина: Lexus RX300
Сообщений: 87
tto4ka is on a distinguished road
По умолчанию

Цитата:
Сообщение от fedos Посмотреть сообщение
Парни, а можно просто без регулировок увеличить ток, а то днем плохо видно, так все устраивает по цветам и разрешение. Матрица ZJ080NA-08A и контролер китайский RL2660 вроде.
Lamp Position : Edge light type
Lamp Type : WLED
Lamp Life Time : 20K(Typ.) (Hours)
Lamp Voltage : 9.9/10.5V (Typ./Max.)
Lamp Current : 360/420mA (Typ./Max.)
Lamps Power Consumption : 3.56W (Typ.)
Lamp Driver Board : No
Interface Type : Included in signal interface
Собственно уже писал
P.S. По переписывался с китайцем.... он говорит типа знаем о том что тока не хватает, дело в том что по схеме данный драйвер увеличивает ток с 3.3 вольт и он в принципе не способен выдать больше 90-95ма но типа инженеры ничего придумать не могут как это решить с небольшими изменениями...... Говорит когда создавали этот контроллер не было матриц требующих тока подсветки больше 100ма, а так нужно говорит капитально схему переделывать... типа завтра поговорю с нашими инженерами может что посоветуют
Данной матрице надо 360ма!!!!!!!!!!!! Так что колхозить придется )))
И с разрешением на ней беда.... в этом контроллере нет разрешения 1024х600, а это надо программатор, а это еще 35 баксов
tto4ka вне форума   Ответить с цитированием
Старый 28.07.2013, 21:42   #32
mitsubi
Старший Пользователь
 
Регистрация: 23.04.2012
Регион: 77, 97, 99, 177
Сообщений: 412
mitsubi is a jewel in the roughmitsubi is a jewel in the roughmitsubi is a jewel in the roughmitsubi is a jewel in the rough
По умолчанию

Цитата:
Сообщение от tto4ka Посмотреть сообщение
И с разрешением на ней беда.... в этом контроллере нет разрешения 1024х600, а это надо программатор, а это еще 35 баксов
одна или две распространеннейшие микросхемы и программатор от Postal2 готов...
mitsubi вне форума   Ответить с цитированием
Старый 29.07.2013, 00:09   #33
Albert.comp
Старший Пользователь
 
Аватар для Albert.comp
 
Регистрация: 27.12.2006
Возраст: 54
Город: Нижний Новгород
Регион: 52
Машина: Wolksvagen Jetta, Toyota Matrix
Сообщений: 495
Albert.comp has a spectacular aura aboutAlbert.comp has a spectacular aura about
По умолчанию

Цитата:
Сообщение от fedos Посмотреть сообщение
Парни, а можно просто без регулировок увеличить ток, а то днем плохо видно, так все устраивает по цветам и разрешение. Матрица ZJ080NA-08A и контролер китайский RL2660 вроде.
А можно нижний правый угол покрупнее. Не пойму на чем сделано питание подсветки. И если можно, показать что под дросселем.
__________________
ATOM525 GA-D525TUD, 160Gx2.5, моник 800х600 тач, GPS18USB, Питание I1-ATX собственная разработка + разобранная клава + контроллер управления + 2 усилка
Проект Matrix
Albert.comp вне форума   Ответить с цитированием
Старый 29.07.2013, 01:28   #34
tto4ka
Пользователь
 
Регистрация: 29.11.2011
Возраст: 45
Город: Москва
Регион: 77, 97, 99, 177
Машина: Lexus RX300
Сообщений: 87
tto4ka is on a distinguished road
По умолчанию

Цитата:
Сообщение от mitsubi Посмотреть сообщение
одна или две распространеннейшие микросхемы и программатор от Postal2 готов...
А где схему посмотреть можно?
tto4ka вне форума   Ответить с цитированием
Старый 29.07.2013, 01:31   #35
mitsubi
Старший Пользователь
 
Регистрация: 23.04.2012
Регион: 77, 97, 99, 177
Сообщений: 412
mitsubi is a jewel in the roughmitsubi is a jewel in the roughmitsubi is a jewel in the roughmitsubi is a jewel in the rough
По умолчанию

Цитата:
Сообщение от tto4ka Посмотреть сообщение
А где схему посмотреть можно?
либо на форумах у самого Postal2-а, либо где-то здесь MiD_E34 выкладывал... попробую поискать, если найду, скину ссылку...
mitsubi вне форума   Ответить с цитированием
Старый 29.07.2013, 01:34   #36
mitsubi
Старший Пользователь
 
Регистрация: 23.04.2012
Регион: 77, 97, 99, 177
Сообщений: 412
mitsubi is a jewel in the roughmitsubi is a jewel in the roughmitsubi is a jewel in the roughmitsubi is a jewel in the rough
По умолчанию

Цитата:
Сообщение от tto4ka Посмотреть сообщение
А где схему посмотреть можно?
http://remont-aud.net/forum/90-18078-1
mitsubi вне форума   Ответить с цитированием
Старый 29.07.2013, 01:41   #37
mitsubi
Старший Пользователь
 
Регистрация: 23.04.2012
Регион: 77, 97, 99, 177
Сообщений: 412
mitsubi is a jewel in the roughmitsubi is a jewel in the roughmitsubi is a jewel in the roughmitsubi is a jewel in the rough
По умолчанию

Цитата:
Сообщение от tto4ka Посмотреть сообщение
А где схему посмотреть можно?
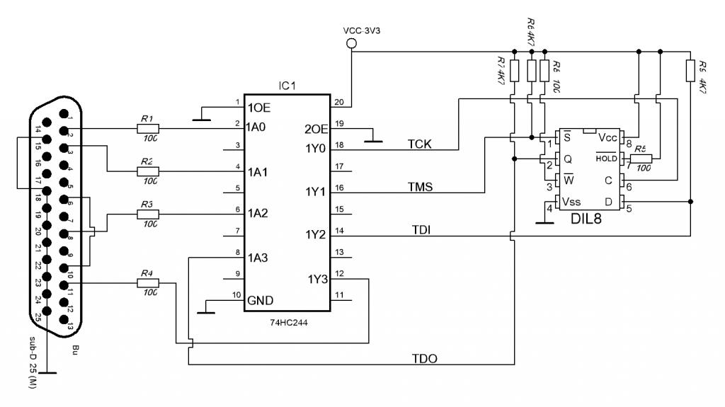
нашлась схемка
Миниатюры
Нажмите на изображение для увеличения
Название: programmator JTAG.jpg
Просмотров: 5439
Размер:	52.1 Кб
ID:	32114  
mitsubi вне форума   Ответить с цитированием
Старый 29.07.2013, 14:18   #38
Redbiz
Старший Пользователь
 
Аватар для Redbiz
 
Регистрация: 03.06.2009
Возраст: 48
Город: MO
Регион: 50, 90, 150
Машина: 1997 VAZ 21083
Сообщений: 219
Redbiz has a spectacular aura aboutRedbiz has a spectacular aura about
Question

Цитата:
Сообщение от Albert.**** Посмотреть сообщение
Продолжаем, ... ковырять матрицу. Подобрал я все таки подходящий драйвер для LED подсветки! Пробовал разные варианты.
Стоит там MBI6651. Работает просто супер. Почти неизменный ток от 9.5 до 30в. Больше не давал. Резистором можно подобрать ток - я поставил примерно 0.4 ома. Получилось 220 мА.
Просветите, пожалуйста, ибо в диодах я полный нуб... Вот например в спецификации матрицы для диодной подсветки указано: напряжение 10v ток 350мА. Как правильно подключить драйвер, что бы ничего не погорело? Правильно ли я понимаю, что на LED-драйвер нужно подать стабилизированные 10v, а драйвер будет стабилизировать (ограничивать) ток до требуемых 350мА? Или можно подавать напряжение, как Вы пишете, от 9.5 до 30в, а за счет стабилизации тока диоды и так не сгорят? Сорри за ламерские вопросы, самому стыдно
Redbiz вне форума   Ответить с цитированием
Старый 29.07.2013, 17:52   #39
tto4ka
Пользователь
 
Регистрация: 29.11.2011
Возраст: 45
Город: Москва
Регион: 77, 97, 99, 177
Машина: Lexus RX300
Сообщений: 87
tto4ka is on a distinguished road
По умолчанию

Драйвер это по сути и есть стабилизатор, т.е. вход разный 9.5-30в а выход всегда один (ну в теории, на практике немного ездит но не смертельно)
tto4ka вне форума   Ответить с цитированием
Старый 19.09.2013, 22:18   #40
Albert.comp
Старший Пользователь
 
Аватар для Albert.comp
 
Регистрация: 27.12.2006
Возраст: 54
Город: Нижний Новгород
Регион: 52
Машина: Wolksvagen Jetta, Toyota Matrix
Сообщений: 495
Albert.comp has a spectacular aura aboutAlbert.comp has a spectacular aura about
По умолчанию

Случилась неприятность с контроллером - пропала память состояний и автокалибровка. Как выяснилось нарушилась часть данных в EPROM, наверно из за перебоев по питанию.

Спасибо "mitsubi" - помог восстановить работоспособность.
Вот прошивка которую он помог восстановить.
Вложения
Тип файла: rar VS-TY50-V1 On RTD2660 first40000.rar (62.0 Кб, 855 просмотров)
__________________
ATOM525 GA-D525TUD, 160Gx2.5, моник 800х600 тач, GPS18USB, Питание I1-ATX собственная разработка + разобранная клава + контроллер управления + 2 усилка
Проект Matrix
Albert.comp вне форума   Ответить с цитированием
Ответ


Здесь присутствуют: 1 (пользователей: 0 , гостей: 1)
 
Опции темы Поиск в этой теме
Поиск в этой теме:

Расширенный поиск

Ваши права в разделе
Вы не можете создавать новые темы
Вы не можете отвечать в темах
Вы не можете прикреплять вложения
Вы не можете редактировать свои сообщения

BB коды Вкл.
Смайлы Вкл.
[IMG] код Вкл.
HTML код Выкл.



Часовой пояс GMT +4, время: 10:21.


Работает на vBulletin® версия 3.8.4.
Copyright ©2000 - 2026, Jelsoft Enterprises Ltd.
Перевод: zCarot