PCCar.ru - Ваш автомобильный компьютер

Вернуться   PCCar.ru - Ваш автомобильный компьютер > MP3Car ТехИнфа > Блоки питания > Разное

Ответ
 
Опции темы Поиск в этой теме
Старый 10.10.2012, 16:17   #1
Winlin
Старший Пользователь
 
Регистрация: 19.11.2009
Возраст: 53
Регион: 54
Сообщений: 308
Winlin is on a distinguished road
По умолчанию Коммутация БП

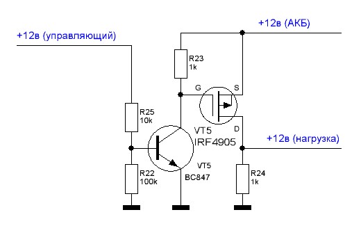
Как и чем коммутировать цепь от аккумулятора до БП, кроме СИЛОВОЙ кнопки с фиксацией?
Надо реализовать коммутацию малоточной кнопкой силовой шины от акб до бп. Если ставить тупо реле, то оно будет выедать АКБ пока включено.
Хотел тиристор в разрыв цепи поставить, на нем много падать будет. Мосфет в рызрыв не придумал как ставить, ведь наряжения на входе и выходе одинаковые на затворе тоже только +12, а надо по крайней мере на 5 в больше.


АКБ--------| ключ|-------М2-АТХ
кнопка -------|

Кнопка соответствено умеет рзамыкать/замыкать 12в АКБ
вот на чем сделать ключ, чтобы он не потреблял электричество (ну или не больше 5-10мА)?
__________________
HONDA CR-V все сделано в 1.5 Din корпусе
MSI H61I-E35/Pentium G2030T/4Gb/M4-CT128M4SSD2/8"монитор/Wi-Fi/Bluetooth/усилитель MiniQuad 4х50 + конвертер SPDIF>аналог/m2-atx/HD RADIO DMHD1000I/Logitech QuickCam Pro 9000...Win7 prof
Winlin вне форума   Ответить с цитированием
Старый 10.10.2012, 20:10   #2
flymouse
Старший Пользователь
 
Регистрация: 27.03.2011
Регион: 78, 98
Сообщений: 98
flymouse will become famous soon enoughflymouse will become famous soon enough
По умолчанию

P-канальный полевой транзистор
flymouse вне форума   Ответить с цитированием
Старый 10.10.2012, 21:44   #3
Alex-L
Moderator
 
Аватар для Alex-L
 
Регистрация: 23.03.2008
Возраст: 54
Город: Москва, Нагорная
Регион: 77, 97, 99, 177
Машина: Mitsubishi Lancer-X
Сообщений: 2,096
Alex-L is a splendid one to beholdAlex-L is a splendid one to beholdAlex-L is a splendid one to beholdAlex-L is a splendid one to beholdAlex-L is a splendid one to beholdAlex-L is a splendid one to beholdAlex-L is a splendid one to behold
По умолчанию

Вот так можно
Миниатюры
Нажмите на изображение для увеличения
Название: 1.JPG
Просмотров: 1101
Размер:	21.3 Кб
ID:	28092  
Alex-L вне форума   Ответить с цитированием
Старый 11.10.2012, 05:42   #4
Winlin
Старший Пользователь
 
Регистрация: 19.11.2009
Возраст: 53
Регион: 54
Сообщений: 308
Winlin is on a distinguished road
По умолчанию

а упростить можно? и еще резисторы на сколько можно увеличить?
ключ будет открыт 95% времени. Выключаться только в мороз и сервис, ну и иногда ьывает надо просто снять питание с м2-АТХ , чтобы УСБ блютус подключился. (бывает отваливается от системы, пока не передеонешь не находится, а т.к. у меня все внутри панели, разбрать не охота, приходится выдергивать предохранитель под капотом в линии питания м2-АТХ), а так можно кнопкой их салона передернуть.
Миниатюры
Нажмите на изображение для увеличения
Название: 1.JPG
Просмотров: 1358
Размер:	18.0 Кб
ID:	28100  
__________________
HONDA CR-V все сделано в 1.5 Din корпусе
MSI H61I-E35/Pentium G2030T/4Gb/M4-CT128M4SSD2/8"монитор/Wi-Fi/Bluetooth/усилитель MiniQuad 4х50 + конвертер SPDIF>аналог/m2-atx/HD RADIO DMHD1000I/Logitech QuickCam Pro 9000...Win7 prof
Winlin вне форума   Ответить с цитированием
Старый 11.10.2012, 10:32   #5
flymouse
Старший Пользователь
 
Регистрация: 27.03.2011
Регион: 78, 98
Сообщений: 98
flymouse will become famous soon enoughflymouse will become famous soon enough
По умолчанию

R23 больше чем 10Ком не рекомендую ставить. Из опыта использования знаю, некоторые транзисторы не полностью открываются.
flymouse вне форума   Ответить с цитированием
Ответ


Здесь присутствуют: 1 (пользователей: 0 , гостей: 1)
 
Опции темы Поиск в этой теме
Поиск в этой теме:

Расширенный поиск

Ваши права в разделе
Вы не можете создавать новые темы
Вы не можете отвечать в темах
Вы не можете прикреплять вложения
Вы не можете редактировать свои сообщения

BB коды Вкл.
Смайлы Вкл.
[IMG] код Вкл.
HTML код Выкл.



Часовой пояс GMT +4, время: 01:34.


Работает на vBulletin® версия 3.8.4.
Copyright ©2000 - 2026, Jelsoft Enterprises Ltd.
Перевод: zCarot