PCCar.ru - Ваш автомобильный компьютер

Вернуться   PCCar.ru - Ваш автомобильный компьютер > MP3Car ТехИнфа > Блоки питания > Разное

Ответ
 
Опции темы Поиск в этой теме
Старый 24.09.2011, 15:47   #1341
DGR911
Новый Пользователь
 
Регистрация: 24.09.2011
Возраст: 35
Регион: 01
Сообщений: 2
DGR911 is on a distinguished road
По умолчанию

у когонибудь есть простая статья где пошагово написано как переделать Бп 220 в 12?
DGR911 вне форума   Ответить с цитированием
Старый 24.09.2011, 16:48   #1342
change
Старший Пользователь
 
Аватар для change
 
Регистрация: 09.06.2009
Возраст: 59
Город: Моск.обл
Регион: 50, 90, 150
Машина: HONDA CR-V 1998г
Сообщений: 436
change is on a distinguished road
По умолчанию

если почитаешь с первой страницы,найдёшь,люди писали маленькие мануальчики по поводу переделки с "0".
__________________

интересное
change вне форума   Ответить с цитированием
Старый 27.09.2011, 06:03   #1343
Lexa-rebriha
Пользователь
 
Аватар для Lexa-rebriha
 
Регистрация: 21.06.2009
Возраст: 40
Город: Белокуриха
Регион: 22
Машина: продал
Сообщений: 46
Lexa-rebriha is on a distinguished road
По умолчанию

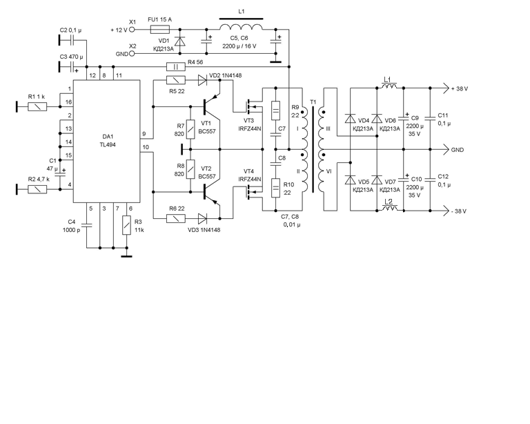
Вот схема то чего я собрал ...
__________________


Lexa-rebriha вне форума   Ответить с цитированием
Старый 27.09.2011, 11:41   #1344
korozub
Старший Пользователь
 
Регистрация: 03.05.2011
Возраст: 37
Город: Краснодар
Регион: 23, 93
Машина: BMW 525 E60
Сообщений: 160
korozub is on a distinguished road
По умолчанию

1) IRF530 всего 14А держат, этого мало, поставь IRF3205, они до 110 держат (если верить даташиту)
2) Выкини транзисторы которые стоят по затворам полевиков, они не обеспечивают быстры разряд затворной емкости. Затворы транзисторов через резисторы по 50 ом подключи к 9 и 10 ногам. Так же резисторами по 200 ом зашунтируй затвор-исток каждого ключа и будет работать.
__________________
Машина продана вместе с компом
korozub вне форума   Ответить с цитированием
Старый 27.09.2011, 13:01   #1345
Vladget
Moderator
 
Регистрация: 04.04.2009
Возраст: 69
Город: Краснодар
Регион: 23, 93
Машина: HONDA CR-V-08
Сообщений: 3,129
Vladget is a splendid one to beholdVladget is a splendid one to beholdVladget is a splendid one to beholdVladget is a splendid one to beholdVladget is a splendid one to beholdVladget is a splendid one to beholdVladget is a splendid one to behold
По умолчанию

Цитата:
Сообщение от Lexa-rebriha Посмотреть сообщение
Вот схема то чего я собрал ... :
Да транзисторы уж точно надо поменять если и будут работать то сильно греться при КПД=100% (чего не бывает) они максимально могут 168Ватт (12В*14А) а так я думаю без драйверов по МАХу ватт 120 будет. Можно по два (по три и т.д.) в плечо поставить если с деталями напряженка, то что korozub тебе написал здесь можно наглядно посмотреть http://www.pccar.ru/showthread.php?p=86678#post86678 правда сопротивления не 50 ом а 27 но это роли не играет
Vladget вне форума   Ответить с цитированием
Старый 27.09.2011, 19:29   #1346
change
Старший Пользователь
 
Аватар для change
 
Регистрация: 09.06.2009
Возраст: 59
Город: Моск.обл
Регион: 50, 90, 150
Машина: HONDA CR-V 1998г
Сообщений: 436
change is on a distinguished road
По умолчанию

для уточнения,IRF530 транзисторы норм,только на большой мощи греться будут,у них сопротивление большое 0.18 Ом,я ставил по два и работали хорошо.
в схеме небольшая неточность,если так и сделано ,то не правильно!




вот так правильно!!!!!
Миниатюры
Нажмите на изображение для увеличения
Название: Безымянный.png
Просмотров: 1842
Размер:	43.2 Кб
ID:	23725  
__________________

интересное
change вне форума   Ответить с цитированием
Старый 27.09.2011, 19:30   #1347
Lexa-rebriha
Пользователь
 
Аватар для Lexa-rebriha
 
Регистрация: 21.06.2009
Возраст: 40
Город: Белокуриха
Регион: 22
Машина: продал
Сообщений: 46
Lexa-rebriha is on a distinguished road
По умолчанию

В чем заключается не точность?
__________________


Lexa-rebriha вне форума   Ответить с цитированием
Старый 28.09.2011, 10:40   #1348
Vladget
Moderator
 
Регистрация: 04.04.2009
Возраст: 69
Город: Краснодар
Регион: 23, 93
Машина: HONDA CR-V-08
Сообщений: 3,129
Vladget is a splendid one to beholdVladget is a splendid one to beholdVladget is a splendid one to beholdVladget is a splendid one to beholdVladget is a splendid one to beholdVladget is a splendid one to beholdVladget is a splendid one to behold
По умолчанию

для начала просто выкинь все что перед полевиком т.е. сделай то что тебе выше korozub написал если заработает тогда если будет желание делай по схеме change, так будет проще.
Vladget вне форума   Ответить с цитированием
Старый 28.09.2011, 15:17   #1349
korozub
Старший Пользователь
 
Регистрация: 03.05.2011
Возраст: 37
Город: Краснодар
Регион: 23, 93
Машина: BMW 525 E60
Сообщений: 160
korozub is on a distinguished road
По умолчанию

Вот эта схема уже больше на правду похожа. Насчет IRF530 никто не спорит что это хорошие транзисторы, просто IRF3205 мощнее и если их поставить в пару то до 4-5 ампер нагрев будет незначительный, правда только если с драйвером.
__________________
Машина продана вместе с компом
korozub вне форума   Ответить с цитированием
Старый 04.10.2011, 22:57   #1350
DRONN
Новый Пользователь
 
Регистрация: 30.09.2011
Возраст: 50
Регион: 47
Сообщений: 2
DRONN is on a distinguished road
По умолчанию

господа, поможИте чем можИте

я на 68 странице

где то читал, что можно без перемотки, но со вторым трансом....

маркировка на микрухах:
1. КА7500В
2. LM339N

на плате microlab 5400M-1.

мош чего подскажите....а я пока дочитывать пошол
Миниатюры
Нажмите на изображение для увеличения
Название: 1.jpg
Просмотров: 1105
Размер:	64.1 Кб
ID:	23841   Нажмите на изображение для увеличения
Название: 2.jpg
Просмотров: 893
Размер:	98.3 Кб
ID:	23842  
DRONN вне форума   Ответить с цитированием
Ответ


Здесь присутствуют: 1 (пользователей: 0 , гостей: 1)
 
Опции темы Поиск в этой теме
Поиск в этой теме:

Расширенный поиск

Ваши права в разделе
Вы не можете создавать новые темы
Вы не можете отвечать в темах
Вы не можете прикреплять вложения
Вы не можете редактировать свои сообщения

BB коды Вкл.
Смайлы Вкл.
[IMG] код Вкл.
HTML код Выкл.



Часовой пояс GMT +4, время: 06:40.


Работает на vBulletin® версия 3.8.4.
Copyright ©2000 - 2026, Jelsoft Enterprises Ltd.
Перевод: zCarot