PCCar.ru - Ваш автомобильный компьютер

Вернуться   PCCar.ru - Ваш автомобильный компьютер > MP3Car ТехИнфа > Блоки питания > Разное

Ответ
 
Опции темы Поиск в этой теме
Старый 20.07.2011, 23:42   #1141
change
Старший Пользователь
 
Аватар для change
 
Регистрация: 09.06.2009
Возраст: 59
Город: Моск.обл
Регион: 50, 90, 150
Машина: HONDA CR-V 1998г
Сообщений: 436
change is on a distinguished road
По умолчанию

Цитата:
Сообщение от dvpresent Посмотреть сообщение
Верно, оказалось около 5 вольт на выходе мс. Поставил разделительные конденсаторы, поднял питание и все завелось, глюк пропал.
кондёры ваще то разделительные не ставят,будет затягивать фронты,будут греться транзисторы.
от этого избавляются так как в компьютерных блоках питания
__________________

интересное
change вне форума   Ответить с цитированием
Старый 27.07.2011, 15:15   #1142
Vlarim
Пользователь
 
Регистрация: 27.07.2011
Возраст: 43
Город: Кемерово
Регион: 42
Машина: Honda CR-V
Сообщений: 60
Vlarim is on a distinguished road
По умолчанию

Цитата:
Сообщение от under Посмотреть сообщение
Добрый день, форумчане.
Есть блок питания, фотки ниже, подскажите как переделать, ну или ткните носом туда, где это уже обсуждалось.
Эту тему пролистал всю, нигде не нашел вразумительной схемы переделки 3528
Добрый день!
Собрал ПК. Работает от инвертора - плохой вариант.
Есть два блока FSP-ATX350 на 3528, на сколько я понимаю это аналог SG6105
Т.е. можно переделать по схеме http://www.pccar.ru/attachment.php?a...7&d=1254079007 только не указаны номеналы R3 и R4, а так же название VT1 и VT2.
http://www.data-chip.ru/download.php?id=2211 - судя по этому OP1 и OP2 на 19 и 20 ногах, а дальше?
могу фото выложить, но они такие же как и в тысячном посте http://www.pccar.ru/showpost.php?p=1...postcount=1000
Трансформатор хотел наматать на кольце, чтобы не переделывать, но на 115 страницах бегло, в основном как переделать родной транс.

Последний раз редактировалось Vlarim; 27.07.2011 в 22:26.
Vlarim вне форума   Ответить с цитированием
Старый 28.07.2011, 12:52   #1143
Vlarim
Пользователь
 
Регистрация: 27.07.2011
Возраст: 43
Город: Кемерово
Регион: 42
Машина: Honda CR-V
Сообщений: 60
Vlarim is on a distinguished road
По умолчанию

Чет тихо как то сдесь, пять лет назад больше народа интересовала эта ветка.
Еще порыл, нашел нашел блок ISO-500PP на КА7500С TPS3510P
Т.е. переделывается по схеме "МегаФак или 20 шагов к счастью".
требуется 2 шт IRFZ44, 2 шт 15Ом, 2 шт 200Ом
схема http://heohka.chat.ru/shema.JPG
надеюсь, что все так. А трансформатор как и раньше хотел намотать на кольце,
вот как вкючен трансформатор http://files.mail.ru/8PTJHK
может кто подскажет как правильно это сделать.
Vlarim вне форума   Ответить с цитированием
Старый 28.07.2011, 22:00   #1144
change
Старший Пользователь
 
Аватар для change
 
Регистрация: 09.06.2009
Возраст: 59
Город: Моск.обл
Регион: 50, 90, 150
Машина: HONDA CR-V 1998г
Сообщений: 436
change is on a distinguished road
По умолчанию

ты какую то мелкосхему нашёл заковыристую,уж переделывал бы из чего попроще,из старого бп
__________________

интересное
change вне форума   Ответить с цитированием
Старый 28.07.2011, 22:09   #1145
Vlarim
Пользователь
 
Регистрация: 27.07.2011
Возраст: 43
Город: Кемерово
Регион: 42
Машина: Honda CR-V
Сообщений: 60
Vlarim is on a distinguished road
По умолчанию

Добрый вечер!
3 день кручу БП, вроде все похоже на стандатные схемы TL494. Много написано вроде врубился. Пока выпаивать ничего не буду, на БП 4 кондера вздутых, поменяю, замерю сколько потебляет, в нагрузку 2 винта повешаю, чтобы было потом с чем савнивать. Транс переделать не проблема, но есть процент что сломаю, а второго нету, поэтому хочу намотать на кольце. Есть М2000НМ 40х25, в пинципе другой достать не проблема, но тут (уже на 4 раз перечитываю 115 страниц) мелькало но без подробностей.
Vlarim вне форума   Ответить с цитированием
Старый 29.07.2011, 09:45   #1146
change
Старший Пользователь
 
Аватар для change
 
Регистрация: 09.06.2009
Возраст: 59
Город: Моск.обл
Регион: 50, 90, 150
Машина: HONDA CR-V 1998г
Сообщений: 436
change is on a distinguished road
По умолчанию

транс не сломаешь если не будешь его полностью разбирать,вынь обмотки и наматывай.
я так делал,не раз ничего не сломал,да и витков не много,не трудно
__________________

интересное
change вне форума   Ответить с цитированием
Старый 29.07.2011, 12:11   #1147
Vlarim
Пользователь
 
Регистрация: 27.07.2011
Возраст: 43
Город: Кемерово
Регион: 42
Машина: Honda CR-V
Сообщений: 60
Vlarim is on a distinguished road
По умолчанию

Размотал без разборки -22 витка, еще таким же проводом есть первика, а так же более тонким проводом, т.е 3 обмотки.
Намотаю 4 витка в 2 провода 1мм
Vlarim вне форума   Ответить с цитированием
Старый 29.07.2011, 13:36   #1148
change
Старший Пользователь
 
Аватар для change
 
Регистрация: 09.06.2009
Возраст: 59
Город: Моск.обл
Регион: 50, 90, 150
Машина: HONDA CR-V 1998г
Сообщений: 436
change is on a distinguished road
По умолчанию

сматывай всё!
и мотай первичка 6+6, вторичка 8+6+6+8
__________________

интересное
change вне форума   Ответить с цитированием
Старый 29.07.2011, 15:03   #1149
Vlarim
Пользователь
 
Регистрация: 27.07.2011
Возраст: 43
Город: Кемерово
Регион: 42
Машина: Honda CR-V
Сообщений: 60
Vlarim is on a distinguished road
По умолчанию

А, я уже намотал 4+4 и все покрасил.
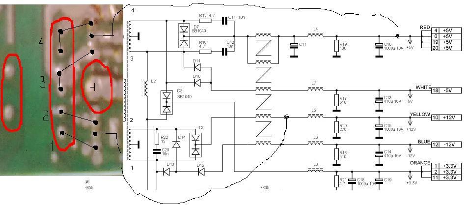
получилась схемка в приложении, линиями с катинки на схему обозначено что с чем прозванитвается.
Получается надо мотать в четыре провода, первые два провода 6 витков на 1 и 2 ногу концы на землю(5В), вторыми двумя еще 2 витка и на 3 и 4 ногу, концы на землю (12В). - понимаю что неправильно. Читаю 115 страниц дальше, хотя щас размотаю, сделаю аналогично.
Миниатюры
Нажмите на изображение для увеличения
Название: схемка.JPG
Просмотров: 1644
Размер:	58.9 Кб
ID:	23127  

Последний раз редактировалось Vlarim; 31.07.2011 в 07:14.
Vlarim вне форума   Ответить с цитированием
Старый 29.07.2011, 17:24   #1150
Vlarim
Пользователь
 
Регистрация: 27.07.2011
Возраст: 43
Город: Кемерово
Регион: 42
Машина: Honda CR-V
Сообщений: 60
Vlarim is on a distinguished road
По умолчанию

Размотал по анологии сделал
Сверху предложенный вариант на предъидущей странице
На нижнем аналогия размотанному. Судя по схеме никакой разницы.
Получается беру 4 провода, припаиваю на 4, 6, 8, 9
далее мотаем 6 витков, два провода на массу (с ног 4 и 6), далее мотаем еще два витка (с ног 8 и 9) припаиваем на 5 и 7 ногу.
Изображения
 

Последний раз редактировалось Vlarim; 31.07.2011 в 07:15.
Vlarim вне форума   Ответить с цитированием
Ответ


Здесь присутствуют: 1 (пользователей: 0 , гостей: 1)
 
Опции темы Поиск в этой теме
Поиск в этой теме:

Расширенный поиск

Ваши права в разделе
Вы не можете создавать новые темы
Вы не можете отвечать в темах
Вы не можете прикреплять вложения
Вы не можете редактировать свои сообщения

BB коды Вкл.
Смайлы Вкл.
[IMG] код Вкл.
HTML код Выкл.



Часовой пояс GMT +4, время: 20:44.


Работает на vBulletin® версия 3.8.4.
Copyright ©2000 - 2026, Jelsoft Enterprises Ltd.
Перевод: zCarot