PCCar.ru - Ваш автомобильный компьютер

Вернуться   PCCar.ru - Ваш автомобильный компьютер > MP3Car ТехИнфа > Вопросы и ответы

Ответ
 
Опции темы Поиск в этой теме
Старый 14.04.2011, 10:05   #1
pasha344
Старший Пользователь
 
Регистрация: 23.02.2010
Возраст: 43
Город: Екатеринбург
Регион: 66, 96
Машина: TOYOTA Runx2003
Сообщений: 122
pasha344 is on a distinguished road
По умолчанию FM радио

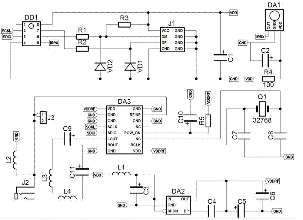
Вроде на форуме не видел про это кит разговоров . Кто что скажет насчет такого радио.
http://www.masterkit.ru/main/set.php?code_id=607729
Миниатюры
Нажмите на изображение для увеличения
Название: ma901.gif
Просмотров: 484
Размер:	47.8 Кб
ID:	21610  
__________________
Комп установлен -Intel510M, keys JNS,Monitor8", OBD,преобразователь для ноута 100W,центрифуга 3.1 ,IGO, TDA8571J.,GPS DIGMA M1
http://pccar.ru/showthread.php?p=154...d=1#post154857
pasha344 вне форума   Ответить с цитированием
Старый 14.04.2011, 10:26   #2
Gorynch
Старший Пользователь
 
Аватар для Gorynch
 
Регистрация: 22.04.2009
Возраст: 44
Город: Москва
Регион: 77, 97, 99, 177
Машина: 2005\Nissan\X-Trail
Сообщений: 775
Gorynch has a reputation beyond reputeGorynch has a reputation beyond reputeGorynch has a reputation beyond reputeGorynch has a reputation beyond reputeGorynch has a reputation beyond reputeGorynch has a reputation beyond reputeGorynch has a reputation beyond reputeGorynch has a reputation beyond repute
По умолчанию

мне кажется тот же Lart, вид сбоку

Цитата:
Схема радиоприёмника полностью цифровая (не содержит ни одного LC-контура!)
не думаю, что это плюс для автомобиля в движении
Gorynch вне форума   Ответить с цитированием
Старый 17.04.2011, 21:57   #3
@lex
Старший Пользователь
 
Регистрация: 20.01.2009
Возраст: 43
Город: Ульяновск
Регион: 73
Машина: 2008, Fiat Albea
Сообщений: 279
@lex has a spectacular aura about@lex has a spectacular aura about
По умолчанию

А как насчёт этих девайсов?
http://www.masterkit.ru/main/set.php?code_id=606073
http://www.masterkit.ru/main/set.php?code_id=665389
Пригоден для комутации автономного тюнера и писикара на один усилок?
@lex вне форума   Ответить с цитированием
Старый 17.04.2011, 22:20   #4
DismaL
Новый Пользователь
 
Регистрация: 21.12.2010
Возраст: 45
Город: НН
Регион: 52
Машина: Chevrolet Aveo II T-250
Сообщений: 8
DismaL is on a distinguished road
По умолчанию

вот еще машинка подобная мастеркиту
http://www.dealextreme.com/p/digital...-1-5-lcd-57557
цена похалявнее
__________________
Закуплено: Клон M4-ITX, 8" LCD Touch Monitor СVFQ-Е118, ZOTAC GF9300-G-E, GPS-BU-353, USB OBDII , Universal USB IR Remote Controller.
DismaL вне форума   Ответить с цитированием
Старый 18.04.2011, 00:16   #5
@lex
Старший Пользователь
 
Регистрация: 20.01.2009
Возраст: 43
Город: Ульяновск
Регион: 73
Машина: 2008, Fiat Albea
Сообщений: 279
@lex has a spectacular aura about@lex has a spectacular aura about
По умолчанию

Больше интересует не цена, а пригодность для использования в машине
@lex вне форума   Ответить с цитированием
Старый 18.04.2011, 20:48   #6
awtoap
Гуру
 
Аватар для awtoap
 
Регистрация: 19.09.2009
Возраст: 48
Город: Мелитополь
Регион: Украина
Сообщений: 2,022
awtoap is a splendid one to beholdawtoap is a splendid one to beholdawtoap is a splendid one to beholdawtoap is a splendid one to beholdawtoap is a splendid one to beholdawtoap is a splendid one to beholdawtoap is a splendid one to behold
По умолчанию

Возможно вполне пригодно...правда если управление этим прибамбасом сторонней программой устраивает(не фронтом), то почему бы и нет...
awtoap вне форума   Ответить с цитированием
Старый 20.04.2011, 14:43   #7
spol81
Старший Пользователь
 
Аватар для spol81
 
Регистрация: 01.10.2009
Возраст: 45
Город: Новосибирск
Регион: 54
Машина: 2002\Nissan\Sunny
Сообщений: 128
spol81 is on a distinguished road
По умолчанию

Ну что кто нибудь пробовал
__________________
DM 7035
Nissan Sunny 2002 SS
spol81 вне форума   Ответить с цитированием
Старый 26.04.2011, 14:55   #8
pasha344
Старший Пользователь
 
Регистрация: 23.02.2010
Возраст: 43
Город: Екатеринбург
Регион: 66, 96
Машина: TOYOTA Runx2003
Сообщений: 122
pasha344 is on a distinguished road
По умолчанию

нет , не пробовал .Вот думаю надо ли мне оно ......
__________________
Комп установлен -Intel510M, keys JNS,Monitor8", OBD,преобразователь для ноута 100W,центрифуга 3.1 ,IGO, TDA8571J.,GPS DIGMA M1
http://pccar.ru/showthread.php?p=154...d=1#post154857
pasha344 вне форума   Ответить с цитированием
Ответ


Здесь присутствуют: 1 (пользователей: 0 , гостей: 1)
 
Опции темы Поиск в этой теме
Поиск в этой теме:

Расширенный поиск

Ваши права в разделе
Вы не можете создавать новые темы
Вы не можете отвечать в темах
Вы не можете прикреплять вложения
Вы не можете редактировать свои сообщения

BB коды Вкл.
Смайлы Вкл.
[IMG] код Вкл.
HTML код Выкл.



Часовой пояс GMT +4, время: 14:37.


Работает на vBulletin® версия 3.8.4.
Copyright ©2000 - 2026, Jelsoft Enterprises Ltd.
Перевод: zCarot