PCCar.ru - Ваш автомобильный компьютер

Вернуться   PCCar.ru - Ваш автомобильный компьютер > MP3Car ТехИнфа > Блоки питания > Самодельные блоки питания

Ответ
 
Опции темы Поиск в этой теме
Старый 24.03.2011, 21:46   #241
Papirus
Новый Пользователь
 
Регистрация: 11.12.2010
Регион: 70
Сообщений: 3
Papirus is on a distinguished road
По умолчанию

Алексей спасибо большое за блок! Извиняюсь что долго не отписывался, не было времени заниматься компьютером. Доделал корпус подключил всё на столе от аккумулятора всё работает, правда греется как мне показалось неслабо. Как дело обстоит с производством, возможно будут желающие купить несколько блоков?
Papirus вне форума   Ответить с цитированием
Старый 30.03.2011, 18:23   #242
БАЛУ
Старший Пользователь
 
Регистрация: 09.05.2009
Город: ТОМСК
Регион: 78, 98
Сообщений: 143
БАЛУ is on a distinguished road
По умолчанию

а какова конфигурация компа и какой именно узел греется
БАЛУ вне форума   Ответить с цитированием
Старый 30.03.2011, 21:49   #243
flymouse
Старший Пользователь
 
Регистрация: 27.03.2011
Регион: 78, 98
Сообщений: 98
flymouse will become famous soon enoughflymouse will become famous soon enough
По умолчанию

Балу, а может я что плохо помню, но кажется Push-Pull не обладает такими чудесными свойствами, как двух или трёх кратный диапазон входных напряжений, в отличии от flyback? Тут заявлено питание 6~24V я бы сказал что для подобной схемы справедливо будет диапазон 10~16V ? Иначе будут проблемы с регулированием и температурой полевых ключей... Но опять же, может быть я что упустил...

P.S. по поводу "дежурки". Годы поиска вариантов (для похожего применения) вывели на мысль что легендарная UC3843 с грамотной разводкой и полевиком в корпусе D-PAK - лучшее соотношение цена-качество.
flymouse вне форума   Ответить с цитированием
Старый 31.03.2011, 09:11   #244
БАЛУ
Старший Пользователь
 
Регистрация: 09.05.2009
Город: ТОМСК
Регион: 78, 98
Сообщений: 143
БАЛУ is on a distinguished road
По умолчанию

по схеме варианты исполнения у меня были 10-18v и 20-28v (решается намоткой трансов) про мега исполнение 6-24v я вроде не говорил .
в дежурке D-PAK поставить можно совершенно точно , да и в силовой схеме тоже (хотя не пробывал )не так уж они греются мосты греются гораздо заметней особенно 12v.
БАЛУ вне форума   Ответить с цитированием
Старый 31.03.2011, 09:48   #245
flymouse
Старший Пользователь
 
Регистрация: 27.03.2011
Регион: 78, 98
Сообщений: 98
flymouse will become famous soon enoughflymouse will become famous soon enough
По умолчанию

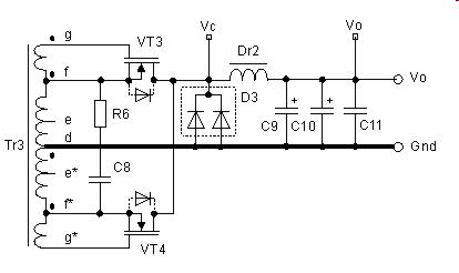
Как ярый борец за эффективность, давненько нарыл такую схемку синхронного выпрямителя без сложного контроллера. Но никак не проверю как работает ибо надо мотатьт ранс, а преобразователи с трансами несколько лет как не делаю .

Оригинал статьи
Миниатюры
Нажмите на изображение для увеличения
Название: Synchronous rectifier.jpg
Просмотров: 1269
Размер:	14.4 Кб
ID:	21360  
flymouse вне форума   Ответить с цитированием
Старый 31.03.2011, 10:16   #246
БАЛУ
Старший Пользователь
 
Регистрация: 09.05.2009
Город: ТОМСК
Регион: 78, 98
Сообщений: 143
БАЛУ is on a distinguished road
По умолчанию

схема из (Импульсный БП на силовых ПТ мощностью 250 Вт) прикольная но получается жутко сложный транс собирал на ток 10а 13.2в транзюки да не греются(слабо) сильнее греется обратный диод и сердечник дросселя . Пускать такую схему в бп компа .....
БАЛУ вне форума   Ответить с цитированием
Старый 31.03.2011, 10:18   #247
flymouse
Старший Пользователь
 
Регистрация: 27.03.2011
Регион: 78, 98
Сообщений: 98
flymouse will become famous soon enoughflymouse will become famous soon enough
По умолчанию

Да я имею ввиду выходную часть с полевиками вместо диодов! Саму часть синхронного выпрямления, которую я вставил картинкой. Входная часть не изменится.

Интересно, накопал много схем, но как бы сказать... на 10А - не должно сильно греться. Значит там схема всё-таки кривая. Нужен правильный драйвер полевиков синхронных. Подумаю как можно сделать...
flymouse вне форума   Ответить с цитированием
Старый 31.03.2011, 10:34   #248
БАЛУ
Старший Пользователь
 
Регистрация: 09.05.2009
Город: ТОМСК
Регион: 78, 98
Сообщений: 143
БАЛУ is on a distinguished road
По умолчанию

схема не кривая просто в затвор нужно добавить резюк и стабилитрон на ограничение напруги 13.2в доп обмотки должны обеспечить 12в на затворе для открывания. Есть такие транзюки irl2905 им достаточно будет 4в.В любом случае схема будет сложнее двух диодов и при моще ниже 150вт будет неоправданно дорого.
БАЛУ вне форума   Ответить с цитированием
Старый 31.03.2011, 10:44   #249
flymouse
Старший Пользователь
 
Регистрация: 27.03.2011
Регион: 78, 98
Сообщений: 98
flymouse will become famous soon enoughflymouse will become famous soon enough
По умолчанию

А можно ещё глупый вопрос по теме? Зачем полная гальваническая развязка всего блока? Зачем отвязывать массу входа и выхода. Понимаю в сетевом блоке питания. Но не будут ли бегать лишние токи между этими массами, когда, скажем, подключаешь монитор, или другие девайсы, которые минусом прикручены к массе?
flymouse вне форума   Ответить с цитированием
Старый 31.03.2011, 10:50   #250
БАЛУ
Старший Пользователь
 
Регистрация: 09.05.2009
Город: ТОМСК
Регион: 78, 98
Сообщений: 143
БАЛУ is on a distinguished road
По умолчанию

нет полной гальванической развязки там нету масса земли входа и выхода одна развязка именно по плюсу
БАЛУ вне форума   Ответить с цитированием
Ответ

Метки
схема бп


Здесь присутствуют: 1 (пользователей: 0 , гостей: 1)
 
Опции темы Поиск в этой теме
Поиск в этой теме:

Расширенный поиск

Ваши права в разделе
Вы не можете создавать новые темы
Вы не можете отвечать в темах
Вы не можете прикреплять вложения
Вы не можете редактировать свои сообщения

BB коды Вкл.
Смайлы Вкл.
[IMG] код Вкл.
HTML код Выкл.



Часовой пояс GMT +4, время: 15:04.


Работает на vBulletin® версия 3.8.4.
Copyright ©2000 - 2026, Jelsoft Enterprises Ltd.
Перевод: zCarot