PCCar.ru - Ваш автомобильный компьютер

Вернуться   PCCar.ru - Ваш автомобильный компьютер > MP3Car ТехИнфа > Общение с машиной

Ответ
 
Опции темы Поиск в этой теме
Старый 17.02.2011, 00:24   #1
lsi_vbg
Пользователь
 
Аватар для lsi_vbg
 
Регистрация: 07.01.2010
Возраст: 46
Регион: 47
Сообщений: 54
lsi_vbg is on a distinguished road
По умолчанию подключение к диагностической колодке сразу нескольких приборов?

Приветствую всех форумчан очень нужен совет. Имею бортовой компьютер multitronics который работает от OBD теперь вот хочу подключить pc car к нему но не отключаяя mult a так же хочется чтобы сам разъем оставался свободным на случай проведения диагностики в сервисе. Подскажите пожайлуста как можно сделать подключение этого всего одновременно и что бы переключать сигнал с колодки путем переключателей. Во как завернул))))))))). извеняюсь за не грамотность.
lsi_vbg вне форума   Ответить с цитированием
Старый 17.02.2011, 02:43   #2
Gorynch
Старший Пользователь
 
Аватар для Gorynch
 
Регистрация: 22.04.2009
Возраст: 44
Город: Москва
Регион: 77, 97, 99, 177
Машина: 2005\Nissan\X-Trail
Сообщений: 775
Gorynch has a reputation beyond reputeGorynch has a reputation beyond reputeGorynch has a reputation beyond reputeGorynch has a reputation beyond reputeGorynch has a reputation beyond reputeGorynch has a reputation beyond reputeGorynch has a reputation beyond reputeGorynch has a reputation beyond repute
По умолчанию

Машина какая? Мультитроникс по can данные берёт или по obd?
На obd можно только одно устройство повесить одномоментно, потому как там двусторонний обмен

Если данные только из can шины, то можно несколько устройств

Если машина Audi а4 95г., то скорее всего там только obd, соот-но см. выше
Gorynch вне форума   Ответить с цитированием
Старый 18.02.2011, 00:18   #3
lsi_vbg
Пользователь
 
Аватар для lsi_vbg
 
Регистрация: 07.01.2010
Возраст: 46
Регион: 47
Сообщений: 54
lsi_vbg is on a distinguished road
По умолчанию

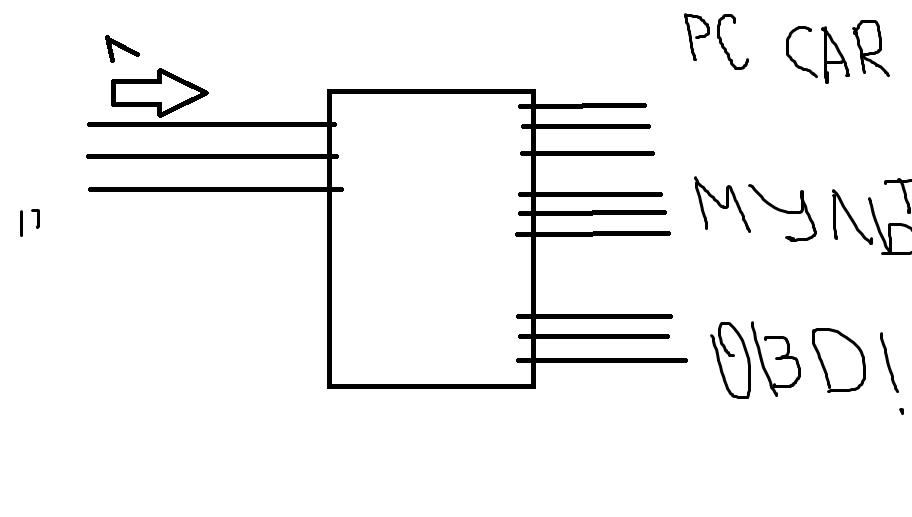
необятельно что бы они работали вмесме . я хочу просто поставить переключатель и что бы от надобности какого либо прибора просто нажимать на кнопку и пользоваться им.
Миниатюры
Нажмите на изображение для увеличения
Название: Безымянный5.png
Просмотров: 1311
Размер:	19.8 Кб
ID:	20632  
lsi_vbg вне форума   Ответить с цитированием
Старый 18.02.2011, 00:58   #4
Gorynch
Старший Пользователь
 
Аватар для Gorynch
 
Регистрация: 22.04.2009
Возраст: 44
Город: Москва
Регион: 77, 97, 99, 177
Машина: 2005\Nissan\X-Trail
Сообщений: 775
Gorynch has a reputation beyond reputeGorynch has a reputation beyond reputeGorynch has a reputation beyond reputeGorynch has a reputation beyond reputeGorynch has a reputation beyond reputeGorynch has a reputation beyond reputeGorynch has a reputation beyond reputeGorynch has a reputation beyond repute
По умолчанию

Я не уверен, что можно "на ходу" переключать разъём туда сюда ..
Gorynch вне форума   Ответить с цитированием
Старый 21.02.2011, 16:01   #5
Сергей147
Новый Пользователь
 
Регистрация: 03.11.2010
Регион: 77, 97, 99, 177
Машина: Hyundai Sonata
Сообщений: 4
Сергей147 is on a distinguished road
По умолчанию

lsi_vbg Присоединяюсь к вопросу! Точно такая же ситуация. А/м Хундай. Можно и не "на ходу" переключать, а после того как выключишь зажигание. Очень не хочется перетыкать туда сюда штекер.
Сергей147 вне форума   Ответить с цитированием
Старый 21.02.2011, 17:01   #6
Gorynch
Старший Пользователь
 
Аватар для Gorynch
 
Регистрация: 22.04.2009
Возраст: 44
Город: Москва
Регион: 77, 97, 99, 177
Машина: 2005\Nissan\X-Trail
Сообщений: 775
Gorynch has a reputation beyond reputeGorynch has a reputation beyond reputeGorynch has a reputation beyond reputeGorynch has a reputation beyond reputeGorynch has a reputation beyond reputeGorynch has a reputation beyond reputeGorynch has a reputation beyond reputeGorynch has a reputation beyond repute
По умолчанию

если не на ходу, тогда ставите тублер на соот-ие кол-во линий - и пользуютесь

кол-во линий зависит от того, нужна CAN шина или только OBD, распиновку можно найти в инете
Gorynch вне форума   Ответить с цитированием
Старый 05.03.2011, 14:59   #7
dimpap
Новый Пользователь
 
Регистрация: 05.03.2011
Регион: 77, 97, 99, 177
Машина: WV Bora 1.6 16V 2003
Сообщений: 1
dimpap is on a distinguished road
По умолчанию

Насколько я понимаю, в OBD надо коммутировать только седьмую и пятнадцатую ногу.. Остальное там питание и земля.

А вот в CAN придется с первой аж по 8ю включительно, и еще 10ю...
Хотя зависит от адаптера конечно,может стоит разобрать адаптер и посмотреть какие ножки задействованы именно у вас.

Горыныч, поправь если ошибаюсь.
dimpap вне форума   Ответить с цитированием
Ответ


Здесь присутствуют: 1 (пользователей: 0 , гостей: 1)
 
Опции темы Поиск в этой теме
Поиск в этой теме:

Расширенный поиск

Ваши права в разделе
Вы не можете создавать новые темы
Вы не можете отвечать в темах
Вы не можете прикреплять вложения
Вы не можете редактировать свои сообщения

BB коды Вкл.
Смайлы Вкл.
[IMG] код Вкл.
HTML код Выкл.



Часовой пояс GMT +4, время: 01:28.


Работает на vBulletin® версия 3.8.4.
Copyright ©2000 - 2026, Jelsoft Enterprises Ltd.
Перевод: zCarot