PCCar.ru - Ваш автомобильный компьютер

Вернуться   PCCar.ru - Ваш автомобильный компьютер > MP3Car ТехИнфа > Общение с машиной

Ответ
 
Опции темы Поиск в этой теме
Старый 03.02.2011, 13:07   #1331
klop-2
Старший Пользователь
 
Аватар для klop-2
 
Регистрация: 15.10.2008
Возраст: 58
Город: Старый Оскол
Регион: 31
Машина: TOYOTA COROLLA SPACIO NZE-121, 1nz-fe, 2002г.в..
Сообщений: 223
klop-2 will become famous soon enough
По умолчанию

Цитата:
Сообщение от andrusavto Посмотреть сообщение
........сейчас ищу как состряпать осц. на ПК........
- Былоб интересно увидеть Ваше решение задачи (покупные USB за 5-10 и более т.руб. не интересуют). Как-то (пять лет назад) пробовал через звуковую карту (хорошую) посредством софта... неа... идея для лямбда-зондов не подходящая.
klop-2 вне форума   Ответить с цитированием
Старый 03.02.2011, 13:23   #1332
andrusavto
Пользователь
 
Регистрация: 06.12.2010
Возраст: 61
Регион: 25
Машина: VISTA ARDEO
Сообщений: 95
andrusavto is on a distinguished road
По умолчанию

Цитата:
Сообщение от klop-2 Посмотреть сообщение
- Былоб интересно увидеть Ваше решение задачи (покупные USB за 5-10 и более т.руб. не интересуют). Как-то (пять лет назад) пробовал через звуковую карту (хорошую) посредством софта... неа... идея для лямбда-зондов не подходящая.
http://www.chipdip.ru/product/bm8020.aspx Djn levf. Вот думаю брать, гдет видал за 3000 полный комплект с щупами, а такой за 2500
andrusavto вне форума   Ответить с цитированием
Старый 03.02.2011, 13:23   #1333
klop-2
Старший Пользователь
 
Аватар для klop-2
 
Регистрация: 15.10.2008
Возраст: 58
Город: Старый Оскол
Регион: 31
Машина: TOYOTA COROLLA SPACIO NZE-121, 1nz-fe, 2002г.в..
Сообщений: 223
klop-2 will become famous soon enough
По умолчанию

Цитата:
Сообщение от ~aviator~ Посмотреть сообщение
........ подходящую у меня первая 3,3 Ома, а вторая около 14 Ом.........
- На Toyota`х ( не знаю как у Ваших бибик) это один из признаков, что это LEAN MIXTURE и OXYGEN - тоесть совершенно разные принципы работы, конечно можно и партнумбер посмотреть... если открутишь зонд...(сопротивление нагревателя OXYGEN 8-12 ом у LEAN MIXTURE 1,8-2,2ом.).
klop-2 вне форума   Ответить с цитированием
Старый 03.02.2011, 13:33   #1334
andrusavto
Пользователь
 
Регистрация: 06.12.2010
Возраст: 61
Регион: 25
Машина: VISTA ARDEO
Сообщений: 95
andrusavto is on a distinguished road
По умолчанию

Цитата:
Сообщение от klop-2 Посмотреть сообщение
- Былоб интересно увидеть Ваше решение задачи (покупные USB за 5-10 и более т.руб. не интересуют). Как-то (пять лет назад) пробовал через звуковую карту (хорошую) посредством софта... неа... идея для лямбда-зондов не подходящая.
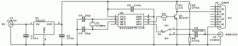
Вот чет нашел вместе с прогой
Миниатюры
Нажмите на изображение для увеличения
Название: 18992.gif
Просмотров: 932
Размер:	18.6 Кб
ID:	20254   Нажмите на изображение для увеличения
Название: 72320.jpg
Просмотров: 935
Размер:	41.3 Кб
ID:	20255   Нажмите на изображение для увеличения
Название: 53612.gif
Просмотров: 1160
Размер:	12.0 Кб
ID:	20256   Нажмите на изображение для увеличения
Название: 21631.jpg
Просмотров: 931
Размер:	72.5 Кб
ID:	20257  
andrusavto вне форума   Ответить с цитированием
Старый 03.02.2011, 13:38   #1335
lecsa
Старший Пользователь
 
Аватар для lecsa
 
Регистрация: 18.03.2010
Возраст: 49
Город: Азов
Регион: 61
Машина: Toyota-corolla/altis e121e 3zz-fe
Сообщений: 432
lecsa will become famous soon enough
По умолчанию

Цитата:
Сообщение от andrusavto Посмотреть сообщение
Вот и думаю как осц-грамму на экран монитора перевести
Ну вот схема чтоб на лучевом осцилле посмотреть (преобразователь ТОК в НАПРЯЖЕНИЕ). Если смотреть через звуковуху, то надо кандюки на входе закоротить. Лутьше использовать отдельнуб Б/У карту и ценой в 100 руб, если спалишь то хоть нежалко.

http://lib.qrz.ru/node/3813
lecsa вне форума   Ответить с цитированием
Старый 03.02.2011, 13:39   #1336
andrusavto
Пользователь
 
Регистрация: 06.12.2010
Возраст: 61
Регион: 25
Машина: VISTA ARDEO
Сообщений: 95
andrusavto is on a distinguished road
По умолчанию

Я на звуковой тож пробовал, она у меня переменку только видит, а вот это интересный вариант, там есть переключатель с переменки на постоянку
andrusavto вне форума   Ответить с цитированием
Старый 03.02.2011, 13:42   #1337
lecsa
Старший Пользователь
 
Аватар для lecsa
 
Регистрация: 18.03.2010
Возраст: 49
Город: Азов
Регион: 61
Машина: Toyota-corolla/altis e121e 3zz-fe
Сообщений: 432
lecsa will become famous soon enough
По умолчанию

Ооо.. И как это раборает? Прошивка есть? Как постояннку показывает? О_0?
lecsa вне форума   Ответить с цитированием
Старый 03.02.2011, 13:44   #1338
lecsa
Старший Пользователь
 
Аватар для lecsa
 
Регистрация: 18.03.2010
Возраст: 49
Город: Азов
Регион: 61
Машина: Toyota-corolla/altis e121e 3zz-fe
Сообщений: 432
lecsa will become famous soon enough
По умолчанию

Про переключатель -заметил..

Вообще, у меня есть вот такой, но честно, так себе... http://www.jais.ru/omc_20.html
и ТАКОЙ , правда глюковатый какой то.. http://www.eliks.ru/vp/index.php?SEC...EMENT_ID=26086

а вот широкополосника нет...
lecsa вне форума   Ответить с цитированием
Старый 03.02.2011, 13:47   #1339
andrusavto
Пользователь
 
Регистрация: 06.12.2010
Возраст: 61
Регион: 25
Машина: VISTA ARDEO
Сообщений: 95
andrusavto is on a distinguished road
По умолчанию

Цитата:
Сообщение от lecsa Посмотреть сообщение
Ооо.. И как это раборает? Прошивка есть? Как постояннку показывает? О_0?
Сам не знаю как работает, но прошивка там есть. вот выкладываю
Вложения
Тип файла: rar Осц.rar (151.1 Кб, 629 просмотров)
andrusavto вне форума   Ответить с цитированием
Старый 03.02.2011, 13:51   #1340
klop-2
Старший Пользователь
 
Аватар для klop-2
 
Регистрация: 15.10.2008
Возраст: 58
Город: Старый Оскол
Регион: 31
Машина: TOYOTA COROLLA SPACIO NZE-121, 1nz-fe, 2002г.в..
Сообщений: 223
klop-2 will become famous soon enough
По умолчанию

Цитата:
Сообщение от lecsa Посмотреть сообщение
........Если смотреть через звуковуху, то надо кандюки на входе закоротить.......
_- Это понятно (сразу видно, что Вы лямбда-зонд через звуковуху не смотрели - без обид!), там... это... синусоида... в общем карта расчитана на 10-50000 гц. (к примеру) и менее 10гц. уже будут искажения... для ЛЗ не подходит и близко в общем.
klop-2 вне форума   Ответить с цитированием
Ответ

Метки
диагностика jobd toyota


Здесь присутствуют: 1 (пользователей: 0 , гостей: 1)
 
Опции темы Поиск в этой теме
Поиск в этой теме:

Расширенный поиск

Ваши права в разделе
Вы не можете создавать новые темы
Вы не можете отвечать в темах
Вы не можете прикреплять вложения
Вы не можете редактировать свои сообщения

BB коды Вкл.
Смайлы Вкл.
[IMG] код Вкл.
HTML код Выкл.



Часовой пояс GMT +4, время: 10:27.


Работает на vBulletin® версия 3.8.4.
Copyright ©2000 - 2026, Jelsoft Enterprises Ltd.
Перевод: zCarot