PCCar.ru - Ваш автомобильный компьютер

Вернуться   PCCar.ru - Ваш автомобильный компьютер > MP3Car ТехИнфа > Блоки питания > CAR-ATX p4 (SL PSU)

Ответ
 
Опции темы Поиск в этой теме
Старый 20.08.2010, 18:22   #1341
Vladget
Moderator
 
Регистрация: 04.04.2009
Возраст: 69
Город: Краснодар
Регион: 23, 93
Машина: HONDA CR-V-08
Сообщений: 3,129
Vladget is a splendid one to beholdVladget is a splendid one to beholdVladget is a splendid one to beholdVladget is a splendid one to beholdVladget is a splendid one to beholdVladget is a splendid one to beholdVladget is a splendid one to behold
По умолчанию

Цитата:
Сообщение от Дакс Посмотреть сообщение
Хух... 134 страницы за 2 дня (рабочих дня) Остановился на схеме МАХа, вариант 2... Собираю детали в кучу
Да уж я на странице 80 в п.797 писал какие посты надо читать, остальное так себе дебаты, а выбор неплохой для начала, легко рисуется, травится, паяется, читается, если вопрос не стоит о размерах, для начала самое то! так что удачи!
Vladget вне форума   Ответить с цитированием
Старый 20.08.2010, 20:38   #1342
Дакс
Новый Пользователь
 
Регистрация: 20.08.2010
Возраст: 50
Город: Волжский, Волгоградской обл.
Регион: 34
Машина: Mitsubishi LX
Сообщений: 9
Дакс is on a distinguished road
По умолчанию

Спасибо за пожелания. Хотя трудности уже появляются - номиналы некоторых деталей уже непонятны Была бы не только печатка - было бы проще.
Дакс вне форума   Ответить с цитированием
Старый 20.08.2010, 21:35   #1343
Vladget
Moderator
 
Регистрация: 04.04.2009
Возраст: 69
Город: Краснодар
Регион: 23, 93
Машина: HONDA CR-V-08
Сообщений: 3,129
Vladget is a splendid one to beholdVladget is a splendid one to beholdVladget is a splendid one to beholdVladget is a splendid one to beholdVladget is a splendid one to beholdVladget is a splendid one to beholdVladget is a splendid one to behold
По умолчанию

Цитата:
Сообщение от Дакс Посмотреть сообщение
Спасибо за пожелания. Хотя трудности уже появляются - номиналы некоторых деталей уже непонятны Была бы не только печатка - было бы проще.
А что там не понятно? на форуме кроме схемы из первого поста есть схема (не помню автора ему отдельное спасибо) в которой есть все но только в первичке 2 полевика стоят если надо в 737 посте есть моя аська постучичь или в личку скажи куда выслать (она (схема) была в архиве bp1.rar)
Vladget вне форума   Ответить с цитированием
Старый 20.08.2010, 22:54   #1344
Дакс
Новый Пользователь
 
Регистрация: 20.08.2010
Возраст: 50
Город: Волжский, Волгоградской обл.
Регион: 34
Машина: Mitsubishi LX
Сообщений: 9
Дакс is on a distinguished road
По умолчанию

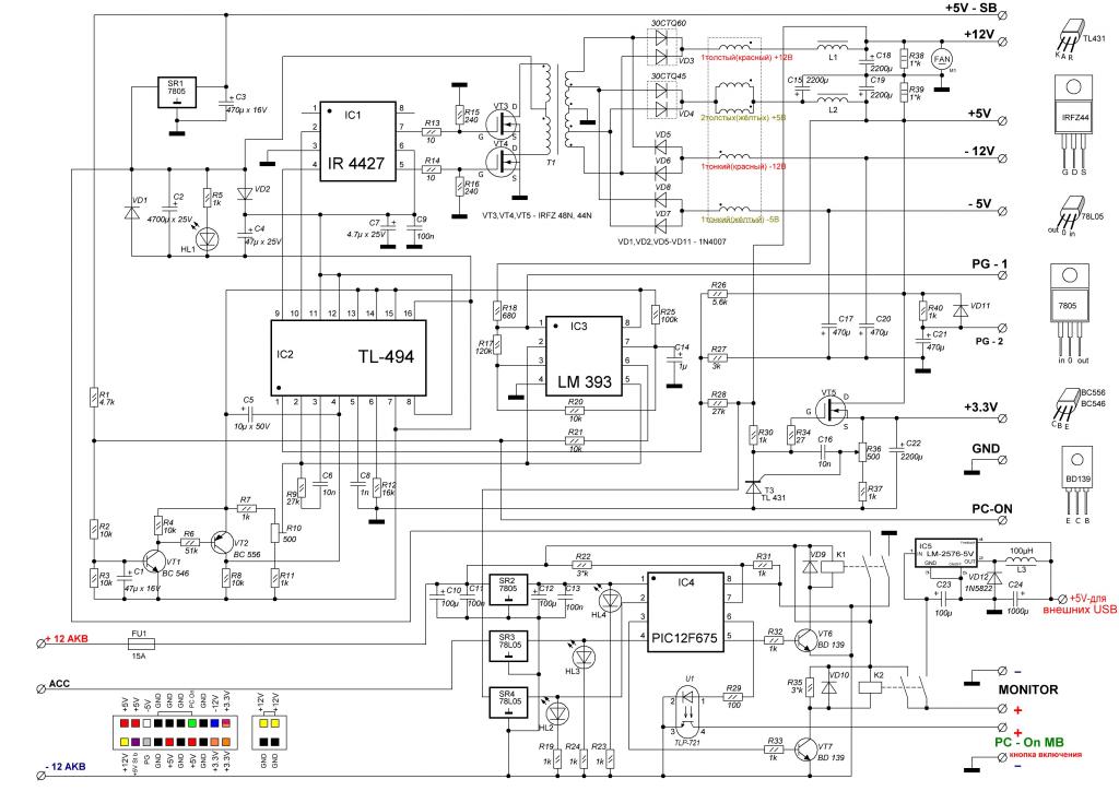
Спасибо за отклик... Просто перечитать осмысленно 135 (уже) страниц - непросто . Вроде нашёл самостоятельно. Это ж оно?
Миниатюры
Нажмите на изображение для увеличения
Название: BP1.jpg
Просмотров: 1807
Размер:	113.2 Кб
ID:	17991  
Дакс вне форума   Ответить с цитированием
Старый 20.08.2010, 23:15   #1345
Vladget
Moderator
 
Регистрация: 04.04.2009
Возраст: 69
Город: Краснодар
Регион: 23, 93
Машина: HONDA CR-V-08
Сообщений: 3,129
Vladget is a splendid one to beholdVladget is a splendid one to beholdVladget is a splendid one to beholdVladget is a splendid one to beholdVladget is a splendid one to beholdVladget is a splendid one to beholdVladget is a splendid one to behold
По умолчанию

Цитата:
Сообщение от Дакс Посмотреть сообщение
Спасибо за отклик... Просто перечитать осмысленно 135 (уже) страниц - непросто . Вроде нашёл самостоятельно. Это ж оно?
да это оно! А что не понятно тут есть ВСЕ. просто лишнее откинуть, а два полевика добавить
Vladget вне форума   Ответить с цитированием
Старый 20.08.2010, 23:22   #1346
Дакс
Новый Пользователь
 
Регистрация: 20.08.2010
Возраст: 50
Город: Волжский, Волгоградской обл.
Регион: 34
Машина: Mitsubishi LX
Сообщений: 9
Дакс is on a distinguished road
По умолчанию

Да в том и дело, что сразу не нашёл... Начал с печатки разбираться.
А что лишнее-то? И что куда добавить?
Поймите, не в пять секунд же разобраться в схеме, да и с электроникой лет пять дела не имел...
Дакс вне форума   Ответить с цитированием
Старый 21.08.2010, 00:32   #1347
Vladget
Moderator
 
Регистрация: 04.04.2009
Возраст: 69
Город: Краснодар
Регион: 23, 93
Машина: HONDA CR-V-08
Сообщений: 3,129
Vladget is a splendid one to beholdVladget is a splendid one to beholdVladget is a splendid one to beholdVladget is a splendid one to beholdVladget is a splendid one to beholdVladget is a splendid one to beholdVladget is a splendid one to behold
По умолчанию

Цитата:
Сообщение от Дакс Посмотреть сообщение
Да в том и дело, что сразу не нашёл... Начал с печатки разбираться.
А что лишнее-то? И что куда добавить?
Поймите, не в пять секунд же разобраться в схеме, да и с электроникой лет пять дела не имел...
да все понятно. на печатке полевиков (которые по схеме VT3, VT4) 4 шт. т.е. в схеме надо два добавить (сопротивлений по 10 ом надо 4шт. а вместо двух по 240 ом надо 4шт по 100 ом), а вот что касается LM393, и все что вокруг контроллера *****675 на печатке нет т.е. надо убрать из схемы (или дорисовать печатку) ну и вообще мне так кажется что такие вопросы проще решить через асю это будет оперативнее и что еще важнее другому не надо будет читать лишние 2 стр. хотя если это проблема я и здесь могу. теперь до воскресенье вечера - РЫБАЛКА
Vladget вне форума   Ответить с цитированием
Старый 21.08.2010, 01:04   #1348
Дакс
Новый Пользователь
 
Регистрация: 20.08.2010
Возраст: 50
Город: Волжский, Волгоградской обл.
Регион: 34
Машина: Mitsubishi LX
Сообщений: 9
Дакс is on a distinguished road
По умолчанию

Цитата:
Сообщение от Vladget Посмотреть сообщение
на печатке полевиков (которые по схеме VT3, VT4)
4 шт. т.е. в схеме надо два добавить (сопротивлений по 10 ом надо 4шт. а вместо двух по 240 ом надо 4шт по 100 ом)
т.е. всё ставится параллельно? И на печатке всё это уже присутствует?

Цитата:
Сообщение от Vladget Посмотреть сообщение
а вот что касается LM393, и все что вокруг контроллера *****675 на печатке нет т.е. надо убрать из схемы (или дорисовать печатку)
Тьфу блин я чуть мозк не вывихнул - пытался понять куда несчастный пик запрятали ...
Ладно пойду спать - ничего не соображаю уже...

PS А приведённую схему (принципиалку) разводить-собирать никто не пытался?
Дакс вне форума   Ответить с цитированием
Старый 22.08.2010, 18:45   #1349
Vladget
Moderator
 
Регистрация: 04.04.2009
Возраст: 69
Город: Краснодар
Регион: 23, 93
Машина: HONDA CR-V-08
Сообщений: 3,129
Vladget is a splendid one to beholdVladget is a splendid one to beholdVladget is a splendid one to beholdVladget is a splendid one to beholdVladget is a splendid one to beholdVladget is a splendid one to beholdVladget is a splendid one to behold
По умолчанию

Цитата:
Сообщение от Дакс Посмотреть сообщение
т.е. всё ставится параллельно? И на печатке всё это уже присутствует?

Тьфу блин я чуть мозк не вывихнул - пытался понять куда несчастный пик запрятали ...
Ладно пойду спать - ничего не соображаю уже...

PS А приведённую схему (принципиалку) разводить-собирать никто не пытался?
1. На печатке это все есть просто добавь (и исключи) в (из) список те сопротивления и полевики.
2. "пика" на этой печатке нет он есть только на smd варианте
3. нет никто не пытался лишнее это! конца фантазий нет, а работает и простейшая схема (из первого поста), проверено многими.
а контроллер есть на отдельной плате

Последний раз редактировалось Vladget; 22.08.2010 в 20:10.
Vladget вне форума   Ответить с цитированием
Старый 23.08.2010, 12:30   #1350
libvin
Новый Пользователь
 
Регистрация: 27.06.2009
Возраст: 40
Город: Нефтекамск
Регион: 02
Сообщений: 21
libvin is on a distinguished road
По умолчанию

Цитата:
Сообщение от Vladget Посмотреть сообщение
Ты чем паял? какой кислотой? если после пайки прошло ничего а у тебя контакты окислились а что будет через полгода? или когда днем будет тепло а ночью холодно, или зимой когда плата будет нагреваться а потом остывать и на ней будет конденсат, будет писец чему нибудь, раньше давно когда паяли кислотой потом промывали в содовом растворе и то потом все окислялось где ты ее нашел эту кислоту и зачем ей паять такую мелкоту? канифоль и все! можно ее в спирте растворить.
Ну купил паяльную кислоту в магазине продают по 20 рублей,ею вроде проще паять.Что теперь посоветуете, промыть плату?
libvin вне форума   Ответить с цитированием
Ответ

Метки
блок питания


Здесь присутствуют: 2 (пользователей: 0 , гостей: 2)
 
Опции темы Поиск в этой теме
Поиск в этой теме:

Расширенный поиск

Ваши права в разделе
Вы не можете создавать новые темы
Вы не можете отвечать в темах
Вы не можете прикреплять вложения
Вы не можете редактировать свои сообщения

BB коды Вкл.
Смайлы Вкл.
[IMG] код Вкл.
HTML код Выкл.



Часовой пояс GMT +4, время: 21:12.


Работает на vBulletin® версия 3.8.4.
Copyright ©2000 - 2026, Jelsoft Enterprises Ltd.
Перевод: zCarot