PCCar.ru - Ваш автомобильный компьютер

Вернуться   PCCar.ru - Ваш автомобильный компьютер > MP3Car ТехИнфа > Разработка устройств

Ответ
 
Опции темы Поиск в этой теме
Старый 10.05.2010, 23:32   #11
Except
Пользователь
 
Аватар для Except
 
Регистрация: 08.12.2008
Возраст: 40
Город: Челябинск
Регион: 74
Машина: Nissan Sunny 2001
Сообщений: 72
Except is on a distinguished road
По умолчанию

А если без транзистора? Если так?

(нехотел бы лепить деталей еще, места там вообще нету)
Миниатюры
Нажмите на изображение для увеличения
Название: 123.JPG
Просмотров: 1220
Размер:	9.3 Кб
ID:	16807  
__________________
Nissan Sunny FB15 SS 01'
pccar на odroid c2
Except вне форума   Ответить с цитированием
Старый 11.05.2010, 00:00   #12
Urvin
Старший Пользователь
 
Аватар для Urvin
 
Регистрация: 13.11.2008
Возраст: 38
Город: Москва
Регион: 77, 97, 99, 177
Машина: 2000\Basin\2111
Сообщений: 250
Urvin will become famous soon enough
По умолчанию

Жжом ардуину 12 вольтами) Лишних деталей нет, транзистор - считай, выключатель, хватит самого копеечного, напр как самый распространенный - кукурузина КТ315
__________________
Устройства для CarPC: torpedo Control, torpedo Modest
Urvin вне форума   Ответить с цитированием
Старый 11.05.2010, 00:40   #13
Except
Пользователь
 
Аватар для Except
 
Регистрация: 08.12.2008
Возраст: 40
Город: Челябинск
Регион: 74
Машина: Nissan Sunny 2001
Сообщений: 72
Except is on a distinguished road
По умолчанию

Ладно, хорошо, готов пойти в сторону транзисторов. Но почему ардуину жжем? переход на землю через ULN. Там чистая земля
__________________
Nissan Sunny FB15 SS 01'
pccar на odroid c2
Except вне форума   Ответить с цитированием
Старый 11.05.2010, 19:33   #14
Except
Пользователь
 
Аватар для Except
 
Регистрация: 08.12.2008
Возраст: 40
Город: Челябинск
Регион: 74
Машина: Nissan Sunny 2001
Сообщений: 72
Except is on a distinguished road
По умолчанию

UP

почему же сгорит ардуина?
__________________
Nissan Sunny FB15 SS 01'
pccar на odroid c2

Последний раз редактировалось Except; 11.05.2010 в 20:05.
Except вне форума   Ответить с цитированием
Старый 11.05.2010, 22:49   #15
MCZarin
Старший Пользователь
 
Регистрация: 24.08.2008
Возраст: 40
Город: Москва
Регион: 77, 97, 99, 177
Машина: Suzuki SX4, Magyar, 2008
Сообщений: 86
MCZarin is on a distinguished road
По умолчанию

Я вообще с ардуино не трахался, предпочитаю голые AVR . Поэтому подробностей об портах в ардуино не знаю (есть ли там на ногах АТмеги обвязка, и если есть, то какая).
Напишу, как это будет выглядеть на АТмегах. В АТмегах все порты посажены на линии VCC (питание АТмеги) и GND (земля) через защитные диоды, допустимый ток через каждую ногу контроллера - 40мА, кажется.

При таком подключении, когда порт посажен на GND (порт работает на вывод, лог. значение 0), через него будет течь ток 10мА, и с портом ничего от этого не будет.
Если же порт будет выдавать лог. значение 1, или направление данных будет переключено на ввод, на вход к нему прилетит 12В, и всё лишнее начнёт сливаться на VCC через защитный диод. Т.е. цепь с диодами не будет заперта (как хотелось бы), а получится цепь "12В - резюк - диоды - VCC". Ток через порт будет меньше 10мА, и никаких разрушений это не принесет, но диоды возможно будут при этом тускло гореть (а может, и не тускло ).

Но есть ещё проблема - АТмега и прочая хрень на плате будут частично питаться через неуправляемую линию 12В. Когда будет отключен штатный источник питания, а 12В останутся, образуется цепь "12В - резюк - диоды - нагрузка - GND". Здесь "нагрузка" - это всё хозяйство на плате ардуины. В такой схеме падение напряжения на нагрузке скорее всего будет мало, и диоды будут гореть постоянно.
MCZarin вне форума   Ответить с цитированием
Старый 11.05.2010, 23:12   #16
Except
Пользователь
 
Аватар для Except
 
Регистрация: 08.12.2008
Возраст: 40
Город: Челябинск
Регион: 74
Машина: Nissan Sunny 2001
Сообщений: 72
Except is on a distinguished road
По умолчанию

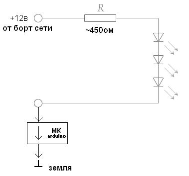
Дак у меня же совсем другое дело, у меня МК ничего сам не питает, касаемо светодиодов, щас схему по конкретней расскажу.

Вот. он тока подает сигнал на вход ULN, а тот коммутирует на землю выходы.
Миниатюры
Нажмите на изображение для увеличения
Название: leds.jpg
Просмотров: 843
Размер:	32.1 Кб
ID:	16823  
__________________
Nissan Sunny FB15 SS 01'
pccar на odroid c2
Except вне форума   Ответить с цитированием
Старый 11.05.2010, 23:44   #17
MCZarin
Старший Пользователь
 
Регистрация: 24.08.2008
Возраст: 40
Город: Москва
Регион: 77, 97, 99, 177
Машина: Suzuki SX4, Magyar, 2008
Сообщений: 86
MCZarin is on a distinguished road
По умолчанию

А, ну тогда наверное всё Ок.
MCZarin вне форума   Ответить с цитированием
Ответ


Здесь присутствуют: 1 (пользователей: 0 , гостей: 1)
 
Опции темы Поиск в этой теме
Поиск в этой теме:

Расширенный поиск

Ваши права в разделе
Вы не можете создавать новые темы
Вы не можете отвечать в темах
Вы не можете прикреплять вложения
Вы не можете редактировать свои сообщения

BB коды Вкл.
Смайлы Вкл.
[IMG] код Вкл.
HTML код Выкл.



Часовой пояс GMT +4, время: 03:20.


Работает на vBulletin® версия 3.8.4.
Copyright ©2000 - 2026, Jelsoft Enterprises Ltd.
Перевод: zCarot