PCCar.ru - Ваш автомобильный компьютер

Вернуться   PCCar.ru - Ваш автомобильный компьютер > MP3Car ТехИнфа > Беcпроводные коммуникации > Радио/ТВ

Ответ
 
Опции темы Поиск в этой теме
Старый 08.04.2010, 15:23   #971
werwolf1970
Старший Пользователь
 
Аватар для werwolf1970
 
Регистрация: 03.06.2008
Возраст: 56
Город: Смоленск
Регион: 67
Машина: 2001\Rover\75
Сообщений: 83
werwolf1970 is on a distinguished road
По умолчанию

Видел, эти штуки по первым фоткам ещё в ноябре, блин так и не понял, что за транзистор!
werwolf1970 вне форума   Ответить с цитированием
Старый 08.04.2010, 15:48   #972
Vic58
Старший Пользователь
 
Регистрация: 21.10.2009
Регион: 61
Сообщений: 603
Vic58 is on a distinguished road
По умолчанию

Цитата:
Сообщение от Alex-NN Посмотреть сообщение
Спасибо! Видимо, лучше вариант с КП303, если не найду 2SK583?
Все варианты рабочие. При выборе на чем делать стоит большее внимание обратить на конденсатор обратной связи. Лучше всего танталовый, но их сейчас сложновато найти, поэтому берем обычный электролитический лучше с напряжением поболее т.е. 50-100В - у них лучше изоляция и меньше утечки.
Vic58 вне форума   Ответить с цитированием
Старый 08.04.2010, 20:50   #973
Alex-NN
Гуру
 
Аватар для Alex-NN
 
Регистрация: 11.05.2008
Возраст: 57
Город: Дзержинск
Регион: 52
Машина: Nissan Almera N16
Сообщений: 1,015
Alex-NN has a spectacular aura aboutAlex-NN has a spectacular aura about
По умолчанию

Цитата:
Сообщение от Vic58 Посмотреть сообщение
Все варианты рабочие. При выборе на чем делать стоит большее внимание обратить на конденсатор обратной связи. Лучше всего танталовый, но их сейчас сложновато найти, поэтому берем обычный электролитический лучше с напряжением поболее т.е. 50-100В - у них лучше изоляция и меньше утечки.
Спасибо, найду танталовый. В выходные буду пробывать.
Alex-NN вне форума   Ответить с цитированием
Старый 08.04.2010, 21:41   #974
Pinin
Гуру
 
Аватар для Pinin
 
Регистрация: 03.01.2008
Возраст: 61
Город: Н. Новгород
Регион: 52
Машина: MMC Pajero Pinin GDI 2.0 2004, Volvo XC 60, D4, 2014
Сообщений: 1,301
Pinin will become famous soon enoughPinin will become famous soon enough
По умолчанию

2 Alex-NN

Если что - на след. неделе смогу, наверное, на работе тебе нарыть нужные кондеры
__________________
Крепко жму горло, с увлажнением.
Pinin
Pinin вне форума   Ответить с цитированием
Старый 17.04.2010, 23:16   #975
Alex-NN
Гуру
 
Аватар для Alex-NN
 
Регистрация: 11.05.2008
Возраст: 57
Город: Дзержинск
Регион: 52
Машина: Nissan Almera N16
Сообщений: 1,015
Alex-NN has a spectacular aura aboutAlex-NN has a spectacular aura about
По умолчанию

Цитата:
Сообщение от Alex-L Посмотреть сообщение
Вариации на тему "pin14"
Посмотрел варианты подобных схем.
Вопрос: при использовании 2N7002, какой конденсатор нужно использовать, обычный или электролит?

Чо-то не могу заставить изменяться напряжение на FM-VT... Постоянно 5В.
Alex-NN вне форума   Ответить с цитированием
Старый 18.04.2010, 00:24   #976
Vic58
Старший Пользователь
 
Регистрация: 21.10.2009
Регион: 61
Сообщений: 603
Vic58 is on a distinguished road
По умолчанию

Цитата:
Сообщение от Alex-NN Посмотреть сообщение
Чо-то не могу заставить изменяться напряжение на FM-VT... Постоянно 5В.
Если хотите получить ответ, напишите как именно вы его пытаетесь заставить. Ну т.е. иинформация нужна полная.
Vic58 вне форума   Ответить с цитированием
Старый 18.04.2010, 00:37   #977
Alex-NN
Гуру
 
Аватар для Alex-NN
 
Регистрация: 11.05.2008
Возраст: 57
Город: Дзержинск
Регион: 52
Машина: Nissan Almera N16
Сообщений: 1,015
Alex-NN has a spectacular aura aboutAlex-NN has a spectacular aura about
По умолчанию

Цитата:
Сообщение от Vic58 Посмотреть сообщение
Если хотите получить ответ, напишите как именно вы его пытаетесь заставить. Ну т.е. иинформация нужна полная.
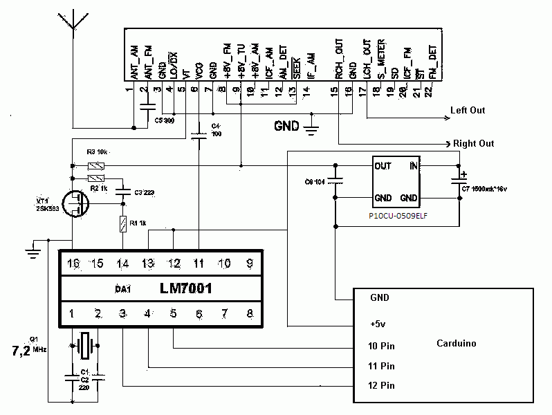
Схему прикладываю. Тюнер "MITSUMI FAE347". Исполз. нога №6 (FM-VT), №11(VCO). Остальные необходимые выводы(питание, земля, выход аудио). Преобразоваетель DC-DC-DPS05U9D - от сетевой карты работает нормально. 8 с лишним вольт есть. Тюнер с этой схемой включения проверял многооборотным резистором. Ловит уверенно.
Затем подключил схему, приложенную ниже.
Транзистор планарный 2N7002. Номиналы деталей как в схеме.
Управляю Ардуино скетчем от Hamster: http://www.compcar.ru/forum/showpost...03&postcount=1
Осциллографа нет сейчас под рукой. Ощущение такое, что не работает LM. Может что-то с генератором частоты? LM менял, эффект тот-же. Подключаю схему на LM, управления нет.

Заметил интересную вещь: на ноге №6 (FM-VT) постоянно 5В. Отключаю USB разъем Ардуино от компьютера, напряжение возрастает до 8,4В.
Либо просто, когда запускаю Ардуиновскую оболочку - напряжение на ноге №6 (FM-VT) поднимается на 1 секунду до 8,4 В. и затем возвращается к 5В.
Говорит это о том, что LM работает?
Миниатюры
Нажмите на изображение для увеличения
Название: fm3.png
Просмотров: 1827
Размер:	6.7 Кб
ID:	16471  

Последний раз редактировалось Alex-NN; 18.04.2010 в 10:46.
Alex-NN вне форума   Ответить с цитированием
Старый 18.04.2010, 00:52   #978
Hamster
Больной. Диагноз "Car PC"
 
Аватар для Hamster
 
Регистрация: 01.09.2005
Возраст: 52
Город: Москва
Регион: 77, 97, 99, 177
Машина: 08\Acura\MDX •••• 07\Honda\Civic 4D
Сообщений: 4,379
Hamster is a splendid one to beholdHamster is a splendid one to beholdHamster is a splendid one to beholdHamster is a splendid one to beholdHamster is a splendid one to beholdHamster is a splendid one to beholdHamster is a splendid one to behold
По умолчанию

СТОП!
Эсли точно по такой схеме, то не заработает с моим скетчем.
У меня:
Цитата:
#define CE (4)
#define CL (3)
#define DA (2)
А по схеме у тебя пользуются ардуиновские 10, 11, 12.
Или правь скетч, или печатку
__________________
Старый проект Honda Accord RHD
Теперь будет Acura MDX 2008 и Honda Civic 4D 2007 и Mitsubishi Outlander XL 2011
Hamster вне форума   Ответить с цитированием
Старый 18.04.2010, 01:38   #979
Alex-NN
Гуру
 
Аватар для Alex-NN
 
Регистрация: 11.05.2008
Возраст: 57
Город: Дзержинск
Регион: 52
Машина: Nissan Almera N16
Сообщений: 1,015
Alex-NN has a spectacular aura aboutAlex-NN has a spectacular aura about
По умолчанию

Цитата:
Сообщение от Hamster Посмотреть сообщение
СТОП!
Эсли точно по такой схеме, то не заработает с моим скетчем.
У меня:
А по схеме у тебя пользуются ардуиновские 10, 11, 12.
Или правь скетч, или печатку
Нет, я посмотрел, ноги Ардуино подключены согласно твоему скетчу (№4,3,2).

Последний раз редактировалось Alex-NN; 20.04.2010 в 11:29.
Alex-NN вне форума   Ответить с цитированием
Старый 13.05.2010, 12:47   #980
KonTur
Старший Пользователь
 
Аватар для KonTur
 
Регистрация: 11.02.2009
Возраст: 61
Город: СПб
Регион: 78, 98
Машина: SantaFe
Сообщений: 649
KonTur is a glorious beacon of lightKonTur is a glorious beacon of lightKonTur is a glorious beacon of lightKonTur is a glorious beacon of lightKonTur is a glorious beacon of light
По умолчанию

А никто не подскажет, какие сигналы на ножках 5 и 6 радио-модуля Mitsumi FAE392?
Или где взять полный даташит на этот модуль?
__________________
Мой проект
KonTur вне форума   Ответить с цитированием
Ответ

Метки
радио, разработка


Здесь присутствуют: 2 (пользователей: 0 , гостей: 2)
 
Опции темы Поиск в этой теме
Поиск в этой теме:

Расширенный поиск

Ваши права в разделе
Вы не можете создавать новые темы
Вы не можете отвечать в темах
Вы не можете прикреплять вложения
Вы не можете редактировать свои сообщения

BB коды Вкл.
Смайлы Вкл.
[IMG] код Вкл.
HTML код Выкл.



Часовой пояс GMT +4, время: 06:34.


Работает на vBulletin® версия 3.8.4.
Copyright ©2000 - 2026, Jelsoft Enterprises Ltd.
Перевод: zCarot