PCCar.ru - Ваш автомобильный компьютер

Вернуться   PCCar.ru - Ваш автомобильный компьютер > MP3Car ТехИнфа > Блоки питания > Разное

Ответ
 
Опции темы Поиск в этой теме
Старый 07.04.2010, 12:13   #921
mudrila
Новый Пользователь
 
Регистрация: 16.07.2008
Возраст: 48
Город: Нижневартовск
Регион: 86
Машина: ТагАЗ TAGER
Сообщений: 21
mudrila is on a distinguished road
По умолчанию

Вчера попробовал нагрузить мой БП без материнки.
Повесил на +12В галогенку на 55Вт - напряжения в норме, ПГ в норме.
Повесил вторую лампочку туда же - спалил IRFZ44
Выпаял транзисторы, проверил еще раз всю переделанную схему, все в норме. Впаял новые транзисторы, все заработало. Опять повесил две галогенки, только вторую уже на +5В. Все нормально, напряжения держит, ПГ 5.1В.
С материнкой не работает. ПГ так же плавает 1.5-4.2В. Единственное, заметил, что дежурка с материнкой 4.94-4.95.
mudrila вне форума   Ответить с цитированием
Старый 07.04.2010, 12:15   #922
mudrila
Новый Пользователь
 
Регистрация: 16.07.2008
Возраст: 48
Город: Нижневартовск
Регион: 86
Машина: ТагАЗ TAGER
Сообщений: 21
mudrila is on a distinguished road
По умолчанию

Есть еще один ATX InWin на 350Вт. Вот думаю, его переделать. Только проблема, драйвера IR4426 в магазине нету. Можно чем-то драйвер заменить? Или предыдущий БП завести?
mudrila вне форума   Ответить с цитированием
Старый 07.04.2010, 20:14   #923
mudrila
Новый Пользователь
 
Регистрация: 16.07.2008
Возраст: 48
Город: Нижневартовск
Регион: 86
Машина: ТагАЗ TAGER
Сообщений: 21
mudrila is on a distinguished road
По умолчанию

Ничего, что я тут сам с собою разговариваю?
Короче, я выяснил. Мать не запускалась, потому что аккумулятор выдавал при нагрузке меньше 12.5В. Подсоединил к нему зарядное, мать запустилась. Правда когда WinXP загрузилась после окна ввода пароля комп опять перезагружается. Видимо зарядное не держит напряжение при больших токах, напряжение на аккумуляторе опять сваливалось ниже 12.5В.
Буду перематывать трансформатор, на первичку я намотал по 4 витка, перемотаю на 3.
Вот радиатор с полевиками слишком сильно греется. Побольше радиатор поставить? Кулер пока не цеплял.
mudrila вне форума   Ответить с цитированием
Старый 07.04.2010, 20:26   #924
Virtual
Гуру
 
Регистрация: 07.11.2009
Возраст: 50
Регион: 02
Машина: Hyundai Accent :)
Сообщений: 1,361
Virtual has a spectacular aura aboutVirtual has a spectacular aura about
По умолчанию

1. точно у тя бп не тянет от пониженного напр.
2. кулер точно нужон
__________________
Accent + Mystery MMT-8120S+ежик700_2Gssd_798МГц проц
Virtual вне форума   Ответить с цитированием
Старый 07.04.2010, 20:31   #925
mudrila
Новый Пользователь
 
Регистрация: 16.07.2008
Возраст: 48
Город: Нижневартовск
Регион: 86
Машина: ТагАЗ TAGER
Сообщений: 21
mudrila is on a distinguished road
По умолчанию

Цитата:
Сообщение от Virtual Посмотреть сообщение
1. точно у тя бп не тянет от пониженного напр.
2. кулер точно нужон
1. А 12.5В - это пониженное? Нада завтра в авто взять тестер. Может и не надо будет мутить с трансом, а то такой гемор.
2. Кулера будет достаточно? Все-таки проц - Pentium-4.
mudrila вне форума   Ответить с цитированием
Старый 07.04.2010, 20:56   #926
mudrila
Новый Пользователь
 
Регистрация: 16.07.2008
Возраст: 48
Город: Нижневартовск
Регион: 86
Машина: ТагАЗ TAGER
Сообщений: 21
mudrila is on a distinguished road
По умолчанию

Вот здесь предлагается печатная плата под БПСЛ. Так там по два полевика стоят на каждую первичную обмотку трансформатора. Может это поможет уменьшить температуру полевиков? (Это я к тому, что драйверов в продаже в городе я не нашел)
Миниатюры
Нажмите на изображение для увеличения
Название: shema2.jpg
Просмотров: 855
Размер:	50.3 Кб
ID:	16210  
mudrila вне форума   Ответить с цитированием
Старый 07.04.2010, 21:12   #927
Virtual
Гуру
 
Регистрация: 07.11.2009
Возраст: 50
Регион: 02
Машина: Hyundai Accent :)
Сообщений: 1,361
Virtual has a spectacular aura aboutVirtual has a spectacular aura about
По умолчанию

12,5 это дофига, вот 8в это пониженное, но тестером это ты фиг узнаеш
да в паралель, полевики ставить есть обычный подход. дабы потери уменьшить, но лучше разобратся с повышенным нагревом, ибо перегрев полевиков= кранты бп
__________________
Accent + Mystery MMT-8120S+ежик700_2Gssd_798МГц проц
Virtual вне форума   Ответить с цитированием
Старый 07.04.2010, 21:37   #928
mudrila
Новый Пользователь
 
Регистрация: 16.07.2008
Возраст: 48
Город: Нижневартовск
Регион: 86
Машина: ТагАЗ TAGER
Сообщений: 21
mudrila is on a distinguished road
По умолчанию

Цитата:
Сообщение от Virtual Посмотреть сообщение
...вот 8в это пониженное, но тестером это ты фиг узнаеш..
это почему фиг узнаю?

Цитата:
Сообщение от Virtual Посмотреть сообщение
...но лучше разобратся с повышенным нагревом, ибо перегрев полевиков= кранты бп
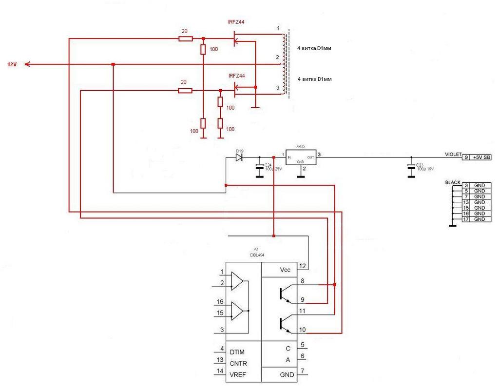
Собирал по этой схеме: резисторы только такие нашел, точнее вытащил с других БП. Резисторы на 0,125Вт.
Все соединения проверил несколько раз. В трансформаторе межвитковых замыканий точно не было, до соединения начала и конца первичных обмоток проверял. Да и не греется и не шумит транс вовсе. Полевики перед запуском тоже проверял, были в норме. Силовые дорожки пролудил толстым слоем припоя, в узких местах дополнительно услилил дорожки проводами
Миниатюры
Нажмите на изображение для увеличения
Название: shema3.jpg
Просмотров: 1016
Размер:	44.9 Кб
ID:	16211  
mudrila вне форума   Ответить с цитированием
Старый 08.04.2010, 08:17   #929
gep2005
Пользователь
 
Регистрация: 09.09.2009
Регион: 42
Машина: ВАЗ-21074 2007
Сообщений: 32
gep2005 is on a distinguished road
По умолчанию

Цитата:
Сообщение от mudrila Посмотреть сообщение
это почему фиг узнаю?
Потому что процессы быстротечны. Для этого или осцил или хотя бы тестер с фиксацией MAX/MIN (Себе хочу такой купить )
Цитата:
Сообщение от mudrila Посмотреть сообщение
Собирал по этой схеме: резисторы только такие нашел, точнее вытащил с других БП. Резисторы на 0,125Вт.
Все соединения проверил несколько раз.
Без драйвера хороших результатов не получеш. Если драйвер найти проблема, то собери хотя бы каскад на транзисторах (Схему можно в инете найти, ссылку сейчас найти не могу). Вторую пару транзисторов - хороший вариант, но без драйвера тоже не очень.
Тут же смысл какой - физика полевого транзистора - чем быстрее ты открыл/закрыл его тем меньше он греется. У полевиков очень низкое сопротивление канала в открытом состоянии (Сопротивление низкое = минимум потерь = малый нагрев) и очень высокое в закрытом (Высокое сопротивление = очень малый ток (почти нет совсем) = малый нагрев).
Греться они начинают из-за переходных процессов, т.е. когда был закрыт TL'ка его открывает медленно, потому что для не тянет такие токи, которые нужны для перезарядки емкости затвора, и транзистор долго находиться в промежуточном состоянии = нагрев транзистора.
Цитата:
Сообщение от mudrila Посмотреть сообщение
Полевики перед запуском тоже проверял, были в норме.
Перепроверяй их переодически - пока свою схему не отладил не одну пару сжег.
Цитата:
Сообщение от mudrila Посмотреть сообщение
Силовые дорожки пролудил толстым слоем припоя, в узких местах дополнительно услилил дорожки проводами
Очень правильный ход.
gep2005 вне форума   Ответить с цитированием
Старый 08.04.2010, 09:27   #930
mudrila
Новый Пользователь
 
Регистрация: 16.07.2008
Возраст: 48
Город: Нижневартовск
Регион: 86
Машина: ТагАЗ TAGER
Сообщений: 21
mudrila is on a distinguished road
По умолчанию

Цитата:
Сообщение от gep2005 Посмотреть сообщение
Без драйвера хороших результатов не получеш. Если драйвер найти проблема, то собери хотя бы каскад на транзисторах (Схему можно в инете найти, ссылку сейчас найти не могу).
нашел вот здесь такую схемку:

Цитата:
Сообщение от gep2005 Посмотреть сообщение
Греться они начинают из-за переходных процессов, т.е. когда был закрыт TL'ка его открывает медленно, потому что для не тянет такие токи, которые нужны для перезарядки емкости затвора, и транзистор долго находиться в промежуточном состоянии = нагрев транзистора.
Если не тянет по току, то по идее добавление в цепь затвора простого транзистора поможет.
Теперь вопрос, а какие транзисторы использовать и можно ли взять какие-то из БП ATX?
mudrila вне форума   Ответить с цитированием
Ответ


Здесь присутствуют: 1 (пользователей: 0 , гостей: 1)
 
Опции темы Поиск в этой теме
Поиск в этой теме:

Расширенный поиск

Ваши права в разделе
Вы не можете создавать новые темы
Вы не можете отвечать в темах
Вы не можете прикреплять вложения
Вы не можете редактировать свои сообщения

BB коды Вкл.
Смайлы Вкл.
[IMG] код Вкл.
HTML код Выкл.



Часовой пояс GMT +4, время: 08:07.


Работает на vBulletin® версия 3.8.4.
Copyright ©2000 - 2026, Jelsoft Enterprises Ltd.
Перевод: zCarot