PCCar.ru - Ваш автомобильный компьютер

Вернуться   PCCar.ru - Ваш автомобильный компьютер > MP3Car ТехИнфа > Блоки питания > Самодельные блоки питания

Ответ
 
Опции темы Поиск в этой теме
Старый 22.03.2010, 11:05   #11
Quazar
Новый Пользователь
 
Регистрация: 16.03.2010
Возраст: 47
Город: Ногинск
Регион: 50, 90, 150
Машина: Очень старый (((
Сообщений: 9
Quazar is on a distinguished road
По умолчанию

Цитата:
Сообщение от Quazar Посмотреть сообщение
Старенький LCT сделан на DBL494-там все просто и разжевывалось 100 раз как делать на форуме. Как начну делать-составлю в отдельной теме фотоотчет.
Единственное, что - там оптопара одна стоит. На форуме рекомендуется ее выпаять и на ее место поставить диод. А может ее просто не выпаивать и оставить как есть?
Переделал я это блок питания, трансформатор не перематывал целиком, а снял только верхнюю первичку (нижнюю откусил) и намотал 2 раза по 4 витка четырмя проводами с диаметром 0,54.
Подключил катушку по схеме с 2 транзисторами и 4 сопротивлениями (2х200 + 2х16) без драйвера. Сделал дежурку.

Выключеный БП потребляет 20мА. Если замкнуть 14ую ногу АТХ разьема на землю, то потребление возрастает до 60мА.
На транзисторах (на ножках кторые затвор вроде называются, те на которую с 494 приходят через сопротивления управляющие сигналы) осцилограф показывает красивые прямоугольные импульсы.
Питания на разьеме АТХ нет.

Я предполагаю, что надо перемотать трансформатор как положено полностью.
Что еще может быть?
Какая амплитуда ШИМ должна быть на затворе транзистора?

Спасибо.
Quazar вне форума   Ответить с цитированием
Старый 22.03.2010, 12:11   #12
Virtual
Гуру
 
Регистрация: 07.11.2009
Возраст: 51
Регион: 02
Машина: Hyundai Accent :)
Сообщений: 1,361
Virtual has a spectacular aura aboutVirtual has a spectacular aura about
По умолчанию

Цитата:
Какая амплитуда ШИМ должна быть на затворе транзистора?
от 4...5в относительно истока .
__________________
Accent + Mystery MMT-8120S+ежик700_2Gssd_798МГц проц
Virtual вне форума   Ответить с цитированием
Старый 22.03.2010, 12:53   #13
Quazar
Новый Пользователь
 
Регистрация: 16.03.2010
Возраст: 47
Город: Ногинск
Регион: 50, 90, 150
Машина: Очень старый (((
Сообщений: 9
Quazar is on a distinguished road
По умолчанию

Цитата:
Сообщение от Virtual Посмотреть сообщение
от 4...5в относительно истока .
Так и есть.
Получается трансформатор надо перематывать.
Quazar вне форума   Ответить с цитированием
Старый 23.03.2010, 23:33   #14
Quazar
Новый Пользователь
 
Регистрация: 16.03.2010
Возраст: 47
Город: Ногинск
Регион: 50, 90, 150
Машина: Очень старый (((
Сообщений: 9
Quazar is on a distinguished road
По умолчанию

Заработало )))).
Перебутались база, исток, сток, затвор и коллектор )))).
Перепоял все на место как положено и заработало.

В ждущем режиме потребляет 20мА.
На ХХ около 1А. Нагрузил лампочкой 60вт, померил ток потребляемый БП оказался 6А (КПД 75% ????). Поключил маму Intel D201GLY2+DDR 1Gb + HDD 80GB+вентилятор - все напряжения в норме. Запустил Windows посмотрел немного кино. Потребление тока было в районе 4 ампер. Транзисторы не грелись совсем-были чуть тепленькие.

Как делал (пользовался этой инструкцией http://www.pccar.ru/showpost.php?p=96323&postcount=189).
1. Нашел старый рабочий БП (2 первые фотки).
2. Выпаял всю ВВ часть.
3. Транформатор окуратно разобрал (грел 10-15 мин на паяльнике 60Вт).
3.1 Смотал первичную верхнюю обмотку (Было 19 витков), Нижнюю откусил.
3.2 Намотал 4 проводами диаметром 0,56мм две обмотки по 4 витка.
3.3. Собрал трансформатор.
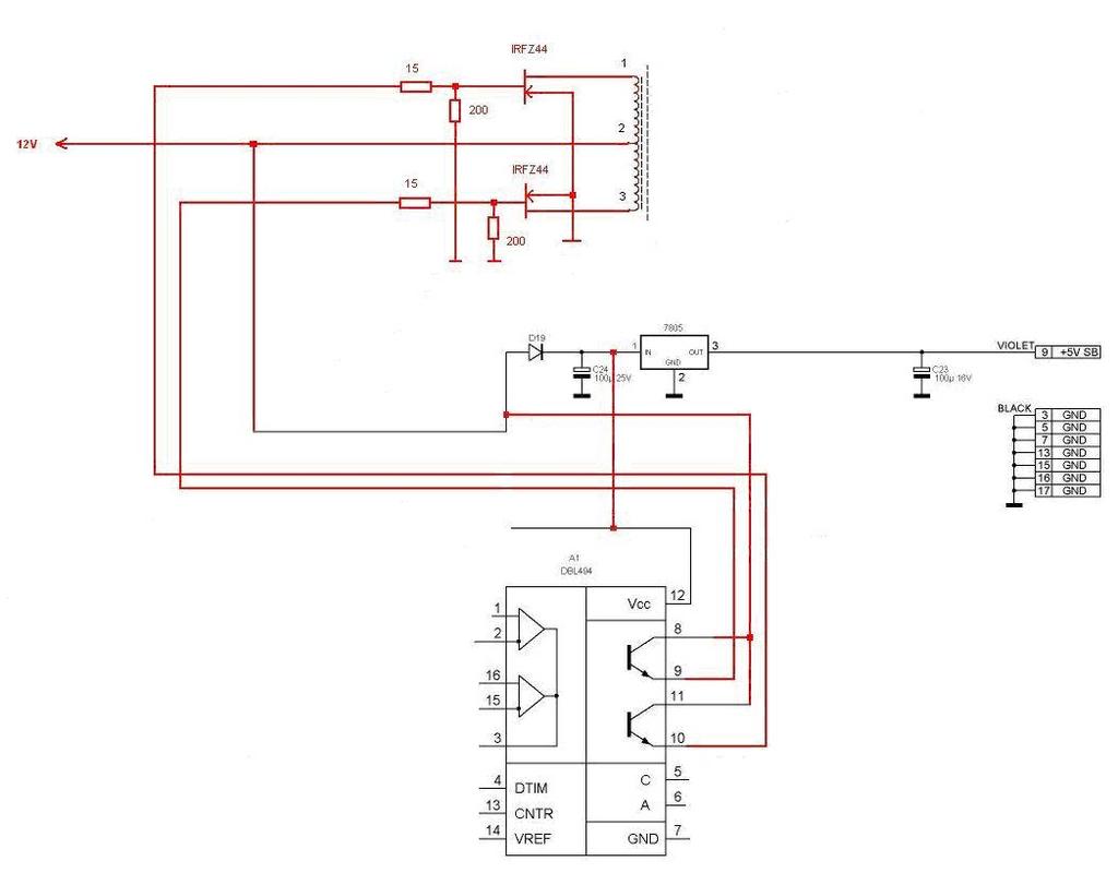
4. Собрал схему согласно схеме приведенной в конце.
5. Микросхему DBL494 выпаял акуратно, загрул вверх нужные ножки и впаял обратно.
6. Все заработало!!! (Если не считать первый неудачный запуск с неправильно припаянными транзисторами)
Миниатюры
Нажмите на изображение для увеличения
Название: IMG_3681.jpg
Просмотров: 2834
Размер:	145.1 Кб
ID:	15994   Нажмите на изображение для увеличения
Название: IMG_3682.jpg
Просмотров: 2704
Размер:	174.7 Кб
ID:	15995   Нажмите на изображение для увеличения
Название: IMG_3691.jpg
Просмотров: 2877
Размер:	104.1 Кб
ID:	15996   Нажмите на изображение для увеличения
Название: IMG_3692.jpg
Просмотров: 2887
Размер:	171.9 Кб
ID:	15997   Нажмите на изображение для увеличения
Название: IMG_3693.jpg
Просмотров: 2735
Размер:	141.8 Кб
ID:	15998  

Нажмите на изображение для увеличения
Название: схема.jpg
Просмотров: 4121
Размер:	42.7 Кб
ID:	15999  
Quazar вне форума   Ответить с цитированием
Старый 24.03.2010, 17:41   #15
sandrelo
Пользователь
 
Регистрация: 25.04.2008
Возраст: 53
Город: Барнаул
Регион: 22
Машина: Nissan Bassara JTNU-30
Сообщений: 32
sandrelo is on a distinguished road
По умолчанию

феррит сломал? будет лучше если поменяешь на целый.
у меня самым оптимальным оказалась первичка 3х3 медной лентой
sandrelo вне форума   Ответить с цитированием
Старый 24.03.2010, 23:30   #16
Quazar
Новый Пользователь
 
Регистрация: 16.03.2010
Возраст: 47
Город: Ногинск
Регион: 50, 90, 150
Машина: Очень старый (((
Сообщений: 9
Quazar is on a distinguished road
По умолчанию

Цитата:
Сообщение от sandrelo Посмотреть сообщение
феррит сломал? будет лучше если поменяешь на целый.
Нее.... феррит целый.

Цитата:
Сообщение от sandrelo Посмотреть сообщение
у меня самым оптимальным оказалась первичка 3х3 медной лентой
А в чем оптимальность?
Quazar вне форума   Ответить с цитированием
Старый 25.03.2010, 10:03   #17
sandrelo
Пользователь
 
Регистрация: 25.04.2008
Возраст: 53
Город: Барнаул
Регион: 22
Машина: Nissan Bassara JTNU-30
Сообщений: 32
sandrelo is on a distinguished road
По умолчанию

оптимальность в том, что с этим кол-вом витков (3+3 первичная и 4+3+3+4 вторичная) самый низкий потребляемый ток (3.5а в простое и около 10а при макс нагрузке) работоспособность компа сохраняется при падении напр до 7.3в в простое и 8в при полной нагр. с другим кол-вом витков напряжения были выше.
sandrelo вне форума   Ответить с цитированием
Старый 01.04.2010, 14:59   #18
Tundra
Новый Пользователь
 
Регистрация: 01.04.2010
Возраст: 55
Город: Москва
Регион: 77, 97, 99, 177
Машина: 2121
Сообщений: 1
Tundra is on a distinguished road
По умолчанию

Здесь http://depositfiles.com/files/qgb4pdxbq , http://letitbit.net/download/7778.7c...ka___.rar.html есть подборка по переделке БП на разных контроллерах
Tundra вне форума   Ответить с цитированием
Старый 20.06.2010, 22:31   #19
496385290
Пользователь
 
Аватар для 496385290
 
Регистрация: 20.06.2010
Возраст: 34
Город: Липецк
Регион: 48
Сообщений: 51
496385290 is on a distinguished road
Unhappy

Цитата:
Сообщение от Quazar Посмотреть сообщение
Заработало )))).
Перебутались база, исток, сток, затвор и коллектор )))).
Перепоял все на место как положено и заработало.

В ждущем режиме потребляет 20мА.
На ХХ около 1А. Нагрузил лампочкой 60вт, померил ток потребляемый БП оказался 6А (КПД 75% ????). Поключил маму Intel D201GLY2+DDR 1Gb + HDD 80GB+вентилятор - все напряжения в норме. Запустил Windows посмотрел немного кино. Потребление тока было в районе 4 ампер. Транзисторы не грелись совсем-были чуть тепленькие.

Как делал (пользовался этой инструкцией http://www.pccar.ru/showpost.php?p=96323&postcount=189).
1. Нашел старый рабочий БП (2 первые фотки).
2. Выпаял всю ВВ часть.
3. Транформатор окуратно разобрал (грел 10-15 мин на паяльнике 60Вт).
3.1 Смотал первичную верхнюю обмотку (Было 19 витков), Нижнюю откусил.
3.2 Намотал 4 проводами диаметром 0,56мм две обмотки по 4 витка.
3.3. Собрал трансформатор.
4. Собрал схему согласно схеме приведенной в конце.
5. Микросхему DBL494 выпаял акуратно, загрул вверх нужные ножки и впаял обратно.
6. Все заработало!!! (Если не считать первый неудачный запуск с неправильно припаянными транзисторами)
Собираю по твоему принципу БП. БП точно такой же как у тебя. перемотал трансформатор как ты предложил, 4 витка в два провода 0,7 (вместо твоих 0,56) все собрал, вставил фирит. заматал его скотчем. Подключил к другому блоку питания первичку +12 на (2) а -12 на (1) и (3). Замерил напряжение на вторичке 1 В Че делать подскажешь? и еще БП к которому подключал на 12 В и 3,5 А, но провода от него сечением не очень толстые, и очень сильно нагреваются. Сколько примерно ест переделанный БП? и можно его подключать без полевых, может в этом дело? Я новечек, если чт оне так, то прошу помочь, заранее спасибо
496385290 вне форума   Ответить с цитированием
Старый 21.06.2010, 20:01   #20
change
Старший Пользователь
 
Аватар для change
 
Регистрация: 09.06.2009
Возраст: 59
Город: Моск.обл
Регион: 50, 90, 150
Машина: HONDA CR-V 1998г
Сообщений: 436
change is on a distinguished road
По умолчанию

Цитата:
Сообщение от Tundra Посмотреть сообщение
Здесь http://depositfiles.com/files/qgb4pdxbq , http://letitbit.net/download/7778.7c...ka___.rar.html есть подборка по переделке БП на разных контроллерах
немного не по теме
__________________

интересное
change вне форума   Ответить с цитированием
Ответ


Здесь присутствуют: 1 (пользователей: 0 , гостей: 1)
 
Опции темы Поиск в этой теме
Поиск в этой теме:

Расширенный поиск

Ваши права в разделе
Вы не можете создавать новые темы
Вы не можете отвечать в темах
Вы не можете прикреплять вложения
Вы не можете редактировать свои сообщения

BB коды Вкл.
Смайлы Вкл.
[IMG] код Вкл.
HTML код Выкл.



Часовой пояс GMT +4, время: 00:56.


Работает на vBulletin® версия 3.8.4.
Copyright ©2000 - 2026, Jelsoft Enterprises Ltd.
Перевод: zCarot