PCCar.ru - Ваш автомобильный компьютер

Вернуться   PCCar.ru - Ваш автомобильный компьютер > MP3Car ТехИнфа > Блоки питания > Разное

Ответ
 
Опции темы Поиск в этой теме
Старый 30.09.2009, 12:16   #111
voron
Новый Пользователь
 
Регистрация: 25.09.2009
Возраст: 36
Город: Минск
Регион: Беларусь
Машина: laguna 2
Сообщений: 1
voron is on a distinguished road
По умолчанию

voron вне форума   Ответить с цитированием
Старый 01.10.2009, 13:30   #112
БАЛУ
Старший Пользователь
 
Регистрация: 09.05.2009
Город: ТОМСК
Регион: 78, 98
Сообщений: 143
БАЛУ is on a distinguished road
По умолчанию

корпус прелесть пря таки заточен под мой БП мнеб таких штук десять
кстати однотактный БП сделать мона получится не проще двух тактного и суммарные потери на мощном ключе
будут не меньше.
также диапазон питающих напруг будет уже(мы же делаем авто бп ) а в остальном дело вкуса
БАЛУ вне форума   Ответить с цитированием
Старый 29.10.2009, 16:31   #113
Turbych
Старший Пользователь
 
Аватар для Turbych
 
Регистрация: 20.01.2008
Возраст: 51
Город: Дубна
Регион: 50, 90, 150
Машина: 2004\Toyota Wish
Сообщений: 122
Turbych can only hope to improve
По умолчанию

Цитата:
Сообщение от BaDDays Посмотреть сообщение
Имеются 2 блока питания 550Вт 2 шт , на будущее хочу вторую 4870 , но питания не хватит на 2-ю видео карту , выбрасывать жалко 2 блок , вот и пришла мысль о соединении 2х . Подскажите какие провода нужно замкнуть на 2-м что бы его запустить, может пропустить через реле контакты для запуска, а реле запитать от 1-го блока ?
зелёный и чёрный
Turbych вне форума   Ответить с цитированием
Старый 29.10.2009, 18:06   #114
metronom
Новый Пользователь
 
Регистрация: 14.09.2009
Возраст: 53
Регион: Украина
Сообщений: 23
metronom is on a distinguished road
По умолчанию

В стандарте АТХ Pon должен быть зеленым - НО много попадается в ремонт БП , по моему что то типа POWER MASTER, так вот в них перепутаны цвета повер-он( стоит серый) и повер-гуд(стоит зеленый). Так что лучше посчитать - в ряду защелки четвертый с края.
metronom вне форума   Ответить с цитированием
Старый 02.12.2009, 13:26   #115
БАЛУ
Старший Пользователь
 
Регистрация: 09.05.2009
Город: ТОМСК
Регион: 78, 98
Сообщений: 143
БАЛУ is on a distinguished road
По умолчанию

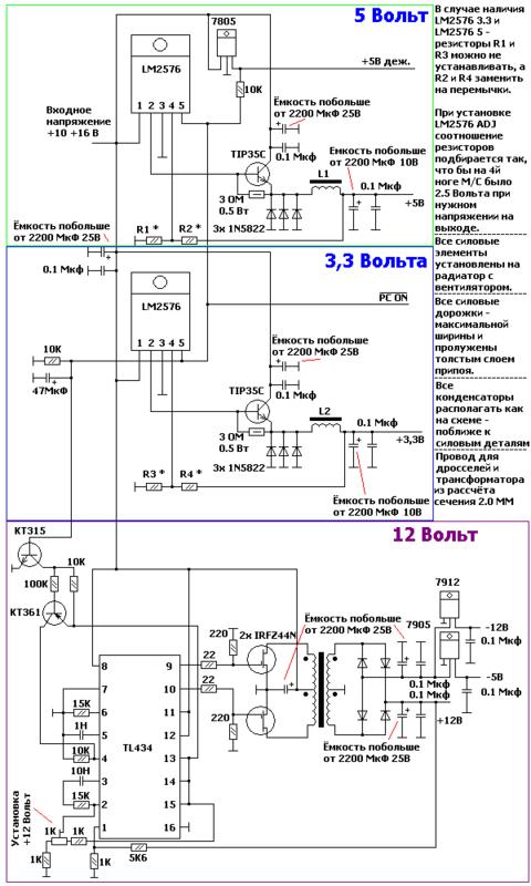
гдето на ветках есть описание ,чел говорит что работает неплохо
Миниатюры
Нажмите на изображение для увеличения
Название: my_dc-dc.jpg
Просмотров: 1301
Размер:	70.2 Кб
ID:	14075  
БАЛУ вне форума   Ответить с цитированием
Старый 28.02.2010, 19:07   #116
magway7
Пользователь
 
Регистрация: 16.12.2009
Возраст: 38
Город: Белгород
Регион: 31
Машина: c5
Сообщений: 37
magway7 is on a distinguished road
По умолчанию

очень жаль что тема заглохла и автор куда-то пропал...
magway7 вне форума   Ответить с цитированием
Старый 12.03.2010, 01:44   #117
magway7
Пользователь
 
Регистрация: 16.12.2009
Возраст: 38
Город: Белгород
Регион: 31
Машина: c5
Сообщений: 37
magway7 is on a distinguished road
По умолчанию

собрал данный блок питания, в принципе наверно самый простой в сборке. только вот трабл с писион((((( при подаче питания +5 и +3,3 вольт появляются сразу и никак не реагируют на замыкание pc-on на землю. 12 вольтовый канал появляется после земли на pc-on как и должно быть. Кто-нибудь собирал по этой схеме? В чем косяк может быть...подскажите пожалуйста
magway7 вне форума   Ответить с цитированием
Старый 12.03.2010, 09:43   #118
Vic58
Старший Пользователь
 
Регистрация: 21.10.2009
Регион: 61
Сообщений: 603
Vic58 is on a distinguished road
По умолчанию

Цитата:
Сообщение от magway7 Посмотреть сообщение
+5 и +3,3 вольт появляются сразу и никак не реагируют на замыкание pc-on на землю.
Это происходит потому, что цепь управления каналами +5В и +3,3В, подключена непосредственно к базе транзистора КТ315, который шунтирует цепь управления и преобразователи оказываются включенными. Я бы резистор 10к, который стоит с базы упомянутого транзистора на землю, оттуда убрал и поставил его в разрыв цепи между базой КТ315 и 5 выводами ЛМ-ок.
Vic58 вне форума   Ответить с цитированием
Старый 12.03.2010, 09:45   #119
magway7
Пользователь
 
Регистрация: 16.12.2009
Возраст: 38
Город: Белгород
Регион: 31
Машина: c5
Сообщений: 37
magway7 is on a distinguished road
По умолчанию

Цитата:
Сообщение от Vic58 Посмотреть сообщение
Это происходит потому, что цепь управления каналами +5В и +3,3В, подключена непосредственно к базе транзистора КТ315, который шунтирует цепь управления и преобразователи оказываются включенными. Я бы резистор 10к, который стоит с базы упомянутого транзистора на землю, оттуда убрал и поставил его в разрыв цепи между базой КТ315 и 5 выводами ЛМ-ок.
вот только что прежде чем открыть тему тоже об этом подумал. Спасибо за совет буду пробовать!
magway7 вне форума   Ответить с цитированием
Старый 12.03.2010, 12:17   #120
magway7
Пользователь
 
Регистрация: 16.12.2009
Возраст: 38
Город: Белгород
Регион: 31
Машина: c5
Сообщений: 37
magway7 is on a distinguished road
По умолчанию

С включением разобрался, сделал как подсказал Vic58. присутствует такой глюк. 3.3 и 5Вольт появляются сразу, а 12 В с задержкой около секунды и нарастает в 2 этапа, сначала меньше а потом секунды через 3 вырастает до нормы. Где собака то порылась???
magway7 вне форума   Ответить с цитированием
Ответ


Здесь присутствуют: 1 (пользователей: 0 , гостей: 1)
 
Опции темы Поиск в этой теме
Поиск в этой теме:

Расширенный поиск

Ваши права в разделе
Вы не можете создавать новые темы
Вы не можете отвечать в темах
Вы не можете прикреплять вложения
Вы не можете редактировать свои сообщения

BB коды Вкл.
Смайлы Вкл.
[IMG] код Вкл.
HTML код Выкл.



Часовой пояс GMT +4, время: 16:37.


Работает на vBulletin® версия 3.8.4.
Copyright ©2000 - 2026, Jelsoft Enterprises Ltd.
Перевод: zCarot