PCCar.ru - Ваш автомобильный компьютер

Вернуться   PCCar.ru - Ваш автомобильный компьютер > MP3Car ТехИнфа > Мониторы > Матрицы для CarPC > Матрицы до 7 дюймов

Ответ
 
Опции темы Поиск в этой теме
Старый 27.08.2009, 17:12   #51
nattu
Новый Пользователь
 
Регистрация: 28.07.2009
Возраст: 51
Регион: 16, 116
Сообщений: 25
nattu is on a distinguished road
По умолчанию

Цитата:
Сообщение от SSAn Посмотреть сообщение
Я твою схему не вижу! У меня только пустая рамка изображения
а так, видно? положил в zip архиве.
Вложения
Тип файла: zip схемка.zip (55.1 Кб, 636 просмотров)
nattu вне форума   Ответить с цитированием
Старый 28.08.2009, 08:56   #52
SSAn
Старший Пользователь
 
Аватар для SSAn
 
Регистрация: 21.02.2008
Город: г. Уфа
Регион: 02
Машина: 2008\Kia\Sportage
Сообщений: 137
SSAn is on a distinguished road
По умолчанию

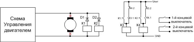
мне кажется надо обязательно сделать гальваническую развязку
А то в определенные моменты питание может попасть на контроллер
Типа так:
Миниатюры
Нажмите на изображение для увеличения
Название: Схема управления двигателем.jpg
Просмотров: 1255
Размер:	13.0 Кб
ID:	12413  
SSAn вне форума   Ответить с цитированием
Старый 28.08.2009, 09:03   #53
SSAn
Старший Пользователь
 
Аватар для SSAn
 
Регистрация: 21.02.2008
Город: г. Уфа
Регион: 02
Машина: 2008\Kia\Sportage
Сообщений: 137
SSAn is on a distinguished road
По умолчанию

Можно конечно сделать развязку на оптронах, а в качестве элемента памяти RS-триггер Но это будет еще сложнее.
SSAn вне форума   Ответить с цитированием
Старый 28.08.2009, 09:38   #54
nattu
Новый Пользователь
 
Регистрация: 28.07.2009
Возраст: 51
Регион: 16, 116
Сообщений: 25
nattu is on a distinguished road
По умолчанию

Спасибо, за помощь.
nattu вне форума   Ответить с цитированием
Старый 07.09.2009, 11:58   #55
nattu
Новый Пользователь
 
Регистрация: 28.07.2009
Возраст: 51
Регион: 16, 116
Сообщений: 25
nattu is on a distinguished road
По умолчанию

Вот как это выглядит
http://www.out-club.ru/board/showthr...t=4254&page=33

Последний раз редактировалось nattu; 06.09.2010 в 15:49.
nattu вне форума   Ответить с цитированием
Старый 13.02.2010, 19:24   #56
Z@GR
Гуру
 
Аватар для Z@GR
 
Регистрация: 20.12.2005
Город: Москва
Регион: 77, 97, 99, 177
Машина: 2004 \ AUDI \ A4 AVANT
Сообщений: 1,625
Z@GR has a spectacular aura aboutZ@GR has a spectacular aura about
По умолчанию

Цитата:
Сообщение от nattu Посмотреть сообщение
Вот как это выглядит http://www.out-club.ru/board/showthr...275#post494275
тока по ссылке могут видеть фотки зареганные юзера
Z@GR вне форума   Ответить с цитированием
Старый 20.05.2011, 19:51   #57
lex111
Новый Пользователь
 
Регистрация: 16.05.2010
Регион: 77, 97, 99, 177
Сообщений: 9
lex111 is on a distinguished road
По умолчанию

Tеперь по подробнее , делал как и говорил по следующей схемке, реле использовал 5 вольтовые JRC-19F (стоимость у нас в Казани, 40 руб./шт.), диоды подобрал так чтобы в момент переключения моторчика держали обратный ток. Плюсик и землю взял на платки PIC (на картинке + красный, - синий), подпоялся к моторчику ответственого за за поднятие экрана. убрал лишнюю шестеренку. отпаял рядом с микриком проводок Angl и завел его на схемку (на реле), вот в принципи и все по переделке монитора. заняло времени два вечера (часа 4 в обшей сложности), и по стоимости руб 100.

Если можно подскажите какие в схеме стоят диоды и какую шестерёнку Вы убрали ? Может есть фото как всё это разместилось в корпусе ?
lex111 вне форума   Ответить с цитированием
Старый 25.05.2011, 03:21   #58
Glouck
Старший Пользователь
 
Регистрация: 03.10.2006
Возраст: 52
Город: Moscow
Регион: 77, 97, 99, 177
Машина: Nissan Elgrand
Сообщений: 246
Glouck will become famous soon enough
По умолчанию

Накрылся мотор привода (который на поднятие работает) где бы такой взять, есть идеи? Номерок с него -PPN13PB12C. Второй, похоже, тоже скоро накроется - щетки там очень уж слабые....
Glouck вне форума   Ответить с цитированием
Ответ


Здесь присутствуют: 1 (пользователей: 0 , гостей: 1)
 
Опции темы Поиск в этой теме
Поиск в этой теме:

Расширенный поиск

Ваши права в разделе
Вы не можете создавать новые темы
Вы не можете отвечать в темах
Вы не можете прикреплять вложения
Вы не можете редактировать свои сообщения

BB коды Вкл.
Смайлы Вкл.
[IMG] код Вкл.
HTML код Выкл.



Часовой пояс GMT +4, время: 09:10.


Работает на vBulletin® версия 3.8.4.
Copyright ©2000 - 2026, Jelsoft Enterprises Ltd.
Перевод: zCarot