PCCar.ru - Ваш автомобильный компьютер

Вернуться   PCCar.ru - Ваш автомобильный компьютер > MP3Car ТехИнфа > АвтоЗвук > Усилители

Ответ
 
Опции темы Поиск в этой теме
Старый 25.01.2010, 17:21   #141
osv.tcom
Новый Пользователь
 
Регистрация: 26.05.2009
Регион: 43
Сообщений: 11
osv.tcom will become famous soon enough
По умолчанию

Для изготовления гальванически развязаного от бортовой сети напряжения питания можно использовать (ИМХО) вот такую штуку: http://www.aimtec.com/am30ew-2412sz-...er-supply.aspx (к примеру). Только вот думается дешевле изготовить гальваническую развязку входных сигналов, чтобы питание усилка не паразитировало по оплётке звукового кабеля. Трансформатор, оптика, ВАЗ. Выбор большой. На любое ухо и кошелёк.
osv.tcom вне форума   Ответить с цитированием
Старый 25.01.2010, 17:30   #142
sdyz
Старший Пользователь
 
Аватар для sdyz
 
Регистрация: 21.05.2009
Возраст: 46
Город: Умань
Регион: Украина
Машина: Subaru Outback 3.0
Сообщений: 214
sdyz is on a distinguished road
По умолчанию

Нууу, можно много чего купить... Но не стоит забывать о таком факторе как ДОСТУПНОСТЬ!
Короче, SMLP! ИМХО
sdyz вне форума   Ответить с цитированием
Старый 25.01.2010, 17:57   #143
Alex-L
Moderator
 
Аватар для Alex-L
 
Регистрация: 23.03.2008
Возраст: 54
Город: Москва, Нагорная
Регион: 77, 97, 99, 177
Машина: Mitsubishi Lancer-X
Сообщений: 2,096
Alex-L is a splendid one to beholdAlex-L is a splendid one to beholdAlex-L is a splendid one to beholdAlex-L is a splendid one to beholdAlex-L is a splendid one to beholdAlex-L is a splendid one to beholdAlex-L is a splendid one to behold
По умолчанию

Цитата:
Сообщение от Fuligan Посмотреть сообщение
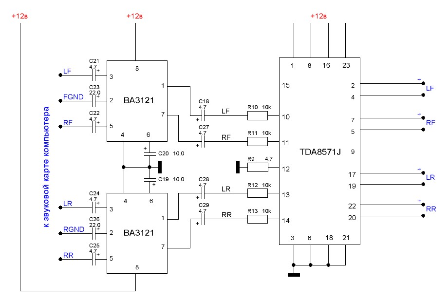
...Как цеплять эту микруху схемку не подскажите ?
Если я правильно разобрался с даташитом на эту BA3121 - включать ее наверное нужно вот так:
Для примера нарисован усилитель TDA8571J, но это может быть любой усилитель.
Миниатюры
Нажмите на изображение для увеличения
Название: BA3121.JPG
Просмотров: 935
Размер:	62.6 Кб
ID:	14610  
Alex-L вне форума   Ответить с цитированием
Старый 25.01.2010, 18:23   #144
Fuligan
Пользователь
 
Регистрация: 12.09.2008
Возраст: 45
Регион: Украина
Сообщений: 64
Fuligan is on a distinguished road
По умолчанию

По моему до меня доперло BA3121 ставится в разрыв между уселком и компом и там получается гальваническая развязка потому как при включенном коме + усилок + БП когда вытаскиваю миниджек из компа шумов нет минус получается разомкнут.
Alex-L то что надо я где то это уже видел буду делать такую штуку.
Fuligan вне форума   Ответить с цитированием
Старый 25.01.2010, 18:28   #145
Alex-L
Moderator
 
Аватар для Alex-L
 
Регистрация: 23.03.2008
Возраст: 54
Город: Москва, Нагорная
Регион: 77, 97, 99, 177
Машина: Mitsubishi Lancer-X
Сообщений: 2,096
Alex-L is a splendid one to beholdAlex-L is a splendid one to beholdAlex-L is a splendid one to beholdAlex-L is a splendid one to beholdAlex-L is a splendid one to beholdAlex-L is a splendid one to beholdAlex-L is a splendid one to behold
По умолчанию

Цитата:
Сообщение от Fuligan Посмотреть сообщение
...только помоему эти микрухи надо ставить пред уселком.
Ну! А я где поставил? Именно перед усилком. Между компом и усилком.
Alex-L вне форума   Ответить с цитированием
Старый 25.01.2010, 18:34   #146
Fuligan
Пользователь
 
Регистрация: 12.09.2008
Возраст: 45
Регион: Украина
Сообщений: 64
Fuligan is on a distinguished road
По умолчанию

Цитата:
Сообщение от Alex-L Посмотреть сообщение
Ну! А я где поставил? Именно перед усилком. Между компом и усилком.
Ты это уже реализовал я так понял ?
Fuligan вне форума   Ответить с цитированием
Старый 25.01.2010, 18:40   #147
Alex-L
Moderator
 
Аватар для Alex-L
 
Регистрация: 23.03.2008
Возраст: 54
Город: Москва, Нагорная
Регион: 77, 97, 99, 177
Машина: Mitsubishi Lancer-X
Сообщений: 2,096
Alex-L is a splendid one to beholdAlex-L is a splendid one to beholdAlex-L is a splendid one to beholdAlex-L is a splendid one to beholdAlex-L is a splendid one to beholdAlex-L is a splendid one to beholdAlex-L is a splendid one to behold
По умолчанию

Цитата:
Сообщение от Fuligan Посмотреть сообщение
Ты это уже реализовал я так понял ?
Нет. Сам не делал. В той конфигурации что у меня сейчас (Intel D201GLY2A + TDA8571J) и так шумов нет. А вот визги и хрюки в связке Intel D945GCLF2 + TDA8571J мне победить не удалось, хотел туда эту BA3121 прикрутить, но не успел - все продал...
Alex-L вне форума   Ответить с цитированием
Старый 25.01.2010, 18:45   #148
Alex-L
Moderator
 
Аватар для Alex-L
 
Регистрация: 23.03.2008
Возраст: 54
Город: Москва, Нагорная
Регион: 77, 97, 99, 177
Машина: Mitsubishi Lancer-X
Сообщений: 2,096
Alex-L is a splendid one to beholdAlex-L is a splendid one to beholdAlex-L is a splendid one to beholdAlex-L is a splendid one to beholdAlex-L is a splendid one to beholdAlex-L is a splendid one to beholdAlex-L is a splendid one to behold
По умолчанию

Цитата:
Сообщение от osv.tcom Посмотреть сообщение
Для изготовления гальванически развязаного от бортовой сети напряжения питания можно использовать (ИМХО) вот такую штуку: http://www.aimtec.com/am30ew-2412sz-...er-supply.aspx (к примеру)...
"Max output current (A): 2.5 " - маловато будет для питания усилителя! У TDA8571J, например, пиковый ток 7.5А
Alex-L вне форума   Ответить с цитированием
Старый 17.03.2010, 18:15   #149
User14
Новый Пользователь
 
Регистрация: 12.01.2009
Регион: 77, 97, 99, 177
Сообщений: 11
User14 is on a distinguished road
По умолчанию

Господа, а есть готовые ДЕШЕВЫЕ решения в виде готовых к установке усилков с подавлением шумов, чтобы с одной стороны воткнуть комп, с другой 4 штатные колонки и получить рабочую систему, не уступающую штатным(без плясок с фильтрами, развязками и прочим.
User14 вне форума   Ответить с цитированием
Старый 17.03.2010, 18:23   #150
sdyz
Старший Пользователь
 
Аватар для sdyz
 
Регистрация: 21.05.2009
Возраст: 46
Город: Умань
Регион: Украина
Машина: Subaru Outback 3.0
Сообщений: 214
sdyz is on a distinguished road
По умолчанию

Цитата:
Сообщение от User14 Посмотреть сообщение
Господа, а есть готовые ДЕШЕВЫЕ решения в виде готовых к установке усилков с подавлением шумов, чтобы с одной стороны воткнуть комп, с другой 4 штатные колонки и получить рабочую систему, не уступающую штатным(без плясок с фильтрами, развязками и прочим.
Дешевле мастеркитовского решения - сомневаюсь.
sdyz вне форума   Ответить с цитированием
Ответ


Здесь присутствуют: 1 (пользователей: 0 , гостей: 1)
 
Опции темы Поиск в этой теме
Поиск в этой теме:

Расширенный поиск

Ваши права в разделе
Вы не можете создавать новые темы
Вы не можете отвечать в темах
Вы не можете прикреплять вложения
Вы не можете редактировать свои сообщения

BB коды Вкл.
Смайлы Вкл.
[IMG] код Вкл.
HTML код Выкл.



Часовой пояс GMT +4, время: 18:02.


Работает на vBulletin® версия 3.8.4.
Copyright ©2000 - 2026, Jelsoft Enterprises Ltd.
Перевод: zCarot