PCCar.ru - Ваш автомобильный компьютер

Вернуться   PCCar.ru - Ваш автомобильный компьютер > MP3Car ТехИнфа > Беcпроводные коммуникации > Радио/ТВ

Ответ
 
Опции темы Поиск в этой теме
Старый 16.01.2010, 17:23   #811
Winlin
Старший Пользователь
 
Регистрация: 19.11.2009
Возраст: 53
Регион: 54
Сообщений: 308
Winlin is on a distinguished road
По умолчанию

у меня разводка такая

ce pin3 lm>d0 pin2 lpt
cl pin4 lm>d2 pin4 lpt
data pin5 lm>d1 pin3 lpt

пробую без тюнера(т.к не уверен в его работоспособности не вижу vc0) просто вкл\выкл сделать акцессной версией.

ни фига не 8 ноге не меняется. LM-ки менял результат тот же.

выяснил что акцесная версия по кнопке вкл\выкл меняет состояние не 8 ноги как на схеме ,а 7
а 8 нога меняет свое состояние если переключать FM\AM

FMavto по вкл\выкл меняет состояние 8 ноги.
но перестройкии частоты у меня все равно нет при поключенном тюнере, нет VCO сигнала с тюнера. (может дохлый, хотя переменным резистором по VT чего то ловит)

Блин автор программы пропал из форума, а прог и схем уже десяток.
фиг пойми для какой разводки какая программа соответствует.

Последний раз редактировалось Winlin; 16.01.2010 в 17:57.
Winlin вне форума   Ответить с цитированием
Старый 16.01.2010, 18:26   #812
Alex-L
Moderator
 
Аватар для Alex-L
 
Регистрация: 23.03.2008
Возраст: 54
Город: Москва, Нагорная
Регион: 77, 97, 99, 177
Машина: Mitsubishi Lancer-X
Сообщений: 2,096
Alex-L is a splendid one to beholdAlex-L is a splendid one to beholdAlex-L is a splendid one to beholdAlex-L is a splendid one to beholdAlex-L is a splendid one to beholdAlex-L is a splendid one to beholdAlex-L is a splendid one to behold
По умолчанию

Всем привет! Действительно - давненько меня тут не было Командировка, новый год, еще одна командировка, еще один новый год ой

Winlin
Для последней аксовой версии распиновка кабеля у тебя правильная:
'CE (pin3 LM7001) > D0 (pin2 LPT)
'Data (pin5 LM7001) > D1 (pin3 LPT)
'CL (pin4 LM7001) > D2 (pin4 LPT)
В софте от Dadlick'а, в "экзешнике" и в плагинах, реализована возможность программной настройки выводов LPT порта.
Без тюнера, как уже неоднократно здесь писалось, ничего работать не будет и не должно. Хотя вкл/выкл работать обязано!
При подаче питания на схему, на 7-й ноге будут импульсы 8Гц. Уже потом, программно, можно управлять состоянием этого выхода. Но при включении - там 8Гц всегда. Именно поэтому для управления питанием использована нога 8. Что при этом происходит на ногах 7 и 9 нам на данном этапе не интересно.
Вот русский сокращенный даташит на LM-ку (полная версия на английском). В нем на второй странице "таблица 2", в ней - состояние выводов 7-9 в зависимости от управляющих бит B0-TB.
Для того чтобы понять что на самом деле происходит на этих ногах - припаяй к ним светодиоды:
7 нога - резистор 1к - < - +5v
8 нога - резистор 1к - < - +5v
9 нога - резистор 1к - < - +5v
< - это светодиод
Забудь про переключатель AM/FM. Это одна из самых первых версий программы - в ней полно косяков и недоработок. После нее была куча изменений в т.ч. и в алгоритме управления. Скачай последнюю стабильно работающую версию. Если интересно покопаться в коде - вот пожалуйста mdb-шка

Последний раз редактировалось Alex-L; 16.01.2010 в 20:29.
Alex-L вне форума   Ответить с цитированием
Старый 16.01.2010, 18:34   #813
Alex-L
Moderator
 
Аватар для Alex-L
 
Регистрация: 23.03.2008
Возраст: 54
Город: Москва, Нагорная
Регион: 77, 97, 99, 177
Машина: Mitsubishi Lancer-X
Сообщений: 2,096
Alex-L is a splendid one to beholdAlex-L is a splendid one to beholdAlex-L is a splendid one to beholdAlex-L is a splendid one to beholdAlex-L is a splendid one to beholdAlex-L is a splendid one to beholdAlex-L is a splendid one to behold
По умолчанию

Цитата:
Сообщение от linoobs1 Посмотреть сообщение
...у меня проблема с плагином под Центрифугу, запускаю ее, и данные больше на LPT не идут, даже если выключить ее и запустить FMAvto не помогает, только перезагружать комп. Уже не знаю что и делать.
Вопросы конкретно по FMAvto и софту от Dadlick'а обсуждаем тут: http://www.pccar.ru/showthread.php?t=10050&page=20
Alex-L вне форума   Ответить с цитированием
Старый 16.01.2010, 19:50   #814
Winlin
Старший Пользователь
 
Регистрация: 19.11.2009
Возраст: 53
Регион: 54
Сообщений: 308
Winlin is on a distinguished road
По умолчанию

в плате, из которой выпаял тюнер, стоит чип LC 7218, так вот как выяснил, VCO идет не напрямую как, например VCO AM на ногу AMIN данной микрухи, а через транзистор (полагаю усилитель) на ногу FMIN. Завтра попробую собрать этот усилитель из деталек на плате, мож чего и проснется. Кстати может кто набросает схемку типового усилителя сигнала VCO.
Winlin вне форума   Ответить с цитированием
Старый 16.01.2010, 20:23   #815
Alex-L
Moderator
 
Аватар для Alex-L
 
Регистрация: 23.03.2008
Возраст: 54
Город: Москва, Нагорная
Регион: 77, 97, 99, 177
Машина: Mitsubishi Lancer-X
Сообщений: 2,096
Alex-L is a splendid one to beholdAlex-L is a splendid one to beholdAlex-L is a splendid one to beholdAlex-L is a splendid one to beholdAlex-L is a splendid one to beholdAlex-L is a splendid one to beholdAlex-L is a splendid one to behold
По умолчанию

Кусок схемы из какого то-пионера...
FM-VCO - к одноименной ноге радиомодуля
11 - к 11-й ноге lm-ки
+8.2в - питание радиомодуля
Миниатюры
Нажмите на изображение для увеличения
Название: 11.gif
Просмотров: 1509
Размер:	5.4 Кб
ID:	14511  
Alex-L вне форума   Ответить с цитированием
Старый 16.01.2010, 21:06   #816
Winlin
Старший Пользователь
 
Регистрация: 19.11.2009
Возраст: 53
Регион: 54
Сообщений: 308
Winlin is on a distinguished road
По умолчанию

ну что то подобное я с платы и срисовал. Отрезал питание на плате, вход и выход
подключил к тюнеру и снова тишина нифига не перестраивает) осциллографом по прежнему не вижу VCO.
Кстати и модноли тюнер подключать проводами длиной по 10 см. А то уже и не знаю на что подумать. Может провода длинные.
Winlin вне форума   Ответить с цитированием
Старый 16.01.2010, 21:14   #817
Vic58
Старший Пользователь
 
Регистрация: 21.10.2009
Регион: 61
Сообщений: 603
Vic58 is on a distinguished road
По умолчанию

Цитата:
Сообщение от Winlin Посмотреть сообщение
в плате, из которой выпаял тюнер, стоит чип LC 7218, так вот как выяснил, VCO идет не напрямую как, например VCO AM на ногу AMIN данной микрухи, а через транзистор (полагаю усилитель) на ногу FMIN. Завтра попробую собрать этот усилитель из деталек на плате, мож чего и проснется. Кстати может кто набросает схемку типового усилителя сигнала VCO.
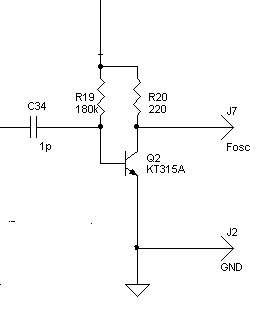
Я ж и говорю тюнер на место в плату магнитолы надо поставить. А LC7218 чудесно меняется на LM7000/LM7001 я в Пионере своем на место 48 ногой микросхемы синтезатора LM-ку ставил, а тут прямо сама просится там и интегратор и все усилители. А усилитель я применял именно для этой цели в других правда случаях такой как на вложении.
Миниатюры
Нажмите на изображение для увеличения
Название: amp.bmp
Просмотров: 857
Размер:	11.2 Кб
ID:	14512  
Vic58 вне форума   Ответить с цитированием
Старый 16.01.2010, 21:16   #818
Alex-L
Moderator
 
Аватар для Alex-L
 
Регистрация: 23.03.2008
Возраст: 54
Город: Москва, Нагорная
Регион: 77, 97, 99, 177
Машина: Mitsubishi Lancer-X
Сообщений: 2,096
Alex-L is a splendid one to beholdAlex-L is a splendid one to beholdAlex-L is a splendid one to beholdAlex-L is a splendid one to beholdAlex-L is a splendid one to beholdAlex-L is a splendid one to beholdAlex-L is a splendid one to behold
По умолчанию

Цитата:
Сообщение от Winlin Посмотреть сообщение
ну что то подобное я с платы и срисовал. Отрезал питание на плате, вход и выход
подключил к тюнеру и снова тишина нифига не перестраивает) осциллографом по прежнему не вижу VCO.
Кстати и модноли тюнер подключать проводами длиной по 10 см. А то уже и не знаю на что подумать. Может провода длинные.
У тебя ну просто один в один повторяется моя история. В том числе и с этим усилителем который абсолютно ничего не дает. Мои проблемы решились заменой радиомодуля ну и, естественно, исправлением всех косяков.
Мой совет будет такой - добейся нормальной совместной работы программы и LM-ки (включения / выключения питания радиомодуля транзистором VT2) и меняй радиомодуль.
Alex-L вне форума   Ответить с цитированием
Старый 16.01.2010, 21:38   #819
Winlin
Старший Пользователь
 
Регистрация: 19.11.2009
Возраст: 53
Регион: 54
Сообщений: 308
Winlin is on a distinguished road
По умолчанию

вкл\выкл уже работает с прогой FMavto.msi которая ставится. А вот с тюнером беда. Если тюнер питается вместо 8.2В
9В это ктритично?
вот такой у меня осциллограф http://www.rlocman.ru/op/tovar.html?di=49953&/-3 вроде и 100Мгц должен показать.
Winlin вне форума   Ответить с цитированием
Старый 16.01.2010, 21:43   #820
Alex-L
Moderator
 
Аватар для Alex-L
 
Регистрация: 23.03.2008
Возраст: 54
Город: Москва, Нагорная
Регион: 77, 97, 99, 177
Машина: Mitsubishi Lancer-X
Сообщений: 2,096
Alex-L is a splendid one to beholdAlex-L is a splendid one to beholdAlex-L is a splendid one to beholdAlex-L is a splendid one to beholdAlex-L is a splendid one to beholdAlex-L is a splendid one to beholdAlex-L is a splendid one to behold
По умолчанию

Нет, до 9в нормально. У меня и от 11.5 работал только греться стал сильно
Alex-L вне форума   Ответить с цитированием
Ответ

Метки
радио, разработка


Здесь присутствуют: 1 (пользователей: 0 , гостей: 1)
 
Опции темы Поиск в этой теме
Поиск в этой теме:

Расширенный поиск

Ваши права в разделе
Вы не можете создавать новые темы
Вы не можете отвечать в темах
Вы не можете прикреплять вложения
Вы не можете редактировать свои сообщения

BB коды Вкл.
Смайлы Вкл.
[IMG] код Вкл.
HTML код Выкл.



Часовой пояс GMT +4, время: 01:01.


Работает на vBulletin® версия 3.8.4.
Copyright ©2000 - 2026, Jelsoft Enterprises Ltd.
Перевод: zCarot