PCCar.ru - Ваш автомобильный компьютер

Вернуться   PCCar.ru - Ваш автомобильный компьютер > MP3Car ТехИнфа > Блоки питания > Контроллеры управления питанием

Ответ
 
Опции темы Поиск в этой теме
Старый 17.11.2009, 11:34   #251
Electron
Пользователь
 
Регистрация: 03.08.2007
Возраст: 41
Город: Саранск
Регион: 13
Машина: Subaru Outback
Сообщений: 42
Electron is on a distinguished road
По умолчанию

Цитата:
Сообщение от awtoap Посмотреть сообщение
Ну я знаю че такое супрессор(или TVS). Почему их на схеме нет? Во вторых они у вас что так воткнуты, например на входе?
Параллельно питанию после предохранителя.

Цитата:
Сообщение от awtoap Посмотреть сообщение
По ISLxxxxx сказать ничего не могу...хороша или плоха, только я глянул у парочки своих поставщиков и у них нече нет, т.е. др. слова нафига ставить диковинную вещь (или редкостную у наших поставщиков). Вы веть на массы любителей делаете, поэтому пытайтесь ставить широко распространенные элементы.
Фу.. отлегло))) Выбирал по наилучшим параметра без учёта доступности, так как заказывал образцы напрямую у производителя. Доступное решение - релейный коммутатор. Возможно даже пареметры получше будут. Сам думал на релюхах собирать, пока не получил подтверждения об отправке образцов.
Цитата:
Сообщение от awtoap Посмотреть сообщение
И выкиньте 220 Ом вообще. Ибо судя по схеме её явный ламер делал!!!
Исправлю.

Цитата:
Сообщение от Vladget Посмотреть сообщение
А не будет ли быстрее (правильнее), если тот кто знает как правильно делать вместо замечаний по чуть чуть раз в два дня - просто возьмет схему и нарисует (исправит) как надо и ВСЕ будет как надо, иначе этому конца не будет получается "ЭТО НЕ ТАК" исправили, через два дня "ТУТ ВСЕ Х-ня" исправили, еще через два дня "Да тут и детали все не те" следующее будет почему одно реле черного цвета а другое белое а схема то выложена для повторения остальные ждут конца этих дебатов а они дальше обычной критики не двигаются (одни критикуют наверно дельно другой исправляет ну предложите свой (свои) варианты схемы окончательной) или не собирать её вообще.
Может быть и быстрее и правильнее, только хотелось бы понять суть ошибок, чтобы больше их не делать.
Electron вне форума   Ответить с цитированием
Старый 17.11.2009, 11:54   #252
Vladget
Moderator
 
Регистрация: 04.04.2009
Возраст: 69
Город: Краснодар
Регион: 23, 93
Машина: HONDA CR-V-08
Сообщений: 3,129
Vladget is a splendid one to beholdVladget is a splendid one to beholdVladget is a splendid one to beholdVladget is a splendid one to beholdVladget is a splendid one to beholdVladget is a splendid one to beholdVladget is a splendid one to behold
По умолчанию

Неужели дождались? Что уже конец дебатов? ну наконец то. Когда ждать версию 6,0
Vladget вне форума   Ответить с цитированием
Старый 17.11.2009, 19:28   #253
awtoap
Гуру
 
Аватар для awtoap
 
Регистрация: 19.09.2009
Возраст: 48
Город: Мелитополь
Регион: Украина
Сообщений: 2,022
awtoap is a splendid one to beholdawtoap is a splendid one to beholdawtoap is a splendid one to beholdawtoap is a splendid one to beholdawtoap is a splendid one to beholdawtoap is a splendid one to beholdawtoap is a splendid one to behold
По умолчанию

Ну если у людей уже работает, то собирайте чего мучаетесь. От тех рекомендаций, что привел выше логика работы не поменяется.

Как по мне, то я ради интереса просто взглянул на схему и мне не понравились схемотехническое решение. Лично мне эта схема не нужна вообще!!!

Кстати обычное реле на коммутатор аудивходов типа РЭС60 (с позолотой на контактах которые в савковых мафонах стояли типа Маяк233) в полне пойдут.

Так что еще раз подчеркиваю то, что если вас устраивает тот функционал, что есть - делайте!
awtoap вне форума   Ответить с цитированием
Старый 17.11.2009, 23:31   #254
Electron
Пользователь
 
Регистрация: 03.08.2007
Возраст: 41
Город: Саранск
Регион: 13
Машина: Subaru Outback
Сообщений: 42
Electron is on a distinguished road
По умолчанию

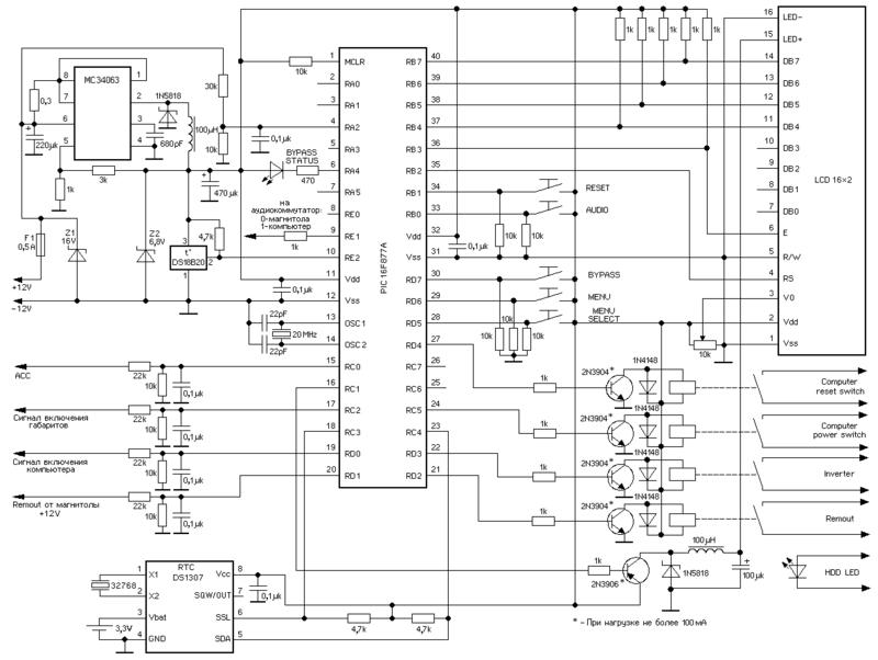
Обновлённая схема и свежая прошивка.
Изменения в прошивке: Переведены на русский некоторые слова интерфейса, добавлен индикатор состояния выхода ремоут, реализовано отключение ремоута в режиме магнитолы при проседании аккумулятора ниже 11В.
Миниатюры
Нажмите на изображение для увеличения
Название: kontroller_V6.jpg
Просмотров: 1385
Размер:	66.2 Кб
ID:	13909  
Вложения
Тип файла: rar STEP5_30.RAR (10.1 Кб, 918 просмотров)
Electron вне форума   Ответить с цитированием
Старый 18.11.2009, 10:43   #255
Самоделкин
Старший Пользователь
 
Аватар для Самоделкин
 
Регистрация: 12.03.2007
Возраст: 62
Город: Москва
Регион: 77, 97, 99, 177
Машина: Nissan MAXIMA
Сообщений: 263
Самоделкин will become famous soon enough
По умолчанию

Зря избавились от 78L05, теперь получается что входные сигналы при таком делителе должны быть не менее 10в, тогда уж надо было заводить на порты с ТТЛ.
__________________
Разработка устройств для CarPC
Самоделкин вне форума   Ответить с цитированием
Старый 18.11.2009, 12:45   #256
Vladget
Moderator
 
Регистрация: 04.04.2009
Возраст: 69
Город: Краснодар
Регион: 23, 93
Машина: HONDA CR-V-08
Сообщений: 3,129
Vladget is a splendid one to beholdVladget is a splendid one to beholdVladget is a splendid one to beholdVladget is a splendid one to beholdVladget is a splendid one to beholdVladget is a splendid one to beholdVladget is a splendid one to behold
По умолчанию

Так пошел обратный отсчет КТО КОГО
Vladget вне форума   Ответить с цитированием
Старый 18.11.2009, 15:22   #257
Electron
Пользователь
 
Регистрация: 03.08.2007
Возраст: 41
Город: Саранск
Регион: 13
Машина: Subaru Outback
Сообщений: 42
Electron is on a distinguished road
По умолчанию

Цитата:
Сообщение от Самоделкин Посмотреть сообщение
Зря избавились от 78L05, теперь получается что входные сигналы при таком делителе должны быть не менее 10в, тогда уж надо было заводить на порты с ТТЛ.
Согласен, но проблем это создать не должно т.к. активный уровень этих сигналов 12в, а ниже 11 контроллер уже всё вырубит. А при входных 5 вольтах 78L05 точно бессмысленна. Если кому то понадобится отрабатывать любой другой уровень, пересчитать делитель надеюсь не составит труда.
Цитата:
Сообщение от Vladget Посмотреть сообщение
Так пошел обратный отсчет КТО КОГО
Vladget если не заказали печатки для предыдущей то делайте последнюю версию, по функционалу разницы с предыдущей нет, причины внесённых изменений описаны. Работоспособна любая версия. Коррекция прошивки также не требуется. Больше аппаратных изменений думаю не будет. Ну а тип транзисторов зависит от применяемых реле и индикатора, примерный вариант я указал, мне хватает, если будете ставить более прожорливые, подберите более мощный транзистор, ибо универсального варианта нет, точнее можно конечно заранее указать более мощные, но при экономичной нагрузке это будет неоправданно и по цене дороже.

P.S. В аттаче печатки для обновлённой схемы (также исправил косяк с предохранителем и питание всех реле развёл на 5В, как на схеме).
Вложения
Тип файла: rar Pechatki v6.rar (37.1 Кб, 742 просмотров)

Последний раз редактировалось Electron; 28.02.2010 в 18:00.
Electron вне форума   Ответить с цитированием
Старый 18.11.2009, 19:17   #258
awtoap
Гуру
 
Аватар для awtoap
 
Регистрация: 19.09.2009
Возраст: 48
Город: Мелитополь
Регион: Украина
Сообщений: 2,022
awtoap is a splendid one to beholdawtoap is a splendid one to beholdawtoap is a splendid one to beholdawtoap is a splendid one to beholdawtoap is a splendid one to beholdawtoap is a splendid one to beholdawtoap is a splendid one to behold
По умолчанию

Да просто делитель не 22 и 10к, а 22 и 22к - радуйтесь. Просто я делаю не штучные изделия а десятками и стараюсь применять по возможности однотипные номиналы. Ну если так не нравится то 22 и 15к будет в самый раз. А так всё отлично.

Ну добавьте реле еще на аудикоммутатор с двумя парами контактов и всё. Кто захочет микру, пусть уже сам поставит.

И в качестве предохранителя, как по мне, лучше применить самовостанавливающийся. (Позже глянул печятку...уже стоит такой).

Вот только нахрена все реле разных типов мне непонятно!!! Примените копеечную JQC-3F-1C-12VDC.

На печатке дохрена переходов (для еденичного изделия пойдет). У меня лично параноя делать однослойку и без перемычек (это в идеале). Я сначала рисую плату из головы, а потом только схему. Предварительно могу только зарисовать аналоговые узлы (типа стаба на MC34063). Тоесть на бумаге расписываю входы-выходы и ответсвенные выводы типа ADC или I2C, а все остальное развожу на близлежащие ноги. Мне проще прогу написать по месту, чем туеву хучю перемычек паять.
awtoap вне форума   Ответить с цитированием
Старый 18.11.2009, 22:42   #259
Virtual
Гуру
 
Регистрация: 07.11.2009
Возраст: 51
Регион: 02
Машина: Hyundai Accent :)
Сообщений: 1,361
Virtual has a spectacular aura aboutVirtual has a spectacular aura about
По умолчанию

Цитата:
Мне проще прогу написать по месту, чем туеву хучю перемычек паять.
как знакомо, особо что всетаки от 5шт килоомных резисторов можно отказатся., точнее 100% смогу сказать только через неделю,(до работы с контроллером доберусь как) (это если В порт пользовать.)
Virtual вне форума   Ответить с цитированием
Старый 19.11.2009, 01:58   #260
Electron
Пользователь
 
Регистрация: 03.08.2007
Возраст: 41
Город: Саранск
Регион: 13
Машина: Subaru Outback
Сообщений: 42
Electron is on a distinguished road
По умолчанию

Цитата:
Сообщение от awtoap Посмотреть сообщение
Да просто делитель не 22 и 10к, а 22 и 22к - радуйтесь. Просто я делаю не штучные изделия а десятками и стараюсь применять по возможности однотипные номиналы. Ну если так не нравится то 22 и 15к будет в самый раз. А так всё отлично.
Если учесть что напряжение бортсети не 12, а 14 вольт, то в любом случае получается нагрузка защитных диодов контроллера, что имхо не есть хорошо, хотя сгореть они тоже не должны, ток не выше предельного, для меньших входных напряжений нормально будет.

Цитата:
Сообщение от awtoap Посмотреть сообщение
Ну добавьте реле еще на аудикоммутатор с двумя парами контактов и всё. Кто захочет микру, пусть уже сам поставит.
Завтра набросаю

Цитата:
Сообщение от awtoap Посмотреть сообщение
Вот только нахрена все реле разных типов мне непонятно!!! Примените копеечную JQC-3F-1C-12VDC.
Ставил то что под рукой было. Силовые на 40 и 33А, с запасом)). Но для удобоповторяемости печатку можно переделать, ибо различных релюх в такой корпусировке куча. Только для кнопок жирно получается.

Цитата:
Сообщение от awtoap Посмотреть сообщение
На печатке дохрена переходов (для еденичного изделия пойдет). У меня лично параноя делать однослойку и без перемычек (это в идеале). Я сначала рисую плату из головы, а потом только схему. Предварительно могу только зарисовать аналоговые узлы (типа стаба на MC34063). Тоесть на бумаге расписываю входы-выходы и ответсвенные выводы типа ADC или I2C, а все остальное развожу на близлежащие ноги. Мне проще прогу написать по месту, чем туеву хучю перемычек паять.
С МК особо актуально. Практичный подход. Пожалуй в дальнейшем тоже так делать буду.
Electron вне форума   Ответить с цитированием
Ответ


Здесь присутствуют: 1 (пользователей: 0 , гостей: 1)
 
Опции темы Поиск в этой теме
Поиск в этой теме:

Расширенный поиск

Ваши права в разделе
Вы не можете создавать новые темы
Вы не можете отвечать в темах
Вы не можете прикреплять вложения
Вы не можете редактировать свои сообщения

BB коды Вкл.
Смайлы Вкл.
[IMG] код Вкл.
HTML код Выкл.



Часовой пояс GMT +4, время: 13:39.


Работает на vBulletin® версия 3.8.4.
Copyright ©2000 - 2026, Jelsoft Enterprises Ltd.
Перевод: zCarot