PCCar.ru - Ваш автомобильный компьютер

Вернуться   PCCar.ru - Ваш автомобильный компьютер > MP3Car ТехИнфа > Беcпроводные коммуникации > Радио/ТВ

Ответ
 
Опции темы Поиск в этой теме
Старый 11.11.2009, 18:57   #691
Vic58
Старший Пользователь
 
Регистрация: 21.10.2009
Регион: 61
Сообщений: 603
Vic58 is on a distinguished road
По умолчанию

Цитата:
Сообщение от ancc Посмотреть сообщение
У него есть выход S-meter. Сейчас прям проверил на этом выводе постоянное напряжение, которое зависит от уровня сигнала, при настройке на станцию поднимается где-то 1,5-1,8В при уходе от станции оно падает до 0,2-0,1В.
Все правильно, и что с ним дальше делать? Это нужно для отображения силы сигнала, был кстати, вопрос по S-метру, в перспективе через АЦП какой нибудь четырехуровневый пропустить и на индикацию вывести.
А для настройки есть вывод SD, уже проверил.

Цитата:
Сообщение от ancc Посмотреть сообщение
По поводу надтональных частот тоже не совсем понятно. В тюнере встроен стереодекодер, который выделяя стереосигнал все лишнее убирает, откуда там надтональные частоты?
Вот именно стереодекодер и гонит надтональную частоту, а убирать ее надо после. В магнитолах этим занимается звуковой процессор (в той магнитоле из которой мой тюнер это LC75383, если не ошибаюсь). Надо посмотреть осциллографом сигнал на выходе тюнера как он есть и все станет понятно.
Vic58 вне форума   Ответить с цитированием
Старый 11.11.2009, 19:59   #692
ancc
Гуру
 
Регистрация: 17.03.2008
Возраст: 47
Город: Новокузнецк
Регион: 42
Машина: 2003\Lexus\RX330
Сообщений: 1,192
ancc is a splendid one to beholdancc is a splendid one to beholdancc is a splendid one to beholdancc is a splendid one to beholdancc is a splendid one to beholdancc is a splendid one to beholdancc is a splendid one to behold
По умолчанию

Цитата:
Сообщение от Vic58 Посмотреть сообщение
Все правильно, и что с ним дальше делать? Это нужно для отображения силы сигнала, был кстати, вопрос по S-метру, в перспективе через АЦП какой нибудь четырехуровневый пропустить и на индикацию вывести.
А для настройки есть вывод SD, уже проверил.
у того тюнера который я ковыряю нет SD, только этот сигнал и он идет в проц.
ancc вне форума   Ответить с цитированием
Старый 11.11.2009, 22:18   #693
Vic58
Старший Пользователь
 
Регистрация: 21.10.2009
Регион: 61
Сообщений: 603
Vic58 is on a distinguished road
По умолчанию

Цитата:
Сообщение от ancc Посмотреть сообщение
у того тюнера который я ковыряю нет SD, только этот сигнал и он идет в проц.
Не понял сигнал с выхода S-метра идет в процессор?

у моего есть: FM_DET, SD, S-METER.
FM_DET - без сигнала на выходе высокий уровень, при сигнале - аудио сигнал;
SD (открытытй коллектор) - без сигнала "0", при приближениии к станции цифровые импульсы, при сильном сигнале или точной настройке "1".
S-meter - детектированный (выпрямленный) аудио сигнал, изменяющийся при изменении уровня сигнала или настройке.

Ищите выход с открытым коллектором, потому что именно он используется для передачи сигнала от тюнера к контроллеру т.к. обеспечивает согласование уровней сигналов по питанию, у тюнера питание 8 Вольт у контроллеров и др управляющих схем - 5 В. Открытый коллектор питают от питания контроллера и таким образом согласовывают уровни сигналов.
Если выложите распиновку тюнера подумаем вместе.
Vic58 вне форума   Ответить с цитированием
Старый 12.11.2009, 00:26   #694
s.m.
Гуру
 
Регистрация: 20.07.2009
Город: Минск
Регион: Беларусь
Сообщений: 1,543
s.m. is a splendid one to beholds.m. is a splendid one to beholds.m. is a splendid one to beholds.m. is a splendid one to beholds.m. is a splendid one to beholds.m. is a splendid one to beholds.m. is a splendid one to behold
По умолчанию

S-meter - ТОЛЬКО УРОВЕНЬ сигнала, любого сигнала, не обязательно точно настроенной станции, в тюнерах сони достигает 6в, в перелопаченных мной схемах магнитол задействован только в дорогих моделях, то есть как ДОПОЛНИТЕЛЬНЫЙ критерий качества сигнала, не основной. В большинстве схем подсчетом частоты и логикой поиска занимается центральный проц, синтезатор LM7001 не имеет этих цепей, нужно менять синтезатор для реализации поиска
s.m. вне форума   Ответить с цитированием
Старый 12.11.2009, 06:23   #695
ancc
Гуру
 
Регистрация: 17.03.2008
Возраст: 47
Город: Новокузнецк
Регион: 42
Машина: 2003\Lexus\RX330
Сообщений: 1,192
ancc is a splendid one to beholdancc is a splendid one to beholdancc is a splendid one to beholdancc is a splendid one to beholdancc is a splendid one to beholdancc is a splendid one to beholdancc is a splendid one to behold
По умолчанию

Цитата:
Сообщение от Vic58 Посмотреть сообщение
Если выложите распиновку тюнера подумаем вместе.
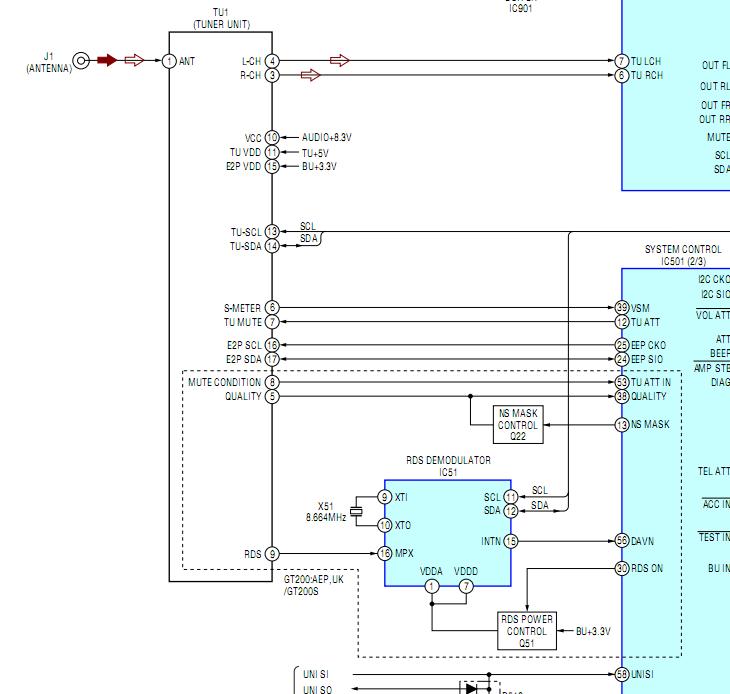
вот.

это не распиновка, но там все тоже самое.
Миниатюры
Нажмите на изображение для увеличения
Название: gt200s.JPG
Просмотров: 1192
Размер:	56.9 Кб
ID:	13846  
ancc вне форума   Ответить с цитированием
Старый 12.11.2009, 06:28   #696
ancc
Гуру
 
Регистрация: 17.03.2008
Возраст: 47
Город: Новокузнецк
Регион: 42
Машина: 2003\Lexus\RX330
Сообщений: 1,192
ancc is a splendid one to beholdancc is a splendid one to beholdancc is a splendid one to beholdancc is a splendid one to beholdancc is a splendid one to beholdancc is a splendid one to beholdancc is a splendid one to behold
По умолчанию

Цитата:
Сообщение от s.m. Посмотреть сообщение
S-meter - ТОЛЬКО УРОВЕНЬ сигнала, любого сигнала, не обязательно точно настроенной станции, в тюнерах сони достигает 6в, в перелопаченных мной схемах магнитол задействован только в дорогих моделях, то есть как ДОПОЛНИТЕЛЬНЫЙ критерий качества сигнала, не основной. В большинстве схем подсчетом частоты и логикой поиска занимается центральный проц, синтезатор LM7001 не имеет этих цепей, нужно менять синтезатор для реализации поиска
но на точно настроенной станции уровень сигнала будет максимальный. как я уже говорил, автопоиск станции может словить и помеху какую-то с высоким уровнем.
Насчет поиска это понятно что этим почти всегда занимается процессор, а синтезатор может быть любой.
ancc вне форума   Ответить с цитированием
Старый 12.11.2009, 07:31   #697
ancc
Гуру
 
Регистрация: 17.03.2008
Возраст: 47
Город: Новокузнецк
Регион: 42
Машина: 2003\Lexus\RX330
Сообщений: 1,192
ancc is a splendid one to beholdancc is a splendid one to beholdancc is a splendid one to beholdancc is a splendid one to beholdancc is a splendid one to beholdancc is a splendid one to beholdancc is a splendid one to behold
По умолчанию

Цитата:
Сообщение от Vic58 Посмотреть сообщение
SD (открытытй коллектор) - без сигнала "0", при приближениии к станции цифровые импульсы, при сильном сигнале или точной настройке "1".
сейчас посмотрел схему обычной магнитолы и мне кажется что SD это выход, который активен при обнаружении стерео-сигнала.
ancc вне форума   Ответить с цитированием
Старый 12.11.2009, 09:36   #698
Vic58
Старший Пользователь
 
Регистрация: 21.10.2009
Регион: 61
Сообщений: 603
Vic58 is on a distinguished road
По умолчанию

Цитата:
Сообщение от ancc Посмотреть сообщение
сейчас посмотрел схему обычной магнитолы и мне кажется что SD это выход, который активен при обнаружении стерео-сигнала.
В моей схеме сигнал с выхода SD приходит на процессор параллельно на вход FM SD и AM-SD (Sony XR3503), понятно что на АМ стерео быть не может, это первое. Второе, как я уже говорил, проверено - без стерео сигнала, при появлении-убирании радиосигнала меняется состояние выхода и имеет "0"- при отсутствии сигнала, "1" или импульсы - при наличии.

Последний раз редактировалось Vic58; 12.11.2009 в 10:28.
Vic58 вне форума   Ответить с цитированием
Старый 12.11.2009, 09:49   #699
Vic58
Старший Пользователь
 
Регистрация: 21.10.2009
Регион: 61
Сообщений: 603
Vic58 is on a distinguished road
По умолчанию

Цитата:
Сообщение от ancc Посмотреть сообщение
вот.

это не распиновка, но там все тоже самое.
Больше конечно похоже на структурную схему, поэтому какие то цепи могут быть не показаны. Но и по этой схеме видно, что часть схемы управления находится в самом модуле. Поэтому трудно сказать как с ним подружится на уровне той схемотехники которую мы рассматриваем применительно к аналоговым тюнерам с цифровыми синтезаторами частоты.
Может стоит поискать что нибудь менее цифровое, чтоб можно было применить уже сделанные наработки?
Vic58 вне форума   Ответить с цитированием
Старый 12.11.2009, 10:55   #700
ancc
Гуру
 
Регистрация: 17.03.2008
Возраст: 47
Город: Новокузнецк
Регион: 42
Машина: 2003\Lexus\RX330
Сообщений: 1,192
ancc is a splendid one to beholdancc is a splendid one to beholdancc is a splendid one to beholdancc is a splendid one to beholdancc is a splendid one to beholdancc is a splendid one to beholdancc is a splendid one to behold
По умолчанию

Цитата:
Сообщение от Vic58 Посмотреть сообщение
Больше конечно похоже на структурную схему, поэтому какие то цепи могут быть не показаны. Но и по этой схеме видно, что часть схемы управления находится в самом модуле. Поэтому трудно сказать как с ним подружится на уровне той схемотехники которую мы рассматриваем применительно к аналоговым тюнерам с цифровыми синтезаторами частоты.
Может стоит поискать что нибудь менее цифровое, чтоб можно было применить уже сделанные наработки?
Это структурная схема, но все ноги тюнера на ней показаны. Насчет подружится, я в принципе сигнал s-meter обследовал, по нему в этом тюнере можно судить о настройке на станцию, протокол этого тюнера известен, поэтому я больше с аналоговым заморачиваться не буду, поскольку это сложнее(да и нет удобного аналогово тюнера под руками, а тот что я использовал в проекте с силабзом он с внешним стереодекодером и его лень на макетку переносить), а тут только три проводка кинуть.
ancc вне форума   Ответить с цитированием
Ответ

Метки
радио, разработка


Здесь присутствуют: 2 (пользователей: 0 , гостей: 2)
 
Опции темы Поиск в этой теме
Поиск в этой теме:

Расширенный поиск

Ваши права в разделе
Вы не можете создавать новые темы
Вы не можете отвечать в темах
Вы не можете прикреплять вложения
Вы не можете редактировать свои сообщения

BB коды Вкл.
Смайлы Вкл.
[IMG] код Вкл.
HTML код Выкл.



Часовой пояс GMT +4, время: 12:23.


Работает на vBulletin® версия 3.8.4.
Copyright ©2000 - 2026, Jelsoft Enterprises Ltd.
Перевод: zCarot