PCCar.ru - Ваш автомобильный компьютер

Вернуться   PCCar.ru - Ваш автомобильный компьютер > MP3Car ТехИнфа > Блоки питания > Разное

Ответ
 
Опции темы Поиск в этой теме
Старый 07.10.2009, 11:08   #721
a4_48
Пользователь
 
Регистрация: 06.10.2009
Возраст: 36
Город: Липецк
Регион: 48
Машина: audi a4 b5 1998 1.8t - продал, VW Bora 2002 1.9TDI 4motion - продал, теперь skoda octavia tour 2008 1.8t wts
Сообщений: 64
a4_48 is on a distinguished road
По умолчанию

Цитата:
Сообщение от JonyBest Посмотреть сообщение
Собрал БП на sg6105d, все замечательно, вытягивает ток по нагрузке до 15А, но фонит по входному питанию страшно. Ставил и дроселя и емкостя - толку мало... что посоветуете?
Привет.
Черкани схемку чтоль или так напиши к каким ногам микрухи что припаивать, а лучше полностью опиши что делал, начиная от транса и т.д.)))
И фото если можно...
П.С. буду тоже на sg6105d собирать.
заранее спасибо.
a4_48 вне форума   Ответить с цитированием
Старый 07.10.2009, 15:19   #722
JonyBest
Пользователь
 
Регистрация: 20.09.2009
Город: Stav
Регион: 26
Машина: Nissan
Сообщений: 53
JonyBest is on a distinguished road
По умолчанию

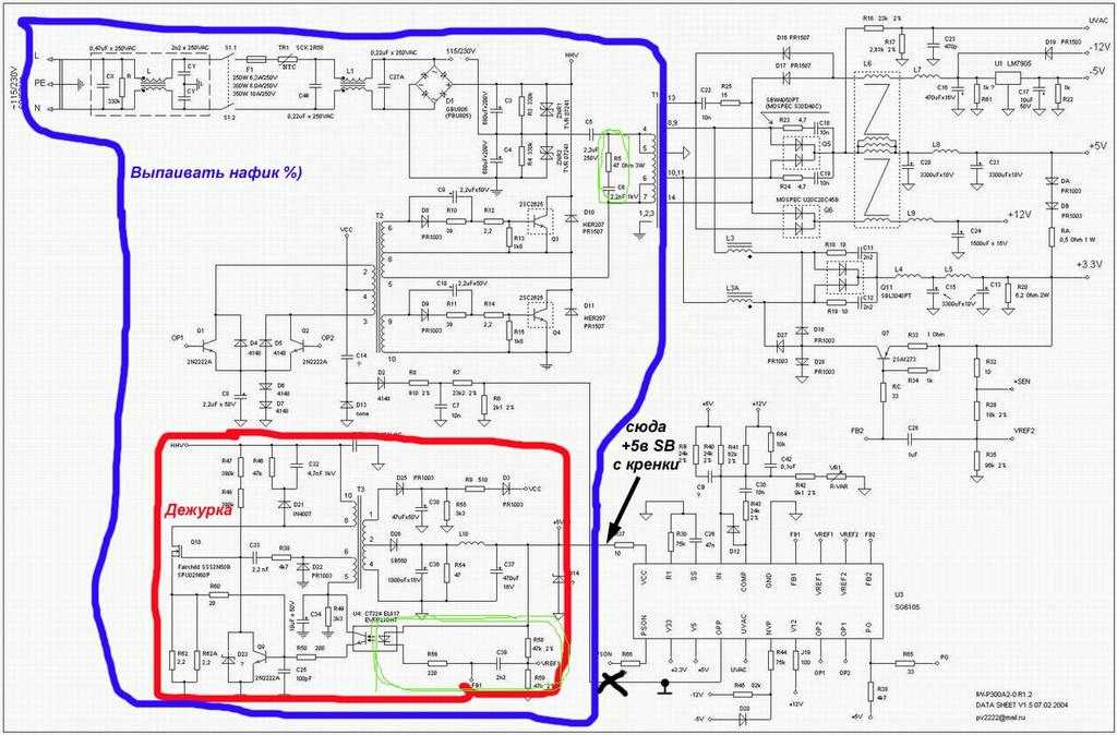
В общем ничего сложного все в соответствии со схемой, выход микрухи сразу на драйвер 4426 отдуда на полевики 3205 - все отлично работает, шумит только...
Миниатюры
Нажмите на изображение для увеличения
Название: pic1_big.jpg
Просмотров: 3358
Размер:	116.0 Кб
ID:	13307  
JonyBest вне форума   Ответить с цитированием
Старый 07.10.2009, 17:25   #723
a4_48
Пользователь
 
Регистрация: 06.10.2009
Возраст: 36
Город: Липецк
Регион: 48
Машина: audi a4 b5 1998 1.8t - продал, VW Bora 2002 1.9TDI 4motion - продал, теперь skoda octavia tour 2008 1.8t wts
Сообщений: 64
a4_48 is on a distinguished road
По умолчанию

Цитата:
Сообщение от JonyBest Посмотреть сообщение
В общем ничего сложного все в соответствии со схемой, выход микрухи сразу на драйвер 4426 отдуда на полевики 3205 - все отлично работает, шумит только...
За схемку спасибо)
блин, почитал почитал и понял что нифига не соображаю(
Есть тут фак какойнить по моей микрухе (iw 1688, полный аналог 6105)?
кстати, сам блок PowerMaster на плате маркировка iw-p350w...
схема http://www.qrz.ru/schemes/contribute...x/pic1_big.gif кстати такая же как и в посте выше)))
откуда брать +5В?
на первых страницах темы было проще

Последний раз редактировалось a4_48; 07.10.2009 в 19:14.
a4_48 вне форума   Ответить с цитированием
Старый 07.10.2009, 18:58   #724
a4_48
Пользователь
 
Регистрация: 06.10.2009
Возраст: 36
Город: Липецк
Регион: 48
Машина: audi a4 b5 1998 1.8t - продал, VW Bora 2002 1.9TDI 4motion - продал, теперь skoda octavia tour 2008 1.8t wts
Сообщений: 64
a4_48 is on a distinguished road
По умолчанию

А вместо 3205 IRFZ44 можно использовать?
a4_48 вне форума   Ответить с цитированием
Старый 08.10.2009, 18:33   #725
stels
Новый Пользователь
 
Регистрация: 06.10.2009
Возраст: 46
Город: Днепропетровск
Регион: 11
Машина: форд фиеста 2007
Сообщений: 7
stels is on a distinguished road
По умолчанию

всё тип-топ , получилось запустить всё без проблем с перемоткой тр-ра
stels вне форума   Ответить с цитированием
Старый 08.10.2009, 23:37   #726
Сергей С.В.
Новый Пользователь
 
Регистрация: 11.09.2009
Возраст: 51
Регион: 11
Сообщений: 12
Сергей С.В. is on a distinguished road
По умолчанию

Цитата:
мож стоит перемотать с нуля
Перемотал, всё ОК. Мотал по системе SL, первичка 6+6, вторичка 8+6+6+8. Единственное в чём отошёл от стандарта, мотал косой проводом 0.4 в 4 жилы. БП заработал с первого вкллючения. На питание поставил конденсатор 10000 мкФ, хочу ещё добавить два диода в паралели КД 213, чтоб конденсатор не давал разрядку в систему, и будем пробовать БП в машине.
Сергей С.В. вне форума   Ответить с цитированием
Старый 08.10.2009, 23:44   #727
Сергей С.В.
Новый Пользователь
 
Регистрация: 11.09.2009
Возраст: 51
Регион: 11
Сообщений: 12
Сергей С.В. is on a distinguished road
По умолчанию

Цитата:
а где два других конца обмоток,к чему прикручены?
случаем не параллельно старой первичке
Старую первичку, Наружный слой я удалил, а у внутреннего слоя выводы припаенные к ножкам трансформатора откусил кусачками по немогу.
Сергей С.В. вне форума   Ответить с цитированием
Старый 08.10.2009, 23:57   #728
stels
Новый Пользователь
 
Регистрация: 06.10.2009
Возраст: 46
Город: Днепропетровск
Регион: 11
Машина: форд фиеста 2007
Сообщений: 7
stels is on a distinguished road
По умолчанию

Цитата:
Сообщение от Сергей С.В. Посмотреть сообщение
Перемотал, всё ОК. Мотал по системе SL, первичка 6+6, вторичка 8+6+6+8. Единственное в чём отошёл от стандарта, мотал косой проводом 0.4 в 4 жилы. БП заработал с первого вкллючения. На питание поставил конденсатор 10000 мкФ, хочу ещё добавить два диода в паралели КД 213, чтоб конденсатор не давал разрядку в систему, и будем пробовать БП в машине.
кондёр будем использовать автомобильный - ничем подобным он не занимается , диоды лишние
stels вне форума   Ответить с цитированием
Старый 11.10.2009, 20:31   #729
gorrec41
Пользователь
 
Аватар для gorrec41
 
Регистрация: 20.09.2009
Город: киров
Регион: 43
Машина: vw jetta
Сообщений: 28
gorrec41 is on a distinguished road
По умолчанию

вопрос к мудрецам собрал блок нагрузку держит нормально только при подключении к мамке всеработает но видео сигнал на монитор не подается ,при включении нормального атх блока все работает подскажите плиз в какю сторону рыть
gorrec41 вне форума   Ответить с цитированием
Старый 11.10.2009, 21:05   #730
change
Старший Пользователь
 
Аватар для change
 
Регистрация: 09.06.2009
Возраст: 59
Город: Моск.обл
Регион: 50, 90, 150
Машина: HONDA CR-V 1998г
Сообщений: 436
change is on a distinguished road
По умолчанию

Цитата:
Сообщение от gorrec41 Посмотреть сообщение
вопрос к мудрецам собрал блок нагрузку держит нормально только при подключении к мамке всеработает но видео сигнал на монитор не подается ,при включении нормального атх блока все работает подскажите плиз в какю сторону рыть
-5в и -12в смотри
__________________

интересное
change вне форума   Ответить с цитированием
Ответ


Здесь присутствуют: 1 (пользователей: 0 , гостей: 1)
 
Опции темы Поиск в этой теме
Поиск в этой теме:

Расширенный поиск

Ваши права в разделе
Вы не можете создавать новые темы
Вы не можете отвечать в темах
Вы не можете прикреплять вложения
Вы не можете редактировать свои сообщения

BB коды Вкл.
Смайлы Вкл.
[IMG] код Вкл.
HTML код Выкл.



Часовой пояс GMT +4, время: 09:24.


Работает на vBulletin® версия 3.8.4.
Copyright ©2000 - 2026, Jelsoft Enterprises Ltd.
Перевод: zCarot