PCCar.ru - Ваш автомобильный компьютер

Вернуться   PCCar.ru - Ваш автомобильный компьютер > MP3Car ТехИнфа > Блоки питания > Разное

Ответ
 
Опции темы Поиск в этой теме
Старый 30.09.2009, 11:33   #681
ALABAMA
Пользователь
 
Регистрация: 30.07.2009
Возраст: 52
Город: Красногорск
Регион: 50, 90, 150
Сообщений: 60
ALABAMA is on a distinguished road
По умолчанию

Цитата:
Сообщение от gorrec41 Посмотреть сообщение
ALABAMA проблему с нагревом транзюков я решил перемоткой первички теперь другая всплыла призамыкании зеленого провода на минус БП запускается при отключении зеленого от минуса БП выключается напругиплюсовые в норме минусовые не проверял , я так думаю что че то лишнее отпаял и еще не могу найти ООР ткни те пожайлуста мне пальцем номерт ноги (так я с бронепоезда похоже или температура сказывается)
Собсно оно так и есть. Лучше пускать с мамой(какой ни то стоковой).
По себе скажу. Было так, пуск от матери питание с зарядника, чтоб выдавал не менее 5А для исключения токовой просадки.
Про ООР, это нога № 4 на шиме 6105, я об этом ужо писал.
С наилучшими ALABAMA.
ALABAMA вне форума   Ответить с цитированием
Старый 30.09.2009, 11:43   #682
ALABAMA
Пользователь
 
Регистрация: 30.07.2009
Возраст: 52
Город: Красногорск
Регион: 50, 90, 150
Сообщений: 60
ALABAMA is on a distinguished road
По умолчанию

Цитата:
Сообщение от gep2005 Посмотреть сообщение
Это хорошо. Это нормально. Так и должно быть. Теперь проверяй под нагрузкой и в путь. Когда подключиш к матери она сама будет держать зеленый к земле, пока ты ее не выключиш.
Кстати по поводу ПОВЕР ГУД.
Мнханиз таков. При пуске, когда напруги начинают появляться, мать отцениват их на корректность после этого выдаёт 5В типо ПОВЕР ГУД(это серый провод БП).
Только после этого открытый коллектор, тобиш нога шима №1 садится на землю. Все остальные типы вкл будут не коректны. БП будет работать но пуск его и работа будут принудительными и если вдруг какая то бяка шим не сможет выключиться и бужет молотить даже если мать погасит сигнал ПОВЕР ГУТ.
ALABAMA вне форума   Ответить с цитированием
Старый 30.09.2009, 13:49   #683
metronom
Новый Пользователь
 
Регистрация: 14.09.2009
Возраст: 53
Регион: Украина
Сообщений: 23
metronom is on a distinguished road
По умолчанию

Цитата:
Сообщение от ALABAMA Посмотреть сообщение
Кстати по поводу ПОВЕР ГУД.
Мнханиз таков. При пуске, когда напруги начинают появляться, мать отцениват их на корректность после этого выдаёт 5В типо ПОВЕР ГУД(это серый провод БП).
Только после этого открытый коллектор, тобиш нога шима №1 садится на землю. Все остальные типы вкл будут не коректны. БП будет работать но пуск его и работа будут принудительными и если вдруг какая то бяка шим не сможет выключиться и бужет молотить даже если мать погасит сигнал ПОВЕР ГУТ.
Только маленькое уточнение - PG выдает питальник а не мать
metronom вне форума   Ответить с цитированием
Старый 30.09.2009, 15:32   #684
ALABAMA
Пользователь
 
Регистрация: 30.07.2009
Возраст: 52
Город: Красногорск
Регион: 50, 90, 150
Сообщений: 60
ALABAMA is on a distinguished road
По умолчанию

Цитата:
Сообщение от metronom Посмотреть сообщение
Только маленькое уточнение - PG выдает питальник а не мать
Виноват был не прав. Совершенно верно.
Когда напруги устоканятся с задержкой 300мисек транзистор закрывается и на первой ноге 5В. И только после этого стартует биос.
Но смысл не меняется блок лучше запустить с мамой дабы оценить коректность пуска блока. Если ПГ будет прыгать то мать просто не пустится, даже если питающие напруги будут в пределах допуска.
в моём случае мать пускалась при ПГ не меньше 4,95В.
ALABAMA вне форума   Ответить с цитированием
Старый 30.09.2009, 22:27   #685
gorrec41
Пользователь
 
Аватар для gorrec41
 
Регистрация: 20.09.2009
Город: киров
Регион: 43
Машина: vw jetta
Сообщений: 28
gorrec41 is on a distinguished road
По умолчанию

привет всем подключил мать и сидюк мать почему то не хочет запускатьсяну и сд соответственно тоже бес матери призакорачивании зеленого на минус работает с матерью не хочет мать на другом компе запускается проверено ,да еще почемуто нет + 5vsb а напруги
+12,03
+5,42
-4,98
3,34
-11,98
пы сы когда мать подцепляеш напруга везде 0 даже когда вручную коротиш зеленый и минус
gorrec41 вне форума   Ответить с цитированием
Старый 30.09.2009, 22:31   #686
metronom
Новый Пользователь
 
Регистрация: 14.09.2009
Возраст: 53
Регион: Украина
Сообщений: 23
metronom is on a distinguished road
По умолчанию

Нет дежурки - мать естественно не запустится - питание то на ней отсутствует
metronom вне форума   Ответить с цитированием
Старый 30.09.2009, 22:51   #687
Alexsandr72
Новый Пользователь
 
Регистрация: 20.09.2009
Возраст: 35
Город: Tuymen
Регион: 72
Машина: Volga
Сообщений: 16
Alexsandr72 is on a distinguished road
По умолчанию

Перечитав форум ещё раз, полазиф по ссылкам и прочитав кучу вариантов ничего что то понять не могу. выложу картинку и кому не трудно нарисуйте что и куда и с какой величиной ставить. Находил питания с одинаковыми микросхемами тоесть SG6105D но ничего не смог понять так как или я схему не правильно читал или схемы были на другие питания так как разность конденсаторов и прочего. Я ещё только начинаю осваивать так что не ругайте сильно. Питание распаял так как мне нарисовали тоесть это были раньше выложены фото. Сейчас же выкладываю картинку с тем что имею и нарисуйте что и куда.
Миниатюры
Нажмите на изображение для увеличения
Название: что и куда.jpg
Просмотров: 1547
Размер:	152.6 Кб
ID:	13198  
Alexsandr72 вне форума   Ответить с цитированием
Старый 30.09.2009, 22:51   #688
gorrec41
Пользователь
 
Аватар для gorrec41
 
Регистрация: 20.09.2009
Город: киров
Регион: 43
Машина: vw jetta
Сообщений: 28
gorrec41 is on a distinguished road
По умолчанию

а если туда с крена взять +5
gorrec41 вне форума   Ответить с цитированием
Старый 01.10.2009, 10:43   #689
gep2005
Пользователь
 
Регистрация: 09.09.2009
Регион: 42
Машина: ВАЗ-21074 2007
Сообщений: 32
gep2005 is on a distinguished road
По умолчанию

Цитата:
Сообщение от gorrec41 Посмотреть сообщение
а если туда с крена взять +5
В принципе так и должно быть. Когда ты с кренки +5 подал на питание ШИМа, то оно же должно было попасть и на VSB разъема ATX. Возможно ты что-то удалил лишнего. Попробуй подай с кренки +5 на Vsb разъема ATX - возможно это поможет.
gep2005 вне форума   Ответить с цитированием
Старый 01.10.2009, 11:16   #690
gep2005
Пользователь
 
Регистрация: 09.09.2009
Регион: 42
Машина: ВАЗ-21074 2007
Сообщений: 32
gep2005 is on a distinguished road
По умолчанию

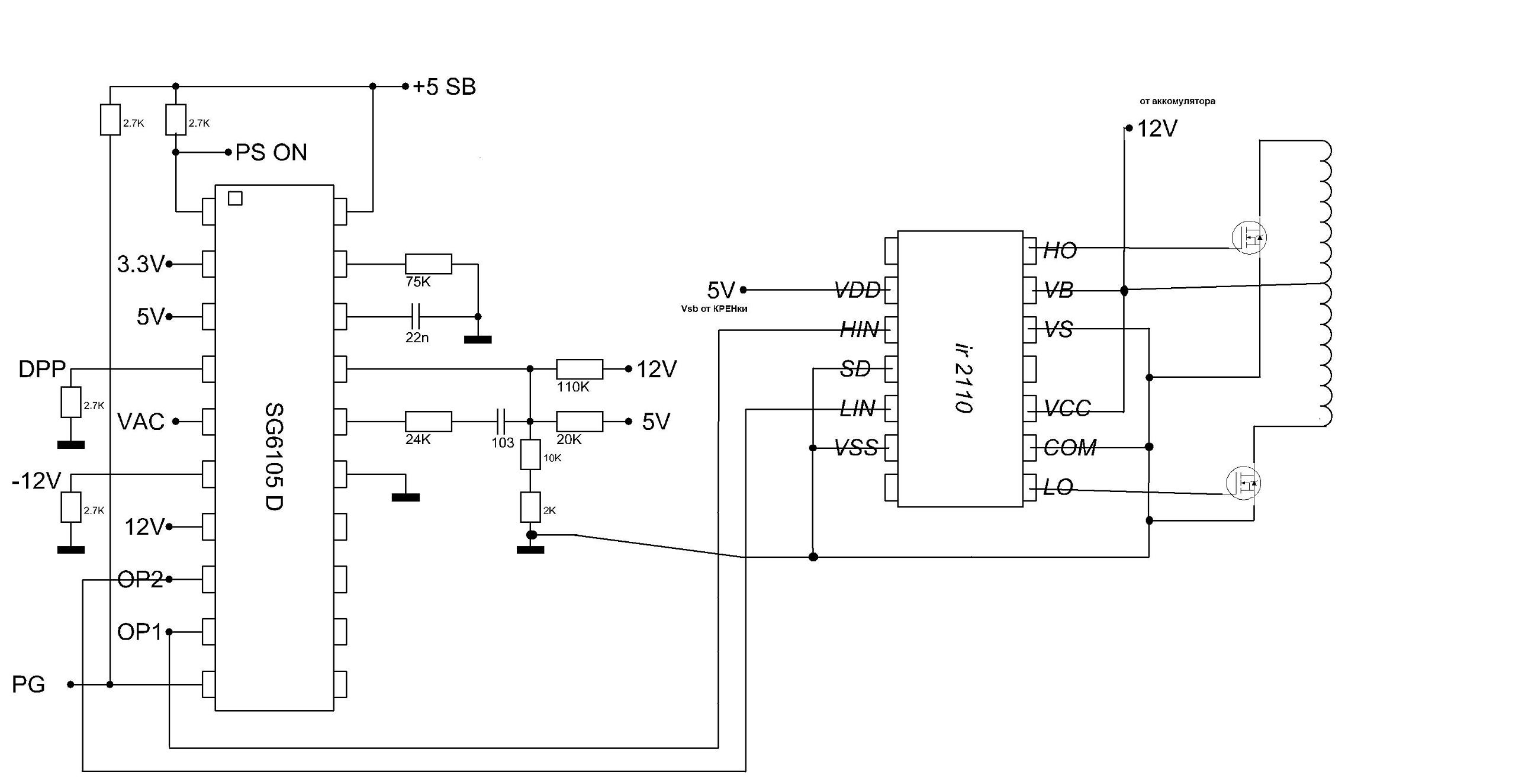
Вот накидал примерно как надо подключить sg6105 к ir2110
Миниатюры
Нажмите на изображение для увеличения
Название: sg6105_.jpg
Просмотров: 1683
Размер:	162.3 Кб
ID:	13217  
gep2005 вне форума   Ответить с цитированием
Ответ


Здесь присутствуют: 1 (пользователей: 0 , гостей: 1)
 
Опции темы Поиск в этой теме
Поиск в этой теме:

Расширенный поиск

Ваши права в разделе
Вы не можете создавать новые темы
Вы не можете отвечать в темах
Вы не можете прикреплять вложения
Вы не можете редактировать свои сообщения

BB коды Вкл.
Смайлы Вкл.
[IMG] код Вкл.
HTML код Выкл.



Часовой пояс GMT +4, время: 23:42.


Работает на vBulletin® версия 3.8.4.
Copyright ©2000 - 2026, Jelsoft Enterprises Ltd.
Перевод: zCarot