PCCar.ru - Ваш автомобильный компьютер

Вернуться   PCCar.ru - Ваш автомобильный компьютер > MP3Car ТехИнфа > Блоки питания > Разное

Ответ
 
Опции темы Поиск в этой теме
Старый 22.09.2009, 18:48   #601
change
Старший Пользователь
 
Аватар для change
 
Регистрация: 09.06.2009
Возраст: 59
Город: Моск.обл
Регион: 50, 90, 150
Машина: HONDA CR-V 1998г
Сообщений: 436
change is on a distinguished road
По умолчанию

Цитата:
Сообщение от ALABAMA Посмотреть сообщение
К сожалению в GS 6105 нет частотозадающих цепей. Диаппазон частот 60-70кГЦ. Стандарт 65кГц- это по мануалу. Есть переменный резюк, но он меняет напруги п пределах 1в +/-.
а у меня с подстройкой частоты напряжение +\- 0.1в
частота 60-70кГЦ наверное многовато для переделанного блока,возможно будет очень сильно греться
__________________

интересное
change вне форума   Ответить с цитированием
Старый 23.09.2009, 14:07   #602
ALABAMA
Пользователь
 
Регистрация: 30.07.2009
Возраст: 52
Город: Красногорск
Регион: 50, 90, 150
Сообщений: 60
ALABAMA is on a distinguished road
По умолчанию

Цитата:
Сообщение от Alexsandr72 Посмотреть сообщение
Ладно оставлю пока то питание для дальнейших опытов.
441 пост там что то подобное по тому питанию что я сейчас нашёл собрано оно на микрухе SG6105D если кто может помогать студенту в обучении буду рад. Моя аська 363605449 .
Если найдёш схему блока или точно модель смогу нарисовать что ампутировать что припаевать. Но сразу скажу делать лучше с драйвером ir4426. Маленький 8 ногий таракан управляет ключами на ура, собсно он для этого и сконструирован. Если будешь воять без перемотки транса, то почитай пост №574 там всё доступно. Вот только ноги шима в твоём случае будут № 8 и № 9, стабилизатор 5в к ноге №20. Но лучше удалить диод дежурки что то типа SB560 и в эту точку подвести 5в. А дальше нужно пробывать.
Ну примерно так.
ALABAMA вне форума   Ответить с цитированием
Старый 23.09.2009, 15:36   #603
ALABAMA
Пользователь
 
Регистрация: 30.07.2009
Возраст: 52
Город: Красногорск
Регион: 50, 90, 150
Сообщений: 60
ALABAMA is on a distinguished road
По умолчанию

Цитата:
Сообщение от change Посмотреть сообщение
не факт что у тебя сразу получится
не торопись поищи горевший
хороший разберёш потом не соберёш
Думаю с сгоревшими блока лучше не связываться потому как не известно что и как в нём палыхнуло. Без приборов только с тестеров не в жисть не раскапаешь а тупо менять всё подряд смысла нет, то есть блок должен быть заведомо рабочий а не хламовый.
Лучше на барахолке купить блок и запустить его от 220 и посмотреть в бивасе как напруги себя чувствую.
Я покупал и смотрел на каком шиме блок, просто раскручивал и смотрел.
Выбирал шим SG6105, по тому что организация питания в нём очень простая, 5в вот тебе дежурка и питание в одно. Даже при просадке до 7-8в шим всё равно шевелится+супервизор всё включено в корпус ну и по этой микре много написано и схем блоков куча. Вобщем меня лично всё устраивает. Есть и другие шимы но вот инфы поним оч мало.
А что касаемо ТЛ494-ничего шим и частоту крутиь можно, но вот ОС и защита в нём морально устарели. Он заточен под одно напряжение, но на момент потребности других не было вот и адаптировали. А 3511 вообще питание любит 14-20в, потому как разработан именно для сетевых т.е. 220в решений. Вот по этому я и считаю что на сегодня это оптимально для самоделок, хотя вот FSP 3528 похож на SG6105 но это будет уже след. эксперимент адаптации.
Прошу прощень за многословность, просто постарался более убедительно аргументировать свой выбор.
Всем удачи в поиске Грааля
ALABAMA вне форума   Ответить с цитированием
Старый 23.09.2009, 17:04   #604
gorrec41
Пользователь
 
Аватар для gorrec41
 
Регистрация: 20.09.2009
Город: киров
Регион: 43
Машина: vw jetta
Сообщений: 28
gorrec41 is on a distinguished road
Question нужна помощ

доброго времени вторую неделю курю и читаю но дело стоит на месте выпаял всю высоковольтную часть а далше ни чего сообразить не могу так как блок питания in win IW-ISP300J20-0 (другово нет )а микросхема там стоит IW 16 88
подскажите уважаемые гуру куда что припоять надо или лучше нарисуйте (блин не могу фотки вставить) вот ссылка на них
http://fotki.yandex.ru/users/batrak1/view/208550/
http://fotki.yandex.ru/users/batrak1/view/208552/
gorrec41 вне форума   Ответить с цитированием
Старый 23.09.2009, 18:47   #605
ALABAMA
Пользователь
 
Регистрация: 30.07.2009
Возраст: 52
Город: Красногорск
Регион: 50, 90, 150
Сообщений: 60
ALABAMA is on a distinguished road
По умолчанию

Цитата:
Сообщение от gorrec41 Посмотреть сообщение
доброго времени вторую неделю курю и читаю но дело стоит на месте выпаял всю высоковольтную часть а далше ни чего сообразить не могу так как блок питания in win IW-ISP300J20-0 (другово нет )а микросхема там стоит IW 16 88
подскажите уважаемые гуру куда что припоять надо или лучше нарисуйте (блин не могу фотки вставить) вот ссылка на них
http://fotki.yandex.ru/users/batrak1/view/208550/
http://fotki.yandex.ru/users/batrak1/view/208552/
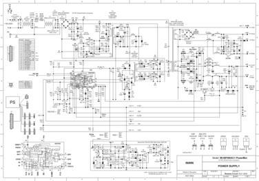
Это перемаркированый sg6105 как его подключить писалось раньше на маленьком операционнике типа ...358.. собран регулятор кулера про него можно забыть. Схема прилогается. Ежели оно тогда подскажу далее.
Миниатюры
Нажмите на изображение для увеличения
Название: IW-ISP300AX.jpg
Просмотров: 1912
Размер:	19.8 Кб
ID:	12969  
ALABAMA вне форума   Ответить с цитированием
Старый 23.09.2009, 18:56   #606
gorrec41
Пользователь
 
Аватар для gorrec41
 
Регистрация: 20.09.2009
Город: киров
Регион: 43
Машина: vw jetta
Сообщений: 28
gorrec41 is on a distinguished road
По умолчанию

да lm358p есть такая микруха а он или не он фиг знает фотка маленька если не трудно залей ее на batrak1@ya.ru
gorrec41 вне форума   Ответить с цитированием
Старый 23.09.2009, 18:59   #607
ALABAMA
Пользователь
 
Регистрация: 30.07.2009
Возраст: 52
Город: Красногорск
Регион: 50, 90, 150
Сообщений: 60
ALABAMA is on a distinguished road
По умолчанию

Вот схема. Это iw300.
Вложения
Тип файла: rar IW-ISP300AX.rar (212.7 Кб, 1326 просмотров)
ALABAMA вне форума   Ответить с цитированием
Старый 23.09.2009, 19:01   #608
ALABAMA
Пользователь
 
Регистрация: 30.07.2009
Возраст: 52
Город: Красногорск
Регион: 50, 90, 150
Сообщений: 60
ALABAMA is on a distinguished road
По умолчанию

Извини, про подключение напишу позже.
Пора домой я на работе.
ALABAMA вне форума   Ответить с цитированием
Старый 23.09.2009, 19:11   #609
gorrec41
Пользователь
 
Аватар для gorrec41
 
Регистрация: 20.09.2009
Город: киров
Регион: 43
Машина: vw jetta
Сообщений: 28
gorrec41 is on a distinguished road
По умолчанию

ок подожду мне не сильно к спеху спс за схему
gorrec41 вне форума   Ответить с цитированием
Старый 23.09.2009, 19:58   #610
gorrec41
Пользователь
 
Аватар для gorrec41
 
Регистрация: 20.09.2009
Город: киров
Регион: 43
Машина: vw jetta
Сообщений: 28
gorrec41 is on a distinguished road
По умолчанию

схема вроде такая токо не подходит маркировка (pg идет через сопротивление R65 33 ома по схеме, а на плате через R43 33 Ома ну ето в принципе не проблема как нитьсо схемой разберусь
gorrec41 вне форума   Ответить с цитированием
Ответ


Здесь присутствуют: 1 (пользователей: 0 , гостей: 1)
 
Опции темы Поиск в этой теме
Поиск в этой теме:

Расширенный поиск

Ваши права в разделе
Вы не можете создавать новые темы
Вы не можете отвечать в темах
Вы не можете прикреплять вложения
Вы не можете редактировать свои сообщения

BB коды Вкл.
Смайлы Вкл.
[IMG] код Вкл.
HTML код Выкл.



Часовой пояс GMT +4, время: 23:56.


Работает на vBulletin® версия 3.8.4.
Copyright ©2000 - 2026, Jelsoft Enterprises Ltd.
Перевод: zCarot