PCCar.ru - Ваш автомобильный компьютер

Вернуться   PCCar.ru - Ваш автомобильный компьютер > MP3Car ТехИнфа > Блоки питания > Разное

Ответ
 
Опции темы Поиск в этой теме
Старый 16.08.2009, 17:59   #21
interhard
Новый Пользователь
 
Аватар для interhard
 
Регистрация: 20.04.2009
Возраст: 42
Город: Петербург
Регион: 78, 98
Машина: Ford Focus
Сообщений: 16
interhard is on a distinguished road
По умолчанию Подключение eee pc 1000H через батарейный разьём

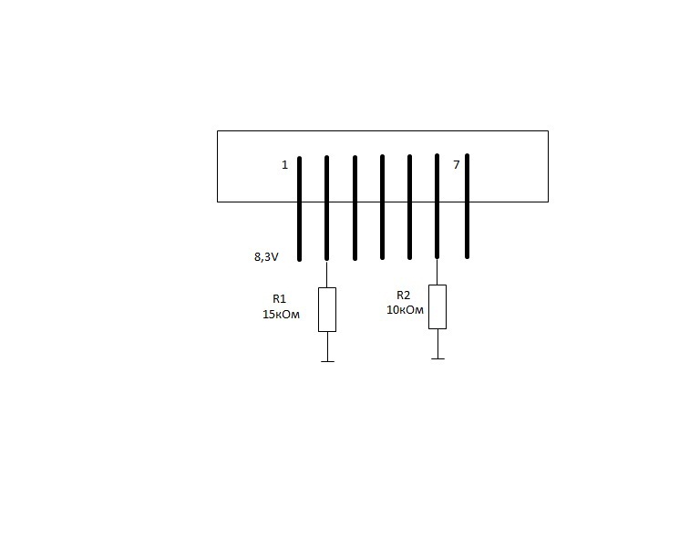
Выкладываю схемку, вдруг понадобиться.. Сопротивление R2 - убранный терморезистор, без него комп не запускается.
Миниатюры
Нажмите на изображение для увеличения
Название: asus eee pc 1000H.jpg
Просмотров: 2448
Размер:	19.2 Кб
ID:	12233  
interhard вне форума   Ответить с цитированием
Старый 16.08.2009, 18:08   #22
odessit
Гуру
 
Регистрация: 11.06.2009
Возраст: 45
Город: odessa
Регион: Украина
Машина: 2006 Acura MDX - Navi
Сообщений: 1,121
odessit is on a distinguished road
По умолчанию

А зачем выкладывать неправильную схему ???
1 НЕ указано где 1 нога а где 7 !!! с какой стороны считать ...
да и ног вроде как 9 ... а не 7 ...
вот правильная схема!!!
да и не на 6 ногу сопротивление вешаеться ...
odessit вне форума   Ответить с цитированием
Старый 16.08.2009, 20:39   #23
interhard
Новый Пользователь
 
Аватар для interhard
 
Регистрация: 20.04.2009
Возраст: 42
Город: Петербург
Регион: 78, 98
Машина: Ford Focus
Сообщений: 16
interhard is on a distinguished road
По умолчанию

схема правильная. eee pc 1000H выведено семь ног в батарейном разьёме,две крайних - 8,9 пустые гнёзда и на плату не распаяны.Если посмотреть внимательно на мать, на каждом разьёме есть треугольник, означающий первый контакт(вывод).

1 + Power
2 Data
3 Gnd
4 Data
5 Data
6 term. resistor
7 Gnd
interhard вне форума   Ответить с цитированием
Старый 16.08.2009, 21:43   #24
odessit
Гуру
 
Регистрация: 11.06.2009
Возраст: 45
Город: odessa
Регион: Украина
Машина: 2006 Acura MDX - Navi
Сообщений: 1,121
odessit is on a distinguished road
По умолчанию

А сори это под 1000!!! неуглядел ТУПЛЮ
Сверху под 701 схема от Юрьича 38
odessit вне форума   Ответить с цитированием
Старый 17.08.2009, 23:44   #25
Honda_ЛЁТ
Новый Пользователь
 
Аватар для Honda_ЛЁТ
 
Регистрация: 07.04.2009
Возраст: 48
Город: Нефтеюганск
Регион: 86
Машина: 2008\Honda\Accord
Сообщений: 19
Honda_ЛЁТ is on a distinguished road
По умолчанию

Цитата:
Сообщение от yurich38 Посмотреть сообщение
к тому-же можно купить уже практически готовую схему
http://www.masterkit.ru/info/magshow.php?num=405
дальше, всеголишь подбором резисторов R1,R2 выставить нужное напряжение на выходе.

Вложение 11830

схема, у мастеркита таже что и использована в моем проекте, только с других компонентов.
подобрать резисторы не так уж и сложно, как кажеться..
По ссылке страница не найдена.
Можно ли с этой схемой бук совсем не выключать? Т.к. мне необходима видеорегистрация при стоянке авто. Не будет ли сбой при заводке двигателя?
Honda_ЛЁТ вне форума   Ответить с цитированием
Старый 18.08.2009, 00:03   #26
odessit
Гуру
 
Регистрация: 11.06.2009
Возраст: 45
Город: odessa
Регион: Украина
Машина: 2006 Acura MDX - Navi
Сообщений: 1,121
odessit is on a distinguished road
По умолчанию

Ну СОВСЕМ невыключать врядле получиться ...
Ноут жрет даже в спящем ... а невырубленным жрет 2 ампера минимум ...
Вот и посчитай ... сколько твой акум протянет ... часов 5 потолок и то ОЧень для него это будет не хорошо ...

а вот Сбой при заводке двигателя это непроблемма при подключении
через разьем батареи и использовании Конденсаторов !!!
odessit вне форума   Ответить с цитированием
Старый 18.08.2009, 15:41   #27
Honda_ЛЁТ
Новый Пользователь
 
Аватар для Honda_ЛЁТ
 
Регистрация: 07.04.2009
Возраст: 48
Город: Нефтеюганск
Регион: 86
Машина: 2008\Honda\Accord
Сообщений: 19
Honda_ЛЁТ is on a distinguished road
По умолчанию

Цитата:
Сообщение от odessit Посмотреть сообщение
... а невырубленным жрет 2 ампера минимум ...
так при аккумуляторе 55 а/ч должен держать ~ 24 часа. Надо померить...
Honda_ЛЁТ вне форума   Ответить с цитированием
Старый 18.08.2009, 18:54   #28
odessit
Гуру
 
Регистрация: 11.06.2009
Возраст: 45
Город: odessa
Регион: Украина
Машина: 2006 Acura MDX - Navi
Сообщений: 1,121
odessit is on a distinguished road
По умолчанию

А чё мерить ???
Кпд не 100% жеш + при разгоне и полной яркости жрет уже под 3 ампера
+ устройства внешние ЮСБ теже камеры итд ... еще минимум 1 ампер
Вот и считай ... часов 10 -15 потолок!!!
А как сделать еще так чтобы акумулятор ненадо было после этого Выкидывать!!!
+ так чтобы Тебе хватало на ЗАВестись!!!
odessit вне форума   Ответить с цитированием
Старый 22.08.2009, 12:56   #29
nightflyer
Пользователь
 
Регистрация: 10.06.2009
Возраст: 39
Город: Мельбурн
Регион: другой - для добавления сообщить ab
Машина: 2008 Toyota Yaris
Сообщений: 44
nightflyer is on a distinguished road
По умолчанию

Товарищи, а кто-нибудь подбирал сопротивления для выходного делителя мастер-китовского преобразователя? Может подскажете номиналы? А то очень уж не хочется подбирать. Купил регулируемый резюк а он зараза очень грубым оказался...
nightflyer вне форума   Ответить с цитированием
Старый 03.09.2009, 14:48   #30
nightflyer
Пользователь
 
Регистрация: 10.06.2009
Возраст: 39
Город: Мельбурн
Регион: другой - для добавления сообщить ab
Машина: 2008 Toyota Yaris
Сообщений: 44
nightflyer is on a distinguished road
По умолчанию

Если кому-то понадобится рассчитать делитель я нашел полезную ссылку http://www.cdxp.zx6.ru/del.php
nightflyer вне форума   Ответить с цитированием
Ответ


Здесь присутствуют: 1 (пользователей: 0 , гостей: 1)
 
Опции темы Поиск в этой теме
Поиск в этой теме:

Расширенный поиск

Ваши права в разделе
Вы не можете создавать новые темы
Вы не можете отвечать в темах
Вы не можете прикреплять вложения
Вы не можете редактировать свои сообщения

BB коды Вкл.
Смайлы Вкл.
[IMG] код Вкл.
HTML код Выкл.



Часовой пояс GMT +4, время: 07:22.


Работает на vBulletin® версия 3.8.4.
Copyright ©2000 - 2026, Jelsoft Enterprises Ltd.
Перевод: zCarot