PCCar.ru - Ваш автомобильный компьютер

Вернуться   PCCar.ru - Ваш автомобильный компьютер > MP3Car ТехИнфа > Разработка устройств

Ответ
 
Опции темы Поиск в этой теме
Старый 14.08.2009, 21:30   #1
SEPT
Новый Пользователь
 
Регистрация: 20.04.2009
Возраст: 44
Город: Киев
Регион: Украина
Машина: Daewoo Lanos 1,6 ГБО-4
Сообщений: 12
SEPT is on a distinguished road
По умолчанию Нужна схема управления шаговым двигателем.

Привет.
Добрался я до механической части. Нашёл старый струйник, в нём выковрял два ШД и ещё пару нужных деталей для моника. Может кто-то наваять простенькую схему управления вращением одним ШД с помощью двух кнопок?

Фотки:
То, что было в недрах принтера


Первый ШД


Второй ШД
__________________
*Молчание - знак колбасия!
www.lanos.com.ua
SEPT вне форума   Ответить с цитированием
Старый 14.08.2009, 21:50   #2
admin
Administrator
 
Аватар для admin
 
Регистрация: 15.06.2005
Город: Москва
Регион: 77, 97, 99, 177
Машина: Lexus RX400h
Сообщений: 842
admin is a glorious beacon of lightadmin is a glorious beacon of lightadmin is a glorious beacon of lightadmin is a glorious beacon of lightadmin is a glorious beacon of lightadmin is a glorious beacon of light
По умолчанию

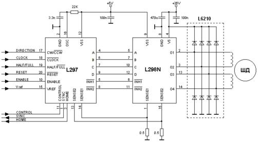
Вот как провереный вариант
Только еще контроллер потребуется
Миниатюры
Нажмите на изображение для увеличения
Название: l297-l298.jpg
Просмотров: 1796
Размер:	19.7 Кб
ID:	12219  
__________________
Все для arduino.
admin вне форума   Ответить с цитированием
Старый 14.08.2009, 22:03   #3
SEPT
Новый Пользователь
 
Регистрация: 20.04.2009
Возраст: 44
Город: Киев
Регион: Украина
Машина: Daewoo Lanos 1,6 ГБО-4
Сообщений: 12
SEPT is on a distinguished road
По умолчанию

Спасибо!
__________________
*Молчание - знак колбасия!
www.lanos.com.ua
SEPT вне форума   Ответить с цитированием
Старый 06.09.2009, 19:23   #4
sanchello
Новый Пользователь
 
Регистрация: 17.04.2008
Возраст: 46
Город: Подольск
Регион: 50, 90, 150
Машина: 2001 RENAULT CLIO-SIMBOL
Сообщений: 10
sanchello is on a distinguished road
По умолчанию ответ

вот так проще
Миниатюры
Нажмите на изображение для увеличения
Название: sch4.png
Просмотров: 1707
Размер:	6.4 Кб
ID:	12525  
sanchello вне форума   Ответить с цитированием
Старый 06.09.2009, 21:46   #5
джи-дай
Старший Пользователь
 
Регистрация: 11.01.2008
Регион: 52
Машина: Acura RDX, GW H5TDi-AT, Lexus RX 450h
Сообщений: 512
джи-дай will become famous soon enough
По умолчанию

Проще купить драйвер ШД на ПИКе...
Вот такой
Миниатюры
Нажмите на изображение для увеличения
Название: SDC100004.JPG
Просмотров: 1859
Размер:	219.9 Кб
ID:	12526  
джи-дай вне форума   Ответить с цитированием
Старый 06.09.2009, 22:37   #6
sanchello
Новый Пользователь
 
Регистрация: 17.04.2008
Возраст: 46
Город: Подольск
Регион: 50, 90, 150
Машина: 2001 RENAULT CLIO-SIMBOL
Сообщений: 10
sanchello is on a distinguished road
По умолчанию

проще, но это надо куда-то ехать и где-то искать, по мне проще спаять и дешево и не надо некуда ехать, я в свое время заказывал диск по интернету 4.7 гига полностью посвящены этой теме, там и схемы и программы управления и все очень просто делается практически из подручных средств
sanchello вне форума   Ответить с цитированием
Старый 06.09.2009, 23:40   #7
джи-дай
Старший Пользователь
 
Регистрация: 11.01.2008
Регион: 52
Машина: Acura RDX, GW H5TDi-AT, Lexus RX 450h
Сообщений: 512
джи-дай will become famous soon enough
По умолчанию

Хозяин-барин..
У меня такой драйвер управляет приводом одной из камер на двух ШД.
ЗЫ На всякий...В МСК делают ДШД.....ООО "Фрактал".
джи-дай вне форума   Ответить с цитированием
Старый 07.09.2009, 10:35   #8
serg_wolf
Старший Пользователь
 
Аватар для serg_wolf
 
Регистрация: 04.03.2008
Город: NSK
Регион: 54
Машина: Toyota Camry SV33 3s-fe
Сообщений: 153
serg_wolf is on a distinguished road
По умолчанию

В струнике есть контроллер, посмотри внимательно, толко имульс сгенерируй и усе.
__________________
Дорога в тысячу миль, начинается с одного шага...
serg_wolf вне форума   Ответить с цитированием
Старый 06.10.2009, 23:37   #9
SEPT
Новый Пользователь
 
Регистрация: 20.04.2009
Возраст: 44
Город: Киев
Регион: Украина
Машина: Daewoo Lanos 1,6 ГБО-4
Сообщений: 12
SEPT is on a distinguished road
По умолчанию

Отказался я от этой затеи, сложновато для меня... Сделал редуктор, нешёл моторчик от сидюка с регулировкой скорости вращения и ременную передачу.
Всем спасибо!
__________________
*Молчание - знак колбасия!
www.lanos.com.ua
SEPT вне форума   Ответить с цитированием
Старый 07.10.2009, 00:56   #10
Phantom
Новый Пользователь
 
Регистрация: 06.10.2009
Возраст: 42
Регион: 77, 97, 99, 177
Сообщений: 2
Phantom is on a distinguished road
По умолчанию

а идея то неплохая....народ вот такой вопросик а реально напримр контролировать шаговый двигатель по пику напряжения....короче говоря, мож я что неправильно высказал, не ругайте, не спец я в этом, одну кнопку нажал моник выехал и например, открывающаяся крышка упёрлась на полном открытии и он остановился, а если не до конца то закроется обратно...короче система как в CD-DVD приводах... кто нить что нить подобное ваял? подскажите как проще реализовать идею.
Phantom вне форума   Ответить с цитированием
Ответ


Здесь присутствуют: 1 (пользователей: 0 , гостей: 1)
 
Опции темы Поиск в этой теме
Поиск в этой теме:

Расширенный поиск

Ваши права в разделе
Вы не можете создавать новые темы
Вы не можете отвечать в темах
Вы не можете прикреплять вложения
Вы не можете редактировать свои сообщения

BB коды Вкл.
Смайлы Вкл.
[IMG] код Вкл.
HTML код Выкл.



Часовой пояс GMT +4, время: 11:17.


Работает на vBulletin® версия 3.8.4.
Copyright ©2000 - 2026, Jelsoft Enterprises Ltd.
Перевод: zCarot