PCCar.ru - Ваш автомобильный компьютер

Вернуться   PCCar.ru - Ваш автомобильный компьютер > MP3Car ТехИнфа > Блоки питания > Самодельные блоки питания

Ответ
 
Опции темы Поиск в этой теме
Старый 04.02.2008, 13:31   #11
alex__k
Пользователь
 
Регистрация: 16.01.2008
Регион: Украина
Машина: PASSAT B3
Сообщений: 66
alex__k is on a distinguished road
По умолчанию

Цитата:
Сообщение от mVlad Посмотреть сообщение
Лучше бы намоточные данные трансформатора дали , фотографию поближе, все остальное - понятное - как транс из БП АТХ переделывать - вот в чем вопрос !
1 6+6w 0.6x4
2 6+6w 0.6x4
3 8+8w 0.6x2
Разбирая трансформатор внимательно разберитесь с направлением
обмоток.
alex__k вне форума   Ответить с цитированием
Старый 04.02.2008, 14:54   #12
mVlad
Новый Пользователь
 
Регистрация: 26.01.2008
Возраст: 49
Регион: 77, 97, 99, 177
Машина: Aveo HB 2007
Сообщений: 8
mVlad is on a distinguished road
По умолчанию

Ну, теперь еще схему и плату, думаю, что повторяемость у Вашего варианта будет наилучшая - горелых БП - полно, трансы там хорошие, перемотать - не особо сложно, а вот искать нужное ферритовое кольцо и нужный провод - намного сложнее !

PS. Пож-та печатку и схему
mVlad вне форума   Ответить с цитированием
Старый 04.02.2008, 15:25   #13
alex__k
Пользователь
 
Регистрация: 16.01.2008
Регион: Украина
Машина: PASSAT B3
Сообщений: 66
alex__k is on a distinguished road
По умолчанию

Цитата:
Сообщение от mVlad Посмотреть сообщение
Ну, теперь еще схему и плату, думаю, что повторяемость у Вашего варианта будет наилучшая - горелых БП - полно, трансы там хорошие, перемотать - не особо сложно, а вот искать нужное ферритовое кольцо и нужный провод - намного сложнее !

PS. Пож-та печатку и схему

Рисовал на быструю руку могут быть ошибки.
Вложения
Тип файла: zip АТХ .zip (10.5 Кб, 2391 просмотров)
alex__k вне форума   Ответить с цитированием
Старый 15.02.2008, 23:31   #14
cool-64
Гуру
 
Аватар для cool-64
 
Регистрация: 28.03.2007
Возраст: 61
Город: Москва
Регион: 77, 97, 99, 177
Сообщений: 630
cool-64 has a spectacular aura aboutcool-64 has a spectacular aura about
По умолчанию я в шоке

***Рисовал на быструю руку могут быть ошибки.**


а зачем ваще тогда рисовал????
cool-64 вне форума   Ответить с цитированием
Старый 16.02.2008, 17:28   #15
alex__k
Пользователь
 
Регистрация: 16.01.2008
Регион: Украина
Машина: PASSAT B3
Сообщений: 66
alex__k is on a distinguished road
По умолчанию

Цитата:
Сообщение от cool-64 Посмотреть сообщение
***Рисовал на быструю руку могут быть ошибки.**


а зачем ваще тогда рисовал????
А те чё КУЧУ набросков на бумаге в форум приклеить?
alex__k вне форума   Ответить с цитированием
Старый 17.02.2008, 00:38   #16
Sandy
Новый Пользователь
 
Регистрация: 22.08.2007
Возраст: 56
Город: Саров
Регион: 52
Сообщений: 7
Sandy is on a distinguished road
По умолчанию

Цитата:
Сообщение от alex__k Посмотреть сообщение
А те чё КУЧУ набросков на бумаге в форум приклеить?
Налицо неконструктивный подход.
Ты показал свои достижения.
Зачем?
Показать какой ты "крутой"?
Поделиться своим опытом и знанием с жаждущими?
Если вариант 2 , то жаждущие будут ПРЕМНОГО БЛАГОДАРНЫ за обретенные знания.
Посему или полную информацию "в студию" или "досвидос".
Sandy вне форума   Ответить с цитированием
Старый 18.02.2008, 12:37   #17
alex__k
Пользователь
 
Регистрация: 16.01.2008
Регион: Украина
Машина: PASSAT B3
Сообщений: 66
alex__k is on a distinguished road
По умолчанию

Цитата:
Сообщение от Sandy Посмотреть сообщение
Налицо неконструктивный подход.
Ты показал свои достижения.
Зачем?
Показать какой ты "крутой"?
Поделиться своим опытом и знанием с жаждущими?
Если вариант 2 , то жаждущие будут ПРЕМНОГО БЛАГОДАРНЫ за обретенные знания.
Посему или полную информацию "в студию" или "досвидос".
"досвидос"
alex__k вне форума   Ответить с цитированием
Старый 18.02.2008, 13:17   #18
cool-64
Гуру
 
Аватар для cool-64
 
Регистрация: 28.03.2007
Возраст: 61
Город: Москва
Регион: 77, 97, 99, 177
Сообщений: 630
cool-64 has a spectacular aura aboutcool-64 has a spectacular aura about
По умолчанию

"досвидос"

ф топку таких(((((((
cool-64 вне форума   Ответить с цитированием
Старый 11.08.2009, 15:08   #19
БАЛУ
Старший Пользователь
 
Регистрация: 09.05.2009
Город: ТОМСК
Регион: 78, 98
Сообщений: 143
БАЛУ is on a distinguished road
По умолчанию

А ЧЕ очень даже сурово сделано для первого пробного варианта конструктив неплохой было бы сдорово увидеть схему (как форм -12 и формир 3.3в а также сигналы PG И PS ON)
БАЛУ вне форума   Ответить с цитированием
Старый 11.08.2009, 19:50   #20
alex__k
Пользователь
 
Регистрация: 16.01.2008
Регион: Украина
Машина: PASSAT B3
Сообщений: 66
alex__k is on a distinguished road
По умолчанию

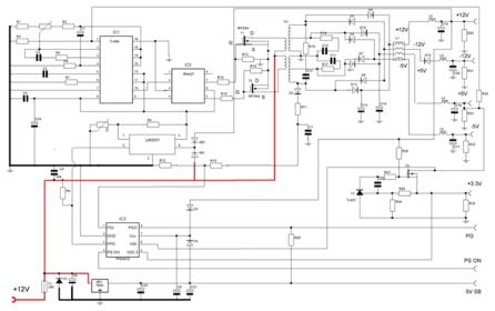
За основу взята схема Трехтрансовый БП только один канал
выход стандартный АТХ бп.Это фото последнего варианта
Миниатюры
Нажмите на изображение для увеличения
Название: BP1.jpg
Просмотров: 2656
Размер:	18.2 Кб
ID:	12183   Нажмите на изображение для увеличения
Название: BP11.jpg
Просмотров: 2072
Размер:	18.7 Кб
ID:	12184  
alex__k вне форума   Ответить с цитированием
Ответ


Здесь присутствуют: 1 (пользователей: 0 , гостей: 1)
 
Опции темы Поиск в этой теме
Поиск в этой теме:

Расширенный поиск

Ваши права в разделе
Вы не можете создавать новые темы
Вы не можете отвечать в темах
Вы не можете прикреплять вложения
Вы не можете редактировать свои сообщения

BB коды Вкл.
Смайлы Вкл.
[IMG] код Вкл.
HTML код Выкл.



Часовой пояс GMT +4, время: 16:57.


Работает на vBulletin® версия 3.8.4.
Copyright ©2000 - 2026, Jelsoft Enterprises Ltd.
Перевод: zCarot