PCCar.ru - Ваш автомобильный компьютер

Вернуться   PCCar.ru - Ваш автомобильный компьютер > MP3Car ТехИнфа > Блоки питания > Контроллеры управления питанием

Ответ
 
Опции темы Поиск в этой теме
Старый 07.02.2016, 01:33   #371
skanch
Модератор
 
Аватар для skanch
 
Регистрация: 19.01.2010
Возраст: 59
Город: Санкт-Петербург
Регион: 78, 98
Сообщений: 2,669
skanch has a brilliant futureskanch has a brilliant futureskanch has a brilliant futureskanch has a brilliant futureskanch has a brilliant futureskanch has a brilliant futureskanch has a brilliant futureskanch has a brilliant futureskanch has a brilliant futureskanch has a brilliant futureskanch has a brilliant future
По умолчанию

Или разговор об этом участке платы?
Миниатюры
Нажмите на изображение для увеличения
Название: 1SAM_3291.jpg
Просмотров: 2025
Размер:	179.7 Кб
ID:	42481  
skanch вне форума   Ответить с цитированием
Старый 07.02.2016, 01:52   #372
ghostic
Пользователь
 
Регистрация: 22.04.2009
Регион: 77, 97, 99, 177
Сообщений: 68
ghostic will become famous soon enoughghostic will become famous soon enough
По умолчанию

нет, не об этих, а около разъема usb, там 5 предохранителей кварц и кондер.Вот из пяти два не работают, те которые находятся с одной стараны кварца и с другой.
ghostic вне форума   Ответить с цитированием
Старый 07.02.2016, 01:54   #373
ghostic
Пользователь
 
Регистрация: 22.04.2009
Регион: 77, 97, 99, 177
Сообщений: 68
ghostic will become famous soon enoughghostic will become famous soon enough
По умолчанию

да здесь последние фото. Нужно знать какой номинал их.
ghostic вне форума   Ответить с цитированием
Старый 07.02.2016, 02:10   #374
skanch
Модератор
 
Аватар для skanch
 
Регистрация: 19.01.2010
Возраст: 59
Город: Санкт-Петербург
Регион: 78, 98
Сообщений: 2,669
skanch has a brilliant futureskanch has a brilliant futureskanch has a brilliant futureskanch has a brilliant futureskanch has a brilliant futureskanch has a brilliant futureskanch has a brilliant futureskanch has a brilliant futureskanch has a brilliant futureskanch has a brilliant futureskanch has a brilliant future
По умолчанию

По номиналу этих предохранителей ничего сказать не могу. Если правильно понял, то три из пяти находятся на линии USB.
skanch вне форума   Ответить с цитированием
Старый 07.02.2016, 02:17   #375
ghostic
Пользователь
 
Регистрация: 22.04.2009
Регион: 77, 97, 99, 177
Сообщений: 68
ghostic will become famous soon enoughghostic will become famous soon enough
По умолчанию

нашел схему на 21 стр, но там про предохранители вообще ничего не сказано, только номиналы резисторов, кондесат и т.д. т.п.
Update: Открыл схему в lay оказались это не предохранители около кварца, а конденсаторы.
Теперь грешу на оптроны которые не могут срабоать на 2мА, как их проверить?

Последний раз редактировалось ghostic; 07.02.2016 в 17:30.
ghostic вне форума   Ответить с цитированием
Старый 09.02.2016, 03:06   #376
Alex-L
Moderator
 
Аватар для Alex-L
 
Регистрация: 23.03.2008
Возраст: 54
Город: Москва, Нагорная
Регион: 77, 97, 99, 177
Машина: Mitsubishi Lancer-X
Сообщений: 2,096
Alex-L is a splendid one to beholdAlex-L is a splendid one to beholdAlex-L is a splendid one to beholdAlex-L is a splendid one to beholdAlex-L is a splendid one to beholdAlex-L is a splendid one to beholdAlex-L is a splendid one to behold
По умолчанию

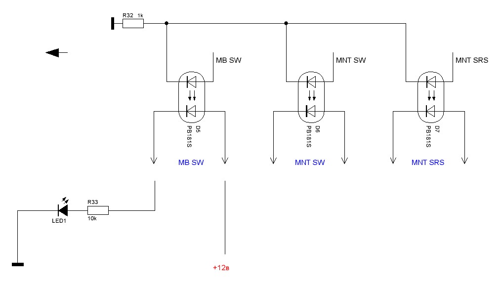
Предохранителей в схеме нет. По обе стороны от кварца конденсаторы порядка 20пф.
Выходы MB SW, MNT SW, MNT SRS - оптроны, имитирующие нажатие кнопки (1-й рисунок).
Для проверки соберите простейшую схему: 2-й рисунок. В соответствии с алгоритмом работы, светодиод должен мыргнуть.
upd: с резистором на втором рисунке погорячился - можно раза в два поменьше...
upd2: полярность подключения РС2.0 к кнопкам монитора (перевернуть фишку наоборот) пробовали менять?
Миниатюры
Нажмите на изображение для увеличения
Название: 1.jpg
Просмотров: 2019
Размер:	27.8 Кб
ID:	42523   Нажмите на изображение для увеличения
Название: 2.JPG
Просмотров: 2033
Размер:	37.6 Кб
ID:	42524  
Alex-L вне форума   Ответить с цитированием
Старый 09.02.2016, 04:05   #377
ghostic
Пользователь
 
Регистрация: 22.04.2009
Регион: 77, 97, 99, 177
Сообщений: 68
ghostic will become famous soon enoughghostic will become famous soon enough
По умолчанию

попробую по схеме собрать и проверить. Но обнаружилась другая проблема, не стабильно работает с usb на win7 x64, не опред или определяется в системе или вообще прога зависает, тоже самое происходит и с электрикой, напирмер не отключает монитор когда снимается напруга revin acc. Полярность точно правильная была, менять тоже пробовал.
update: По схеме выше опробовал светодиод моргает и оптрон до 10 мА на светодиод выдавал, но вот на мониторе что-то не хочет работать. Получается так, сами контакты монитора выдают 3.3В при замыкание 2.92мА, а вот оптрон на монитор уже выдаёт 2.77мА и переключения не происходит .

Последний раз редактировалось ghostic; 09.02.2016 в 04:54.
ghostic вне форума   Ответить с цитированием
Старый 12.10.2016, 03:43   #378
ghostic
Пользователь
 
Регистрация: 22.04.2009
Регион: 77, 97, 99, 177
Сообщений: 68
ghostic will become famous soon enoughghostic will become famous soon enough
По умолчанию

Решил все своим проблемы может кому нибудь пригодится.
Плата глючила при подключённом usb, отключил +5v на проводе и стала определятся теперь только когда есть питание на плате, сама прога не виснет и плата больше не глючит.
По поводу кнопок монитора, решилось заменой самих оптронов на Toshiba TLP181GB-TPR старые были с большой погрешностью.
ghostic вне форума   Ответить с цитированием
Старый 10.03.2017, 16:15   #379
Alex366
Новый Пользователь
 
Регистрация: 15.10.2016
Город: Москва
Регион: 77, 97, 99, 177
Сообщений: 11
Alex366 is on a distinguished road
По умолчанию

Господа. Никто не в курсе, где можно приобрести данный контроллер? На Car Monitor его нет. Очень надо!!!
Alex366 вне форума   Ответить с цитированием
Старый 10.03.2017, 17:23   #380
Vladget
Moderator
 
Регистрация: 04.04.2009
Возраст: 69
Город: Краснодар
Регион: 23, 93
Машина: HONDA CR-V-08
Сообщений: 3,129
Vladget is a splendid one to beholdVladget is a splendid one to beholdVladget is a splendid one to beholdVladget is a splendid one to beholdVladget is a splendid one to beholdVladget is a splendid one to beholdVladget is a splendid one to behold
По умолчанию

пиши ТС это его изобретение
__________________


Vladget вне форума   Ответить с цитированием
Ответ


Здесь присутствуют: 1 (пользователей: 0 , гостей: 1)
 

Ваши права в разделе
Вы не можете создавать новые темы
Вы не можете отвечать в темах
Вы не можете прикреплять вложения
Вы не можете редактировать свои сообщения

BB коды Вкл.
Смайлы Вкл.
[IMG] код Вкл.
HTML код Выкл.



Часовой пояс GMT +4, время: 18:27.


Работает на vBulletin® версия 3.8.4.
Copyright ©2000 - 2025, Jelsoft Enterprises Ltd.
Перевод: zCarot