PCCar.ru - Ваш автомобильный компьютер

Вернуться   PCCar.ru - Ваш автомобильный компьютер > MP3Car ТехИнфа > AndroidCar > Железо > Планшеты

Закрытая тема
 
Опции темы Поиск в этой теме
Старый 01.04.2016, 22:58   #7241
mazay66
Старший Пользователь
 
Регистрация: 17.10.2015
Город: Санкт-Петербург
Регион: 78, 98
Машина: Рено Колеос
Сообщений: 647
mazay66 is a name known to allmazay66 is a name known to allmazay66 is a name known to allmazay66 is a name known to allmazay66 is a name known to allmazay66 is a name known to all
По умолчанию

Поясните, почему нужно нормально замкнутое? Я думал, что при появлении питания на хабе, одновременно +5 подается на это реле и оно замыкает 4-й контакт разъёма на землю. Включается режим ОТГ. Это условие выполняется нормально разомкнутым реле. Разве нет?
mazay66 вне форума  
Старый 01.04.2016, 23:09   #7242
oleg707
Гуру
 
Аватар для oleg707
 
Регистрация: 16.04.2014
Возраст: 41
Город: Gdynia
Регион: другой - для добавления сообщить ab
Сообщений: 2,548
oleg707 has a reputation beyond reputeoleg707 has a reputation beyond reputeoleg707 has a reputation beyond reputeoleg707 has a reputation beyond reputeoleg707 has a reputation beyond reputeoleg707 has a reputation beyond reputeoleg707 has a reputation beyond reputeoleg707 has a reputation beyond reputeoleg707 has a reputation beyond reputeoleg707 has a reputation beyond repute
По умолчанию

Цитата:
Сообщение от mazay66 Посмотреть сообщение
Поясните, почему нужно нормально замкнутое? Я думал, что при появлении питания на хабе, одновременно +5 подается на это реле и оно замыкает 4-й контакт разъёма на землю. Включается режим ОТГ. Это условие выполняется нормально разомкнутым реле. Разве нет?
потому что датчик холла
oleg707 вне форума  
Старый 01.04.2016, 23:32   #7243
mcf1
Guest
 
Сообщений: n/a
По умолчанию

ну да, вообще то про датчик холла и реле для него была речь

Цитата:
Сообщение от oleg707 Посмотреть сообщение
есть герконы переключающие, неужели нет реле на их основе?
не встречал таких.
геркон, два контакта в колбе, которые под действием электромагнитного поля замыкаются. как он может быть переключаемся или нормальнозамкнутым?
или я отстал от жизни?)))
 
Старый 02.04.2016, 01:24   #7244
oleg707
Гуру
 
Аватар для oleg707
 
Регистрация: 16.04.2014
Возраст: 41
Город: Gdynia
Регион: другой - для добавления сообщить ab
Сообщений: 2,548
oleg707 has a reputation beyond reputeoleg707 has a reputation beyond reputeoleg707 has a reputation beyond reputeoleg707 has a reputation beyond reputeoleg707 has a reputation beyond reputeoleg707 has a reputation beyond reputeoleg707 has a reputation beyond reputeoleg707 has a reputation beyond reputeoleg707 has a reputation beyond reputeoleg707 has a reputation beyond repute
По умолчанию

Цитата:
Сообщение от mcf1 Посмотреть сообщение
ну да, вообще то про датчик холла и реле для него была речь


не встречал таких.
геркон, два контакта в колбе, которые под действием электромагнитного поля замыкаются. как он может быть переключаемся или нормальнозамкнутым?
или я отстал от жизни?)))
Тебе сфотать? Если найду в закромах из советских запасов
чипидейл
oleg707 вне форума  
Старый 02.04.2016, 08:25   #7245
cvjack
Новый Пользователь
 
Регистрация: 09.09.2014
Город: Алматы
Регион: Казахстан
Машина: Шариот Грандис
Сообщений: 8
cvjack is on a distinguished road
По умолчанию

Доброго времени суток.
Подскажите пожалуйста, на стоковой прошивке можно подавать напряжение 5 в на usb в режиме OTG? Или только на Timur-овской прошивке надо подавать питание?
Ещё вопрос, запутался совсем. В какой последовательности надо подавать ? Сначала питание планшета, затем USB, или наоборот? Какая разница по питанию между стоком и Timur?
cvjack вне форума  
Старый 02.04.2016, 08:30   #7246
Denkos
Гуру
 
Регистрация: 21.01.2010
Город: Новосибирск
Регион: 54
Сообщений: 2,580
Denkos is a glorious beacon of lightDenkos is a glorious beacon of lightDenkos is a glorious beacon of lightDenkos is a glorious beacon of lightDenkos is a glorious beacon of lightDenkos is a glorious beacon of light
По умолчанию

Цитата:
Сообщение от cvjack Посмотреть сообщение
Доброго времени суток.
Подскажите пожалуйста, на стоковой прошивке можно подавать напряжение 5 в на usb в режиме OTG? Или только на Timur-овской прошивке надо подавать питание?
Чего хотите добиться то.
Denkos вне форума  
Старый 02.04.2016, 08:42   #7247
cvjack
Новый Пользователь
 
Регистрация: 09.09.2014
Город: Алматы
Регион: Казахстан
Машина: Шариот Грандис
Сообщений: 8
cvjack is on a distinguished road
По умолчанию

Цитата:
Сообщение от Denkos Посмотреть сообщение
Чего хотите добиться то.
Есть Nexus 2012 3g.
Хочу поставить стоковую прошивка с ядром от Daniel.
Ищу вариант питания
cvjack вне форума  
Старый 02.04.2016, 08:45   #7248
Denkos
Гуру
 
Регистрация: 21.01.2010
Город: Новосибирск
Регион: 54
Сообщений: 2,580
Denkos is a glorious beacon of lightDenkos is a glorious beacon of lightDenkos is a glorious beacon of lightDenkos is a glorious beacon of lightDenkos is a glorious beacon of lightDenkos is a glorious beacon of light
По умолчанию

Цитата:
Сообщение от cvjack Посмотреть сообщение
Есть Nexus 2012 3g.
Хочу поставить стоковую прошивка с ядром от Daniel.
Ну и, мысль дальше продолжите насчет плюса пяти.
А так ставьте.
Denkos вне форума  
Старый 02.04.2016, 08:55   #7249
cvjack
Новый Пользователь
 
Регистрация: 09.09.2014
Город: Алматы
Регион: Казахстан
Машина: Шариот Грандис
Сообщений: 8
cvjack is on a distinguished road
По умолчанию

Цитата:
Сообщение от Denkos Посмотреть сообщение
Ну и, мысль дальше продолжите насчет плюса пяти.
А так ставьте.
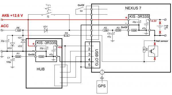
Вот эта схема подойдёт?
Миниатюры
Нажмите на изображение для увеличения
Название: user10546_pic1723_1410614539.jpg
Просмотров: 978
Размер:	31.9 Кб
ID:	43315  
cvjack вне форума  
Старый 02.04.2016, 09:59   #7250
mazay66
Старший Пользователь
 
Регистрация: 17.10.2015
Город: Санкт-Петербург
Регион: 78, 98
Машина: Рено Колеос
Сообщений: 647
mazay66 is a name known to allmazay66 is a name known to allmazay66 is a name known to allmazay66 is a name known to allmazay66 is a name known to allmazay66 is a name known to all
По умолчанию

Цитата:
Сообщение от mcf1 Посмотреть сообщение
ну да, вообще то про датчик холла и реле для него была речь
Блин, виноват. Я «на своей волне» про включение режима отг думаю.
Цитата:
Сообщение от mcf1 Посмотреть сообщение
геркон, два контакта в колбе, которые под действием электромагнитного поля замыкаются. как он может быть переключаемся или нормальнозамкнутым?
или я отстал от жизни?)))
Реле переключающее, герконовое.
mazay66 вне форума  
Закрытая тема

Метки
android, nexus 7


Здесь присутствуют: 23 (пользователей: 0 , гостей: 23)
 

Ваши права в разделе
Вы не можете создавать новые темы
Вы не можете отвечать в темах
Вы не можете прикреплять вложения
Вы не можете редактировать свои сообщения

BB коды Вкл.
Смайлы Вкл.
[IMG] код Вкл.
HTML код Выкл.



Часовой пояс GMT +4, время: 07:10.


Работает на vBulletin® версия 3.8.4.
Copyright ©2000 - 2025, Jelsoft Enterprises Ltd.
Перевод: zCarot