PCCar.ru - Ваш автомобильный компьютер

Вернуться   PCCar.ru - Ваш автомобильный компьютер > MP3Car ТехИнфа > Разработка программ

Ответ
 
Опции темы Поиск в этой теме
Старый 19.04.2010, 17:52   #651
rus7033
Пользователь
 
Регистрация: 19.04.2010
Регион: 57
Сообщений: 0
rus7033 will become famous soon enoughrus7033 will become famous soon enough
По умолчанию

Цитата:
джиобд по умолчанию весь настроен на ком2
Хм.. джиобд на KOM2 не пробовал тока FindECU. Спасибо буду пробовать.
rus7033 вне форума   Ответить с цитированием
Старый 19.04.2010, 17:59   #652
Virtual
Гуру
 
Регистрация: 07.11.2009
Возраст: 50
Регион: 02
Машина: Hyundai Accent :)
Сообщений: 1,361
Virtual has a spectacular aura aboutVirtual has a spectacular aura about
По умолчанию

Цитата:
Сообщение от MiD_E34 Посмотреть сообщение
Насколько я помню, там была ошибка только в Л-линии. А нам она и не нужна. Все остальное там в порядке было - давно очень собирал его и для ваза исправлял именно эту линию с помощью оптрона
там еще ошибка капитальная в части уровня К линии, если хош переключится на уровень 5в то большой облом. в части 12в работает терпимо, у мну такой но я его сразу исправил до проб в авто еще, хоть и уровень у мну тож 12в
__________________
Accent + Mystery MMT-8120S+ежик700_2Gssd_798МГц проц
Virtual вне форума   Ответить с цитированием
Старый 19.04.2010, 18:00   #653
Virtual
Гуру
 
Регистрация: 07.11.2009
Возраст: 50
Регион: 02
Машина: Hyundai Accent :)
Сообщений: 1,361
Virtual has a spectacular aura aboutVirtual has a spectacular aura about
По умолчанию

Цитата:
Сообщение от rus7033 Посмотреть сообщение
Хм.. джиобд на KOM2 не пробовал тока FindECU. Спасибо буду пробовать.
у тя адаптер похоже встал на ком1. аты все мучаеш несуществующий ком2
__________________
Accent + Mystery MMT-8120S+ежик700_2Gssd_798МГц проц
Virtual вне форума   Ответить с цитированием
Старый 19.04.2010, 18:57   #654
kard
Старший Пользователь
 
Аватар для kard
 
Регистрация: 06.04.2010
Возраст: 47
Регион: 19
Машина: Нива 4X4
Сообщений: 309
kard is on a distinguished road
По умолчанию

Всем привет. Наконец-то пришел адаптер по почте.К ниссану подключился через обд скан сразу, а вот этой прогой не получилось.Плохо то,что заряда в ноуте хватает на один цикл поиска.Подключился также к premio 2004г.Посмотрите мож где косяки, а то хозяин обеспокоен расходом бенза. Ездили по городу и объездным-расход средний в итоге 13,5л.Я лично не знаю сколько Premio должна кушать
Вложения
Тип файла: txt InfoECU.txt (429 байт, 1083 просмотров)
Тип файла: txt kadrM1_1.txt (9.7 Кб, 1087 просмотров)
kard вне форума   Ответить с цитированием
Старый 19.04.2010, 20:02   #655
Megavolt42rus
Пользователь
 
Регистрация: 18.04.2010
Возраст: 51
Город: Кемерово
Регион: 42
Машина: Funcargo 2002 2NZ-FE NCP200251742 АКПП
Сообщений: 34
Megavolt42rus is on a distinguished road
По умолчанию

-----

Последний раз редактировалось Megavolt42rus; 21.04.2010 в 08:31.
Megavolt42rus вне форума   Ответить с цитированием
Старый 19.04.2010, 21:29   #656
Virtual
Гуру
 
Регистрация: 07.11.2009
Возраст: 50
Регион: 02
Машина: Hyundai Accent :)
Сообщений: 1,361
Virtual has a spectacular aura aboutVirtual has a spectacular aura about
По умолчанию

kard
Megavolt42rus

по диагностике создал отдельную тему, дабы не засорять тут.
http://pccar.ru/showthread.php?t=11904
__________________
Accent + Mystery MMT-8120S+ежик700_2Gssd_798МГц проц
Virtual вне форума   Ответить с цитированием
Старый 19.04.2010, 23:09   #657
lecsa
Старший Пользователь
 
Аватар для lecsa
 
Регистрация: 18.03.2010
Возраст: 49
Город: Азов
Регион: 61
Машина: Toyota-corolla/altis e121e 3zz-fe
Сообщений: 432
lecsa will become famous soon enough
По умолчанию

Цитата:
Сообщение от rus7033 Посмотреть сообщение
Чо й то увиличить неудается
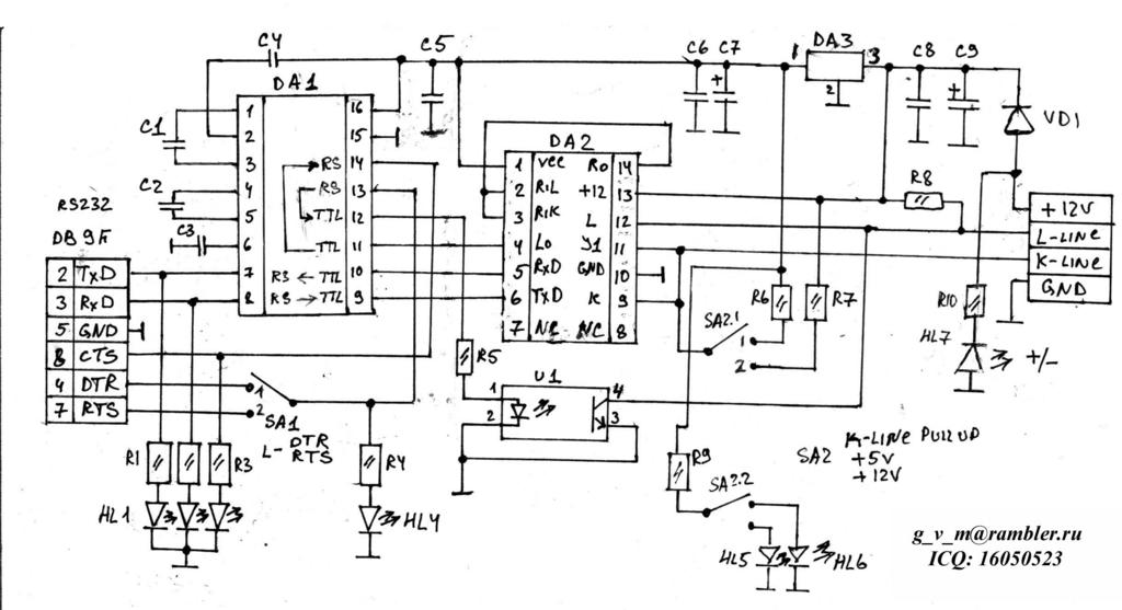
Вот доработанный мастер кит- делал другу полную версию-работает, себе обрезок без L линии и гирлянд )
Миниатюры
Нажмите на изображение для увеличения
Название: kl_my.jpg
Просмотров: 1152
Размер:	74.5 Кб
ID:	16509  
lecsa вне форума   Ответить с цитированием
Старый 20.04.2010, 00:02   #658
Virtual
Гуру
 
Регистрация: 07.11.2009
Возраст: 50
Регион: 02
Машина: Hyundai Accent :)
Сообщений: 1,361
Virtual has a spectacular aura aboutVirtual has a spectacular aura about
По умолчанию

lecsa схема не по даташитовски
а подтягивающие резисторы на к-лайн вообще мастеркитовский глюк. для MC33199
__________________
Accent + Mystery MMT-8120S+ежик700_2Gssd_798МГц проц
Virtual вне форума   Ответить с цитированием
Старый 20.04.2010, 06:10   #659
Virtual
Гуру
 
Регистрация: 07.11.2009
Возраст: 50
Регион: 02
Машина: Hyundai Accent :)
Сообщений: 1,361
Virtual has a spectacular aura aboutVirtual has a spectacular aura about
По умолчанию

Striker COM точно требует.
__________________
Accent + Mystery MMT-8120S+ежик700_2Gssd_798МГц проц
Virtual вне форума   Ответить с цитированием
Старый 20.04.2010, 07:33   #660
GASCHE
Старший Пользователь
 
Аватар для GASCHE
 
Регистрация: 01.04.2010
Регион: 35
Сообщений: 697
GASCHE is on a distinguished road
По умолчанию

Из kadrM1_1.txt
PHP код:
019  B4 Температура жидкости АКПП  58,00 °C
020  B4 
-                          32,00 HEX
021  C3 
-                          99 6B  HEX 
21 кадр понятно, 20 это опечатка или есть какой-то смысл.
GASCHE вне форума   Ответить с цитированием
Ответ

Метки
iso-14230, iso-9141, k-line, lexus, obd ii, pid, toyota


Здесь присутствуют: 2 (пользователей: 0 , гостей: 2)
 

Ваши права в разделе
Вы не можете создавать новые темы
Вы не можете отвечать в темах
Вы не можете прикреплять вложения
Вы не можете редактировать свои сообщения

BB коды Вкл.
Смайлы Вкл.
[IMG] код Вкл.
HTML код Выкл.



Часовой пояс GMT +4, время: 00:44.


Работает на vBulletin® версия 3.8.4.
Copyright ©2000 - 2025, Jelsoft Enterprises Ltd.
Перевод: zCarot