PCCar.ru - Ваш автомобильный компьютер

Вернуться   PCCar.ru - Ваш автомобильный компьютер > MP3Car ТехИнфа > AndroidCar > Железо > Планшеты

Ответ
 
Опции темы Поиск в этой теме
Старый 17.08.2017, 14:19   #2671
svoboda120
Старший Пользователь
 
Регистрация: 20.01.2017
Возраст: 62
Город: Енакиево
Регион: Украина
Машина: Peugeot 407
Сообщений: 110
svoboda120 is on a distinguished road
По умолчанию

Цитата:
Сообщение от timsoid Посмотреть сообщение
Может быть проблема в разряде с Android 7, у кого разряжается, какая прошивка?

Я так понимаю если делать по этой схеме, то при заводе авто, когда на несколько секунд пропадает питание на ACC - хаб будет отключаться?
У меня на почти такой же схеме подключения ХАБ отключается и это уже достало! Конденсаторы ставил и по 10000мФр - бесполезно. Причем падения напряжения почти нет (с 12.8В падает до 12.3В), а вот слышно четкий щелчок реле на таймере и ХАБ вместе со всей периферией отваливается. Возможно как то связано с маркой авто. В моём Peugeot столько всяких эконом режимов, что просто обалдеваешь. Причем управление этой экономией ведется по CAN-шине, потому пока не победил эту проблему.
Разряда батареи, кстати, не наблюдаю. Прошивка 7.1.2, батареи нет, контроллер есть.
svoboda120 вне форума   Ответить с цитированием
Старый 17.08.2017, 14:30   #2672
lavalamp
Старший Пользователь
 
Регистрация: 05.09.2016
Город: Ekaterinburg
Регион: 66, 96
Сообщений: 159
lavalamp is on a distinguished road
По умолчанию

Цитата:
Сообщение от shanay Посмотреть сообщение
Это фото двух разных перемычек?
Один контроллер с разных сторон, пример брал из шапки

Прошивка 7.1.2
lavalamp вне форума   Ответить с цитированием
Старый 17.08.2017, 14:37   #2673
skanch
Модератор
 
Аватар для skanch
 
Регистрация: 19.01.2010
Возраст: 59
Город: Санкт-Петербург
Регион: 78, 98
Сообщений: 2,669
skanch has a brilliant futureskanch has a brilliant futureskanch has a brilliant futureskanch has a brilliant futureskanch has a brilliant futureskanch has a brilliant futureskanch has a brilliant futureskanch has a brilliant futureskanch has a brilliant futureskanch has a brilliant futureskanch has a brilliant future
По умолчанию

Чтобы ничего не "отваливалось" нужно добавить реле (лучше коммутировать твердотельным реле или ключ на Mosfet) с задержкой выключения на вход DC-DC линии 5.1В (касается вышеупомянутой схемы). Естественно придется перестроить схему. Получится алгоритм: включили "АСС" - реле замкнулось - включился модуль DC-DC 5.1В- HUB работает. Убрали "АСС" - через 5-7 секунд выключается реле-выключается модуль DC-DC...
5-7 секунд вполне достаточно для кручения стартером. И естественно модуль DC-DC должен держать "просадки" по напряжению - min входное напряжение на входе DC-DC должно быть не выше 7.0В !
skanch вне форума   Ответить с цитированием
Старый 17.08.2017, 14:38   #2674
jonikus81
Старший Пользователь
 
Аватар для jonikus81
 
Регистрация: 07.09.2015
Возраст: 44
Город: Алматы
Регион: Казахстан
Машина: MMC DELICA 94 (булка)
Сообщений: 209
jonikus81 is a jewel in the roughjonikus81 is a jewel in the roughjonikus81 is a jewel in the roughjonikus81 is a jewel in the rough
По умолчанию

Цитата:
Сообщение от svoboda120 Посмотреть сообщение
У меня на почти такой же схеме подключения ХАБ отключается и это уже достало! Конденсаторы ставил и по 10000мФр - бесполезно. Причем падения напряжения почти нет (с 12.8В падает до 12.3В), а вот слышно четкий щелчок реле на таймере и ХАБ вместе со всей периферией отваливается. Возможно как то связано с маркой авто. В моём Peugeot столько всяких эконом режимов, что просто обалдеваешь. Причем управление этой экономией ведется по CAN-шине, потому пока не победил эту проблему.
Разряда батареи, кстати, не наблюдаю. Прошивка 7.1.2, батареи нет, контроллер есть.
могу предположить, что ребут хаба идет изза реле, так как реле ест не мало и в данной схеме нет диода гасящего обратный ток катушки реле, а он тут быть обязан. И да, соглашусь со Skanch, нужны задержки и надежные DC DC. Проще умный бп без громоздких реле собрать(купить).
jonikus81 вне форума   Ответить с цитированием
Старый 17.08.2017, 14:46   #2675
skanch
Модератор
 
Аватар для skanch
 
Регистрация: 19.01.2010
Возраст: 59
Город: Санкт-Петербург
Регион: 78, 98
Сообщений: 2,669
skanch has a brilliant futureskanch has a brilliant futureskanch has a brilliant futureskanch has a brilliant futureskanch has a brilliant futureskanch has a brilliant futureskanch has a brilliant futureskanch has a brilliant futureskanch has a brilliant futureskanch has a brilliant futureskanch has a brilliant future
По умолчанию

Цитата:
Сообщение от jonikus81 Посмотреть сообщение
могу предположить, что ребут хаба идет изза реле, так как реле ест не мало и в данной схеме нет диода гасящего обратный ток катушки реле, а он тут быть обязан.
Все что подключается напрямую от линии "АСС" (напряжение пропадает во время кручения стартером) работать не будет.
skanch вне форума   Ответить с цитированием
Старый 17.08.2017, 14:50   #2676
jonikus81
Старший Пользователь
 
Аватар для jonikus81
 
Регистрация: 07.09.2015
Возраст: 44
Город: Алматы
Регион: Казахстан
Машина: MMC DELICA 94 (булка)
Сообщений: 209
jonikus81 is a jewel in the roughjonikus81 is a jewel in the roughjonikus81 is a jewel in the roughjonikus81 is a jewel in the rough
По умолчанию

Цитата:
Сообщение от skanch Посмотреть сообщение
Все что подключается напрямую от линии "АСС" (напряжение пропадает во время кручения стартером) работать не будет.
судя по схеме, они пытаются это обойти диодом в самом начале и конденсатором, но это все равно доли секунды
jonikus81 вне форума   Ответить с цитированием
Старый 17.08.2017, 15:02   #2677
skanch
Модератор
 
Аватар для skanch
 
Регистрация: 19.01.2010
Возраст: 59
Город: Санкт-Петербург
Регион: 78, 98
Сообщений: 2,669
skanch has a brilliant futureskanch has a brilliant futureskanch has a brilliant futureskanch has a brilliant futureskanch has a brilliant futureskanch has a brilliant futureskanch has a brilliant futureskanch has a brilliant futureskanch has a brilliant futureskanch has a brilliant futureskanch has a brilliant future
По умолчанию

Цитата:
Сообщение от jonikus81 Посмотреть сообщение
судя по схеме, они пытаются это обойти диодом в самом начале и конденсатором, но это все равно доли секунды
Это не спасает от "просадок" во время кручения стартером... Как уже выше говорил-нужно делать временную задержку (реле времени, контроллер или что-то подобное) на выключение и все получится. Необходимое условие - это достаточно надежный DC-DC преобразователь с входным напряжением от 7.0В (лучше ниже). Подобный вариант мною проверен не однократно, правда я пользуюсь смарт-ключами для коммутации напряжения и управляю ими через контроллер (Ардуино). Но если "городить" без программирования, то можно систему построить на таком модуле. Напряжение питания модуля от 8.0-32В, но проверял от 7.0В - тоже работает.
Правда собственное потребление этого модуля 35-60 мА (реле отключены и питание на обмотки не поступает).


Последний раз редактировалось skanch; 26.08.2018 в 11:08.
skanch вне форума   Ответить с цитированием
Старый 17.08.2017, 15:51   #2678
sandr2010
Гуру
 
Регистрация: 13.11.2011
Возраст: 61
Город: Волгоград
Регион: 34
Машина: Mitsubishi RVR, Chery Tiggo
Сообщений: 1,780
sandr2010 is a jewel in the roughsandr2010 is a jewel in the roughsandr2010 is a jewel in the roughsandr2010 is a jewel in the rough
По умолчанию

svoboda120 , у вас не должен хаб отваливаться,если поставили реле задержки на прокрутку стартера(вечером погляжу еще раз схемы - уточнюсь в личке) и если брали сигнал с АСС только как управление.
sandr2010 вне форума   Ответить с цитированием
Старый 17.08.2017, 15:51   #2679
svoboda120
Старший Пользователь
 
Регистрация: 20.01.2017
Возраст: 62
Город: Енакиево
Регион: Украина
Машина: Peugeot 407
Сообщений: 110
svoboda120 is on a distinguished road
По умолчанию

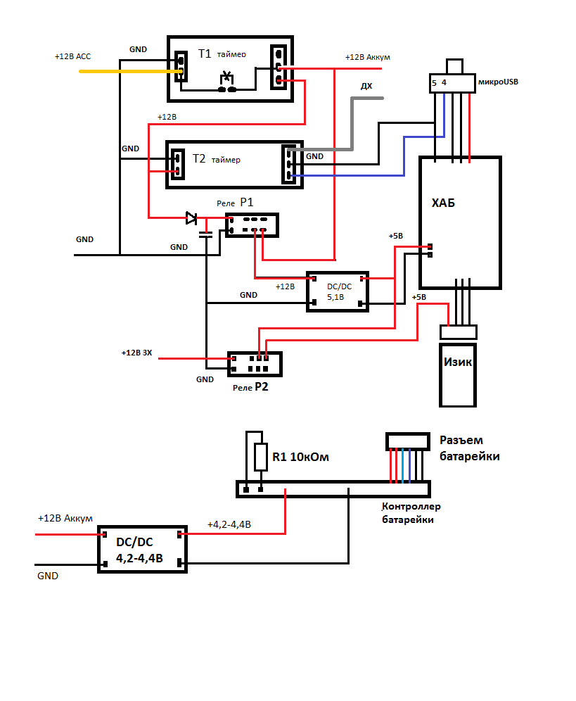
Вот примерная схема, по которой организовано питание (Подсказали здесь на форуме уважаемые люди). Примерная, потому что между АСС и таймером Т1 добавлен конденсатор 10000мФр и диод Шоттки.
Нажмите на изображение для увеличения
Название: Безымянный.png
Просмотров: 3272
Размер:	39.3 Кб
ID:	47967
Принцип работы таков: при включении АСС таймер Т1 настроен на задержку 6-7 сек. Этого времени с запасом хватает на работу стартера.При появлении питания на катушке таймера Т2 через 0.5-1 сек. появляется питание на ХАБе и осуществляется переключение "земли" с датчика Холла на OTG. Как итог - все включается и работает как часы. Если зажигание выключить, то преобразователь питающий ХАБ выключается не сразу, а спустя 6 сек. Такой задержки добился установкой связки диод Шоттки + конденсатор С=470мФр. (именно они показаны на схеме перед реле Р1).
Теперь ситуация из жизни. Нахожусь в авто в режиме ожидания и в этот момент зажигание включено, планшет работает, ХАБ подключен и музыка с флэшки воспроизводится. Подошел человек, которого я ожидал и я просто прокручиваю стартер. Машина завелась с пол тычка, но музыка с флэшки останавливается, камера заднего хода не работает, ХАБ выключен. Чтобы все заработало как надо отключаю зажигание, жду когда отработают все задержки (получается секунд 10, не меньше), затем завожу автомобиль, уже еду и только потом (на самом деле тоже около 10 сек.) появляется картинка и музыка. Согласитесь неудобно.
Так и не понял, какую еще задержку нужно сделать. И на включение и на выключение вроде бы есть
svoboda120 вне форума   Ответить с цитированием
Старый 17.08.2017, 15:57   #2680
timsoid
Новый Пользователь
 
Регистрация: 16.05.2017
Город: Москва
Регион: 77, 97, 99, 177
Сообщений: 19
timsoid is on a distinguished road
По умолчанию

А если хаб запитать не от ACC, а от постоянных 12В и через реле времени отключать питание на хаб после пропадания ACC ?
timsoid вне форума   Ответить с цитированием
Ответ


Здесь присутствуют: 2 (пользователей: 0 , гостей: 2)
 

Ваши права в разделе
Вы не можете создавать новые темы
Вы не можете отвечать в темах
Вы не можете прикреплять вложения
Вы не можете редактировать свои сообщения

BB коды Вкл.
Смайлы Вкл.
[IMG] код Вкл.
HTML код Выкл.



Часовой пояс GMT +4, время: 01:04.


Работает на vBulletin® версия 3.8.4.
Copyright ©2000 - 2025, Jelsoft Enterprises Ltd.
Перевод: zCarot