PCCar.ru - Ваш автомобильный компьютер

Вернуться   PCCar.ru - Ваш автомобильный компьютер > MP3Car ТехИнфа > AndroidCar > Питание

Результаты опроса: Писать ли про развитие проекта, или пофиг, есть свой и работает.
Пиши дальше 210 96.33%
Не пиши, лучше займись чем нибудь (другим) полезным. 8 3.67%
Голосовавшие: 218. Вы ещё не голосовали в этом опросе

Ответ
 
Опции темы Поиск в этой теме
Старый 12.02.2017, 00:47   #881
plus88
Старший Пользователь
 
Регистрация: 05.05.2015
Город: Омск
Регион: 55
Машина: Prado 120
Сообщений: 133
plus88 is on a distinguished road
По умолчанию

Вот помудрил еще чуть чуть. Интересует только участок,который в зеленом пунктирном квадрате выделен. Так будет работать?
Смысл такой что когда включаем АСС, блок питания хаба остается выключенным пока не включится ардуина и не "продавит" минусом на пятый управляющий пин, что включит блок питания usb хаба. Ну и дальше ардуина уже будет рулить. или надо еще какой то узел чтобы закрывать транзисторы и не включать их больше после старта ардуины?
Миниатюры
Нажмите на изображение для увеличения
Название: блок питания схема2.jpg
Просмотров: 1568
Размер:	54.4 Кб
ID:	46736  
plus88 вне форума   Ответить с цитированием
Старый 12.02.2017, 01:05   #882
plus88
Старший Пользователь
 
Регистрация: 05.05.2015
Город: Омск
Регион: 55
Машина: Prado 120
Сообщений: 133
plus88 is on a distinguished road
По умолчанию

Вот немного по-другому. Посмотрел по даташиту на LM2596s там на управлющую ногу можно подавать от 1.3 до 25 v. По-этому схему немного переделал. Так правильнее?
Миниатюры
Нажмите на изображение для увеличения
Название: блок питания схема2.jpg
Просмотров: 1524
Размер:	55.9 Кб
ID:	46737  
plus88 вне форума   Ответить с цитированием
Старый 12.02.2017, 02:36   #883
oleg707
Гуру
 
Аватар для oleg707
 
Регистрация: 16.04.2014
Возраст: 42
Город: Gdynia
Регион: другой - для добавления сообщить ab
Сообщений: 2,548
oleg707 has a reputation beyond reputeoleg707 has a reputation beyond reputeoleg707 has a reputation beyond reputeoleg707 has a reputation beyond reputeoleg707 has a reputation beyond reputeoleg707 has a reputation beyond reputeoleg707 has a reputation beyond reputeoleg707 has a reputation beyond reputeoleg707 has a reputation beyond reputeoleg707 has a reputation beyond repute
По умолчанию

Цитата:
Сообщение от mazay66 Посмотреть сообщение
Ну что ж, хватило терпения прочитать всю ветку форума. Понял, что схема, с которой вы начинали, мало чего общего имеет с платой последней модификации. Чего не понял, так это того, в какой момент в схеме появилась ITS716G и с какой целью? На последнем фото, смотрю вообще нет полевиков, есть ещё микросхемка. Чего не устраивает, что ищите?
Поделюсь своей концепцией подхода к БП. Сейчас у меня установлен 12-й нексус с 3G? аналоговый БП на КИСах с необходимыми задержками и отключением при просадке батареи. Работает не плохо, но хочу уйти от реле и перейти на 13-й. Ваша схема (без реле) интересна, но концепция у меня немного другая:
1. Отсутствие батареи в планшете
2. Отсутствие дополнительных кнопок - только автозапуск.
3. Никакого перерезания питающего провода между хабом и планшетом.
Реализуется просто - через таймер времени на NE555. Появилось питание +5В, после включения ААС, и через замкнутые контакты реле таймера отправляется на контакт пого (в 13-м видимо на рабъём микро юсб). Сработал таймер через несколько секунд, пого-контакт планшета обесточился. Но +5В там больше и не требуется. Планшет уже стартонул из выключенного состояния, необходимое действие свершилось) Таймер перекинул +5 с пого на реле замыкающее 4-й контакт микро юсб на землю. Подключился режим ОТГ. Отключили АСС, таймер откинул контакты реле назад. ОТГ отключилось, POGO подключиля, но +5В уже с КИСа не раздоется. Экран тухнет с задержкой через делитель и конденсатор по ДХ. КИС на 4,2В продолжает питать планшет в спящем режиме. Через 3-и часа Таскер полностью отключает планшет и потребленее его почти отсутствует. НО, время не сбрасывается, поскольку КИС поддерживает 4,2В. При просадке напряжения батареи ниже 11В, КИС отключится, посколько получает информацию о состоянии батарее по входу ON/Off. Но за год использования, такого не происходило.
Вот в раздумьях теперь - скопитовать ваш БП или как-то заменить мои реле полевыми транзисторами/эл ключами.
Не подскажете, как можно "заставить" ключ на полевом транзисторе выдать кратковременные +5в. Интервалом в 4-5 сек (для автостарта 13-го нексуса)?
Цитата:
Чего не устраивает, что ищите
тема длинная, дискутировать можно долго.
если вкратце, то по сравнению с 3й версией 5я версия ГИБЧЕ. То есть, если я захочу поменять кое-какие тайминги в 3БП, мне придётся его перепаивать.
А если в 5БП - я просто меняю программу. Причём кручу, как хочу. Совсем.

Its716 использовал, так как это же полноценные электронные ключи, с управлением напрямую от проца и с защитой от КЗ. Причем есть еще диагностика ( там доп выводы). Малого размера.
В BMW X5 X6 ( и в более простых) в блоке управления светом ( фары, противотуманки, габариты) используются такого плана ITS, только у них управление по I2C.

Цитата:
При просадке напряжения батареи ниже 11В, КИС отключится, посколько получает информацию о состоянии батарее по входу ON/Off.
это как? обычно либо стабилитрон и транзистор в ключевом режиме, либо процессор и делитель напряжения.
Цитата:
3. Никакого перерезания питающего провода между хабом и планшетом.
Если не убрать с ID( 4 конт) юсб массу, то планшет подаёт на хаб питание. Если отключить в этот момент зарядку ( пого или юсб, неважно), планшет всё равно считает, что зарядка идёт.
У кого нету ДХ и таскер (автоматизатор) тушит экран по признаку зарядки - тем весело.
Еще причина не перерезания питающего провода между хабом и планшетом - я не знаю, что я завтра захочу воткнуть в хаб. И сколько оно захочет потребить.

А еще одна причина, почему я так сделал - описана у меня в проекте:
Когда то в начале я не хотел лезть в батарею и датчик холла. Поэтому зарядка планшета шла через ПОГО (те же яйца, что и ЮСБ, только ток мощнее берёт), а экран тух программно, по признаку пропадания зарядки. звук брался с наушников.
Использовалась тогда обычная зарядка в прикуриватель. Когда запускался одновременно плеер и навителл, то зарядка была меньше разрядки или около того. За 6 часов езды с навигатором батарея скорее разряжалась, чем заряжалась.

Потом пришла звуковая (2704).
Хаб я не хотел, потому звуковуху повесил на ЮСБ через Y-OTG кабель.
Звук меня приятно удивил для 10$ вообще лепота.
НО...
1 - Пошла разрядка батареи. То есть заряда по ПОГО ( примерно 0,6-0,7А 5,0 вольт) не хватало чтобы поддерживать тупо поверамп и звуковуху.
2 - если подать на пого 5 вольт и прицепить y-otg кабель, то планшет будет давать питание на ЮСБ (питая нашу звуковуху). А вот если в этот момент убрать питание на пого, то планшет продолжал питать ЮСБ-звуковуху и вообще показывал зарядку (питаясь от батареи)
Даже экран не тух ( таскером по признаку зарядки).
Вот тогда мне это дало стимул конкретно заморочиться БП(3 а сейчас и уже 4 версии). Демонтировал планшет, вывел сигнальный пин датчика холла, подпаялся параллельно батарее, прямо к материнке, (к черному и красному) оставив контроллер.

Смысл в том, что батарея, даже в хлам разряженная, должна была поддерживаться блоком питания и не проседать ниже 3,8 вольт, заодно подрабатывая конденсатором (как аккумулятор в автомобиле).
НО. Одновременно подавалось питание 4,85 вольт на ПОГО. ( для признака зарядки). Планшет, имея штатное юсб питание, начинал успешно заряжать батарею (когда напруга поднималась выше 3,8, KIW3312s понижал зарядный ток на батарею, в итоге схема находила баланс и прекрасно себя чувствовала). Хреново чувствовал себя только контроллер батареи, который сбил свои реальные значения заряда-разряда и показывал ~33-40%. Меня это не заботило, поскольку система наконец таки начала работать стабильно.

До одного утра... что то разрядило батарею планшета ниже 0%. Как бы и хрен бы с ним, у нас же блок питания даёт 3,8В, должно хватать с запасом. Ан нет, планшет (с патчем автозагрузки) грузит систему, та, получив от контроллера батареи заряд 0%, пишет ВЫКЛЮЧЕНИЕ и вырубает тело. У того патч автозагрузки, видя признак заряда на ПОГО, включает планшет и так по кругу, пока контроллер заряда не сообщит системе, что батарея уже 1%.
Решения этой бяки оказалось 3.
1- вырубать планшет раньше блока питания. планш через 2 часа, а блок через 3.
2- отрезать от контроллера батареи шину данных( не помню точно, вроде бы I2C там). Тогда в трее болтается красный значёк батареи с 0% заряда, но система не вырубается.
3- прошить ядро, которое чихать хотело на батарею ( ядро Даниэля в моём случае.)

3 способ был самым правильным, поскольку тогда я прошил автодроид 1,2 (слимКэт, основанный на стоке), и УРА, батарея стала показывать всегда 100%(правда при этом перестала мерять температуру, что летом плохо, а зимой, при -25, хорошо).
Значёк батареи я за ненадобностью скрыл.
С тех пор всё работает стабильно и предсказуемо.

дополнение... при -20 или при полном разряде батареи планшет отказывался включаться.
для теста отрезал 2 провода данных от контроллера, оставил только питание. На планшет приходит 3.1v(севшая батарея), странно, но работает. БП выдаёт 3,8.

Цитата:
Не подскажете, как можно "заставить" ключ на полевом транзисторе выдать кратковременные +5в. Интервалом в 4-5 сек (для автостарта 13-го нексуса)?
либо мудрить кондёр с транзисторами в ключевом режиме, либо 555, липо проц ( который заодно меряет напругу и рулит блоком)

Не хочу хвастаться, но в бп как 3 так и 5й версий ( 4 это точно такая же 5, только плата растрассирована по другому) учтены много мелочей, которые вылезали на практике. И про которые я не то что вопросов не видел на форуме, а вообще упоминания нет этих проблем.
( как пример, могу указать ДХ).
Мне нужно включить планшет. Но ехать я пока НЕ собираюсь.
Алгоритм.
1 - вкл зажигание.
Автостартанув, планшет пошел загружаться.
2 - ждём 3-5 сек выключаем зажигание и идём по своим делам ( вещи загружать).
3 - Планшет показывает бутанимацию.
4- загрузился. Экран СВЕТИТСЯ. А светится потому, что ДХ обрабатывается ПРОГРАММНО, системой. И когда система загружается, ей надо, чтобы ДХ был неактивен ( не было массы)
5 - Чтобы этого не было, пришлось считать, что если 1я загрузка, то 2 минуты держать ДХ в высоком уровне.
6 - а вдруг планшет уже загружен, а я на БП просто ресет нажал? Тогда надо проверять наличие включения зажигания ( скажем, секунд 15), и последующее включение.

Вот как такие извращённые логики без процессора реализовывать?


Цитата:
скопировать ваш БП или как-то заменить мои реле полевыми транзисторами/эл ключами.
да как вашей душе угодно
Я дал рабочее решение, которое можно полностью либо частично копировать.
Причём решений этих аж 3 штуки: Без ардуины, с ардуиной попроще, и с ардуиной посложнее.
4е решение на голом проце выкладывать не стал - потому как его нужно прошить, на внутренний кварц фьюсы прописать. А это уже уровень явно выше среднего - такие люди сами быстрее что-нить сделают, чем ждать будут.
oleg707 вне форума   Ответить с цитированием
Старый 12.02.2017, 02:45   #884
oleg707
Гуру
 
Аватар для oleg707
 
Регистрация: 16.04.2014
Возраст: 42
Город: Gdynia
Регион: другой - для добавления сообщить ab
Сообщений: 2,548
oleg707 has a reputation beyond reputeoleg707 has a reputation beyond reputeoleg707 has a reputation beyond reputeoleg707 has a reputation beyond reputeoleg707 has a reputation beyond reputeoleg707 has a reputation beyond reputeoleg707 has a reputation beyond reputeoleg707 has a reputation beyond reputeoleg707 has a reputation beyond reputeoleg707 has a reputation beyond repute
По умолчанию

Цитата:
Сообщение от plus88 Посмотреть сообщение
Вот немного по-другому. Посмотрел по даташиту на LM2596s там на управлющую ногу можно подавать от 1.3 до 25 v. По-этому схему немного переделал. Так правильнее?
хрень какая то. Не будет работать. Диод между ногой проца и питанием это вообще пздц. плюнь на него и 12В пойдет на ногу, весело выжигая вывод. Хоть резак токозащитный воткни.
В общем так: Собирай макетную плату, паяй на столе свою схему и проверяй, соответствует ли теория реальной работе. А планшет пока не подключй
oleg707 вне форума   Ответить с цитированием
Старый 12.02.2017, 17:22   #885
plus88
Старший Пользователь
 
Регистрация: 05.05.2015
Город: Омск
Регион: 55
Машина: Prado 120
Сообщений: 133
plus88 is on a distinguished road
По умолчанию

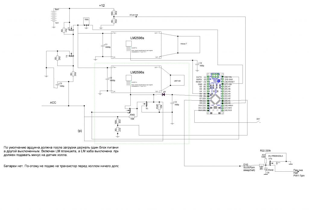
Поправил. Убрал всю конструкцию, оставил с ардуины сразу на LM2596. Так нормально будет? или лучше взять 5 вольт с той же ардуины?
plus88 вне форума   Ответить с цитированием
Старый 12.02.2017, 17:41   #886
plus88
Старший Пользователь
 
Регистрация: 05.05.2015
Город: Омск
Регион: 55
Машина: Prado 120
Сообщений: 133
plus88 is on a distinguished road
По умолчанию

как-то так
Миниатюры
Нажмите на изображение для увеличения
Название: блок питания схема2.jpg
Просмотров: 1541
Размер:	55.2 Кб
ID:	46749  
plus88 вне форума   Ответить с цитированием
Старый 12.02.2017, 18:58   #887
oleg707
Гуру
 
Аватар для oleg707
 
Регистрация: 16.04.2014
Возраст: 42
Город: Gdynia
Регион: другой - для добавления сообщить ab
Сообщений: 2,548
oleg707 has a reputation beyond reputeoleg707 has a reputation beyond reputeoleg707 has a reputation beyond reputeoleg707 has a reputation beyond reputeoleg707 has a reputation beyond reputeoleg707 has a reputation beyond reputeoleg707 has a reputation beyond reputeoleg707 has a reputation beyond reputeoleg707 has a reputation beyond reputeoleg707 has a reputation beyond repute
По умолчанию

Цитата:
Сообщение от plus88 Посмотреть сообщение
Поправил. Убрал всю конструкцию, оставил с ардуины сразу на LM2596. Так нормально будет? или лучше взять 5 вольт с той же ардуины?
попробуй собери на макетке.
oleg707 вне форума   Ответить с цитированием
Старый 12.02.2017, 20:05   #888
plus88
Старший Пользователь
 
Регистрация: 05.05.2015
Город: Омск
Регион: 55
Машина: Prado 120
Сообщений: 133
plus88 is on a distinguished road
По умолчанию

ну на вид ошибок больше не видно?
plus88 вне форума   Ответить с цитированием
Старый 12.02.2017, 23:43   #889
mazay66
Старший Пользователь
 
Регистрация: 17.10.2015
Город: Санкт-Петербург
Регион: 78, 98
Машина: Рено Колеос
Сообщений: 647
mazay66 is a name known to allmazay66 is a name known to allmazay66 is a name known to allmazay66 is a name known to allmazay66 is a name known to allmazay66 is a name known to all
По умолчанию

Цитата:
Сообщение от oleg707 Посмотреть сообщение
это как? обычно либо стабилитрон и транзистор в ключевом режиме, либо процессор и делитель напряжения.
Это просто. Где-то в этой теме была даже ссылка на схему с описанием. КИС немного переделывается и вместо отрицательного смещения на контакт ON/OFF подаем положительное (через делитель). При снижении напряжения батареи, снижается и потенциал на делителе. Резисторы делителя подобраны таким образом, что бы при требуемом напряжении батареи, КИС отключался.
Цитата:
Сообщение от oleg707 Посмотреть сообщение
Если не убрать с ID( 4 конт) юсб массу, то планшет подаёт на хаб питание. Если отключить в этот момент зарядку ( пого или юсб, неважно), планшет всё равно считает, что зарядка идёт.
У кого нету ДХ и таскер (автоматизатор) тушит экран по признаку зарядки - тем весело.
Еще причина не перерезания питающего провода между хабом и планшетом - я не знаю, что я завтра захочу воткнуть в хаб. И сколько оно захочет потребить.
Совершенно верно, планшет всегда показывает зарядку при включенном режиме ОТГ. Такова особенность ядра Даниэля в режиме включенного ОТГ. Но к чему вы это написали? Не понял. У меня, при выключении зажигания, режим ОТГ отключается, хотя и тушу экран ДХ, а не софтом. И последняя причина – не причина. Захотите хаб, установите. Только поставьте активный, с отдельным входом для доп питания. Зачем что-то резать и перепаивать? Вы же сами сторонник того, что бы работало всё штатно. Это следует из ваших постов.
Цитата:
Сообщение от oleg707 Посмотреть сообщение
2 - если подать на пого 5 вольт и прицепить y-otg кабель, то планшет будет давать питание на ЮСБ (питая нашу звуковуху). А вот если в этот момент убрать питание на пого, то планшет продолжал питать ЮСБ-звуковуху и вообще показывал зарядку (питаясь от батареи)
Даже экран не тух ( таскером по признаку зарядки).
Вот тогда мне это дало стимул конкретно заморочиться БП(3 а сейчас и уже 4 версии).
Ещё раз повторю, планшет показывал зарядку без подключенного пого, потому что у вас установлено ядро Даниэля и включен режим отг. В режиме ОТГ планшет и должен выдавать питание на звуковуху. Не понимаю, в чем тут не стыковка? Всё логично. Отключаете питание пого, отключаете отг и совершенно спокойно гасите экран Таскером. Разве нет? В чём я ошибаюсь?
Цитата:
Сообщение от oleg707 Посмотреть сообщение
либо мудрить кондёр с транзисторами в ключевом режиме, либо 555, липо проц ( который заодно меряет напругу и рулит блоком).
Вот реально, спасибо. Посмотрев ваше видео, о принципе работы полевых транзисторов, и добавив к ним таймер на биполярнике, набросал схемку. Сбегал в радиодетали за транзистором и макетницей. Собрал и сразу получил требуемый результат.
mazay66 вне форума   Ответить с цитированием
Старый 13.02.2017, 21:34   #890
oleg707
Гуру
 
Аватар для oleg707
 
Регистрация: 16.04.2014
Возраст: 42
Город: Gdynia
Регион: другой - для добавления сообщить ab
Сообщений: 2,548
oleg707 has a reputation beyond reputeoleg707 has a reputation beyond reputeoleg707 has a reputation beyond reputeoleg707 has a reputation beyond reputeoleg707 has a reputation beyond reputeoleg707 has a reputation beyond reputeoleg707 has a reputation beyond reputeoleg707 has a reputation beyond reputeoleg707 has a reputation beyond reputeoleg707 has a reputation beyond repute
По умолчанию

Цитата:
Ещё раз повторю, планшет показывал зарядку без подключенного пого, потому что у вас установлено ядро Даниэля и включен режим отг. В режиме ОТГ планшет и должен выдавать питание на звуковуху. Не понимаю, в чем тут не стыковка? Всё логично. Отключаете питание пого, отключаете отг и совершенно спокойно гасите экран Таскером. Разве нет? В чём я ошибаюсь?
Во первых, тогда стоял цианогенмод 11. Там свои ядра. Несовместимые со стоком.
Во вторых да, вы правы, забыл за давностью лет. С ОТГ попутал.
В любом случае, я теперь снимаю массу с отг, снимаю питание с хаба, снимаю питание с планшета ( признак зарядки), и тушу экран через датчик холла.
Питание на хаб я не режу где-то внутри планшета, а просто не подаю через юсб кабель ( который всё равно надо паять, чтобы Y-OTG режим планшету скормить).
Если кому либо не надо эти функции в БП, то можно их не подключать.
Кстати, экран по ДХ стал гасить из-за нестабильности тогдашней операционки - могло иногда включить экран. С ДХ всё работает очень стабильно - за последние пару лет не помню таких сбоев.

А так я даже в видео показал, как только через ЮСБ питание без разборки планшета, с помощью таскера, можно делать кар-пс.
oleg707 вне форума   Ответить с цитированием
Ответ

Метки
arduino, nexus7, блок питания, блок питания планшета


Здесь присутствуют: 1 (пользователей: 0 , гостей: 1)
 

Ваши права в разделе
Вы не можете создавать новые темы
Вы не можете отвечать в темах
Вы не можете прикреплять вложения
Вы не можете редактировать свои сообщения

BB коды Вкл.
Смайлы Вкл.
[IMG] код Вкл.
HTML код Выкл.



Часовой пояс GMT +4, время: 23:38.


Работает на vBulletin® версия 3.8.4.
Copyright ©2000 - 2026, Jelsoft Enterprises Ltd.
Перевод: zCarot