PCCar.ru - Ваш автомобильный компьютер

Вернуться   PCCar.ru - Ваш автомобильный компьютер > MP3Car ТехИнфа > Для новичков

Ответ
 
Опции темы Поиск в этой теме
Старый 02.07.2008, 18:01   #31
el_coyote
Новый Пользователь
 
Регистрация: 16.05.2008
Возраст: 42
Город: Волгоград
Регион: 34
Машина: 2007\ВАЗ\21144
Сообщений: 8
el_coyote is on a distinguished road
По умолчанию

Цитата:
Сообщение от Beer100 Посмотреть сообщение
Провода бери подороже и потолще. Те, кто ими торгует - подскажут. А вообще было бы не плохо сначала разобраться, от куда треск. У тебя усилитель стоит? Попробуй вместо кабеля с усилителем просто подключить наушники и послушать, есть ли треск.
Стоит 3 усилителя (см. подпись). Громкость треска зависит от "мощности" выставленной на усилке. Наушники еще не пробовал - ибо нету
Цитата:
Сообщение от Beer100 Посмотреть сообщение
Те, кто ими торгует - подскажут
Я попробовал спросить на рынке...очень озадачил продавцов А магазинов типа московских, у нас днем с огнем не найдешь.
Может что в схемке не правильно? Подключено все примерно так:
Сила по левой стороне машины, межблоки и сигнальные по правой, комповые посередине. 4 силы 4Ga с аккумуятора кинуто в багажник через автоматы. Приходят они на 3 кондера по 1 фараду (на сабовый кондер приходит 2 силы). Минусы у всего этого добра общие на жирном болте под заднем сиденьем.
Провода до компа кинуты 8 гейджем (3 штуки). Минус с БП и земля с корпуса компа кинуты на тот же болт, а плюс на кондер для 4-ех канальника. Монитор питается от БП компа.
__________________
M2-ATX, MSI Neo3-FR P45, Core 2 Duo E7200, MSI 8600 GT, 80GB Seagate+320GB Seagate, 4x512 DDR2 6400 Kingston, Lynx TwoB, AverTv 509, BU-353, PCM-800
Eton PA 2802,PA 1502,PA 1054,Discovery 160 SQ, RSX 160, RS 100, Kicker S12L72
el_coyote вне форума   Ответить с цитированием
Старый 06.03.2009, 12:00   #32
tabletguru
Старший Пользователь
 
Аватар для tabletguru
 
Регистрация: 18.02.2009
Город: Питер
Регион: 78, 98
Машина: Forester 2,5T MY09
Сообщений: 149
tabletguru is on a distinguished road
По умолчанию

Можно дурацкий вопрос:
вот мы тянем провода, большие толстые, хкранированные, а потом упираемся в такую колодку.
Здесь помехи по питанию будут сильные или как?
Это вариант для магнитолы, но идея думаю понятна
Миниатюры
Нажмите на изображение для увеличения
Название: Untitled111.jpg
Просмотров: 2144
Размер:	7.5 Кб
ID:	9703  
tabletguru вне форума   Ответить с цитированием
Старый 06.03.2009, 12:06   #33
ВладимирC
Старший Пользователь
 
Регистрация: 20.08.2007
Возраст: 53
Город: Москва
Регион: 77, 97, 99, 177
Машина: Hyunday Grandeur 3.3
Сообщений: 852
ВладимирC is a glorious beacon of lightВладимирC is a glorious beacon of lightВладимирC is a glorious beacon of lightВладимирC is a glorious beacon of lightВладимирC is a glorious beacon of light
По умолчанию

Цитата:
Сообщение от tabletguru Посмотреть сообщение
Можно дурацкий вопрос:
вот мы тянем провода, большие толстые, хкранированные, а потом упираемся в такую колодку.
Здесь помехи по питанию будут сильные или как?
Это вариант для магнитолы, но идея думаю понятна
Так тут важна не только толщина, но и длина провода. Короткий провод не внесет ощутимого сопротивления в цепь.
ВладимирC вне форума   Ответить с цитированием
Старый 06.03.2009, 14:17   #34
tabletguru
Старший Пользователь
 
Аватар для tabletguru
 
Регистрация: 18.02.2009
Город: Питер
Регион: 78, 98
Машина: Forester 2,5T MY09
Сообщений: 149
tabletguru is on a distinguished road
По умолчанию

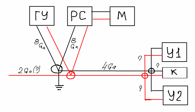
Сопротивление - это понятно, а наводки от такого пучка, минимум экранировки, а сами крепления, штырьки и т.п. - может лучше влезть внутрь и присоедениться "напрямую"? Или нет смысла?

Что-то чтение форума совсем снесло мозг При этом электрики на работе тоже критикуют и совсем другое советуют.
Подскажите, такое подключение может быть?
И какие кабели (короткие) должны быть на местах вопросов.
Простите за качество схемы, рисовал "на коленке"
Миниатюры
Нажмите на изображение для увеличения
Название: шхема.png
Просмотров: 2251
Размер:	13.4 Кб
ID:	10191  

Последний раз редактировалось tabletguru; 27.03.2009 в 03:02.
tabletguru вне форума   Ответить с цитированием
Старый 18.11.2009, 00:23   #35
sanchez
Пользователь
 
Регистрация: 04.11.2009
Возраст: 43
Регион: 63, 163
Сообщений: 48
sanchez is on a distinguished road
По умолчанию

иплюс и минус должны быть одинакового сечения
питалово заводи на кондер а от него уже максимально короткими соплями на усилки
имхо
sanchez вне форума   Ответить с цитированием
Старый 18.11.2009, 00:26   #36
sanchez
Пользователь
 
Регистрация: 04.11.2009
Возраст: 43
Регион: 63, 163
Сообщений: 48
sanchez is on a distinguished road
По умолчанию

Цитата:
Сообщение от tabletguru Посмотреть сообщение
Можно дурацкий вопрос:
вот мы тянем провода, большие толстые, хкранированные, а потом упираемся в такую колодку.
Здесь помехи по питанию будут сильные или как?
Это вариант для магнитолы, но идея думаю понятна
провод сдесь короткий и ощутимого какаша не наделает
sanchez вне форума   Ответить с цитированием
Старый 18.11.2009, 00:27   #37
sanchez
Пользователь
 
Регистрация: 04.11.2009
Возраст: 43
Регион: 63, 163
Сообщений: 48
sanchez is on a distinguished road
По умолчанию

а экранированными проводами тянуца только слаботочные аудиосигналы
sanchez вне форума   Ответить с цитированием
Старый 25.11.2009, 01:29   #38
wr_wr
Пользователь
 
Аватар для wr_wr
 
Регистрация: 22.11.2009
Возраст: 54
Город: Москва
Регион: 77, 97, 99, 177
Машина: TT, BMW, WRANGLER
Сообщений: 13
wr_wr has a spectacular aura aboutwr_wr has a spectacular aura aboutwr_wr has a spectacular aura about
По умолчанию

Прочитал. Я в шоке..
wr_wr вне форума   Ответить с цитированием
Старый 25.11.2009, 01:42   #39
whitepanther
местный псих
 
Аватар для whitepanther
 
Регистрация: 03.11.2007
Возраст: 44
Город: Kuopio
Регион: Финляндия
Машина: Volvo XC90 2007 3.2 At / Toyota Camry 2003 2.4-VVTi
Сообщений: 746
whitepanther has a spectacular aura aboutwhitepanther has a spectacular aura about
По умолчанию

Цитата:
Сообщение от wr_wr Посмотреть сообщение
Прочитал. Я в шоке..
И из-за этого нужно флудить?
__________________
Чтобы вскарабкаться наверх, надо сложить крылья. © Станислав Ежи Лец

Мой проект: Карпутер в Toyota Camry V30

---

Centrafuse 4.0 Auto со скидкой 10%!
whitepanther вне форума   Ответить с цитированием
Старый 25.11.2009, 02:00   #40
wr_wr
Пользователь
 
Аватар для wr_wr
 
Регистрация: 22.11.2009
Возраст: 54
Город: Москва
Регион: 77, 97, 99, 177
Машина: TT, BMW, WRANGLER
Сообщений: 13
wr_wr has a spectacular aura aboutwr_wr has a spectacular aura aboutwr_wr has a spectacular aura about
По умолчанию

Нет. Я зарегистрировался на этом форуме чтобы получить знания - и с помощью людей, обладающих этими знаниями, установить в машину компьютер.

Дал обьявление в услугах, получил ответ, и пока жду очереди на сборку - читаю. Уже дня три. Часть - не понял. Часть - начинаю понимать.

Подумал что нужно начать с раздела для новичков. Начал читать, увидел ссылки по Автозвуку, и впал в шок.

Наверно потому что я не первый год достаточно успешно выступаю в соревнованиях по АЗ Российского и Европейского уровня. Наверное потому что на сегодня являюсь вице - чемпионом России 2009 года по версии IASCA, и именно по качеству звука. Кстати и 2008 тоже.

Вы меня пожалуйста извините, но то что написано в этом разделе в том числе частично является откровенной ересью.

Я понимаю что у нас на форуме Автозвука (не буду писать, а то сочтете это рекламой) никто не пса не понимает в КарПиСи, но может быть если Вы сочтете нужным, ФАК по автозвуку лучше взять именно наработанный с профильного форума? Можно скопировать, как Супермодератор я не вижу сложностей.

Поверьте, наводок будет меньше, чем от проводов с тройными экранами..

P/S/ Да и соседняя тема с основными понятиями хромает не на шутку, честно говоря.

P/P/S/ Если вы считаете что я несу охинею, пожалуйста удалите это сообщение.

Спасибо.
wr_wr вне форума   Ответить с цитированием
Ответ


Здесь присутствуют: 1 (пользователей: 0 , гостей: 1)
 

Ваши права в разделе
Вы не можете создавать новые темы
Вы не можете отвечать в темах
Вы не можете прикреплять вложения
Вы не можете редактировать свои сообщения

BB коды Вкл.
Смайлы Вкл.
[IMG] код Вкл.
HTML код Выкл.



Часовой пояс GMT +4, время: 22:36.


Работает на vBulletin® версия 3.8.4.
Copyright ©2000 - 2026, Jelsoft Enterprises Ltd.
Перевод: zCarot