PCCar.ru - Ваш автомобильный компьютер

Вернуться   PCCar.ru - Ваш автомобильный компьютер > MP3Car ТехИнфа > Для новичков

Ответ
 
Опции темы Поиск в этой теме
Старый 14.10.2012, 20:18   #1
Tohin
Пользователь
 
Регистрация: 17.04.2007
Город: Москва
Регион: 77, 97, 99, 177
Машина: (Пежо 406)был. Citroen C5-II
Сообщений: 52
Tohin is on a distinguished road
По умолчанию Citroen C5-II штатный дисплей.

Прошу прощения, если где напутаю в терминологии, или пропущена FAQовая тема.
Наткнулся на такое описание по задействованию штатного дисплея

Оно понятно, что качество не очень.

Но чего б не попробовать.
По информации от Ситровода по ссылке:
1. монитор подключается по RGB. Синхра по зеленому каналу.
2. Инфы по распиновке нигде нет.

Вот фото разъема (на котором мне видится 2 волокна оптики):


вот фото внутри (мне показалось или это LVDS?):


Вопросы:
1. Можно ли определить достоверно что по проводам идет RGB (осцилограф наверное найду, если нужен)?
2. Я правильно понимаю что VGA можно напрямую прикрутить к RGB, а синхру через резистор?
3. Даже при играющей магнтоле, если отсоеденить разъем и подключить, на мониторе появляется надпись "LOADING". Видимо это еще и "КПК" авто. Если я заменю матрицу, как вывести (и коммуировать) изображения с этого "КПК"?
Доп.фото

ADDED LATER:
Эх, блин, неделю смотрю на тот топик, а тока счас дошло, у него дорестайл....
А такая штука мне поможет?

Последний раз редактировалось Tohin; 14.10.2012 в 22:20. Причина: тупанул....
Tohin вне форума   Ответить с цитированием
Старый 15.10.2012, 01:18   #2
KiLLWarez
Пользователь
 
Регистрация: 21.08.2012
Регион: Беларусь
Сообщений: 36
KiLLWarez is on a distinguished road
По умолчанию

Цитата:
Прошу прощения, если где напутаю в терминологии, или пропущена FAQовая тема.
Наткнулся на такое описание по задействованию штатного дисплея
Оно понятно, что качество не очень.
Я там никакого описания не нашел. Больше фотки. Резистивного тача нету. Качество? Там дисплей стоит 480х234 и если на него пустить аналог, то выглядит очень отвратно. У него там вроде не все так плохо, поэтому делаю вывод что там RGB.

Цитата:
Но чего б не попробовать.
По информации от Ситровода по ссылке:
1. монитор подключается по RGB. Синхра по зеленому каналу.
2. Инфы по распиновке нигде нет.
Монитор подключается по RGB. Информация по распиновке доступна в сервисной информации Citroen. Поищите. Синхра на зеленом? Завтра проверю.

Цитата:
Вот фото разъема (на котором мне видится 2 волокна оптики)
вот фото внутри (мне показалось или это LVDS?)
Там не LVDS. Там RGB, CVBS, управление этим, управление яркостью, возможность внешнего клокера и т.п. - найдите даташит на дисплей, там все просто. Две оптики идут от блока навигации к видеокарте.

Цитата:
Вопросы:
1. Можно ли определить достоверно что по проводам идет RGB (осцилограф наверное найду, если нужен)?
2. Я правильно понимаю что VGA можно напрямую прикрутить к RGB, а синхру через резистор?
3. Даже при играющей магнтоле, если отсоеденить разъем и подключить, на мониторе появляется надпись "LOADING". Видимо это еще и "КПК" авто. Если я заменю матрицу, как вывести (и коммуировать) изображения с этого "КПК"?
По RGB идут цвета Конкретная распиновка? Ну если лень искать пришлите номер OPR с двери машины - посмотрим. Хотя в RT3 еще сильно не колупался. Сейчас RT2 делаю.

Цитата:
ADDED LATER:
Эх, блин, неделю смотрю на тот топик, а тока счас дошло, у него дорестайл....
Это не важно. Дисплеи одинаковые. Просто на старом кузове видеокарта внешняя и от нее 12 проводов. А на RT3 она уже висит на дисплее и делает свое дело. Но это не меняет ничего, только компоновка более плотная будет.

Цитата:
А такая штука мне поможет?
508 это аналог C5-X7. Поэтому у Вас выход только сделать руками.
KiLLWarez вне форума   Ответить с цитированием
Старый 15.10.2012, 20:28   #3
Tohin
Пользователь
 
Регистрация: 17.04.2007
Город: Москва
Регион: 77, 97, 99, 177
Машина: (Пежо 406)был. Citroen C5-II
Сообщений: 52
Tohin is on a distinguished road
По умолчанию

Цитата:
тача нету. Качество?
Вот поэтому второй этап будет замена матрицы и вывод штатной инфы на нее.
Цитата:
Информация по распиновке доступна в сервисной информации Citroen. Ну если лень искать пришлите номер OPR
Не нашел. В сервисбоксе только рекламные материалы. Лекисия стоит в виртуальной машине на нетбуке с экраном в 10" глючит и непомещается
OPR 10348
Tohin вне форума   Ответить с цитированием
Старый 16.10.2012, 07:57   #4
KiLLWarez
Пользователь
 
Регистрация: 21.08.2012
Регион: Беларусь
Сообщений: 36
KiLLWarez is on a distinguished road
По умолчанию

Цитата:
Сообщение от Tohin Посмотреть сообщение
Вот поэтому второй этап будет замена матрицы и вывод штатной инфы на нее.
А параметры выставления разрешения через какой-нибудь PowerStrip Вам не выдали или Phantom уже имеет предустановленные разрешения?

Цитата:
Не нашел. В сервисбоксе только рекламные материалы. Лекисия стоит в виртуальной машине на нетбуке с экраном в 10" глючит и непомещается
OPR 10348
Еще VIN понадобится, у Вас там много разных комплектаций, как оказалось.
KiLLWarez вне форума   Ответить с цитированием
Старый 18.10.2012, 10:03   #5
Tohin
Пользователь
 
Регистрация: 17.04.2007
Город: Москва
Регион: 77, 97, 99, 177
Машина: (Пежо 406)был. Citroen C5-II
Сообщений: 52
Tohin is on a distinguished road
По умолчанию Итак, есть маленький прогресс.

Огромный KiLLWarez.

Найдена распиновка разъема и даташит на экран. По картинке я так понимаю - черные провода - инвертор подсветки; белый (обведенный красным ) - само видео.
Все найденное хотел приложить, но даташит не проходит по объему .
По поиску в интрнетах LTE072T-050.
Действующая на текущий момент ссылка
http://matthieu.benoit.free.fr/cross...TE072T-050.pdf

и еще инструкция по активации видео входа.
http://www.clinicadelcomputer.com/307/aux_rt3.pdf (тоже не помещается..)

Идея такова: Перерезать 8,10,12 пины монитора и завести например на эту коробочку:
http://www.secam.ru/rus/news.php?extend.3
Или эту (схема порадовала)
http://vega-absolute.ru/production/catalog/43/74.html
Миниатюры
Нажмите на изображение для увеличения
Название: conector trasero pantalla dt.jpg1..jpg
Просмотров: 2748
Размер:	52.9 Кб
ID:	28212  
Tohin вне форума   Ответить с цитированием
Старый 18.10.2012, 14:02   #6
KiLLWarez
Пользователь
 
Регистрация: 21.08.2012
Регион: Беларусь
Сообщений: 36
KiLLWarez is on a distinguished road
По умолчанию

Если заводить прямо на дисплей мимо видеокарты, тогда нужно на 13ый пин подать +5 вольт и синхронизация все же будет на 21ый пин, а не на зеленом.

И ты тоже собираешься пользовать Фантом?
KiLLWarez вне форума   Ответить с цитированием
Старый 18.10.2012, 18:18   #7
Tohin
Пользователь
 
Регистрация: 17.04.2007
Город: Москва
Регион: 77, 97, 99, 177
Машина: (Пежо 406)был. Citroen C5-II
Сообщений: 52
Tohin is on a distinguished road
По умолчанию

Цитата:
Сообщение от KiLLWarez Посмотреть сообщение
И ты тоже собираешься пользовать Фантом?
Не. Полумеры не для нас. Хочу смешать синхру через 2 килоомных резистора и подцепить к VGA (со SCARTом вроде бы прокатывало.)

Цитата:
прямо на дисплей мимо видеокарты
А в чем смысл заюзывания встроенной видюхи?

Не забыть:
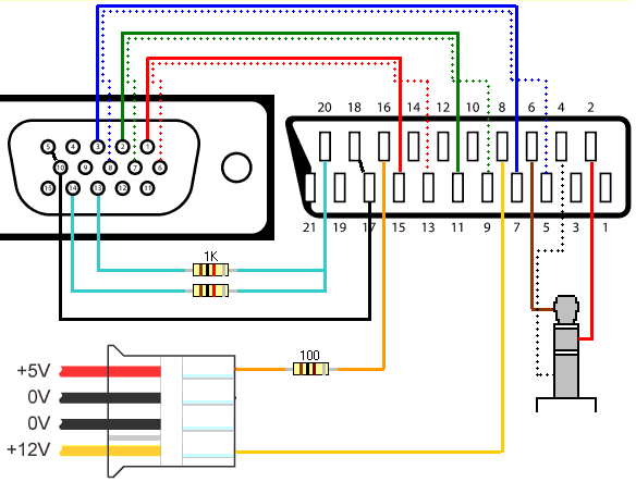
Цитата:
15 pin highdensity D-SUB male connector.
1) Пины 1,2,3 через резисторы 75оМ на пин 5.
2) Перемычки между пинами 4<->5<->11
3) Перемычка между пинами 12<->15
Это позволит активировать RGB выход видеокарты для non-DDC монитора. Заглушка с такой распиновкой будет определятся видеочипом как монитор.
Миниатюры
Нажмите на изображение для увеличения
Название: vga2euro.gif
Просмотров: 4144
Размер:	16.4 Кб
ID:	28217  

Последний раз редактировалось Tohin; 23.10.2012 в 17:01.
Tohin вне форума   Ответить с цитированием
Старый 19.10.2012, 12:07   #8
KiLLWarez
Пользователь
 
Регистрация: 21.08.2012
Регион: Беларусь
Сообщений: 36
KiLLWarez is on a distinguished road
По умолчанию

Цитата:
Сообщение от Tohin Посмотреть сообщение
Не. Полумеры не для нас. Хочу смешать синхру через 2 килоомных резистора и подцепить к VGA (со SCARTом вроде бы прокатывало.)
А устройство какое VGA сигнал будет рисовать?

Я использовал схему на К155ЛП5 отсюда. Как все заработает сделаю на резисторах и сравню качество потом.


Цитата:
А в чем смысл заюзывания встроенной видюхи?
Это моя замарочка, я люблю максимальный сток во всем. Поэтому хочу сборку на разъемах, максимально переставляемую в любую такую же машину - зачем.... хез

С другой стороны, если резать шлейф между видеокартой и дисплеем, тогда можно поставить туда ардуинку, которая подаст на 13ый пин низкий уровень, активируется CVBS, на который подключится камера заднего вида или обгонная. И она будет у тебя работать всегда и сразу независимо от компа.
KiLLWarez вне форума   Ответить с цитированием
Старый 06.07.2014, 16:01   #9
KiLLWarez
Пользователь
 
Регистрация: 21.08.2012
Регион: Беларусь
Сообщений: 36
KiLLWarez is on a distinguished road
По умолчанию

Просто напишу здесь что поставленная задача давно решилась. Это было ещё в прошлом году. Изображение из Windows точка в точку в разрешении 480х234 отлично выводится на дисплей. Конкретно эта задача решалась на достаточно старом ноутбуке с графикой GMA950, встроенной в чипсет i945, драйверами собранными в IEGD и непосредственным выставлением режимов в soft15khz.



KiLLWarez вне форума   Ответить с цитированием
Старый 06.07.2014, 16:20   #10
swao
Старший Пользователь
 
Регистрация: 15.02.2014
Регион: 77, 97, 99, 177
Сообщений: 131
swao will become famous soon enoughswao will become famous soon enough
По умолчанию

Цитата:
Сообщение от KiLLWarez Посмотреть сообщение
Просто напишу здесь что поставленная задача давно решилась. Это было ещё в прошлом году. Изображение из Windows точка в точку в разрешении 480х234 отлично выводится на дисплей. Конкретно эта задача решалась на достаточно старом ноутбуке с графикой GMA950, встроенной в чипсет i945, драйверами собранными в IEGD и непосредственным выставлением режимов в soft15khz.
А можете ли более подробно описать весь процесс получения такого результата? Заранее благодарю.
swao вне форума   Ответить с цитированием
Ответ


Здесь присутствуют: 1 (пользователей: 0 , гостей: 1)
 

Ваши права в разделе
Вы не можете создавать новые темы
Вы не можете отвечать в темах
Вы не можете прикреплять вложения
Вы не можете редактировать свои сообщения

BB коды Вкл.
Смайлы Вкл.
[IMG] код Вкл.
HTML код Выкл.



Часовой пояс GMT +4, время: 23:20.


Работает на vBulletin® версия 3.8.4.
Copyright ©2000 - 2026, Jelsoft Enterprises Ltd.
Перевод: zCarot