PCCar.ru - Ваш автомобильный компьютер

Вернуться   PCCar.ru - Ваш автомобильный компьютер > MP3Car ТехИнфа > Блоки питания > Разное

Ответ
 
Опции темы Поиск в этой теме
Старый 31.03.2014, 14:14   #1
Beezzz
Старший Пользователь
 
Регистрация: 13.08.2011
Регион: 46
Машина: Kia Spectra + Hyundai Solaris
Сообщений: 133
Beezzz is on a distinguished road
По умолчанию искра релюшек

добила искра при срабатывании релюшек, почти всех... примерно с точностью до 50% отваливаются юсби когда срабатывает реле нагрузок( свет, автоматическое отпирание дверей при остановке, возможно еще что то но эти чаще всего). Может есть мысли как изолировать комп от этого гадства? отваливаются жпс и елм адаптер, вайфай блютуф и юсби модем вообще не подключаю даже... отваливаются как то плохо, например вайфай начинает показывать шкалу зачеркнутую крестом, пока не переткнешь, обд в икаре виснет наглухо и не переподключается, спутники вообще надо станцевать... сначала была мысль сделать работу реле как то помягче, но не придумал как... борт сеть не проседает серьезно, пол вольта при срабатывании всех 4 замков дверей.
__________________
Gigabyte GA-H61N-USB3 + Pentium G2010 2.8 GHz + ssd 60gb kingstone + 2*2gb ddr3 + globalsat bu-353 + ELM327 + AVerTV Hybrid Volar HD + ICarDS
Beezzz вне форума   Ответить с цитированием
Старый 31.03.2014, 14:54   #2
Alex-L
Moderator
 
Аватар для Alex-L
 
Регистрация: 23.03.2008
Возраст: 55
Город: Москва, Нагорная
Регион: 77, 97, 99, 177
Машина: Mitsubishi Lancer-X
Сообщений: 2,096
Alex-L is a splendid one to beholdAlex-L is a splendid one to beholdAlex-L is a splendid one to beholdAlex-L is a splendid one to beholdAlex-L is a splendid one to beholdAlex-L is a splendid one to beholdAlex-L is a splendid one to behold
По умолчанию

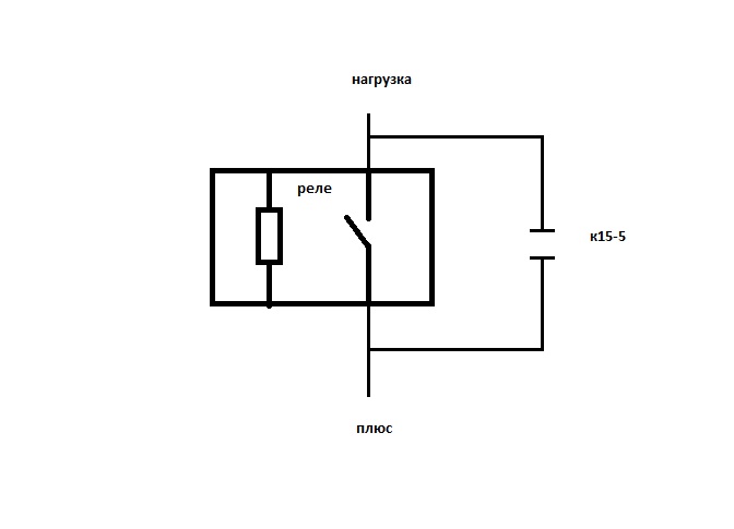
Паралельно контактам (замыкающим или размыкающим) нужно поставить керамический конденсатор емкостью 0.01мкф на напряжение не менее 600в типа K15-5 например.
Alex-L вне форума   Ответить с цитированием
Старый 31.03.2014, 15:54   #3
Beezzz
Старший Пользователь
 
Регистрация: 13.08.2011
Регион: 46
Машина: Kia Spectra + Hyundai Solaris
Сообщений: 133
Beezzz is on a distinguished road
По умолчанию

я правильно понял? завтра все сделаю, спасибо за наводку!
Миниатюры
Нажмите на изображение для увеличения
Название: подключение компрессора.JPG
Просмотров: 718
Размер:	16.7 Кб
ID:	35467  
__________________
Gigabyte GA-H61N-USB3 + Pentium G2010 2.8 GHz + ssd 60gb kingstone + 2*2gb ddr3 + globalsat bu-353 + ELM327 + AVerTV Hybrid Volar HD + ICarDS
Beezzz вне форума   Ответить с цитированием
Старый 31.03.2014, 16:00   #4
Alex-L
Moderator
 
Аватар для Alex-L
 
Регистрация: 23.03.2008
Возраст: 55
Город: Москва, Нагорная
Регион: 77, 97, 99, 177
Машина: Mitsubishi Lancer-X
Сообщений: 2,096
Alex-L is a splendid one to beholdAlex-L is a splendid one to beholdAlex-L is a splendid one to beholdAlex-L is a splendid one to beholdAlex-L is a splendid one to beholdAlex-L is a splendid one to beholdAlex-L is a splendid one to behold
По умолчанию

Именно так. Правда эта хрень применяется в основном для сетевых выключателей бытовой аппаратуры (усилителей, например), т.е. для переменного напряжения, но для постоянки тоже, думаю, сойдет - во всяком случае хуже не будет.
Alex-L вне форума   Ответить с цитированием
Старый 04.04.2014, 23:24   #5
Trantor
Старший Пользователь
 
Регистрация: 15.02.2013
Город: Москва
Регион: 77, 97, 99, 177
Машина: x-trail T30
Сообщений: 400
Trantor is on a distinguished road
По умолчанию

А дело скорее всего не в искре, не может искра на контактах такую мощную помеху дать и не отвалится по ней USB. А вот индуктивность обмотки может, особенно если учесть, что даст она ее в негальванически развязанную часть и дальше в USB и в питание. Диоды защитные стоят параллельно обмотке реле?

__________________
http://www.pccar.ru/showthread.php?t=18648 мой проект.
Icar DS , Cityguide,bGEO, Семь дорог.
I3 3220T, 4Gb, W10х32. SSD 128Gb
Trantor вне форума   Ответить с цитированием
Старый 12.04.2014, 12:06   #6
Beezzz
Старший Пользователь
 
Регистрация: 13.08.2011
Регион: 46
Машина: Kia Spectra + Hyundai Solaris
Сообщений: 133
Beezzz is on a distinguished road
По умолчанию

я тоже подумал о диоде... конечно не стоят, реле на доп оборудование почти не оснащают такими(в обычных магазинах). есть диоды, есть кондеи, вопрос хуже же не будет если и то и то подпаяю? диоды на катушку, кондеи на нагрузку? и транзистор в схеме я так понимаю не обязателен?
__________________
Gigabyte GA-H61N-USB3 + Pentium G2010 2.8 GHz + ssd 60gb kingstone + 2*2gb ddr3 + globalsat bu-353 + ELM327 + AVerTV Hybrid Volar HD + ICarDS
Beezzz вне форума   Ответить с цитированием
Старый 12.04.2014, 12:46   #7
Alex-L
Moderator
 
Аватар для Alex-L
 
Регистрация: 23.03.2008
Возраст: 55
Город: Москва, Нагорная
Регион: 77, 97, 99, 177
Машина: Mitsubishi Lancer-X
Сообщений: 2,096
Alex-L is a splendid one to beholdAlex-L is a splendid one to beholdAlex-L is a splendid one to beholdAlex-L is a splendid one to beholdAlex-L is a splendid one to beholdAlex-L is a splendid one to beholdAlex-L is a splendid one to behold
По умолчанию

Хуже не будет.
На контакты - конденсатор, как я выше говорил.
На катушку - диод. "Мордой" к плюсовому проводу, "жопой" к минусовому, как на схеме. Смотри не перепутай, а то пыхнет и запахнет
Транзистор не нужен.
Alex-L вне форума   Ответить с цитированием
Старый 12.04.2014, 13:34   #8
Beezzz
Старший Пользователь
 
Регистрация: 13.08.2011
Регион: 46
Машина: Kia Spectra + Hyundai Solaris
Сообщений: 133
Beezzz is on a distinguished road
По умолчанию

ну зачатки к электронике у меня есть)) понятно что диод по кругу пускает на катушку "излишки", и что минусовой его полосатый нос подключается к плюсовой клемме катушки... спасибо ребят! доберусь до розетки припаяюсь красиво
__________________
Gigabyte GA-H61N-USB3 + Pentium G2010 2.8 GHz + ssd 60gb kingstone + 2*2gb ddr3 + globalsat bu-353 + ELM327 + AVerTV Hybrid Volar HD + ICarDS
Beezzz вне форума   Ответить с цитированием
Старый 13.04.2014, 19:40   #9
Beezzz
Старший Пользователь
 
Регистрация: 13.08.2011
Регион: 46
Машина: Kia Spectra + Hyundai Solaris
Сообщений: 133
Beezzz is on a distinguished road
По умолчанию

маленько всетаки накосячил, пока пропаивал релюшки автозапуска попался пробитый диод...короче выход не силовой 250ма на сигналке больше не работает(на этом реле пробитый диод стоял)хорошо хоть не зимой. возможно такие казусы восстановить или искать новый блок сигналки? управление там через минус, получилось я так понимаю накоротко через диод. и все бы пофиг да сигналка уже старая(шерхан логикар1), прошелся по магазинам, нигде не встретил, если новая придется заказывать
__________________
Gigabyte GA-H61N-USB3 + Pentium G2010 2.8 GHz + ssd 60gb kingstone + 2*2gb ddr3 + globalsat bu-353 + ELM327 + AVerTV Hybrid Volar HD + ICarDS
Beezzz вне форума   Ответить с цитированием
Старый 13.04.2014, 23:28   #10
Vladget
Moderator
 
Регистрация: 04.04.2009
Возраст: 69
Город: Краснодар
Регион: 23, 93
Машина: HONDA CR-V-08
Сообщений: 3,129
Vladget is a splendid one to beholdVladget is a splendid one to beholdVladget is a splendid one to beholdVladget is a splendid one to beholdVladget is a splendid one to beholdVladget is a splendid one to beholdVladget is a splendid one to behold
По умолчанию

Что то мне подсказывает что не так надо было бороться с этой проблемой, а как то защитить БП от тех наводок, ну может электролитом помощнее ("поемкостнее") вместе с керамикой и диодом (только в сторону БП) а то там можно такого напаять ты уже в карпсстроении 10 тысяч 5ый ("+""-" 100 тысяч) ну так примерно на этом форуме (да и на соседнем, по моему ты первый с такой проблемой мож дело не в реле?
__________________


Vladget вне форума   Ответить с цитированием
Ответ


Здесь присутствуют: 1 (пользователей: 0 , гостей: 1)
 

Ваши права в разделе
Вы не можете создавать новые темы
Вы не можете отвечать в темах
Вы не можете прикреплять вложения
Вы не можете редактировать свои сообщения

BB коды Вкл.
Смайлы Вкл.
[IMG] код Вкл.
HTML код Выкл.



Часовой пояс GMT +4, время: 11:24.


Работает на vBulletin® версия 3.8.4.
Copyright ©2000 - 2026, Jelsoft Enterprises Ltd.
Перевод: zCarot