PCCar.ru - Ваш автомобильный компьютер

Вернуться   PCCar.ru - Ваш автомобильный компьютер > MP3Car ТехИнфа > Блоки питания > Разное

Ответ
 
Опции темы Поиск в этой теме
Старый 01.08.2013, 14:16   #1
igram
Новый Пользователь
 
Регистрация: 23.12.2007
Возраст: 42
Город: Тюмень
Регион: 72
Машина: '83\Волга\24
Сообщений: 16
igram is on a distinguished road
По умолчанию Как правильно подключить питание

добрый день!

Хочу чтобы комп включался не при повороте ключа зажигания, а с кнопки, но выключался или вручную или при севшем аккумуляторе.
Т.к. бывает на коротких дистанциях нет смысла запускать комп или наоборот при заправках или длительных стоянках нет смысла выключать его.
Как правильно мне тогда мне подключить БП? Провод который должен идти к входу АСС на БП от замка зажигания, подключить к постоянному источнику +12 через кнопку или есть какие то другие варианты? У кого как подключено?
БП китайский с ителлектом
igram вне форума   Ответить с цитированием
Старый 01.08.2013, 14:23   #2
Alex-L
Moderator
 
Аватар для Alex-L
 
Регистрация: 23.03.2008
Возраст: 55
Город: Москва, Нагорная
Регион: 77, 97, 99, 177
Машина: Mitsubishi Lancer-X
Сообщений: 2,096
Alex-L is a splendid one to beholdAlex-L is a splendid one to beholdAlex-L is a splendid one to beholdAlex-L is a splendid one to beholdAlex-L is a splendid one to beholdAlex-L is a splendid one to beholdAlex-L is a splendid one to behold
По умолчанию

Вот: http://www.pccar.ru/showthread.php?t...F2%E0%F6%E8%E8
Ненужное исключить...
Alex-L вне форума   Ответить с цитированием
Старый 28.08.2013, 09:52   #3
agressor.vs
Старший Пользователь
 
Аватар для agressor.vs
 
Регистрация: 03.02.2013
Возраст: 51
Город: грехов
Регион: 30
Машина: ТОЙОТА КАМРИ V50
Сообщений: 182
agressor.vs will become famous soon enough
По умолчанию

Цитата:
Сообщение от igram Посмотреть сообщение
добрый день!

Хочу чтобы комп включался не при повороте ключа зажигания, а с кнопки, но выключался или вручную или при севшем аккумуляторе.
Т.к. бывает на коротких дистанциях нет смысла запускать комп или наоборот при заправках или длительных стоянках нет смысла выключать его.
Как правильно мне тогда мне подключить БП? Провод который должен идти к входу АСС на БП от замка зажигания, подключить к постоянному источнику +12 через кнопку или есть какие то другие варианты? У кого как подключено?
БП китайский с ителлектом
У меня
ААС подключаешь через трех позиционный выключатель это вкл постоянно -выключено -автоматический режим ,а остальное все сделает блок питание сам,как ты его настроишь.
agressor.vs вне форума   Ответить с цитированием
Старый 04.11.2013, 16:21   #4
lihman
Новый Пользователь
 
Регистрация: 04.11.2013
Возраст: 48
Регион: Украина
Сообщений: 6
lihman is on a distinguished road
По умолчанию как правильно подключить DC/DC преобразователь

Добрый день.
Собираюсь установить в машину DC/DC преобразователь PSD-15A-5.
Подать 12 В хочу одновременно и от АСС и от IG, т.к. при IG не пропадает питание при работе стартера.
Для такого включения думаю установить диоды по входу с обоих линий АСС и IG. Подскажите какие диоды выбрать для этих целей?
lihman вне форума   Ответить с цитированием
Старый 04.11.2013, 20:52   #5
Hamster
Больной. Диагноз "Car PC"
 
Аватар для Hamster
 
Регистрация: 01.09.2005
Возраст: 52
Город: Москва
Регион: 77, 97, 99, 177
Машина: 08\Acura\MDX •••• 07\Honda\Civic 4D
Сообщений: 4,379
Hamster is a splendid one to beholdHamster is a splendid one to beholdHamster is a splendid one to beholdHamster is a splendid one to beholdHamster is a splendid one to beholdHamster is a splendid one to beholdHamster is a splendid one to behold
По умолчанию

Цитата:
Сообщение от lihman Посмотреть сообщение
Подскажите какие диоды выбрать для этих целей?
Никакие. Подход неверный в принципе. АСС сигнальная линия - вешать на нее нагрузку не правильно.
__________________
Старый проект Honda Accord RHD
Теперь будет Acura MDX 2008 и Honda Civic 4D 2007 и Mitsubishi Outlander XL 2011
Hamster вне форума   Ответить с цитированием
Старый 05.11.2013, 11:56   #6
lihman
Новый Пользователь
 
Регистрация: 04.11.2013
Возраст: 48
Регион: Украина
Сообщений: 6
lihman is on a distinguished road
По умолчанию

Цитата:
Сообщение от Hamster Посмотреть сообщение
Никакие. Подход неверный в принципе. АСС сигнальная линия - вешать на нее нагрузку не правильно.
Ну может быть в Вашем авто это чисто сигнальная линия, а у меня часть потребителей включена через реле, управляемое АСС, а другая часть (и довольно "прожорливая", судя по использумым предохранителям) напрямую на АСС. Поэтому не думаю,что мои 2 А сильно нагрузят эту сигнальную линию.
Так как же по существу вопроса? Реально ли всё-таки использовать диоды? Если да, то какие?
lihman вне форума   Ответить с цитированием
Старый 05.11.2013, 13:34   #7
Hamster
Больной. Диагноз "Car PC"
 
Аватар для Hamster
 
Регистрация: 01.09.2005
Возраст: 52
Город: Москва
Регион: 77, 97, 99, 177
Машина: 08\Acura\MDX •••• 07\Honda\Civic 4D
Сообщений: 4,379
Hamster is a splendid one to beholdHamster is a splendid one to beholdHamster is a splendid one to beholdHamster is a splendid one to beholdHamster is a splendid one to beholdHamster is a splendid one to beholdHamster is a splendid one to behold
По умолчанию

Цитата:
Сообщение от lihman Посмотреть сообщение
Ну может быть в Вашем авто это чисто сигнальная линия
Лучше на "ты". И так не у меня, а у всех

Цитата:
Сообщение от lihman Посмотреть сообщение
а другая часть (и довольно "прожорливая", судя по использумым предохранителям) напрямую на АСС.
Это так штатно производителем задумано? Или в ара-сервисе понавешали?
Если первое, то интерестно узнать производителя авто, ну и мои соболезнования...

Цитата:
Сообщение от lihman Посмотреть сообщение
Поэтому не думаю,что мои 2 А сильно нагрузят эту сигнальную линию.
Ну ну. Точно так же в ара-сервисах думают. Точнее не думают. АСС обычно защищается предом 10А, реже 15А. И они, амперы эти, не резиновые. Сам же говоришь что у тебя на АСС уже висит много чего.
__________________
Старый проект Honda Accord RHD
Теперь будет Acura MDX 2008 и Honda Civic 4D 2007 и Mitsubishi Outlander XL 2011
Hamster вне форума   Ответить с цитированием
Старый 05.11.2013, 13:56   #8
lihman
Новый Пользователь
 
Регистрация: 04.11.2013
Возраст: 48
Регион: Украина
Сообщений: 6
lihman is on a distinguished road
По умолчанию

Цитата:
Или в ара-сервисе понавешали?

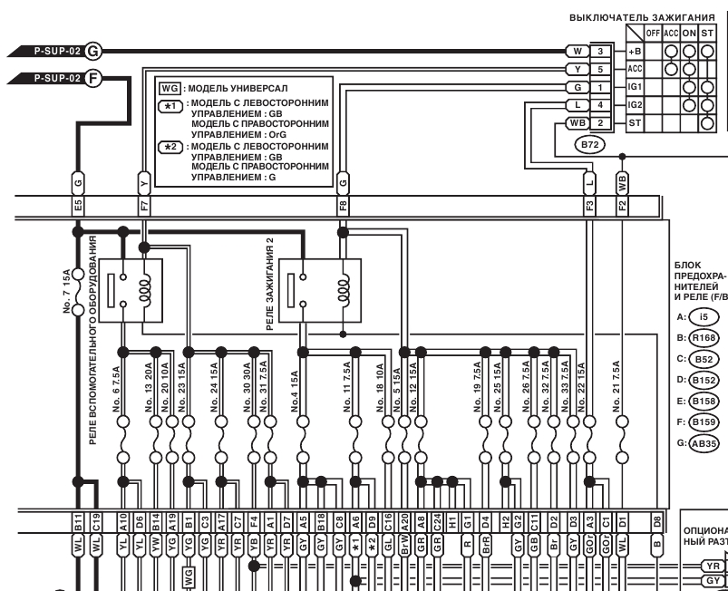
Вот схема. Как видим, часть потребителей АСС и IG нагружены напрямую на линию G (+В), приходящую с генератора. Другая часть - коммутируется через реле АСС и зажигания2 на линию F генератора. На G и F стоят предохранители по 50А.
И всё это в субару легаси. уверен что и других субах тоже.
И почему соболезнования то? может объяснишь?
Миниатюры
Нажмите на изображение для увеличения
Название: 1.jpg
Просмотров: 2394
Размер:	214.5 Кб
ID:	33412  
lihman вне форума   Ответить с цитированием
Старый 05.11.2013, 23:39   #9
Hamster
Больной. Диагноз "Car PC"
 
Аватар для Hamster
 
Регистрация: 01.09.2005
Возраст: 52
Город: Москва
Регион: 77, 97, 99, 177
Машина: 08\Acura\MDX •••• 07\Honda\Civic 4D
Сообщений: 4,379
Hamster is a splendid one to beholdHamster is a splendid one to beholdHamster is a splendid one to beholdHamster is a splendid one to beholdHamster is a splendid one to beholdHamster is a splendid one to beholdHamster is a splendid one to behold
По умолчанию

Цитата:
Сообщение от lihman Посмотреть сообщение
Другая часть - коммутируется через реле АСС и зажигания2 на линию F генератора. На G и F стоят предохранители по 50А.
Ну, здорово. Кто тебе сказал, что эти другие потребители используют АСС как силу? Они и используют его как управляющий сигнал, а питаются через реле от линии F. Все правильно.
Ты же хочешь запитать комп напрямую от АСС.
__________________
Старый проект Honda Accord RHD
Теперь будет Acura MDX 2008 и Honda Civic 4D 2007 и Mitsubishi Outlander XL 2011
Hamster вне форума   Ответить с цитированием
Старый 05.11.2013, 23:59   #10
lihman
Новый Пользователь
 
Регистрация: 04.11.2013
Возраст: 48
Регион: Украина
Сообщений: 6
lihman is on a distinguished road
По умолчанию

Да никто не говорил, по схеме видно. В линии АСС (слева) 3 преда через реле на F. А остальные в 4 в обход реле через замок зажигания на G. и там и там в основном блоке предохранителей стоит по 50А преды.
А запитать я могу и после реле, не в этом вопрос. Вопрос был по диодам. Да вот теперь думаю что все-таки лучше поставить реле и управлять им с АСС, а на время работы стартера ставить конденсатор, чтоб реле не сразу размыкалось.
lihman вне форума   Ответить с цитированием
Ответ


Здесь присутствуют: 1 (пользователей: 0 , гостей: 1)
 

Ваши права в разделе
Вы не можете создавать новые темы
Вы не можете отвечать в темах
Вы не можете прикреплять вложения
Вы не можете редактировать свои сообщения

BB коды Вкл.
Смайлы Вкл.
[IMG] код Вкл.
HTML код Выкл.



Часовой пояс GMT +4, время: 18:29.


Работает на vBulletin® версия 3.8.4.
Copyright ©2000 - 2026, Jelsoft Enterprises Ltd.
Перевод: zCarot