PCCar.ru - Ваш автомобильный компьютер

Вернуться   PCCar.ru - Ваш автомобильный компьютер > MP3Car ТехИнфа > AndroidCar > Питание

Ответ
 
Опции темы Поиск в этой теме
Старый 26.03.2013, 16:45   #1
wave_is
Гуру
 
Регистрация: 28.12.2009
Возраст: 42
Регион: Украина
Сообщений: 1,084
wave_is will become famous soon enough
По умолчанию Блок питания для Андроид планшета

Итак, ранее я рекомендовал недорогой БП для планшета (даунгрейд с 12 на 5 вольт) от магазина БИК.
В процессе эксплуатации выяснилось что этот бп не сильно хорош. У меня с ним были неприятные проблемы.

Принято решение использовать другой БП

Ранее на форуме рекомендовали БП на базе KIS-3R33S
нашел такую. Но, она сложнее, у нее еще и замыкание кнопки. А где простая схема БП?

Может, кто еще порекомендует какие-то варианты?
wave_is вне форума   Ответить с цитированием
Старый 26.03.2013, 16:50   #2
Alex-NN
Гуру
 
Аватар для Alex-NN
 
Регистрация: 11.05.2008
Возраст: 57
Город: Дзержинск
Регион: 52
Машина: Nissan Almera N16
Сообщений: 1,015
Alex-NN has a spectacular aura aboutAlex-NN has a spectacular aura about
По умолчанию

Цитата:
Сообщение от wave_is Посмотреть сообщение
Ранее на форуме рекомендовали БП на базе KIS-3R33S
нашел такую. Она подойдет?
Может, кто еще порекомендует какие-то варианты?
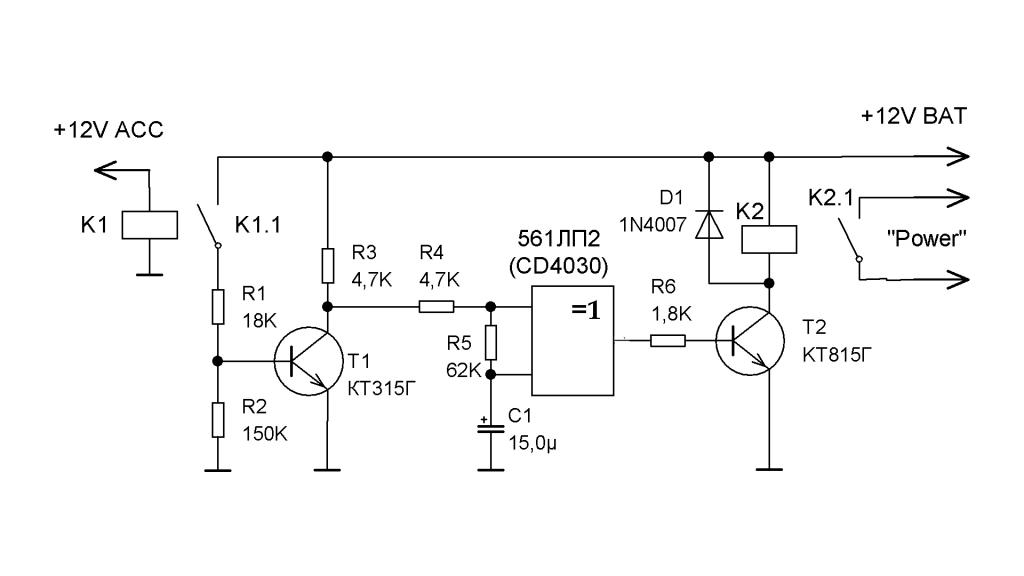
Это не схема БП... Это вариант автонажатия кнопки включения планшета.

Схема: http://www.pccar.ru/showpost.php?p=247137&postcount=2
Alex-NN вне форума   Ответить с цитированием
Старый 26.03.2013, 17:30   #3
Rage2
Banned
 
Регистрация: 06.11.2009
Возраст: 39
Город: Nizhniy Novgorod
Регион: 52
Машина: Ford Focus III
Сообщений: 1,776
Rage2 has a brilliant futureRage2 has a brilliant futureRage2 has a brilliant futureRage2 has a brilliant futureRage2 has a brilliant futureRage2 has a brilliant futureRage2 has a brilliant futureRage2 has a brilliant futureRage2 has a brilliant futureRage2 has a brilliant futureRage2 has a brilliant future
По умолчанию

Вам нужен бп с гальванической развязкой земли, шумы именно поэтому.
Следовательно КИСы вам не помогут.
Юзайте тот, что у меня в проекте или то, что советовали в соседней теме..это одно и тоже, только в разном исполнении и мощность разнится.
Rage2 вне форума   Ответить с цитированием
Старый 26.03.2013, 17:40   #4
Alex-NN
Гуру
 
Аватар для Alex-NN
 
Регистрация: 11.05.2008
Возраст: 57
Город: Дзержинск
Регион: 52
Машина: Nissan Almera N16
Сообщений: 1,015
Alex-NN has a spectacular aura aboutAlex-NN has a spectacular aura about
По умолчанию

Цитата:
Сообщение от Rage2 Посмотреть сообщение
Вам нужен бп с гальванической развязкой земли, шумы именно поэтому.
Следовательно КИСы вам не помогут.
Юзайте тот, что у меня в проекте или то, что советовали в соседней теме..это одно и тоже, только в разном исполнении и мощность разнится.
У меня нет шумов...
Alex-NN вне форума   Ответить с цитированием
Старый 26.03.2013, 17:46   #5
ifynk
Старший Пользователь
 
Аватар для ifynk
 
Регистрация: 06.05.2009
Возраст: 41
Город: Херсон
Регион: Украина
Машина: Honda Accord 7
Сообщений: 370
ifynk has a spectacular aura aboutifynk has a spectacular aura aboutifynk has a spectacular aura about
По умолчанию

Что вы себе проблему создаете? Уже не один раз писалось, что с NSD10-12S5 нет никаких проблем. Я на ней уже два разных планшета отестировал и ниразу небыло даже намека на шумы. Звук заводил с выхода на наушники планшета на aux магнитолы. Сейчас жду 3 плашет, но уверен, что и с ним проблем не будет.

Последний раз редактировалось admin; 17.03.2017 в 22:16.
ifynk вне форума   Ответить с цитированием
Старый 26.03.2013, 17:49   #6
wave_is
Гуру
 
Регистрация: 28.12.2009
Возраст: 42
Регион: Украина
Сообщений: 1,084
wave_is will become famous soon enough
По умолчанию

Стоп. У меня никаких шумов нет и не было =)
так что давайте, не будем уводить разговор в эту степь.
Кстати, я почему-то ранее думал, что Кисы как раз с гальванической развязкой земли.
wave_is вне форума   Ответить с цитированием
Старый 26.03.2013, 18:16   #7
Rage2
Banned
 
Регистрация: 06.11.2009
Возраст: 39
Город: Nizhniy Novgorod
Регион: 52
Машина: Ford Focus III
Сообщений: 1,776
Rage2 has a brilliant futureRage2 has a brilliant futureRage2 has a brilliant futureRage2 has a brilliant futureRage2 has a brilliant futureRage2 has a brilliant futureRage2 has a brilliant futureRage2 has a brilliant futureRage2 has a brilliant futureRage2 has a brilliant futureRage2 has a brilliant future
По умолчанию

Тогда в чем проблема?)))
wave_is, cори, я с путал с другим топикпастером.
Цитата:
Сообщение от Alex-NN Посмотреть сообщение
У меня нет шумов...
Это потому, что либо грамотно проложена проводка....либо
AUX 88-го пионера их "фильтрует"

У меня на "кисах" просто адские кошки скребутся...
Rage2 вне форума   Ответить с цитированием
Старый 26.03.2013, 18:41   #8
Kamik
Новый Пользователь
 
Регистрация: 25.03.2013
Возраст: 49
Регион: другой - для добавления сообщить ab
Сообщений: 26
Kamik is on a distinguished road
По умолчанию

Цитата:
Сообщение от Rage2 Посмотреть сообщение
Вам нужен бп с гальванической развязкой земли, шумы именно поэтому.
Следовательно КИСы вам не помогут.
Юзайте тот, что у меня в проекте или то, что советовали в соседней теме..это одно и тоже, только в разном исполнении и мощность разнится.
А можно более конкретную ссылку на "соседнюю тему"?
А то их тут столько.....

И я думаю надо такие вещи выносить в фак в шапке.
Kamik вне форума   Ответить с цитированием
Старый 26.03.2013, 18:44   #9
wave_is
Гуру
 
Регистрация: 28.12.2009
Возраст: 42
Регион: Украина
Сообщений: 1,084
wave_is will become famous soon enough
По умолчанию

У Рейджа в проекте используется минвиловский БП, я видел у них с десяток БП. Все что я держал в руках толковые и с развязкой по земле.
например юзайте такой: NSD10-12S5 (пару) постов выше, или любой похожий в зависимости от вашего потребления

Последний раз редактировалось admin; 17.03.2017 в 22:16.
wave_is вне форума   Ответить с цитированием
Старый 26.03.2013, 18:55   #10
tsynik
Старший Пользователь
 
Регистрация: 17.03.2011
Город: Moscow
Регион: 77, 97, 99, 177
Машина: Alfa Romeo
Сообщений: 322
tsynik has a spectacular aura abouttsynik has a spectacular aura abouttsynik has a spectacular aura about
По умолчанию

В этой теме схема NSD10 NSD15 с управлением включением/отключением подачи +5В в зависимости от ACC и нажатием кнопки (замыкании цепи) на оптроне. У меня NSD10 уместился внутри DUB-H7 первой ревизии (серый). То есть блок питания и хаб в одном корпусе.

Последний раз редактировалось admin; 17.03.2017 в 22:17.
tsynik вне форума   Ответить с цитированием
Ответ


Здесь присутствуют: 1 (пользователей: 0 , гостей: 1)
 

Ваши права в разделе
Вы не можете создавать новые темы
Вы не можете отвечать в темах
Вы не можете прикреплять вложения
Вы не можете редактировать свои сообщения

BB коды Вкл.
Смайлы Вкл.
[IMG] код Вкл.
HTML код Выкл.



Часовой пояс GMT +4, время: 15:37.


Работает на vBulletin® версия 3.8.4.
Copyright ©2000 - 2026, Jelsoft Enterprises Ltd.
Перевод: zCarot