PCCar.ru - Ваш автомобильный компьютер

Вернуться   PCCar.ru - Ваш автомобильный компьютер > Всё Остальное > Проекты > Рабочий журнал

Ответ
 
Опции темы Поиск в этой теме
Старый 11.11.2011, 18:39   #1
Jooon
Новый Пользователь
 
Регистрация: 11.11.2011
Регион: 64
Машина: Toyota Porte
Сообщений: 12
Jooon is on a distinguished road
Exclamation Toyota Porte + Asus 1001

Загорелся и я сделать комп в машину.
Проведены предварительные закупки итак что мы имеем.
Машина Toyota Porte 2006г.
Место под установку монитора - очевидно )

Куплены так же :
1) Нетбук ASUS 1001PX без батарейки ---1500 р
2) Блок питания для ноута в машину ---500 р
3) Юсб хаб с внешним питанием ---350 р
4) ЕЛМ 327 сканер для диагностики ---1000 р
5) EasyCap USB Video для камеры ---300 р
6) Усь Cadence VA500 пятиканальник ---3000 р
7) Саб JBL ---2000 р
8) на фронты AUDITOR RIP 165 S ---3000 р
9) Внешняя звуковая STLab330 7,1 ---1000 р
10) Камера задн хода с подсветкой ---1000 р
11) Пульт на руль ИК ---500 р
12) Тачскрин 10дюйм с блютусом ---2000р
Так же нашел у себя синезубый ГПС а также юсб ик приемник.


Планы по мере приоритета:
1) Хорошая музыка - звук поставлен (пока 2,1).НЕдостатки : сильно цыкают твиттеры и при загрузке винды неприятный "ЧПОК"
2) Камера обгона + заднего хода
3) Навигация - нормальную программу под вин так и не нашел - а эмулятор жестоко тормозит....Что подскажете???
4) Данные от машины на экране - тут всё просто и уже настроено - ОГРОМНОЕ спасибо Valentin8080 !

Сделано:
установка тача на монитор, установка 2+1 акустики в машину, ДУ на руле, сделал каркас рамки для моника
14.12.2011 -обклеил панель черной пленкой под карбон и готовлюсь к очередной попытке обклеить рамку от монитора.
15.12.2011 - победил проблему питания бука через разъем батареи.
24.12.2011 - обклеил рамку дисплея и наконец пк встал на свое место(фотки скоро будут)
25.12.2011 - проблема с хабом (БП для хаба никак не придет).Решение: поскольку хаб имеет внешнее питание от 220в розетки решил проверить сколько потребители будут кушать. Подключаем к хабу 1-звуковуху,2-обд, 3-гпс, 4-EasyCap, 5-момед 3г, 6-флешку, 7-флешку.Родной Бп втыкаем в Хаб,соединяем с ноутом - запускаем/нагружаем все устройства (навигачия,обд, камера, интернет копируем с флехи на флеху). Померял амперметром и получилось, что всё это безобразие кушает 440 мА... Беру зарядник от мобилы - написано дает 500мА. Подключаю от зарядника хаб - результат плачевен - звук отваливается, камера стала ч/б итд...НО оказалось что зарядка давала 4,5в!!! Нашел другую (на ней написано 1А +5В) померил напругу 5,6в. Собрал - всё работает как надо, а сд ромы и внешние хабы пока не планируются.
Миниатюры
Нажмите на изображение для увеличения
Название: PB230193.jpg
Просмотров: 633
Размер:	59.3 Кб
ID:	31431   Нажмите на изображение для увеличения
Название: PB230195.jpg
Просмотров: 678
Размер:	129.1 Кб
ID:	31432   Нажмите на изображение для увеличения
Название: PB230194.jpg
Просмотров: 718
Размер:	72.5 Кб
ID:	31433  

Последний раз редактировалось Jooon; 29.05.2013 в 00:58.
Jooon вне форума   Ответить с цитированием
Старый 11.11.2011, 20:06   #2
Jooon
Новый Пользователь
 
Регистрация: 11.11.2011
Регион: 64
Машина: Toyota Porte
Сообщений: 12
Jooon is on a distinguished road
По умолчанию

Поскольку блок питания от нетбука уже прикуплен давно хоть и отваратительного качества и без мозгов - на первое время думаю использовать его.
Возник вопрос по схеме подключения питания - набросал схему и жду констрективной критики.
Получается вся установленная техника будет полностью обесточена выключением кнопки (кроме усилка -он будет подсоединен но отключен, т.к. сигнал ремоут возьму после кнопки).
Понимаю что не очень удобно убдет заходить в машину щелкать тумблером - потом через кекоторое время ещё нажимать на кнопку - но для зимы вполне пойдет.
Миниатюры
Нажмите на изображение для увеличения
Название: схема.JPG
Просмотров: 956
Размер:	45.2 Кб
ID:	24276  
Jooon вне форума   Ответить с цитированием
Старый 11.11.2011, 20:20   #3
CyberSubaru
Гуру
 
Аватар для CyberSubaru
 
Регистрация: 20.01.2010
Возраст: 44
Город: Владивосток
Регион: 25
Машина: Subaru Impreza GF/GG
Сообщений: 1,064
CyberSubaru has a spectacular aura aboutCyberSubaru has a spectacular aura aboutCyberSubaru has a spectacular aura about
По умолчанию

Цитата:
жду констрективной критики.
Блок питания ноутбука выбросить/продать/отдать другу/врагу/на усмотрение.
Это лишнее устройство. Хотя бы в плане построения звука - оно будет хорошо шуметь по питанию. Бук включится, и будет работать и заряжаться, т.к. бортовое напряжение на заведенной машине 13.7-14.4 вольта. Ему хватит.
__________________
Subaru Impreza GF H6 BMW Style PROJECT : - постройка.
Было: 2литра / PIII-650/SSD32GB/9.5"/SB X-FI/GPS/3G/OBD2/...
Строю: 3литра / I5-MOBILE/500/12"/SB X-FI/GPS/3G/OBD2/...
pccar
Drive2
-----
Impreza Lite: Allwinner A13 (DNS E76) - Cortex A8 1GHz
http://www.pccar.ru/showthread.php?t=18574
CyberSubaru вне форума   Ответить с цитированием
Старый 11.11.2011, 20:23   #4
hrenwa
Guest
 
Сообщений: n/a
По умолчанию

Цитата:
Сообщение от CyberSubaru Посмотреть сообщение
Бук включится, и будет работать и заряжаться, т.к. бортовое напряжение на заведенной машине 13.7-14.4 вольта. Ему хватит.
Ок. Завтра попробую напрямую подцепить. Хотя батарейка у нота на 10 вольт а зарядник должен быть на 17. Хотя он у меня всё равно без батареи - думаю стартанет.
Как бороться с просадкой напруги при работе стартера?
  Ответить с цитированием
Старый 11.11.2011, 21:59   #5
Leha080
Banned
 
Регистрация: 09.12.2008
Возраст: 41
Город: М.О. Подольск
Регион: 50, 90, 150
Машина: 2008 Opel Astra Gtс 1.6
Сообщений: 505
Leha080 is on a distinguished road
По умолчанию

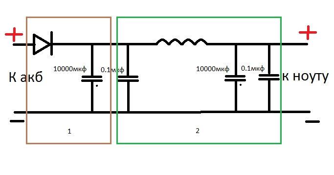
вот схемка! 1 это от просадак , 2 это фильтр по питанию
Номиналы конденсатор можно и другие, главное два электролита и два неполярных
Миниатюры
Нажмите на изображение для увеличения
Название: Безымянный 2.jpg
Просмотров: 1607
Размер:	34.8 Кб
ID:	24277  
Leha080 вне форума   Ответить с цитированием
Старый 11.11.2011, 22:22   #6
hrenwa
Guest
 
Сообщений: n/a
По умолчанию

Спасибо! а какая катушка индуктивности должна быть ?
  Ответить с цитированием
Старый 11.11.2011, 23:24   #7
Leha080
Banned
 
Регистрация: 09.12.2008
Возраст: 41
Город: М.О. Подольск
Регион: 50, 90, 150
Машина: 2008 Opel Astra Gtс 1.6
Сообщений: 505
Leha080 is on a distinguished road
По умолчанию

От 2- 20 мгн. Чем больше тем лучше но без фанатизма!
Leha080 вне форума   Ответить с цитированием
Старый 12.11.2011, 03:58   #8
CyberSubaru
Гуру
 
Аватар для CyberSubaru
 
Регистрация: 20.01.2010
Возраст: 44
Город: Владивосток
Регион: 25
Машина: Subaru Impreza GF/GG
Сообщений: 1,064
CyberSubaru has a spectacular aura aboutCyberSubaru has a spectacular aura aboutCyberSubaru has a spectacular aura about
По умолчанию

Диод зачем? :-)
__________________
Subaru Impreza GF H6 BMW Style PROJECT : - постройка.
Было: 2литра / PIII-650/SSD32GB/9.5"/SB X-FI/GPS/3G/OBD2/...
Строю: 3литра / I5-MOBILE/500/12"/SB X-FI/GPS/3G/OBD2/...
pccar
Drive2
-----
Impreza Lite: Allwinner A13 (DNS E76) - Cortex A8 1GHz
http://www.pccar.ru/showthread.php?t=18574
CyberSubaru вне форума   Ответить с цитированием
Старый 12.11.2011, 15:03   #9
bother
Старший Пользователь
 
Регистрация: 03.12.2007
Возраст: 43
Город: Кривой Рог
Регион: Украина
Машина: vito 108CDi
Сообщений: 177
bother has a spectacular aura aboutbother has a spectacular aura about
По умолчанию

Цитата:
Сообщение от CyberSubaru Посмотреть сообщение
Диод зачем? :-)
Что бы с конденсатора не убегало на аккум во время пуска двигателя
bother вне форума   Ответить с цитированием
Старый 13.11.2011, 05:14   #10
CyberSubaru
Гуру
 
Аватар для CyberSubaru
 
Регистрация: 20.01.2010
Возраст: 44
Город: Владивосток
Регион: 25
Машина: Subaru Impreza GF/GG
Сообщений: 1,064
CyberSubaru has a spectacular aura aboutCyberSubaru has a spectacular aura aboutCyberSubaru has a spectacular aura about
По умолчанию

Цитата:
Сообщение от bother Посмотреть сообщение
Что бы с конденсатора не убегало на аккум во время пуска двигателя
Человек ставит нетбук! У него встроенный аккумулятор! Это самый что ни есть плюс! Вообще без разницы заводится машина или нет. А вот диод просадит напряжение, в результате чего нетбук может и не увидеть бортовую сеть. Ибо там даже 0.5вольта критичны.
__________________
Subaru Impreza GF H6 BMW Style PROJECT : - постройка.
Было: 2литра / PIII-650/SSD32GB/9.5"/SB X-FI/GPS/3G/OBD2/...
Строю: 3литра / I5-MOBILE/500/12"/SB X-FI/GPS/3G/OBD2/...
pccar
Drive2
-----
Impreza Lite: Allwinner A13 (DNS E76) - Cortex A8 1GHz
http://www.pccar.ru/showthread.php?t=18574
CyberSubaru вне форума   Ответить с цитированием
Ответ


Здесь присутствуют: 1 (пользователей: 0 , гостей: 1)
 

Ваши права в разделе
Вы не можете создавать новые темы
Вы не можете отвечать в темах
Вы не можете прикреплять вложения
Вы не можете редактировать свои сообщения

BB коды Вкл.
Смайлы Вкл.
[IMG] код Вкл.
HTML код Выкл.



Часовой пояс GMT +4, время: 11:15.


Работает на vBulletin® версия 3.8.4.
Copyright ©2000 - 2026, Jelsoft Enterprises Ltd.
Перевод: zCarot