PCCar.ru - Ваш автомобильный компьютер

Вернуться   PCCar.ru - Ваш автомобильный компьютер > MP3Car ТехИнфа > АвтоЗвук

Ответ
 
Опции темы Поиск в этой теме
Старый 31.03.2009, 18:23   #1
Actyon
Старший Пользователь
 
Аватар для Actyon
 
Регистрация: 06.09.2008
Город: Kyiv
Регион: Украина
Машина: Chevrolet HHR panel 2.4L LT
Сообщений: 564
Actyon is on a distinguished road
По умолчанию звук (разьем) на материнской плате Intel D945GCLF

подскажите для чего используется желтій разьем на плате, подписан как audio имеет 10 контактов. можно ли к нему подключить экодер регулятор громкости?
__________________
монитор- LILLIPUT 701 7"; мамка - Intel® D945GCLF CPU intel ATOM 1.6; БП - E-10000; HDD - Seagate 2.5 60 GB; ST980811AS 8MB 5400rpm ; память - 2 gb; корпус 2 din собственной конструкции
звук TDA8571J. TV-FM тюнер -AVerTV Hybrid+FM Volar (A828) модем - ZTE8700 3G GPS -BU-353 OBD-II -ELM327
Actyon вне форума   Ответить с цитированием
Старый 31.03.2009, 19:32   #2
Alex-L
Moderator
 
Аватар для Alex-L
 
Регистрация: 23.03.2008
Возраст: 55
Город: Москва, Нагорная
Регион: 77, 97, 99, 177
Машина: Mitsubishi Lancer-X
Сообщений: 2,096
Alex-L is a splendid one to beholdAlex-L is a splendid one to beholdAlex-L is a splendid one to beholdAlex-L is a splendid one to beholdAlex-L is a splendid one to beholdAlex-L is a splendid one to beholdAlex-L is a splendid one to behold
По умолчанию

Цитата:
Сообщение от Actyon Посмотреть сообщение
подскажите для чего используется желтій разьем на плате, подписан как audio имеет 10 контактов. можно ли к нему подключить экодер регулятор громкости?
Нет. Энкодер к нему не подключишь. Это "Front panel audio header". Т.е. линейный выход 2-х фронтальных каналов и ещё обычно вход микрофона с его питанием. Распиновку именно этого разъема, честно говоря, не знаю.
Alex-L вне форума   Ответить с цитированием
Старый 31.03.2009, 20:00   #3
Actyon
Старший Пользователь
 
Аватар для Actyon
 
Регистрация: 06.09.2008
Город: Kyiv
Регион: Украина
Машина: Chevrolet HHR panel 2.4L LT
Сообщений: 564
Actyon is on a distinguished road
По умолчанию

Цитата:
Сообщение от Alex-L Посмотреть сообщение
Нет. Энкодер к нему не подключишь. Это "Front panel audio header". Т.е. линейный выход 2-х фронтальных каналов и ещё обычно вход микрофона с его питанием. Распиновку именно этого разъема, честно говоря, не знаю.
вот фото
Миниатюры
Нажмите на изображение для увеличения
Название: DSCN1345.JPG
Просмотров: 3432
Размер:	80.6 Кб
ID:	10325   Нажмите на изображение для увеличения
Название: DSCN1344.JPG
Просмотров: 3084
Размер:	60.6 Кб
ID:	10326  
__________________
монитор- LILLIPUT 701 7"; мамка - Intel® D945GCLF CPU intel ATOM 1.6; БП - E-10000; HDD - Seagate 2.5 60 GB; ST980811AS 8MB 5400rpm ; память - 2 gb; корпус 2 din собственной конструкции
звук TDA8571J. TV-FM тюнер -AVerTV Hybrid+FM Volar (A828) модем - ZTE8700 3G GPS -BU-353 OBD-II -ELM327
Actyon вне форума   Ответить с цитированием
Старый 31.03.2009, 20:16   #4
whitepanther
местный псих
 
Аватар для whitepanther
 
Регистрация: 03.11.2007
Возраст: 44
Город: Kuopio
Регион: Финляндия
Машина: Volvo XC90 2007 3.2 At / Toyota Camry 2003 2.4-VVTi
Сообщений: 746
whitepanther has a spectacular aura aboutwhitepanther has a spectacular aura about
По умолчанию

Энкодера к нему не подключить.
__________________
Чтобы вскарабкаться наверх, надо сложить крылья. © Станислав Ежи Лец

Мой проект: Карпутер в Toyota Camry V30

---

Centrafuse 4.0 Auto со скидкой 10%!
whitepanther вне форума   Ответить с цитированием
Старый 31.03.2009, 20:32   #5
Actyon
Старший Пользователь
 
Аватар для Actyon
 
Регистрация: 06.09.2008
Город: Kyiv
Регион: Украина
Машина: Chevrolet HHR panel 2.4L LT
Сообщений: 564
Actyon is on a distinguished road
По умолчанию

Front Panel I/O Connectivity Design Guide
22
􀀒 NOTE
Motherboards that have the foot print for a front panel header, but depopulate the front panel
audio header must have 0 ohm resistors as options to connect the FP_OUT and FP_RETURN
signals. These resistors must be installed when the header is depopulated to insure audio is routed
to the back panel.
2.3.5 Intel® High Definition Audio
The Intel® High Definition Audio (Intel® HD Audio) analog front panel header design lets OEMs
and integrators place audio functionality on the front panel of a PC system via a cabled up front
panel dongle. Intel® HD Audio analog front panel dongles can support up to two analog audio
jacks, each of which signals user connection, or disconnection, to the operating system via the
SENSE_SEND signal. The signals for this header are defined in Table 7 and the physical header
pinout is shown in Figure 4.

Table 7. Intel® HD Audio Front Panel Analog Header Signal Names
Pin Signal Name Description
1 PORT 1L Analog Port 1 - Left channel (Microphone)
2 GND Ground
3 PORT 1R Analog Port 1 - Right channel (Microphone)
4 PRESENCE# Active low signal that signals BIOS that an Intel® HD Audio dongle is connected
to the analog header. PRESENCE# = 0 when an Intel® HD Audio dongle is
connected.
5 PORT 2R Analog Port 2 - Right channel (Headphone)
6 SENSE1_RETURN Jack detection return for front panel (JACK1)
7 SENSE_SEND Jack detection sense line from the Intel® HD Audio CODEC jack detection
resistor network
8 KEY Connector Key
9 PORT 2L Analog Port 2 - Left channel (Headphone)
10 SENSE2_RETURN Jack detection return for front panel (JACK2)
Миниатюры
Нажмите на изображение для увеличения
Название: 3.jpg
Просмотров: 2868
Размер:	39.0 Кб
ID:	10328  
__________________
монитор- LILLIPUT 701 7"; мамка - Intel® D945GCLF CPU intel ATOM 1.6; БП - E-10000; HDD - Seagate 2.5 60 GB; ST980811AS 8MB 5400rpm ; память - 2 gb; корпус 2 din собственной конструкции
звук TDA8571J. TV-FM тюнер -AVerTV Hybrid+FM Volar (A828) модем - ZTE8700 3G GPS -BU-353 OBD-II -ELM327
Actyon вне форума   Ответить с цитированием
Старый 31.03.2009, 20:36   #6
Actyon
Старший Пользователь
 
Аватар для Actyon
 
Регистрация: 06.09.2008
Город: Kyiv
Регион: Украина
Машина: Chevrolet HHR panel 2.4L LT
Сообщений: 564
Actyon is on a distinguished road
По умолчанию

дальше так

Figure 4.
Intel® HD Audio - Analog Front Panel Header
Manufacturer's Part Number: Wieson* Electronic 2100C888-042 (or equivalent)

2.3.5.1 Intel® HD Audio CODEC Connections
In general, the CODEC ports selected for front panel use are connected to the Intel® HD Audio
header via series coupling capacitors C1 through C4. The resistors labeled Rbias are required if the
front panel jacks are required to support microphone functionality. Note that Figure 5 shows two
Vref output per CODEC port. The number of VREF outputs per PORT is a CODEC product
specific. Designers should consult their CODEC vendor’s datasheet for detailed information VREF
implementation, the details of the jack detection network, and selection of coupling capacitors.

Front Panel I/O Connectivity Design Guide
Миниатюры
Нажмите на изображение для увеличения
Название: 1.jpg
Просмотров: 2837
Размер:	102.1 Кб
ID:	10332  
__________________
монитор- LILLIPUT 701 7"; мамка - Intel® D945GCLF CPU intel ATOM 1.6; БП - E-10000; HDD - Seagate 2.5 60 GB; ST980811AS 8MB 5400rpm ; память - 2 gb; корпус 2 din собственной конструкции
звук TDA8571J. TV-FM тюнер -AVerTV Hybrid+FM Volar (A828) модем - ZTE8700 3G GPS -BU-353 OBD-II -ELM327
Actyon вне форума   Ответить с цитированием
Старый 31.03.2009, 20:38   #7
Actyon
Старший Пользователь
 
Аватар для Actyon
 
Регистрация: 06.09.2008
Город: Kyiv
Регион: Украина
Машина: Chevrolet HHR panel 2.4L LT
Сообщений: 564
Actyon is on a distinguished road
По умолчанию

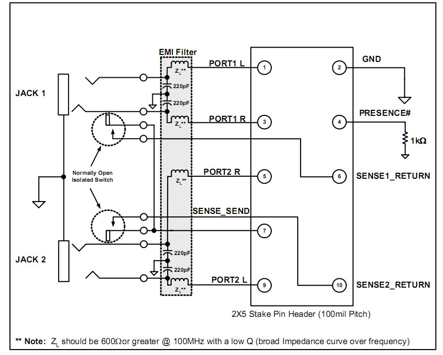
и последнее
Figure 5. Intel® HD Audio Front Panel Analog Header Motherboard Schematic
2.3.5.1.1 Dongle Presence Detection
The PRESENCE# signal is used to inform BIOS that an Intel® HD Audio dongle is connect to the
motherboard. This signal should be wired to a system GPI and BIOS should poll the GPI to check
for the presence of the Intel® HD Audio dongle in the system during POST. Nominal motherboard
pullup value of 10 k is required on this signal.
2.3.5.1.2 Jack Detection
Jack detection is accomplished with the use of the jack detection resistors Rjd_port1 and Rjd_port2.
The value of these resistors depends on which CODEC ports are tied to the Intel® HD Audio analog
header ports. Motherboard designers should consult the Intel® HD Audio specification for more
information on the assignment of these values for a give codec port.
2.3.5.2 Intel® HD Audio Front Panel Connections
Figure 6 shows a Intel® HD Audio front panel dongle implementation and a Intel® HD Audio front
panel analog header schematic. The front panel dongle consists of JACK1 and JACK2, and their
Front Panel Legacy I/O
25
associated signal pins, connected directly to their respective pins on the dongle stake pin header.
The SENSE_SEND signal is split and routed through the PORT1 and PORT2 isolated switches.
The other contact of each isolated switch, are routed to their respective sense return signals,
SENSE1_RETURN and SENSE2_RETURN. This functionality, together with the Rjd_PORT1
and Rjd_PORT2 resistors on the motherboard as shown in Figure 5, informs the audio driver of
jack insertion or removal, which is necessary for dynamic re-taking of the front panel jacks.
Finally, a 1 k pulldown is required on the PRESENCE# pin to signal BIOS that the Intel® HD
Audio front panel dongle is connected to the system.
Миниатюры
Нажмите на изображение для увеличения
Название: 2.jpg
Просмотров: 2869
Размер:	91.5 Кб
ID:	10333  
__________________
монитор- LILLIPUT 701 7"; мамка - Intel® D945GCLF CPU intel ATOM 1.6; БП - E-10000; HDD - Seagate 2.5 60 GB; ST980811AS 8MB 5400rpm ; память - 2 gb; корпус 2 din собственной конструкции
звук TDA8571J. TV-FM тюнер -AVerTV Hybrid+FM Volar (A828) модем - ZTE8700 3G GPS -BU-353 OBD-II -ELM327
Actyon вне форума   Ответить с цитированием
Старый 31.03.2009, 20:50   #8
Actyon
Старший Пользователь
 
Аватар для Actyon
 
Регистрация: 06.09.2008
Город: Kyiv
Регион: Украина
Машина: Chevrolet HHR panel 2.4L LT
Сообщений: 564
Actyon is on a distinguished road
По умолчанию

особенно в последнем варианте подключения. что такое Normally Open
Isolated Switch
__________________
монитор- LILLIPUT 701 7"; мамка - Intel® D945GCLF CPU intel ATOM 1.6; БП - E-10000; HDD - Seagate 2.5 60 GB; ST980811AS 8MB 5400rpm ; память - 2 gb; корпус 2 din собственной конструкции
звук TDA8571J. TV-FM тюнер -AVerTV Hybrid+FM Volar (A828) модем - ZTE8700 3G GPS -BU-353 OBD-II -ELM327
Actyon вне форума   Ответить с цитированием
Старый 31.03.2009, 22:10   #9
mcf1
Guest
 
Сообщений: n/a
По умолчанию

нормально-разомкнутый контакт, т.е. что бы система думала что ты воткнул во фронтальную панель наушники, то тебе нужно этот контакт замкнуть.
  Ответить с цитированием
Старый 01.04.2009, 02:57   #10
Actyon
Старший Пользователь
 
Аватар для Actyon
 
Регистрация: 06.09.2008
Город: Kyiv
Регион: Украина
Машина: Chevrolet HHR panel 2.4L LT
Сообщений: 564
Actyon is on a distinguished road
По умолчанию

спасибо теперь понял.
__________________
монитор- LILLIPUT 701 7"; мамка - Intel® D945GCLF CPU intel ATOM 1.6; БП - E-10000; HDD - Seagate 2.5 60 GB; ST980811AS 8MB 5400rpm ; память - 2 gb; корпус 2 din собственной конструкции
звук TDA8571J. TV-FM тюнер -AVerTV Hybrid+FM Volar (A828) модем - ZTE8700 3G GPS -BU-353 OBD-II -ELM327
Actyon вне форума   Ответить с цитированием
Ответ


Здесь присутствуют: 1 (пользователей: 0 , гостей: 1)
 

Ваши права в разделе
Вы не можете создавать новые темы
Вы не можете отвечать в темах
Вы не можете прикреплять вложения
Вы не можете редактировать свои сообщения

BB коды Вкл.
Смайлы Вкл.
[IMG] код Вкл.
HTML код Выкл.



Часовой пояс GMT +4, время: 15:10.


Работает на vBulletin® версия 3.8.4.
Copyright ©2000 - 2026, Jelsoft Enterprises Ltd.
Перевод: zCarot