PCCar.ru - Ваш автомобильный компьютер

Вернуться   PCCar.ru - Ваш автомобильный компьютер > MP3Car ТехИнфа > Сделай сам

Ответ
 
Опции темы Поиск в этой теме
Старый 19.04.2018, 13:19   #1
skanch
Модератор
 
Аватар для skanch
 
Регистрация: 19.01.2010
Возраст: 60
Город: Санкт-Петербург
Регион: 78, 98
Сообщений: 2,669
skanch has a brilliant futureskanch has a brilliant futureskanch has a brilliant futureskanch has a brilliant futureskanch has a brilliant futureskanch has a brilliant futureskanch has a brilliant futureskanch has a brilliant futureskanch has a brilliant futureskanch has a brilliant futureskanch has a brilliant future
По умолчанию SMD "кроватка" для Ардуино.

Не всегда можно использовать гнездо на плату со сквозным вариантом пайки контактов для установки плат Arduino. Ниже один из съемных вариант платы Arduino Pro Mini на плате с поверхностным монтажом. Использую цанговые панельки для микросхем, как очень надежное соединение и соответственно цанговые однорядные контакты (они с цилиндрическими контактами).

Нажмите на изображение для увеличения
Название: 3.jpg
Просмотров: 3160
Размер:	184.0 Кб
ID:	49569Нажмите на изображение для увеличения
Название: 4.jpg
Просмотров: 3150
Размер:	231.8 Кб
ID:	49570Нажмите на изображение для увеличения
Название: 5.jpg
Просмотров: 3107
Размер:	199.4 Кб
ID:	49571

Спиливаю контакты с панельки.

Нажмите на изображение для увеличения
Название: 2.jpg
Просмотров: 3164
Размер:	176.2 Кб
ID:	49568

И паяльником с жалом "игла" припаиваю на плату.

Нажмите на изображение для увеличения
Название: 14.jpg
Просмотров: 3109
Размер:	212.1 Кб
ID:	49579Нажмите на изображение для увеличения
Название: 11.jpg
Просмотров: 3119
Размер:	190.0 Кб
ID:	49577

От "гребенки" отрезаю нужное количество контактов (имеют разное по форме сторон исполнение- контакты плоской частью к плате Arduino, с выпуклыми к панельке).

Нажмите на изображение для увеличения
Название: 1.jpg
Просмотров: 3192
Размер:	181.8 Кб
ID:	49567Нажмите на изображение для увеличения
Название: 6.jpg
Просмотров: 3082
Размер:	199.3 Кб
ID:	49572

Вставляю контакты в панельку, на них плату Arduino (для точного позиционирования) и все тем же паяльником припаиваю их.

Нажмите на изображение для увеличения
Название: 7.jpg
Просмотров: 3149
Размер:	262.4 Кб
ID:	49573Нажмите на изображение для увеличения
Название: 8.jpg
Просмотров: 3243
Размер:	265.2 Кб
ID:	49574Нажмите на изображение для увеличения
Название: 9.jpg
Просмотров: 3219
Размер:	229.0 Кб
ID:	49575Нажмите на изображение для увеличения
Название: 10.jpg
Просмотров: 3121
Размер:	189.8 Кб
ID:	49576

Получается так.

Нажмите на изображение для увеличения
Название: 12.jpg
Просмотров: 3191
Размер:	260.8 Кб
ID:	49578

Точно так же реализуется вариант крепления для плат большого формата, только вместо панельки нужно использовать однорядную цанговую панель (гнездо).
Надежно в плане тряски в авто и всегда можно заменить контроллер... если что.

Последний раз редактировалось admin; 19.04.2018 в 16:10.
skanch вне форума   Ответить с цитированием
Старый 27.04.2018, 08:08   #2
Trantor
Старший Пользователь
 
Регистрация: 15.02.2013
Город: Москва
Регион: 77, 97, 99, 177
Машина: x-trail T30
Сообщений: 400
Trantor is on a distinguished road
По умолчанию

Наблюдение из личного опыта работы: у нас используются модули с микросхемами EEPROM на таких кроватях, регулярно приходится снимать модули и прожимать пальцами корпуса: со временем нарушается контакт и модуль начинает подглюкивать.
__________________
http://www.pccar.ru/showthread.php?t=18648 мой проект.
Icar DS , Cityguide,bGEO, Семь дорог.
I3 3220T, 4Gb, W10х32. SSD 128Gb
Trantor вне форума   Ответить с цитированием
Старый 27.04.2018, 09:47   #3
skanch
Модератор
 
Аватар для skanch
 
Регистрация: 19.01.2010
Возраст: 60
Город: Санкт-Петербург
Регион: 78, 98
Сообщений: 2,669
skanch has a brilliant futureskanch has a brilliant futureskanch has a brilliant futureskanch has a brilliant futureskanch has a brilliant futureskanch has a brilliant futureskanch has a brilliant futureskanch has a brilliant futureskanch has a brilliant futureskanch has a brilliant futureskanch has a brilliant future
По умолчанию

Цитата:
Сообщение от Trantor Посмотреть сообщение
Наблюдение из личного опыта работы: у нас используются модули с микросхемами EEPROM на таких кроватях, регулярно приходится снимать модули и прожимать пальцами корпуса: со временем нарушается контакт и модуль начинает подглюкивать.
Наверно "кровать" особенной конструкции... Если учитывать, что "модули с микросхемами EEPROM" работают в стационаре, то непонятна причина нарушения контакта. Цанговые соединения одни из самых надежных. Порой нужно приложить достаточно большое усилие что бы вынуть микросхему (а бывает, что и ноги у микросхем отрывают). У меня в машине подобная конструкция "живет" уже лет 8 и прекрасно себя чувствует. И это при постоянной тряске и в условиях повышенных температур (контроллер стоит за "головой").
P.S. Сейчас использую цанговые панельки в своих поделках для беспроблемной смены контроллера Arduino Pro mini на Pro micro (это если у пользователя возникнет желание добавить "универсальности" моим БП в виде управления кнопками на руле). И в надежности этого соединения я нисколько не сомневаюсь.

Последний раз редактировалось skanch; 27.04.2018 в 12:38.
skanch вне форума   Ответить с цитированием
Старый 29.04.2018, 10:59   #4
Trantor
Старший Пользователь
 
Регистрация: 15.02.2013
Город: Москва
Регион: 77, 97, 99, 177
Машина: x-trail T30
Сообщений: 400
Trantor is on a distinguished road
По умолчанию

Кровать такой же конструкции, как у Вас на рисунке, с "трубочками". Сколько раз было: модуль не стартует, продавил пальцем EEPROM на панельке - заработало. Против Ваших 8 лет безупречной работы могу поставить 4000-5000 лет общей наработки (число выпущенных модулей*время работы >10 лет). Так что останусь при своих сомнениях, хотя допускаю, что это только с EEPROM такая ботва.
__________________
http://www.pccar.ru/showthread.php?t=18648 мой проект.
Icar DS , Cityguide,bGEO, Семь дорог.
I3 3220T, 4Gb, W10х32. SSD 128Gb
Trantor вне форума   Ответить с цитированием
Старый 29.04.2018, 11:19   #5
skanch
Модератор
 
Аватар для skanch
 
Регистрация: 19.01.2010
Возраст: 60
Город: Санкт-Петербург
Регион: 78, 98
Сообщений: 2,669
skanch has a brilliant futureskanch has a brilliant futureskanch has a brilliant futureskanch has a brilliant futureskanch has a brilliant futureskanch has a brilliant futureskanch has a brilliant futureskanch has a brilliant futureskanch has a brilliant futureskanch has a brilliant futureskanch has a brilliant future
По умолчанию

Цитата:
Сообщение от Trantor Посмотреть сообщение
Кровать такой же конструкции, как у Вас на рисунке, с "трубочками". Сколько раз было: модуль не стартует, продавил пальцем EEPROM на панельке - заработало. Против Ваших 8 лет безупречной работы могу поставить 4000-5000 лет общей наработки (число выпущенных модулей*время работы >10 лет). Так что останусь при своих сомнениях, хотя допускаю, что это только с EEPROM такая ботва.
Спорить не буду... Возможно это конструктивные особенности именно этих микросхем. Хотя за 4000-5000 лет можно было бы найти альтернативу "продавил пальцем EEPROM на панельке - заработало"))).
skanch вне форума   Ответить с цитированием
Старый 29.04.2018, 11:56   #6
Trantor
Старший Пользователь
 
Регистрация: 15.02.2013
Город: Москва
Регион: 77, 97, 99, 177
Машина: x-trail T30
Сообщений: 400
Trantor is on a distinguished road
По умолчанию

Цитата:
Сообщение от skanch Посмотреть сообщение
Спорить не буду... Возможно это конструктивные особенности именно этих микросхем. Хотя за 4000-5000 лет можно было бы найти альтернативу "продавил пальцем EEPROM на панельке - заработало"))).
Ну Вы же понимаете, что такое серия, это всего лишь 500 модулей на 10 лет наработки, проблемы пошли на 2-3 год (всего выпущено около 2000). Сейчас используются квадратные панельки и флеш-память, данной проблемы нет, однако уже сделанное не выбросишь же как и опыт не пропьешь
__________________
http://www.pccar.ru/showthread.php?t=18648 мой проект.
Icar DS , Cityguide,bGEO, Семь дорог.
I3 3220T, 4Gb, W10х32. SSD 128Gb
Trantor вне форума   Ответить с цитированием
Старый 29.04.2018, 12:16   #7
skanch
Модератор
 
Аватар для skanch
 
Регистрация: 19.01.2010
Возраст: 60
Город: Санкт-Петербург
Регион: 78, 98
Сообщений: 2,669
skanch has a brilliant futureskanch has a brilliant futureskanch has a brilliant futureskanch has a brilliant futureskanch has a brilliant futureskanch has a brilliant futureskanch has a brilliant futureskanch has a brilliant futureskanch has a brilliant futureskanch has a brilliant futureskanch has a brilliant future
По умолчанию

Цитата:
Сообщение от Trantor Посмотреть сообщение
Ну Вы же понимаете, что такое серия, это всего лишь 500 модулей на 10 лет наработки, проблемы пошли на 2-3 год (всего выпущено около 2000). Сейчас используются квадратные панельки и флеш-память, данной проблемы нет, однако уже сделанное не выбросишь же как и опыт не пропьешь
Да - 2000 штук не отзовешь для переделки (да и топология платы скорее всего не позволит такую доработку)...Это понятно. Но в целом - это не причина говорить о конструктивной ненадежности цанговых панелек. Тем не менее - благодарю за высказанную точку зрения по теме.
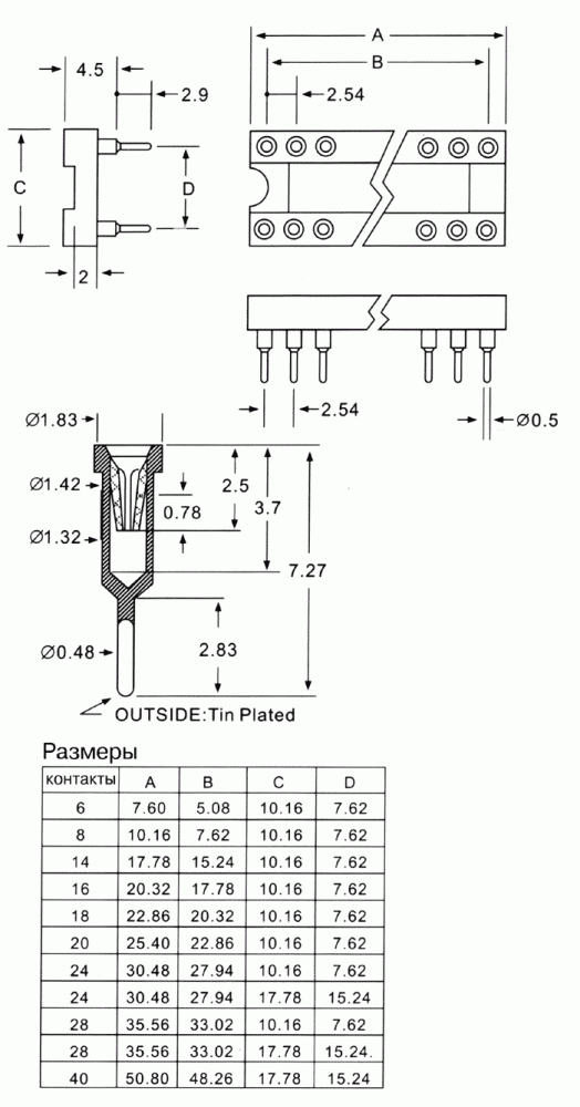
P.S. Для желающих узнать мнение других пользователей о преимуществе цанговых панелек...

Нажмите на изображение для увеличения
Название: 1313146225_sclm_dip_8.gif
Просмотров: 3282
Размер:	70.4 Кб
ID:	49626

Последний раз редактировалось skanch; 29.04.2018 в 12:54.
skanch вне форума   Ответить с цитированием
Ответ


Здесь присутствуют: 14 (пользователей: 0 , гостей: 14)
 

Ваши права в разделе
Вы не можете создавать новые темы
Вы не можете отвечать в темах
Вы не можете прикреплять вложения
Вы не можете редактировать свои сообщения

BB коды Вкл.
Смайлы Вкл.
[IMG] код Вкл.
HTML код Выкл.



Часовой пояс GMT +4, время: 08:33.


Работает на vBulletin® версия 3.8.4.
Copyright ©2000 - 2026, Jelsoft Enterprises Ltd.
Перевод: zCarot