PCCar.ru - Ваш автомобильный компьютер

Вернуться   PCCar.ru - Ваш автомобильный компьютер > MP3Car ТехИнфа > AndroidCar > Беcпроводные коммуникации > Bluetooth

Ответ
 
Опции темы Поиск в этой теме
Старый 23.07.2018, 14:06   #1
_val35999633
Пользователь
 
Регистрация: 08.05.2017
Возраст: 71
Город: Омск
Регион: 55
Машина: Chevrolet Lacetti
Сообщений: 32
_val35999633 is just really nice_val35999633 is just really nice_val35999633 is just really nice_val35999633 is just really nice_val35999633 is just really nice
По умолчанию M-diy-bl1200 вместо звуковой карты

Есть вот такой Bluetooth 4.0 аудио приемник. На плате написано m-diy-bl1200.
https://ru.aliexpress.com/item/Bluet...676343541.html
Я бы обозвал его коммутатором линия/ Bluetooth, с приоритетом по Bluetooth.
M-diy-bl1200 был подключен к AUX штатной магнитолы по Bluetooth. Звук не искажается.
Хотя при посредственном звучании штатной магнитолы, трудно услышать искажения.
В основном слушаю радио. Что бы послушать что то с планшета /флешки, приходится переключаться на AUX, увеличивать громкость.
Решил подключить m-diy-bl1200 между тюнером
https://yadi.sk/i/36D1sPsh3ZNa7C
и аудио процессором магнитолы
https://yadi.sk/i/Uy1p74pp3ZNa96
На плате есть возможность подключения микрофона и кнопок для управления звуком.
Кнопки и микрофон не подключал/не проверял.
Сопряжение m-diy-bl1200 с планшетом
https://yadi.sk/i/OiwkkNRl3ZUEun
Теперь, если слушаю радио, включая музыку с планшета/ флешки, происходит автоматическое переключение на планшет/флешку.
При воспроизведении с планшета/флешки, звук идет и с планшета и из динамиков машины.
На планшете стоит ядро от Даниэля, вставил в ХАБ звуковую карту, планшет замолчал. Отключать динамики планшета не хочу.

И неприятный момент. Слышно как происходит переключение с радио на планшет и обратно: «пук».
Когда M-diy-bl1200 был подключен к AUX, «пуков» не было.

Как это побороть, я не знаю. Может, есть решение?
_val35999633 вне форума   Ответить с цитированием
Старый 23.07.2018, 14:48   #2
skanch
Модератор
 
Аватар для skanch
 
Регистрация: 19.01.2010
Возраст: 60
Город: Санкт-Петербург
Регион: 78, 98
Сообщений: 2,669
skanch has a brilliant futureskanch has a brilliant futureskanch has a brilliant futureskanch has a brilliant futureskanch has a brilliant futureskanch has a brilliant futureskanch has a brilliant futureskanch has a brilliant futureskanch has a brilliant futureskanch has a brilliant futureskanch has a brilliant future
По умолчанию

Цитата:
Сообщение от _val35999633 Посмотреть сообщение
...Как это побороть, я не знаю. Может, есть решение?
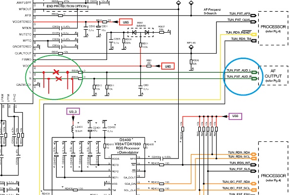
Подключаться в этом месте...


Миниатюры
Нажмите на изображение для увеличения
Название: 314.jpg
Просмотров: 1281
Размер:	97.3 Кб
ID:	49990  
skanch вне форума   Ответить с цитированием
Старый 23.07.2018, 17:53   #3
_val35999633
Пользователь
 
Регистрация: 08.05.2017
Возраст: 71
Город: Омск
Регион: 55
Машина: Chevrolet Lacetti
Сообщений: 32
_val35999633 is just really nice_val35999633 is just really nice_val35999633 is just really nice_val35999633 is just really nice_val35999633 is just really nice
По умолчанию

Сопротивления R308 и R309 по схеме ноль Ом, т.е. перемычка. Поэтому где подключиться, без разницы. Вот если увеличить входную емкость перед TDA 7419 (смотрел схемы подключения этой микросхемы), может это что то даст?
_val35999633 вне форума   Ответить с цитированием
Старый 23.07.2018, 18:21   #4
skanch
Модератор
 
Аватар для skanch
 
Регистрация: 19.01.2010
Возраст: 60
Город: Санкт-Петербург
Регион: 78, 98
Сообщений: 2,669
skanch has a brilliant futureskanch has a brilliant futureskanch has a brilliant futureskanch has a brilliant futureskanch has a brilliant futureskanch has a brilliant futureskanch has a brilliant futureskanch has a brilliant futureskanch has a brilliant futureskanch has a brilliant futureskanch has a brilliant future
По умолчанию

Цитата:
Сообщение от _val35999633 Посмотреть сообщение
Сопротивления R308 и R309 по схеме ноль Ом, т.е. перемычка. Поэтому где подключиться, без разницы. Вот если увеличить входную емкость перед TDA 7419 (смотрел схемы подключения этой микросхемы), может это что то даст?
Это не правильный вывод и перемычки в данном случае значения не имеют. По моему варианту Вы делаете разрыв линии до резисторов шунтирующих линию на общий "корпус" (по схеме 10К), в вашем случае разрыв после резисторов... Если обратите внимание на линию AUX, то там именно так и сделано - вы подключали до шунта на корпус (R1506 и R1505) и поэтому "пуков" не было.

Последний раз редактировалось skanch; 23.07.2018 в 18:51.
skanch вне форума   Ответить с цитированием
Старый 23.07.2018, 18:51   #5
_val35999633
Пользователь
 
Регистрация: 08.05.2017
Возраст: 71
Город: Омск
Регион: 55
Машина: Chevrolet Lacetti
Сообщений: 32
_val35999633 is just really nice_val35999633 is just really nice_val35999633 is just really nice_val35999633 is just really nice_val35999633 is just really nice
По умолчанию

Цитата:
Сообщение от skanch Посмотреть сообщение
Это не правильный вывод и перемычки в данном случае значения не имеют. По моему варианту Вы делаете разрыв линии до резисторов шунтирующих линию на общий "корпус" (по схеме 10К), в вашем случае разрыв после резисторов... Если обратите внимание на линию AUX, то там именно так и сделано - вы подключали до шунта на корпус и поэтому "пуков" не было.
Согласен с вами, но тогда звук на магнитоле нужно увеличивать. Возможно, когда было подключено к AUX не было слышно "пуков", пока добавляеешь звук, время прошло. Конечно, попробую как вы советуете.
_val35999633 вне форума   Ответить с цитированием
Старый 23.07.2018, 18:56   #6
skanch
Модератор
 
Аватар для skanch
 
Регистрация: 19.01.2010
Возраст: 60
Город: Санкт-Петербург
Регион: 78, 98
Сообщений: 2,669
skanch has a brilliant futureskanch has a brilliant futureskanch has a brilliant futureskanch has a brilliant futureskanch has a brilliant futureskanch has a brilliant futureskanch has a brilliant futureskanch has a brilliant futureskanch has a brilliant futureskanch has a brilliant futureskanch has a brilliant future
По умолчанию

Цитата:
Сообщение от _val35999633 Посмотреть сообщение
Согласен с вами, но тогда звук на магнитоле нужно увеличивать. Возможно, когда было подключено к AUX не было слышно "пуков", пока добавляеешь звук, время прошло. Конечно, попробую как вы советуете.
В любом случае, Валерий, уже отличный вариант коммутации звука между штатной головой и планшетом! Если ещё победите "пуки" (не сомневаюсь, что получится)- можно и в "шапку"...
skanch вне форума   Ответить с цитированием
Старый 23.07.2018, 23:11   #7
oleg707
Гуру
 
Аватар для oleg707
 
Регистрация: 16.04.2014
Возраст: 41
Город: Gdynia
Регион: другой - для добавления сообщить ab
Сообщений: 2,548
oleg707 has a reputation beyond reputeoleg707 has a reputation beyond reputeoleg707 has a reputation beyond reputeoleg707 has a reputation beyond reputeoleg707 has a reputation beyond reputeoleg707 has a reputation beyond reputeoleg707 has a reputation beyond reputeoleg707 has a reputation beyond reputeoleg707 has a reputation beyond reputeoleg707 has a reputation beyond repute
По умолчанию

A2DP - AptX поддерживает? за 7 баксов то ?
Имхо, если нет - можно и в "топку"
oleg707 вне форума   Ответить с цитированием
Старый 24.07.2018, 10:10   #8
skanch
Модератор
 
Аватар для skanch
 
Регистрация: 19.01.2010
Возраст: 60
Город: Санкт-Петербург
Регион: 78, 98
Сообщений: 2,669
skanch has a brilliant futureskanch has a brilliant futureskanch has a brilliant futureskanch has a brilliant futureskanch has a brilliant futureskanch has a brilliant futureskanch has a brilliant futureskanch has a brilliant futureskanch has a brilliant futureskanch has a brilliant futureskanch has a brilliant future
По умолчанию

Цитата:
Сообщение от oleg707 Посмотреть сообщение
A2DP - AptX поддерживает? за 7 баксов то ?
Имхо, если нет - можно и в "топку"
Олег, я не был бы столь категоричен. Технология AptX только приветствуется, но "зерно" темы не в этом. На мой взгляд _val35999633 предложил альтернативу (способ) подключения планшета к штатной AUDIO системе автомобиля в том числе и "звук с выхода на наушники", и все сравнения уместно делать в этой плоскости (вариант коммутации звука). Есть подобный модуль с поддержкой A2DP по такой же цене. Этот по спецификации с поддержкой AptX, но уже дороже...

P.S. Холивар на тему технологии AptX - повеселил...

Последний раз редактировалось skanch; 24.07.2018 в 10:55.
skanch вне форума   Ответить с цитированием
Старый 24.07.2018, 13:48   #9
maxymike
Пользователь
 
Регистрация: 01.06.2015
Возраст: 42
Город: Владимир
Регион: 33
Машина: Chery Tiggo Fl
Сообщений: 82
maxymike is on a distinguished road
По умолчанию

Цитата:
Сообщение от _val35999633 Посмотреть сообщение
Есть вот такой Bluetooth 4.0 аудио приемник. На плате написано m-diy-bl1200.
https://ru.aliexpress.com/item/Bluet...676343541.html
Я бы обозвал его коммутатором линия/ Bluetooth, с приоритетом по Bluetooth.
M-diy-bl1200 был подключен к AUX штатной магнитолы по Bluetooth. Звук не искажается.
Хотя при посредственном звучании штатной магнитолы, трудно услышать искажения.
В основном слушаю радио. Что бы послушать что то с планшета /флешки, приходится переключаться на AUX, увеличивать громкость.
Решил подключить m-diy-bl1200 между тюнером
https://yadi.sk/i/36D1sPsh3ZNa7C
и аудио процессором магнитолы
https://yadi.sk/i/Uy1p74pp3ZNa96
На плате есть возможность подключения микрофона и кнопок для управления звуком.
Кнопки и микрофон не подключал/не проверял.
Сопряжение m-diy-bl1200 с планшетом
https://yadi.sk/i/OiwkkNRl3ZUEun
Теперь, если слушаю радио, включая музыку с планшета/ флешки, происходит автоматическое переключение на планшет/флешку.
При воспроизведении с планшета/флешки, звук идет и с планшета и из динамиков машины.
На планшете стоит ядро от Даниэля, вставил в ХАБ звуковую карту, планшет замолчал. Отключать динамики планшета не хочу.

И неприятный момент. Слышно как происходит переключение с радио на планшет и обратно: «пук».
Когда M-diy-bl1200 был подключен к AUX, «пуков» не было.

Как это побороть, я не знаю. Может, есть решение?
У меня именно такая система,звук отличный,без фона,но никак не могу разобраться,почему не работает микрофон
maxymike вне форума   Ответить с цитированием
Старый 24.07.2018, 17:42   #10
_val35999633
Пользователь
 
Регистрация: 08.05.2017
Возраст: 71
Город: Омск
Регион: 55
Машина: Chevrolet Lacetti
Сообщений: 32
_val35999633 is just really nice_val35999633 is just really nice_val35999633 is just really nice_val35999633 is just really nice_val35999633 is just really nice
По умолчанию

Цитата:
Сообщение от maxymike Посмотреть сообщение
У меня именно такая система,звук отличный,без фона,но никак не могу разобраться,почему не работает микрофон
А как вы подключались? Сможете показать на схеме? (Если тема закроется,сбросьте пожалуйста в личку).

Я в этой системе разочаровался.
Если подключать к AUX, да работает хорошо.
A2DP поддерживает. Проверял стерео тестом.
Цепляет телефон HSP/HFP (громкая связь), звонящего я слышу, но нет микрофона, ответить не могу (нет в наличии микрофона). Так что не могу сказать что работает на 100%.
Плохое, это очень быстрая коммутация линия/Bluetooth. Т.е. малейшая пауза по Bluetooth, сразу переключение на линию. Тут же появляется Bluetooth, опять переключение. В результате слышишь какую то какафонию.
На сегодняшний день, я бы не рекомендовал ставить m-diy-bl1200 в звуковой тракт магнитолы, только к AUX. Не проверил все, открыл новую тему. Если модераторы сочтут нужным, закройте тему.
_val35999633 вне форума   Ответить с цитированием
Ответ


Здесь присутствуют: 1 (пользователей: 0 , гостей: 1)
 

Ваши права в разделе
Вы не можете создавать новые темы
Вы не можете отвечать в темах
Вы не можете прикреплять вложения
Вы не можете редактировать свои сообщения

BB коды Вкл.
Смайлы Вкл.
[IMG] код Вкл.
HTML код Выкл.



Часовой пояс GMT +4, время: 04:36.


Работает на vBulletin® версия 3.8.4.
Copyright ©2000 - 2026, Jelsoft Enterprises Ltd.
Перевод: zCarot