PCCar.ru - Ваш автомобильный компьютер

Вернуться   PCCar.ru - Ваш автомобильный компьютер > MP3Car ТехИнфа > Блоки питания > Разное

Ответ
 
Опции темы Поиск в этой теме
Старый 20.07.2009, 18:05   #1
yurich38
Старший Пользователь
 
Регистрация: 28.09.2008
Возраст: 42
Город: irkutsk
Регион: 38
Машина: impreza
Сообщений: 128
yurich38 will become famous soon enough
По умолчанию Интеллектуалный БП для Asus EeePC

Интеллектуальный блок питания для Auas EeePC

Нажмите на изображение для увеличения
Название: DSC_1i.jpg
Просмотров: 17555
Размер:	68.1 Кб
ID:	11829

в связи с тем что многие задают вопросы что/как сделать, решил все подробно описать в отдельной теме, вопросы и конструктивная критика приветствуются.
также некоторая инфа есть в моем проекте http://www.pccar.ru/showthread.php?t=8178

как было выяснено, EeePC имеет очень "неприятную" особенность, при небольшом скачке на входе питания, он сразуже переходит на батарею.. эксперименты с канденсаторами, и т.п. ничего не дали.
использовать Li-ion батарею в машине, в наших сибирских условиях, не реально (Li-ion батареи очень бояться мороза)
поэтому питание EeePC лучше осуществлять через разъем батареи.
для батареи:
напряжение питания 8.3В - полностью заряженная батарея
ЕееРс работает при понижении до 5.9В!, (начинает мигать лампочка "разрядки")
я настраивал свой преобразователь на 8В.

и так для начала о схеме самого преобразователя
использовать параметрические стабилизаторы (помоему так называются) типа 7809 или "Кренки" не стоит.
во первых они выделяют огромное количество тепла
во вторых, при большой нагрузке наблюдается просадка, что нежелательно.

хорошим выбором в данном случае будет импульсная схема, например на LM2576
напряжение на входе может быть до 40В,
к тому-же можно купить уже практически готовую схему
http://www.masterkit.ru/info/magshow.php?num=405
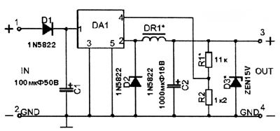
дальше, всеголишь подбором резисторов R1,R2 выставить нужное напряжение на выходе.

Нажмите на изображение для увеличения
Название: 2_RH_5_08.gif
Просмотров: 28202
Размер:	16.4 Кб
ID:	11830

схема, у мастеркита таже что и использована в моем проекте, только с других компонентов.
подобрать резисторы не так уж и сложно, как кажеться..

Последний раз редактировалось yurich38; 21.07.2009 в 06:49.
yurich38 вне форума   Ответить с цитированием
Старый 22.07.2009, 12:15   #2
yurich38
Старший Пользователь
 
Регистрация: 28.09.2008
Возраст: 42
Город: irkutsk
Регион: 38
Машина: impreza
Сообщений: 128
yurich38 will become famous soon enough
По умолчанию

Интеллект.
собрано все на микроконтроллере tiny15.
Нажмите на изображение для увеличения
Название: DSC_5377i.jpg
Просмотров: 18843
Размер:	86.3 Кб
ID:	11857
Нажмите на изображение для увеличения
Название: DSC_5378i.jpg
Просмотров: 17500
Размер:	85.6 Кб
ID:	11858

схема довольно простая, можно конечно еще и исключить светодиоды, но не советую. для отладки это незаменимая вещь
Нажмите на изображение для увеличения
Название: shema.jpg
Просмотров: 18031
Размер:	50.1 Кб
ID:	11856

прошивка+схема+исходник.
http://forum.pccar.ru/attachment.php...3&d=1247704033
yurich38 вне форума   Ответить с цитированием
Старый 22.07.2009, 13:03   #3
yurich38
Старший Пользователь
 
Регистрация: 28.09.2008
Возраст: 42
Город: irkutsk
Регион: 38
Машина: impreza
Сообщений: 128
yurich38 will become famous soon enough
По умолчанию

как прошить микроконтроллер?
очень просто.
покупаем tiny15L. (какой модификации не существенно, главное чтобы корпус был удобный для пайки )

даташит, если кто хочет знать больше
http://www.atmel.com/dyn/resources/p...ts/doc1187.pdf

прошить можно с помощью самого простого программатора через lpt
Нажмите на изображение для увеличения
Название: prog.jpg
Просмотров: 18585
Размер:	50.8 Кб
ID:	11859
соединяем tiny15 с lpt и подключаем питание. можно взять с usb.
на этом железная часть окончена..
yurich38 вне форума   Ответить с цитированием
Старый 22.07.2009, 13:26   #4
yurich38
Старший Пользователь
 
Регистрация: 28.09.2008
Возраст: 42
Город: irkutsk
Регион: 38
Машина: impreza
Сообщений: 128
yurich38 will become famous soon enough
По умолчанию

для прошивки скачиавем PonyProg http://www.lancos.com/e2p/V2_06/ponyprogV206f.zip
устанавливаем и запускаем..

первое что вытает программа это
"You need to run Calibration from the Options menu
before any read/write operations" и еще чтото..

лезем в меню Setup\Calibration..
закрывем все лишние приложения и жмем OK.
программа откалибруется и выдаст ОК.

теперь настройка интерфейса.. Setup\Interface Setup
выбираем паралельный порт и Avr ISP I/O
Нажмите на изображение для увеличения
Название: io.jpg
Просмотров: 17507
Размер:	21.1 Кб
ID:	11862
теперь выбираем что шьем.. Device\AVR micro\ATtiny15

программа готова к прошивке.
открываем нашу прошивку bp.hex
File\Open Device File..

Нажмите на изображение для увеличения
Название: prg.jpg
Просмотров: 17696
Размер:	107.1 Кб
ID:	11861
и жмем Write Program Memory (Flash)

если все правильно прошивка и проверка пройдет без ошибок..
yurich38 вне форума   Ответить с цитированием
Старый 22.07.2009, 18:28   #5
DimSky
Пользователь
 
Аватар для DimSky
 
Регистрация: 13.04.2009
Возраст: 42
Регион: 72
Машина: Toyota bB '01
Сообщений: 95
DimSky is on a distinguished road
По умолчанию

Мда...
Нет ли уж совсем готовых решений типа мастеркита чтобы вообще ничего не надо было прошивать ?
DimSky вне форума   Ответить с цитированием
Старый 23.07.2009, 00:01   #6
Anthonymus
Старший Пользователь
 
Регистрация: 28.01.2009
Возраст: 47
Регион: 12
Машина: Chrysler Concorde
Сообщений: 386
Anthonymus is on a distinguished road
По умолчанию

Давно ждал Вашу статью про блок питания. Спасибо. Теперь несколько вопросов:
1. Про БП - каковы характеристики дросселя. Диаметр стержня диаметр провода и число витков :-) Ну недружу я с катушками :-( Чем охлаждать.
2. Про контроллер. Есть ли задержка на отключении ACC? Просто у меня в машине магнитолу можно слушать только при наличии ключа в зажигании. И при отключении зажигания для включения магнитолы существует отдельное положение ключа...

Ну и фотки самого БП хотелось бы лицезреть...

Спасибо за информацию. Очень впечатлен Вашей работой.
Anthonymus вне форума   Ответить с цитированием
Старый 23.07.2009, 07:44   #7
yurich38
Старший Пользователь
 
Регистрация: 28.09.2008
Возраст: 42
Город: irkutsk
Регион: 38
Машина: impreza
Сообщений: 128
yurich38 will become famous soon enough
По умолчанию

Нажмите на изображение для увеличения
Название: DSC_0041_pwr1.jpg
Просмотров: 17888
Размер:	84.9 Кб
ID:	11887
Нажмите на изображение для увеличения
Название: DSC_0041_pwr2.jpg
Просмотров: 17447
Размер:	56.1 Кб
ID:	11888
Структурная схема питания EeePC
Нажмите на изображение для увеличения
Название: eeecarpc_power.jpg
Просмотров: 17693
Размер:	12.4 Кб
ID:	11889

я с дросселями тоже не дружу. по идее если покупать мастеркит там уже все должно быть для намотки дросселя.
В моем преобразователе стоят паралельно два дросселя с маркировкой 300. что это значит попробую выяснить

чем охлаждать.. посмотрите в моем проекте здесь (в подписи) и тут http://compcar.ru/forum/showthread.php?t=4232
lm2576 и 7805 прикручены на радиатор ЕееРс.
yurich38 вне форума   Ответить с цитированием
Старый 23.07.2009, 07:53   #8
yurich38
Старший Пользователь
 
Регистрация: 28.09.2008
Возраст: 42
Город: irkutsk
Регион: 38
Машина: impreza
Сообщений: 128
yurich38 will become famous soon enough
По умолчанию

несколько комментариев по схеме..
транзистор .. можно взять C337
стабилитрон на 4.7 вольта, тоже любой
номиналы конденсаторов не сильно существенны. они там для гашения просадки по питанию.
по схеме бп в архиве - от 7805 - сопротивление на ноге сидит - а кое где, на схеме, его нету. - это сопротивление не нужно, я его из схемы убрал.
yurich38 вне форума   Ответить с цитированием
Старый 23.07.2009, 08:00   #9
yurich38
Старший Пользователь
 
Регистрация: 28.09.2008
Возраст: 42
Город: irkutsk
Регион: 38
Машина: impreza
Сообщений: 128
yurich38 will become famous soon enough
По умолчанию

алгоритм работы:
при включении АСС..
включаем питание преобразователя, ждем Х-сек, нажимаем кнопку, ждем Y-сек, считаем что комп включен
при отключении...
гасим подсветку LCD, ждем М-мин, нажимаем кнопку, ждем Y-сек, считаем что комп выключен, ждем N-сек и отключаем питание..

для данной прошивки.
X-10сек Y-50сек M-15мин N-30сек

Если состояние АСС изменилось до нажатия кнопки. то процесс включения/отключения будет отменен.
Если после, процесс будет доведен до конца.
т.е. если кратковременно включить АСС то будет включен преобразователь и через 30 сек выключен.

Исключительные ситуации в программе:
Если комп отключился сам (не по нажатию кнопки) - отключить питание преобразователя
Если после нажатия кнопки спустя 70сек. комп не выключился/включился - отключить питание преобразователя

Последний раз редактировалось yurich38; 23.07.2009 в 10:33.
yurich38 вне форума   Ответить с цитированием
Старый 23.07.2009, 10:09   #10
Anthonymus
Старший Пользователь
 
Регистрация: 28.01.2009
Возраст: 47
Регион: 12
Машина: Chrysler Concorde
Сообщений: 386
Anthonymus is on a distinguished road
По умолчанию

Ага - с контроллером понял. Комп гасится через 15 мин после пропадания сигнала ACC (экран сразу). Если в течении этих 15-ти мин АСС появится - отключение (жим кнопки) отменяется. Тогда под мои задачи надо сделать несколько реле как на подсветку и ими глушить усилители. Я хочу поставить два мастеркитовских н 18W на центральный канал и 4х44 на фронт и тыл и со временем усилок саба. На мастеркитовских усилках вроде есть дежурный режим - вот его и вкл/выкл с помощью доп реле.

Дросселя с такой меткой где-то видел. Немогу вспомнить где...

Спасибо.
Anthonymus вне форума   Ответить с цитированием
Ответ


Здесь присутствуют: 1 (пользователей: 0 , гостей: 1)
 

Ваши права в разделе
Вы не можете создавать новые темы
Вы не можете отвечать в темах
Вы не можете прикреплять вложения
Вы не можете редактировать свои сообщения

BB коды Вкл.
Смайлы Вкл.
[IMG] код Вкл.
HTML код Выкл.



Часовой пояс GMT +4, время: 08:35.


Работает на vBulletin® версия 3.8.4.
Copyright ©2000 - 2026, Jelsoft Enterprises Ltd.
Перевод: zCarot