PCCar.ru - Ваш автомобильный компьютер

Вернуться   PCCar.ru - Ваш автомобильный компьютер > MP3Car ТехИнфа > Общение с машиной

Ответ
 
Опции темы Поиск в этой теме
Старый 19.12.2010, 02:38   #1
volod
Новый Пользователь
 
Регистрация: 15.12.2010
Город: т
Регион: 77, 97, 99, 177
Машина: в
Сообщений: 10
volod is on a distinguished road
По умолчанию Общение с 3S-FSE без заводского разъема

Здравствуйте.Может кто подскажет ,как соединить ноут и мозги от движка 3S-FSE.Автомобиль был TOYOTA CORONA PREMIO кузов ST 210 1998г.в.Имется адаптор http://www.masterkit.ru/main/set.php?code_id=215984 Подскажет на какие выходы ЭБУ цеплять адаптор.
Миниатюры
Нажмите на изображение для увеличения
Название: Безымянный.png
Просмотров: 1554
Размер:	36.7 Кб
ID:	19494  
volod вне форума   Ответить с цитированием
Старый 19.12.2010, 12:00   #2
awtoap
Гуру
 
Аватар для awtoap
 
Регистрация: 19.09.2009
Возраст: 48
Город: Мелитополь
Регион: Украина
Сообщений: 2,022
awtoap is a splendid one to beholdawtoap is a splendid one to beholdawtoap is a splendid one to beholdawtoap is a splendid one to beholdawtoap is a splendid one to beholdawtoap is a splendid one to beholdawtoap is a splendid one to behold
По умолчанию

Как по мне, то по данному "огрызку" схемы ничего не понятно. Лучше приведи все выводы ЭБУ.
awtoap вне форума   Ответить с цитированием
Старый 19.12.2010, 19:08   #3
volod
Новый Пользователь
 
Регистрация: 15.12.2010
Город: т
Регион: 77, 97, 99, 177
Машина: в
Сообщений: 10
volod is on a distinguished road
По умолчанию

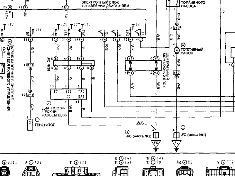
Это начало схемы
Миниатюры
Нажмите на изображение для увеличения
Название: схема1-я стр.jpg
Просмотров: 1140
Размер:	104.2 Кб
ID:	19499  
volod вне форума   Ответить с цитированием
Старый 19.12.2010, 19:11   #4
volod
Новый Пользователь
 
Регистрация: 15.12.2010
Город: т
Регион: 77, 97, 99, 177
Машина: в
Сообщений: 10
volod is on a distinguished road
По умолчанию

Продолжение схемы
Миниатюры
Нажмите на изображение для увеличения
Название: схема2-я стр.jpg
Просмотров: 1079
Размер:	84.7 Кб
ID:	19500  
volod вне форума   Ответить с цитированием
Старый 19.12.2010, 19:22   #5
awtoap
Гуру
 
Аватар для awtoap
 
Регистрация: 19.09.2009
Возраст: 48
Город: Мелитополь
Регион: Украина
Сообщений: 2,022
awtoap is a splendid one to beholdawtoap is a splendid one to beholdawtoap is a splendid one to beholdawtoap is a splendid one to beholdawtoap is a splendid one to beholdawtoap is a splendid one to beholdawtoap is a splendid one to behold
По умолчанию

Ничего похожего на выводы для диагностики я не нахожу. В этом талмуте поищи есть ли упоминание про разъем диагностики, а то может в ЭБУ его нет вовсе.
awtoap вне форума   Ответить с цитированием
Старый 19.12.2010, 19:36   #6
volod
Новый Пользователь
 
Регистрация: 15.12.2010
Город: т
Регион: 77, 97, 99, 177
Машина: в
Сообщений: 10
volod is on a distinguished road
По умолчанию

А красным выделено ,что за диагностический разъем
Миниатюры
Нажмите на изображение для увеличения
Название: схема2-я стр с выд.jpg
Просмотров: 1185
Размер:	86.8 Кб
ID:	19501  
volod вне форума   Ответить с цитированием
Старый 23.12.2010, 23:21   #7
volod
Новый Пользователь
 
Регистрация: 15.12.2010
Город: т
Регион: 77, 97, 99, 177
Машина: в
Сообщений: 10
volod is on a distinguished road
По умолчанию

Ну,что никто с таким не сталкивался
volod вне форума   Ответить с цитированием
Старый 24.12.2010, 00:38   #8
Art16
Старший Пользователь
 
Аватар для Art16
 
Регистрация: 20.09.2010
Возраст: 53
Город: Казань
Регион: 16, 116
Машина: Toyota Camry
Сообщений: 245
Art16 is on a distinguished road
По умолчанию

В D4 нет обд2!
Art16 вне форума   Ответить с цитированием
Старый 24.12.2010, 23:19   #9
volod
Новый Пользователь
 
Регистрация: 15.12.2010
Город: т
Регион: 77, 97, 99, 177
Машина: в
Сообщений: 10
volod is on a distinguished road
По умолчанию

А по какому протоколу с ней связаться
volod вне форума   Ответить с цитированием
Старый 25.12.2010, 11:22   #10
Art16
Старший Пользователь
 
Аватар для Art16
 
Регистрация: 20.09.2010
Возраст: 53
Город: Казань
Регион: 16, 116
Машина: Toyota Camry
Сообщений: 245
Art16 is on a distinguished road
По умолчанию

первые выпуски обд1, а вот дальше хз... сканер их не видит и обд1 тоже нет...нада смотреть, чё на разьёме написано диагностическом...их кстати 2 может быть...под капотом и в салоне... в салоне круглый....по идее обд2, но сканерами не видицца... от евротоёты тоже не подходит...
Art16 вне форума   Ответить с цитированием
Ответ


Здесь присутствуют: 1 (пользователей: 0 , гостей: 1)
 

Ваши права в разделе
Вы не можете создавать новые темы
Вы не можете отвечать в темах
Вы не можете прикреплять вложения
Вы не можете редактировать свои сообщения

BB коды Вкл.
Смайлы Вкл.
[IMG] код Вкл.
HTML код Выкл.



Часовой пояс GMT +4, время: 08:06.


Работает на vBulletin® версия 3.8.4.
Copyright ©2000 - 2026, Jelsoft Enterprises Ltd.
Перевод: zCarot